品质制程检验表格模板
- 格式:docx
- 大小:182.62 KB
- 文档页数:8
制程质量管理
(一)制程作业检查表
注:使用记号:“√”妥善“×”故障“△”需改进
(二)生产条件通知单
编号:填写日期:
(三)生产事前检查表
(四)生产过程记录卡
批号:规格:工令:用途:编号:
经办:审核:
(五)过程控制标准表
(六)产品质量标准表
(七)产品质量检验表
审核:质量检验:(八)质量因素变动表
填写日期:
编号:
(九)操作标准变更通知单
编号:填写日期:
审批:复核:
(十)生产过程检验标准表
产品名称:部门:页次:
(十一)产品质量抽查记录
机器名称:班别:
抽查员:主管:
(十六)工序质量分析表
(十七)工序质量评定表
(十八)工序质量跟踪卡
工程名称:编号:
质检员签字:年月日(十九)工序控制点明细表
(二十)工序质量审核记录表
(二十一)检验工序作业指导书
(二十二)工序质量检验评定表
(二十三)工序操作标准通知单
审核:填单人:(二十四)工序质量异常报告表
工序质量控制工作流程
工序质量检验工作流程
制程质量管理工作流程
质量分析统计工作流程
质量指标报告工作流程
制程质量异常处理工作流程。
品质性能检验报告引言本报告旨在对某产品的品质性能进行全面检验和评估,以确保产品质量符合预期要求。
通过该检验报告,我们可以了解产品在各项指标上的表现,为进一步改进和优化产品提供参考依据。
检验目标本次品质性能检验旨在验证以下指标: 1. 功能性能 2. 可靠性 3. 安全性 4. 耐久性5. 操作性 6. 外观、细节检验方法为了对产品的各项指标进行全面检验,我们采取了如下的检验方法: 1. 功能性能检验:通过搭建实验环境,模拟产品的实际使用情况,测试产品在各项功能方面的表现。
2. 可靠性检验:进行长时间运行测试,观察产品在不同环境下的可靠性和稳定性。
3. 安全性检验:通过模拟产品在异常情况下的操作,测试产品的安全性能,确保产品在意外情况下的可靠性。
4. 耐久性检验:进行重复使用测试,模拟产品在长期使用情况下的性能表现。
5. 操作性检验:通过用户体验测试,评估产品在操作上的便捷性和用户友好性。
6. 外观、细节检验:对产品外观进行全面检查,确保产品在外观上符合设计要求,并注意产品细节的完整性。
检验结果经过以上的全面检验,我们得出了如下的检验结果: 1. 功能性能:产品在各项功能方面表现良好,符合预期要求。
2. 可靠性:产品在长时间运行测试中表现出良好的可靠性和稳定性,没有出现严重故障和异常情况。
3. 安全性:产品在异常情况下的操作测试中,显示出较高的安全性能,能够有效保护用户的安全。
4. 耐久性:经过重复使用测试,产品表现出良好的耐久性,能够长期稳定运行。
5. 操作性:产品的操作性较好,用户可以轻松上手并且进行操作,具有较高的用户友好性。
6. 外观、细节:产品外观符合设计要求,细节处理精细,达到了预期的效果。
结论根据以上的检验结果,我们可以得出结论:该产品在各项品质性能指标上表现良好,符合预期要求。
经过全面检验,产品在功能性能、可靠性、安全性、耐久性、操作性和外观细节等方面均表现出优异的性能,达到了预期的设计目标。
工厂质检表格模板
一、产品信息
•产品名称:
•生产日期:
•质检日期:
•质检人员:
二、外观质量
•外观检查项:(填写具体检查项,如表面漆面是否平整、零件是否完整等)
•检测标准:(填写合格的标准,如无划痕、无变形等)
•质检结果:(填写合格、不合格等)
三、尺寸精度
•尺寸检查项:(填写具体尺寸检查项,如长度、宽度、高度等)•检测标准:(填写合格的尺寸范围)
•质检结果:(填写合格、不合格等)
四、功能测试
•功能测试项:(列举不同功能测试项,如启动是否正常、是否能正常工作等)
•测试标准:(填写合格的测试标准)
•质检结果:(填写合格、不合格等)
五、包装检查
•包装检查项:(包括包装完整性、标识清晰性等)
•检测标准:(填写合格的包装标准)
•质检结果:(填写合格、不合格等)
六、备注说明
•备注:(填写需要特别说明的情况)
以上为本次质检记录,请负责人核对确认。
品质检验标准表
13.制程检验规范表
14 .制程检验标准表
复核: 制表: 审批:
制表:复核:审批:
15.首件检验报告
年月日制表: 复核: 审批:
16 .制程巡检记录表
17 .质量异常通知单
日期:
制表: 复核: 审批:
年月日
部门:
18 .质量异常处理单
19 .制程异常报告
填写日期:
制表: 复核: 审批:
编号:
制表:复核:审批:
20.质量异常统计表
编号:填写日期:
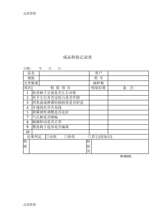
制表:复核:审批: 21.成品检验记录表
制表:复核:审批:
22.不合格品纠正、预防措施处理单
制表: 复核: 审批:
23.不合格品报告
编号:填写日期: 制表: 复核: 审批:
24.返工产品记录表
制表:复核:审批:
25.产品质量管理标准表
编号:日期:
制表:复核:审批:
26.产品质量检验标准表
编号:日期:
27.产品质量标准表
良
原
因
分
析
制表:复核:审批:
28.QA检查记录表
检查日期:
品管主管:检验者:
29.紧急放行申请表
编号:日期:
30.质量改进计划表
编号:
制表:复核:审批:
31.质量改进、纠正预防措施实施情况分析表
编号: 日期:。
六C01制程检验标准书No.
品名型号工序号工序名称
项次
品质标准
项目规格
作业标准书号
检验方法备注
厂长:主管:制表:
说明:1.依据检验标准作为生产部门及检验部门之品质判定依据;
2.依不同的工序制定。
六C02作业标准书No.
产品号工序工序名称检验标准编号
图示操作说明及注意事项
检验项目
项
次
项目规格检验方法
项次名称规格数量项次名称规格数量使
用物料使用机具
标准工时
标准
不良
率
制成符号①②③④部门品管制造技术
制
订审核
修
订
日期
发
行签收核可修订者
说明:1.本标准书由技术部作成,经厂长认可(修订亦同);
2.作为生产部门各工序作业之依据。
六C07制程抽检日报表日期:
控制员:
型号检验
时间
抽检
数量
控制
项目
规格
检验结果
X R±3б
处理
说明:1.控制产品可计量之项目,分析其准确度与精密度;
2.本表如使用单一产品,可作为不同时间别或不同控制项目别使用。
六C08重工返修日报表
项次
1 2 3 4 5 6 7 8 9 10 11 12 13 14 15 16合计
日期:
机种型号不良容送修部门修理员
使用时间
使用部件
(分)
六C09制程异常通知书
编号:
日期:收文部门
发文部门
要求反馈
时间
异常情况(发文填)发文者
收文签认
主管确认
实际反馈
时间
原因分析
□设计缺陷
□规格、标准缺陷
□制程及作业上缺陷
□机器缺陷
□模具、夹具缺陷
□检查判定缺陷
应急对策
具体说明:
预定完成时间
再发防止措施
预定完成时间
发文部门改善效果追踪
追踪责任者日期
主管确认日期
厂长认可日期
说明:1.在生产过程中发生重大事故时使用;
2.可以由制造部门或生产部门填单;
3.做好根本对策,防止再发生。
六C10品质变异联络单No.
日期:
部门产品号
变
异
情
况
原
因
追
查现
场
措
施
发生
时间
工序号
品管研
判意见
时间
处理者
时间
月日时分
操作者
责任者:
月日时分
应
急
处
置处理者
说明:1.在生产过程中发生重大事故时使用;
2.可以由制造部门或生产部门填单;
3.做好根本对策,防止再发生。
六C11月份层别统计表
顺位产品不良数(件)占不良总数
比率(%)
累积比率(%)
1
2
3
4
5
合计
A
B
C
D
其他
130
35
10
8
12
195
66.7
17.984.6
5.189.7
4.193.8
6.2100
100
说明:1.将当月份各不良项目统计;
2.依比率作顺位调整;
3.针对重点项目采取改善措施。
六C12操作者自主管理查检表
部门:
日期::
类别
品质变因项
次
1
2
3
4
5
项目
工作环境
材料
机器状况
模具、夹具
作业方法
1
检查结果(次数)
234567891011
产品品质1
2
3
孔径(用塞规)
缺孔(样板)
刮痕
说明:1.自主检验的项目以目视及使用量规为原则;
2.检查记录使用符号:√良,尚可,╳差。