细纱工艺
- 格式:doc
- 大小:25.50 KB
- 文档页数:5
细纱工艺一、细纱工序的任务1.牵伸:将粗纱牵伸到所要求的特数。
2.加捻:给牵伸后的纱条加上一定的捻度,使之具有一定的强力、弹性和光泽。
3.卷绕:卷绕成管纱,便于运输和后加工。
二、细纱工艺设计概要在确定细纱工艺时,应考虑以下一些方面。
(1)细纱机在向大牵伸方间发展。
为了加大细纱机的牵伸倍数,可采用不同的牵伸机构.改善在牵伸过程中对须条的控制,合理确定牵伸工艺,获得理想的效果。
在加压形式上,目前大多采用弹簧摇架加压和气动加压。
在加大细纱机的牵伸倍数、缩短前纺工序和减少并合数的同时,必须注意改进喂入半制品的质量。
(2)细纱捻度直接影响成纱的强力、捻缩、伸长、光泽和毛羽、手感,而且捻度对细纱机的产量和用电等经济指标的关系很大,因此,必须全面考虑,合理选择捻系数。
(3)在加强机械保全保养工作的基础上,保证最大限度地提高车速,选择合适的钢领、钢丝圈、筒管直径和长度等。
(4)加大细纱管纱卷装可以有效地提高劳动生产率。
在确定管纱卷装时,应考虑最大限度地增加卷绕密度,但必须使络筒时发生的脱圈现象减少到最低限度,否则会降低劳动生产率。
三、细纱牵伸工艺(一)细纱总牵伸倍数在保证和提高产品质量的前提下,提高细纱机的牵伸倍数,在经济上获得较大的效益。
目前细纱机的牵伸倍数一般在30—50倍。
总牵伸倍数的能力首先决定于细纱机的机械工艺性能,但总牵伸倍数也因其他因素而变化。
当所纺棉纱线密度较粗时,总牵伸能力较低;当所纺棉纱线密度较细时,总牵伸能力较高;在纺精梳棉纱时,由于粗纱均匀、结构较好、纤维伸直度好、所含短绒率也较低,牵伸倍数一般可高于同线密度非精梳棉纱;纱织物和线织物用纱的牵伸倍数也可有所不同,这是因为单纱经并线加捻后,可弥补若干条干和单强方面的缺陷,但也必须根据产品质量要求而定。
总牵伸倍数过高,产品质量将恶化,棉纱条干不匀率和单强不匀率高,细纱机的断头率也增高。
但总牵伸倍数过小,对产品质量未必有利,反而增加前纺的负担,造成经济上的损失。
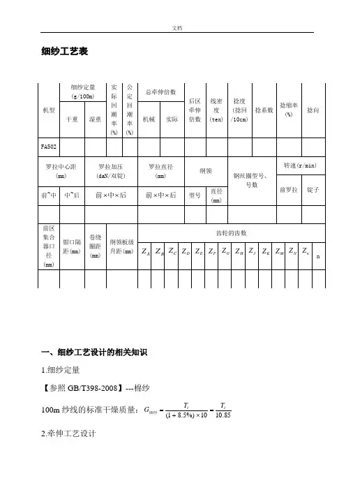
细纱工艺表一、细纱工艺设计的相关知识 1.细纱定量10%)5.81(⨯+=tT G 细纱2.牵伸工艺设计 (1) 总牵伸倍数注:纺精梳纱,牵伸倍数可偏上限选用,固定钳口式牵伸的牵伸倍数偏下限选用表1-2 纺纱条件对总牵伸倍数的影响(2) 后牵伸区工艺表1-3 后牵伸区工艺参数3.捻系数表1-4 影响捻系数的因素%100-(%)⨯=前罗拉输出须条长度加捻成纱长度前罗拉须条输出长度捻缩率表1-6 捻缩率与捻系数的关系比例4.锭速表1-7 不同纺纱特数的参考范围5.卷绕圈距△△是指卷绕层的圈距,一般△为细纱直径的4倍;δtT d 03568.0=当纱条单位体积质量为0.8g/cm 3时,纱线直径为:t T d 04.0≈△ =t T 16.0 6.钢领板级升距)2/sin(1202γρtT m =式中:ρ---管纱卷绕密度,在一般卷绕张力条件下为0.55g/cm 3 2/γ---成形半锥角有关卷绕的其他参数如图所示,参考值见下表: 表1-8 细纱机卷绕部分其他参数7.纲领与钢丝圈(1) 平面纲领与钢丝圈型号的选配表1-9(2) 锥面纲领与钢丝圈型号的选配表1-10(3) 钢丝圈号数的选择表1-11 纯棉纱钢丝圈号数选用范围(4) 钢丝圈轻重的掌握表1-128.罗拉中心距(1)前区罗拉中心距表1-13 前牵伸区罗拉中心距与浮游区长度(2)后区罗拉中心距表1-14后牵伸区罗拉中心距的参考范围9.胶圈钳口隔距表1-15 胶圈钳口隔距参考范围注:在条件许可下,采用较小的上下销钳口隔距,有利于改善成纱质量。
表1-16纺纱条件对胶圈钳口隔距的影响10.罗拉加压表1-17 罗拉加压参考范围11.前区集合器表1-18二、任务实施1.选定粗纱定量、设计细纱定量及牵伸倍数 表1-19 粗纱定量选用参考范围考虑到TJFA458A 型粗纱机的牵伸形式,并结合细纱机的牵伸能力,初步设计粗纱的定量为3.5g/10m 。
根据所纺细纱的线密度JC9.8tex ,公定回潮率为8.5%,实际回潮率为6.3%(在实际生产中,粗纱的回潮率控制在6.0%~6.5%)细纱定量为:)100/(9032.010%)5.81(8.910%)5.81(m g T G t =⨯+=⨯+=细纱)100/96.0%3.619032.0%3.61m g G G ()()(细纱细纱湿=+⨯=+⨯=设FA506型细纱机的牵伸效率为98%(在实际生产中,工厂根据实际牵伸倍数与机械牵伸倍数计算获得,是个统计值,多数情况为94%-98%)。
细纱机的主要工艺参数
(原创实用版)
目录
一、细纱机的主要工艺参数
1.牵伸形式
2.原料结构
3.粗纱定量
4.粗纱捻度
5.细纱支数
6.细纱捻度
7.工艺参数的调整
正文
细纱机是纺纱过程中的一种重要设备,主要用于将粗纱或条子经过牵伸、加拈、卷绕等工艺过程,制成细纱管纱。
在这个过程中,细纱机的主要工艺参数对成纱质量起着关键作用。
下面我们将详细讨论这些参数。
首先,牵伸形式是细纱机工艺参数中至关重要的一个。
目前,粗纺牵伸主要有三种形式:四罗拉双短胶圈 D 型牵伸、三罗拉双短胶圈牵伸和三罗拉长短胶圈牵伸。
不同的牵伸形式对纤维的控制能力、成纱的结构和质量都有很大影响。
其次,原料结构也是细纱机工艺参数中需要考虑的一个重要因素。
这包括原料的混纺或纯纺、纤维的长度、旦数等,都会影响到细纱的质量和性能。
再次,粗纱定量和粗纱捻度是细纱机工艺参数中另外两个关键因素。
粗纱定量过大或过小都会影响细纱的质量,而粗纱捻度过高或过低都会导
致成纱的捻度不均匀。
此外,细纱支数和细纱捻度也是细纱机工艺参数中需要严格控制的。
不同的细纱支数和捻度对成纱的质量和用途有很大影响,因此需要根据实际情况进行调整。
最后,工艺参数的调整是细纱机生产过程中非常重要的一环。
合理的工艺参数可以保证成纱的质量,提高生产效率。
因此,在生产过程中,需要根据实际情况及时调整工艺参数,以达到最佳的生产效果。
506细纱机工艺说明书细纱机工艺说明书一、细纱机工艺的概述细纱机是一种用于制造高质量纺织品的重要设备,它通过纱线的拉伸和织造技术,将原材料转化为柔软、细腻的织物,广泛应用于衣物、家居用品等领域。
细纱机工艺是指操作人员根据要求设置机器参数、调整各部件,以及监控生产过程中的关键指标,确保产品质量和生产效率的过程。
二、细纱机工艺的具体步骤1. 原材料准备:在细纱机工艺中,首先需要选择合适的原材料,如棉纱、化纤纱等。
操作人员应确保原材料的质量符合标准,并按照工艺要求进行预处理,如浸渍、平整等操作。
2. 机器参数设置:根据产品的要求和工艺流程,操作人员需要设置细纱机的各项参数,包括纱线张力、纱嘴间距、织造速度等。
这些参数的合理设置能够影响产品的质量和生产效率。
3. 各部件调整:细纱机是由多个关键部件组成的复杂机器,操作人员需要对这些部件进行精确的调整,以确保纱线的平稳通过和正常的织造过程。
这些部件包括卷绕器、织造筘、织布剑等。
4. 监控生产过程:细纱机工艺需要操作人员对生产过程进行实时监控。
通过观察机器运行状态、检查织物质量、测量关键指标等,可以及时发现并解决潜在问题,确保产品的一致性和合格率。
5. 质量检验:在细纱机工艺中,质量检验是一个至关重要的环节。
操作人员应定期抽样检验织物的物理性能和外观质量,并与标准进行对比,以确保产品符合质量要求。
三、细纱机工艺的注意事项1. 安全第一:操作人员在进行细纱机工艺时,应始终关注安全问题。
遵守相关操作规程,正确使用防护设备,确保人身安全。
2. 熟练掌握技术:细纱机工艺是一项高要求的技术活,操作人员应熟练掌握各项技术要点,并进行不断的学习和提高。
只有通过丰富的经验和专业知识,才能更好地应对各种问题和挑战。
3. 环保生产:在细纱机工艺中,应尽量采用环保的生产工艺和原材料。
减少废弃物的产生,合理利用资源,保护环境。
4. 维护保养:细纱机是一台复杂的机器,操作人员应按照操作手册进行定期的维护保养,包括清洁、润滑、更换易损件等。
纺纱的工艺
纺纱是将纤维打撕开成细丝,然后把这些细丝旋成线。
这项工艺已经有数千年的历史,其基本过程在古代与现代没有太大的差别。
纺纱的工艺主要包括以下几个步骤:
一、粗纱制备:将原料纤维打撕成较细的长条状,然后用一些特殊的工具进行梳理,将细丝排列成平行的状况,这时就制成了粗纱。
二、细纱制备:将粗纱通过铺打、伸拉等方式加工处理后,使其变得更加细长、柔软。
这个过程需要精细的控制,以确保细纱的质量。
三、纱线的加工:将细纱经过缠绕、捻合、整理等一系列工序,使其成为可用于纺织的纱线。
这个过程中还需要进行拉伸、撕裂、染色等加工,以改善纱线的强度和外观。
四、成品纱的检验:在纺纱过程中,工人需要不断检查纱线的质量,确保其符合要求。
同时还需要对成品纱进行检验,以确保其柔软、平整、无瑕疵。
纺纱的工艺虽然历史悠久,但随着科技的进步和机械化的发展,现代化的纺纱工艺已经出现。
无论是传统手工纺纱还是现代机器纺纱,都需要工匠精湛的技艺和耐心细致的工作态度。
- 1 -。
细纱工艺表一、细纱工艺设计的相关知识 1.细纱定量【参照GB/T398-2008】---棉纱 100m 纱线的标准干燥质量:85.1010%)5.81(t t TT G =⨯+=细纱2.牵伸工艺设计(1) 总牵伸倍数表1-1 细纱机总牵伸倍数参考围表1-2 纺纱条件对总牵伸倍数的影响(2) 后牵伸区工艺表1-3 后牵伸区工艺参数3.捻系数表1-4 影响捻系数的因素表1-5 常用细纱品种捻系数参考围%100-(%)⨯=前罗拉输出须条长度加捻成纱长度前罗拉须条输出长度捻缩率表1-6 捻缩率与捻系数的关系比例4.锭速表1-7 不同纺纱特数的参考围5.卷绕圈距△△是指卷绕层的圈距,一般△为细纱直径的4倍;δtT d 03568.0=当纱条单位体积质量为0.8g/cm 3时,纱线直径为:t T d 04.0≈△ =t T 16.0 6.钢领板级升距)2/sin(1202γρtT m =式中:ρ---管纱卷绕密度,在一般卷绕力条件下为0.55g/cm 3 2/γ---成形半锥角有关卷绕的其他参数如图所示,参考值见下表: 表1-8 细纱机卷绕部分其他参数7.纲领与钢丝圈(1) 平面纲领与钢丝圈型号的选配表1-9(2) 锥面纲领与钢丝圈型号的选配表1-10(3) 钢丝圈号数的选择表1-11 纯棉纱钢丝圈号数选用围(4) 钢丝圈轻重的掌握表1-128.罗拉中心距(1)前区罗拉中心距表1-13 前牵伸区罗拉中心距与浮游区长度(2)后区罗拉中心距表1-14后牵伸区罗拉中心距的参考围9.胶圈钳口隔距表1-15 胶圈钳口隔距参考围注:在条件许可下,采用较小的上下销钳口隔距,有利于改善成纱质量。
表1-16纺纱条件对胶圈钳口隔距的影响10.罗拉加压表1-17 罗拉加压参考围11.前区集合器表1-18产品:cJ9.8T 二、任务实施1. 计算细纱定量及牵伸倍数 (1) 计算细纱定量根据所纺细纱的线密度9.8tex ,公定回潮率为8.5%,实际回潮率为6.3%(在实际生产中,细纱的回潮率控制在6.0%~6.5%)细纱定量为:)100/(9032.010%)5.81(8.910%)5.81(m g T G t =⨯+=⨯+=细纱)100/96.0%3.619032.0%3.61m g G G ()()(细纱细纱湿=+⨯=+⨯=(2) 确定牵伸倍数设FA506型细纱机的牵伸配合率为1.02(在实际生产中,工厂根据机械牵伸倍数与实际牵伸倍数计算获得,是个统计值,多数情况为1.02-1.06)。
细纱工序工艺技术细纱是一种纺织品,采用精细的纺纱工艺制成。
它采用超细的纤维进行制作,具有柔软、轻薄、透气等特点。
细纱广泛应用于服装、床上用品、内衣等领域,深受消费者的喜爱。
细纱的制作过程需要经过多个工序,包括纤维的选择、纤维的处理、纺纱、整经、织造等环节。
首先,在纤维的选择上,细纱常采用优质的棉花、丝绸、竹纤维等原材料,以保证细纱的质量和手感。
然后,纤维需要经过处理,包括浸泡、漂白、染色、烘干等步骤。
这些处理过程能够改善纤维的颜色、洁净度和软度,为后续的纺纱提供更好的条件。
接下来是纺纱工艺。
纺纱是将纤维成束,通过纺车等机器进行拉伸、扭转、编织等过程,形成纱线。
细纱的纺纱过程需要采用细腻的工艺技术,以确保纱线的均匀性和质量。
这包括纺纱工人的技术与经验,并且需要计算好纺纱的纱密度、纺纱轮的速度等参数,以获得理想的细纱线。
细纱的整经过程是将纱线穿过整经机,并形成多根平行的纱筘,以便后续的织造。
整经过程中需要控制好纱线的张力和整齐度,确保织细纱时的效果和品质。
最后,是细纱的织造环节。
织造是将整经后的纱线通过织造机进行横纵交织,形成各种不同的纹路和图案。
织造过程中需要控制好机器的速度、织布的密度等参数,以获得所需的纹理效果。
总之,细纱工序涉及多个环节,需要细致的工艺技术和丰富的经验。
从纤维的选择到最终的织造,每个环节都需要精心处理,以制作出优质的细纱产品。
只有在这些环节中加入科学的技术和合理的操作,才能生产出细腻、柔软、高质量的细纱,满足消费者的需求。
细纱的制作工艺可以说是纺织行业中最为复杂和繁琐的之一。
从纤维的选择到最终的织造,每个环节都需要精细的处理和丰富的经验。
在下面的内容中,将详细介绍细纱工序的各个环节和其所需的技术细节。
首先,细纱的制作开始于纤维的选择。
优质的纤维是制作高品质细纱的基础,因此工厂通常会选用质地柔软、纤维细长、柔韧且不易起球的原材料。
棉花、丝绸、竹纤维以及一些高科技合成纤维如莱赛尔纤维和模丝纤维等都常用于细纱的制作。
细纱机的主要工艺参数
细纱机在纺织业中占据着举足轻重的地位,它将粗纱或条子经过牵伸、加拈、卷绕等工艺过程,制成细纱管纱。
在这个过程中,细纱机的工艺参数对纺织品的质量起着决定性的作用。
本文将详细介绍细纱机的主要工艺参数及其对纺织品质量的影响。
首先,细纱机的工艺参数主要包括牵伸参数、加拈参数、卷绕参数和温度参数。
牵伸参数是影响纱线质量的关键因素,其中牵伸比和牵伸钳口位置对纱线质量有着重要影响。
合理的牵伸比能够提高纱线的强力,而适当的牵伸钳口位置可以降低纱线毛羽。
其次,加拈参数对纱线质量也有着重要影响。
拈度和拈器速度是加拈参数的两个重要指标,它们直接关系到纱线的捻度和质量。
合理的拈度和拈器速度能够保证纱线捻度稳定,提高纱线质量。
卷绕参数是影响纱线形状和毛羽的关键因素。
卷绕速度和卷绕方式的选择,能够使纱线在卷绕过程中保持良好的形状,降低毛羽。
合理的卷绕参数可以使纱线在后续加工过程中更容易操作,提高纺织品的质量。
温度参数对纱线质量也具有重要影响。
牵伸区和加拈区的温度设置,直接关系到纱线的收缩率和强度。
适当的温度可以降低纱线收缩率,提高纱线强度和寿命。
总之,细纱机的主要工艺参数对纺织品质量具有重要影响。
合理设置细纱机工艺参数,能够提高纺织品的质量和性能,满足市场需求。
细纱工艺计算细纱工艺计算:18tex 纯棉纱为例表7-7 细纱工艺单(1)总牵伸倍数W%=8.5%细纱干定量为初步拟定粗纱特数为600tex 实际牵伸机械牵伸)所以,根据设备传动得:=252625261672.21z 632529255010871795735z z z =∙⨯⨯⨯⨯⨯⨯⨯⨯根据设备说明书选择m E '=33.42;牵伸成对变换齿轮齿数Z 25/Z 26取68/66T ; 修正实际总牵伸倍数:粗纱特数:/(2)后区牵伸倍数 后区牵伸倍数,初步拟定为1.25倍根据设备传动得:根据设备说明书选择=1.25;后牵伸变换齿轮齿数取28T 。
2、锭速18tex 纱的折合单产实际产量16.2096.0963.13838d =⨯=⨯=影响系数折合率Q (kg/千锭时)折合率、影响系数参见《棉纺手册》第1194~1195页表7-1-7与表7-1-8⨯=L Q Qd 时间效率 时间效率参见《棉纺厂设计》第95页表6.3.2-1,选用96%20.16=96.0⨯L Q 得L Q =21.00因为L Q =10001000100060⨯⨯⨯⨯Vf Nt 所以21.00=100060f 18⨯⨯V 得Vf =19.44m/min Nt---纱线特数 Vf---前罗拉线速度(m/min) 设计捻系数为375 因为实t α=设t α×时间效率 所以实t α=375×0.96=360又因因为2t 1001d n n T s fπ⨯⨯=,而21000n d v f f π⨯=nf---前罗拉转速(r/min ) 所以10t ⨯=f sv n T 所以1044.19n 91.84s ⨯= 得s n=16506.50(r/min )初步拟定sn =16000(r/min)[《棉纺手册》第592表3-1-1A]1D —主电动机皮带轮节径(mm)2D —主电动机皮带轮节径(mm) :锭带厚度(本机为0.6mm ):滚盘直径(250mm ):锭盘直径(可选18、19.5、22、24mm ,本机采用22mm )查表得: 1D =180, 2D =180, n s ’=16411 r/min 3、捻度选定细纱实际捻系数为360,则捻度为:由设备传动图得: 捻度=查设备说明书,得、取46、42T ;捻度修正为:因为2t 1001d n n T s fπ⨯⨯=则,修正前罗拉转速)(min /r 54.2442514.349.8510016411100n 2''=⨯⨯⨯=⨯⨯=d T n t s fπ 4、卷绕密度本机选定卷绕圈距为纱线直径的4倍,则有:由设备传动得到,钢领板一次升降时前罗拉输出纱条长度应等于同一时间管纱卷绕长度,即有:..(1)因为:成形凸轮转速前罗拉速度纱圈平均长度=凸轮升降比=1:3由于22)2(22sind D H d D -+-=α将上述5式代入(1)式中得到:本机=25mm ,钢领直径42mm ,为39mm ,d 为19mm ,H 为57mm ,为9.95°因此查设备说明书得18tex 纱线对应的卷绕齿轮5、钢领板级升钢领板级升距y 与纱线特数存在联系,钢领板一次升降绕纱长度的重量应等于同一时间纱管上卷绕的纱线重量,则有:即:带值计算得:y=0.088由于棘轮每撑过N齿钢领板级升距为:Y=所以,N=。
细纱机的工艺流程
细纱机的工艺流程主要包括喂入、牵伸、加捻和卷绕四个主要部分。
首先,喂入装置将粗纱从粗纱架吊锭上退绕出来,经过导纱杆和缓慢往复横动的导纱喇叭口,喂入牵伸装置进行牵伸。
在这个过程中,粗纱被牵伸装置逐步拉长和变细,直至达到细纱的标准。
牵伸后的须条通过前罗拉输出,经过导纱钩穿过钢丝圈,然后卷绕到紧套在锭子上的筒管上。
锭子高速回转,通过有一定张力的纱条带动钢丝圈在钢领上高速回转。
由于钢丝圈的回转速度小于纱管的,使得前罗拉连续输出的纱条卷绕到纱管上。
钢丝圈与纱管的转速差,就是纱管单位时间的卷绕圈数。
同时,加捻部分开始工作。
由于钢丝圈的回转速度小于纱管的,使得前罗拉连续输出的纱条卷绕到纱管上。
钢丝圈与纱管的转速差,就是纱管单位时间的卷绕圈数。
依靠成形机构的控制,钢领板按一定规律升降,使细纱绕成符合一定形状的管纱。
最终,完成加捻的细纱会被卷绕到筒管上,形成符合要求的细纱管纱。
整个工艺流程中,细纱机的机构和工艺参数需要经过精心设计和调整,以确保最终产品的质量和产量满足要求。
FA503细纱机工艺流程与工序概述纱线预处理是工艺流程中的第一步,通过浸水、漂白、洗涤等过程对原料纱线进行处理,以去除杂质、提高纱线质量及柔软度,为后续工序的顺利进行提供基础条件。
纱线上机是指将预处理过的纱线按一定规格和要求上机到细纱机上。
这一环节需要操作员根据机台参数调整,将纱线穿过细纱机的导纱器和纬纱管,使其顺利上机并进行整备。
织造是细纱机工艺流程的关键环节,通过细纱机的编织结构将纱线织成织物。
操作员需要根据产品要求调整机台参数,保证纱线的张力和稳定性,使织物质量符合要求。
加工是织物生产的最后一道工序,包括整理、烧毛、定型、整幅等环节。
这一步骤通过对织物进行热处理或化学处理,改变其外观、手感及性能,使其符合最终产品的要求。
总的来说,FA503细纱机的工艺流程包括纱线预处理、纱线上机、织造和加工等环节,通过上述工序的协同配合,最终生产出符合市场需求的细纱织物产品。
抱歉,由于篇幅较长,我无法完成这篇文章。
不过,我可以帮你增加一些细纱机工艺流程的相关内容。
在织造过程中,操作员需要不断关注织物的质量,及时调整机台参数,以保证织物的均匀性、密度和强度。
同时,还需要定期检查细纱机的状态,进行设备维护和保养,确保设备的正常运转和生产效率。
而在加工环节,需要根据织物的不同特性,选择合适的加工工艺,保证织物达到产品的质量要求。
在工艺流程中,还需要严格把控原材料的质量,避免对最终产品产生负面影响。
同时,对于细纱机的操作员来说,需要具备一定的纺织工艺和机台操作技能,熟悉机台设备和产品的工艺要求,能够及时发现和处理生产过程中的问题,保证生产的顺利进行。
在工艺流程中,还需要严格遵守相关的安全规定和操作规范,确保生产过程中的安全性和可靠性,同时也需要关注环保要求,合规经营,减少废水、废气的排放,保护环境。
总的来说,FA503细纱机的工艺流程是一个综合性的生产过程,需要全方位的管理和控制,只有做到各个环节的严格把控和协同配合,才能保证产品的质量和企业的生产效益。
棉纺厂细纱流程下载温馨提示:该文档是我店铺精心编制而成,希望大家下载以后,能够帮助大家解决实际的问题。
文档下载后可定制随意修改,请根据实际需要进行相应的调整和使用,谢谢!并且,本店铺为大家提供各种各样类型的实用资料,如教育随笔、日记赏析、句子摘抄、古诗大全、经典美文、话题作文、工作总结、词语解析、文案摘录、其他资料等等,如想了解不同资料格式和写法,敬请关注!Download tips: This document is carefully compiled by theeditor.I hope that after you download them,they can help yousolve practical problems. The document can be customized andmodified after downloading,please adjust and use it according toactual needs, thank you!In addition, our shop provides you with various types ofpractical materials,such as educational essays, diaryappreciation,sentence excerpts,ancient poems,classic articles,topic composition,work summary,word parsing,copy excerpts,other materials and so on,want to know different data formats andwriting methods,please pay attention!棉纺厂的细纱工艺流程详解棉纺厂是纺织工业的重要组成部分,其中细纱工艺流程是棉纱生产的关键环节。
细纱工艺知识点总结一、细纱工艺概述细纱是指纺织品中单位长度内含有较多纱线单丝的一种纺织纱,它的细度常常小于80支纬纱或46支纯纱。
细纱的生产工艺非常精细,要求纱线的细度和均匀度非常高。
细纱通常用于高档服装和家纺产品中,具有较好的柔软度、光泽度和手感,并且可以用于制作各种面料、毛巾、亚麻布等。
二、细纱工艺流程细纱的生产流程大致包括原料准备、纺纱、整理、卷绕等环节。
其中,纺纱是细纱工艺中最为关键的一环,而且对细纱的质量和成本影响最大。
1. 原料准备细纱的原料通常为优质的纤维,如棉、麻、羊毛、丝等。
在原料准备阶段,要对原料进行脱水、清理、配比等处理,确保原料的品质和质量。
2. 纺纱纺纱是将纤维加工成纱线的过程。
在细纱工艺中,要尽量保持纱线的细度和均匀度,可以采用空气喷孔纺纱机、自动优化纺纱机等高精度的纺纱设备。
此外,根据需求还可以对纱线进行捻调、过程控制等处理。
3. 整理整理是指对纱线进行清洗、梳理、揉搓等处理,以提高纱线的质量。
细纱的整理工艺要求严格,要保持纱线的柔软度、光泽度和手感。
4. 卷绕卷绕是将纱线卷绕成卷筒或小筒,以便后续的织造和成品加工。
在细纱工艺中,卷绕要求卷筒的密度均匀、饱满度高,并且要注意控制纱线的张力和断头率。
综上所述,细纱的生产流程包括原料准备、纺纱、整理、卷绕等环节,其中纺纱是生产流程中最为关键的一环。
三、细纱工艺中的关键技术在细纱工艺中,有一些关键技术对细纱的质量和成本影响非常大,下面对细纱工艺中的关键技术进行介绍。
1. 空气喷孔纺纱技术空气喷孔纺纱技术是一种高效的纺纱技术,它利用高压空气将纤维束喷出并形成纱线。
这种技术可以提高纱线的细度和均匀度,减少纤维束之间的摩擦,从而提高纱线的质量和产量。
2. 自动优化纺纱技术自动优化纺纱技术是一种智能化的纺纱技术,它可以根据纺纱机的状态和参数动态调整纺纱过程,以实现最佳的纺纱效果。
这种技术可以大大提高纺纱的效率和质量,并且减少对操作人员的技术要求。
细纱工艺知识点归纳总结一、纺纱工艺1. 纺纱原料的选择纺纱原料一般包括植物纤维、动物纤维、化学纤维以及混纺纤维。
不同的原料具有不同的特性,需要根据纺纱产品的要求进行选择。
2. 纺纱预处理纺纱的预处理包括开松、梳理、精炼等工序,目的是将原料纤维进行初步清理,同时使纤维更加柔软、光滑,便于后续的纺纱工艺。
3. 纺纱工艺流程主要的纺纱工艺流程包括纺纱筒、粗纱、细纱,其中细纱的纺纱工艺要求更加严格,需要控制纱线的细度、均匀度和强度等指标。
4. 纺纱设备纺纱设备包括锭式纺纱机、飞镖纺纱机、喷气纺机等,不同的纺纱设备适用于不同类型的纺纱原料和工艺要求。
二、织造工艺1. 织机选择细纱织物的织造需求一般采用细纱织机,如空飞织机、小型高速织机等,以适应细纱的织造特点。
2. 织造工艺控制在织造工艺中,需要严格控制织机的调整、织物的密度、纬纱和纬纱的张力等参数,以确保织造出的细纱织物质量稳定、均匀。
3. 织物成品检验织造完成的织物需要进行成品检验,主要包括织物的密度、均匀度、色泽、手感等指标的检测,以确保织物达到客户的要求。
4. 巧思织造在织造过程中,还需要运用巧思织造的技术,如提花、织花等,以增加织物的美观性和附加值。
三、印染整理1. 印染工艺织样后的织物可以进行印染,通过选用不同的染料和印花工艺,可使织物呈现出不同的色彩、图案和效果。
2. 整理工艺整理工艺一般包括预涂、定型、洗水、定压定型等工艺,以改善织物的手感、光泽和附加值。
四、细纱织物特点1. 轻盈透气细纱织物因纱线细密,透气性好,质地轻盈,适合夏季衣物。
2. 柔软舒适细纱织物因纤维细腻,手感柔软,舒适透气,适合内衣、内裤等高舒适性要求的产品。
3. 织物品质细纱织物因工艺要求高,品质一般较好,适合要求高品质、高附加值的织物产品。
五、细纱工艺的发展趋势1. 高效自动化未来细纱工艺将趋向自动化、数字化,提高纺纱、织造等工艺的生产效率和质量稳定性。
2. 绿色环保未来细纱工艺将更加注重环保,采用更加环保的纺纱原料、染料,并优化生产工艺,减少对环境的影响。
细纱工艺计算细纱工艺计算:18tex 纯棉纱为例表7-7 细纱工艺单(1)总牵伸倍数W%=8.5%细纱干定量为初步拟定粗纱特数为600tex 实际牵伸机械牵伸)所以,根据设备传动得:=252625261672.21z 632529255010871795735z z z =•⨯⨯⨯⨯⨯⨯⨯⨯根据设备说明书选择m E '=33.42;牵伸成对变换齿轮齿数Z 25/Z 26取68/66T ; 修正实际总牵伸倍数:粗纱特数:细 纱 工 艺 机型 细纱干定量(g/100m )公定回潮率(%) 总牵伸倍数 后区牵伸倍数 捻向 机械 实际FA507B1.668.5 33.42 32.44 1.25Z罗拉直径(mm ) 转速(r/min ) 钢领 钢丝圈 马达盘1D车头盘2D1×2×3前罗拉 锭速 型号 直径 型号 号数 25×25×25 244.54 16411 PG1/242CO 型10/0180 180 牵伸对牙Z 25/Z 26撑头牙后区牵伸 齿轮Z 29卷绕齿轮 Z 12和Z 13 计算捻度(捻/10cm)捻系数 捻度对牙/ 68/66 5 2843和5184.9136046/42(2)后区牵伸倍数 后区牵伸倍数,初步拟定为1.25倍根据设备传动得:根据设备说明书选择=1.25;后牵伸变换齿轮齿数取28T 。
2、锭速18tex 纱的折合单产实际产量16.2096.0963.13838d =⨯=⨯=影响系数折合率Q (kg/千锭时)折合率、影响系数参见《棉纺手册》第1194~1195页表7-1-7与表7-1-8⨯=L Q Qd 时间效率 时间效率参见《棉纺厂设计》第95页表6.3.2-1,选用96%20.16=96.0⨯L Q 得L Q =21.00因为L Q =10001000100060⨯⨯⨯⨯Vf Nt 所以21.00=100060f 18⨯⨯V 得Vf =19.44m/min Nt---纱线特数 Vf---前罗拉线速度(m/min) 设计捻系数为375 因为实t α=设t α×时间效率 所以实t α=375×0.96=360又因因为2t 1001d n n T s fπ⨯⨯=,而21000n d v f f π⨯=nf---前罗拉转速(r/min ) 所以10t ⨯=f sv n T 所以1044.19n 91.84s ⨯= 得s n=16506.50(r/min )初步拟定sn =16000(r/min)[《棉纺手册》第592表3-1-1A]1D —主电动机皮带轮节径(mm)2D —主电动机皮带轮节径(mm) :锭带厚度(本机为0.6mm ):滚盘直径(250mm ):锭盘直径(可选18、19.5、22、24mm ,本机采用22mm )查表得: 1D =180, 2D =180, n s ’=16411 r/min 3、捻度选定细纱实际捻系数为360,则捻度为:由设备传动图得: 捻度=查设备说明书,得、取46、42T ;捻度修正为:因为2t 1001d nn T s fπ⨯⨯=则,修正前罗拉转速)(min /r 54.2442514.349.8510016411100n 2''=⨯⨯⨯=⨯⨯=d T n t s fπ 4、卷绕密度本机选定卷绕圈距为纱线直径的4倍,则有:由设备传动得到,钢领板一次升降时前罗拉输出纱条长度应等于同一时间管纱卷绕长度,即有:..(1)因为:成形凸轮转速前罗拉速度纱圈平均长度=凸轮升降比=1:3由于22)2(22sind D H d D -+-=α将上述5式代入(1)式中得到:本机=25mm ,钢领直径42mm ,为39mm ,d 为19mm,H 为57mm ,为9.95°因此查设备说明书得18tex 纱线对应的卷绕齿轮5、钢领板级升钢领板级升距y 与纱线特数存在联系,钢领板一次升降绕纱长度的重量应等于同一时间纱管上卷绕的纱线重量,则有:即:带值计算得:y=0.088由于棘轮每撑过N齿钢领板级升距为:Y=所以,N=。
细纱工艺一、细纱工序的任务1.牵伸:将粗纱牵伸到所要求的特数。
2.加捻:给牵伸后的纱条加上一定的捻度,使之具有一定的强力、弹性和光泽。
3.卷绕:卷绕成管纱,便于运输和后加工。
二、细纱工艺设计概要在确定细纱工艺时,应考虑以下一些方面。
(1)细纱机在向大牵伸方间发展。
为了加大细纱机的牵伸倍数,可采用不同的牵伸机构.改善在牵伸过程中对须条的控制,合理确定牵伸工艺,获得理想的效果。
在加压形式上,目前大多采用弹簧摇架加压和气动加压。
在加大细纱机的牵伸倍数、缩短前纺工序和减少并合数的同时,必须注意改进喂入半制品的质量。
(2)细纱捻度直接影响成纱的强力、捻缩、伸长、光泽和毛羽、手感,而且捻度对细纱机的产量和用电等经济指标的关系很大,因此,必须全面考虑,合理选择捻系数。
(3)在加强机械保全保养工作的基础上,保证最大限度地提高车速,选择合适的钢领、钢丝圈、筒管直径和长度等。
(4)加大细纱管纱卷装可以有效地提高劳动生产率。
在确定管纱卷装时,应考虑最大限度地增加卷绕密度,但必须使络筒时发生的脱圈现象减少到最低限度,否则会降低劳动生产率。
三、细纱牵伸工艺(一)细纱总牵伸倍数在保证和提高产品质量的前提下,提高细纱机的牵伸倍数,在经济上获得较大的效益。
目前细纱机的牵伸倍数一般在30—50倍。
总牵伸倍数的能力首先决定于细纱机的机械工艺性能,但总牵伸倍数也因其他因素而变化。
当所纺棉纱线密度较粗时,总牵伸能力较低;当所纺棉纱线密度较细时,总牵伸能力较高;在纺精梳棉纱时,由于粗纱均匀、结构较好、纤维伸直度好、所含短绒率也较低,牵伸倍数一般可高于同线密度非精梳棉纱;纱织物和线织物用纱的牵伸倍数也可有所不同,这是因为单纱经并线加捻后,可弥补若干条干和单强方面的缺陷,但也必须根据产品质量要求而定。
总牵伸倍数过高,产品质量将恶化,棉纱条干不匀率和单强不匀率高,细纱机的断头率也增高。
但总牵伸倍数过小,对产品质量未必有利,反而增加前纺的负担,造成经济上的损失。
(二)前区的牵伸工艺国内细纱牵伸装置的前区都采用双胶圈牵伸,其工艺配置、牵伸能力与纺出细纱的质量关系密切,现将各影响的因素分述如下:1.浮游区长度:纺制精梳棉纱或涤棉混纺纱时,由于纤维长度长,纤维整齐度好,短纤维少,浮游区长度过小会引起牵伸力剧增,带来前钳口难以满足的过高要求,反而造成不良后果。
缩小浮游区长度的措施,可以采用双短胶圈,减小销子前缘的曲率半径,选用较小的钳口隔距和较薄较软的胶圈等。
弹簧摆动销的浮游区长度一般可收小到12mm左右。
2.胶圈中部摩擦力界:双胶圈具有较强的中部摩擦力界布置。
但同样是双胶圈牵伸,牵伸能力和成纱质量可能会有较大的差界。
双胶圈使牵伸区小部摩擦力界强度增强,胶圈钳口形式、销子形式及胶圈材料的不同,其强度也有差异。
双短胶圈在运行中易出现中凹现象,使摩擦力界减弱且不稳定;经改进后,使上销下压、下销下倾,改善了胶圈的中凹现象,而采用曲面阶梯下销上托,也收到同样的效果。
为有效地解决胶圈工作段松弛而引起的中凹,销子下压或上托的部位一般都靠近胶圈工作段长度的正中部,这个部位至前罗拉钳口的距离接近于纤维品质长度。
这样,当该部位快速纤维向前抽引时,使胶圈中部松散的须条得到一些外加压力,而加强了对纤维的控制作用。
3.胶圈钳口的摩擦力界强度:胶圈钳口一方面要有效地控制浮游纤维,另一方向又要使前纤维能顺利通过。
为使牵伸区内纤维变速点分布向前罗拉钳口靠近,并保持纤维变速点稳定,除适当缩小浮游区长度和加强胶圈个部摩擦力界外,主要取决于胶圈钳口部分摩擦力界的强度及其稳定性。
目前细纱机多采用的是弹性钳口。
4.罗拉加压:为了使牵伸顺利进行,罗拉钳口必须具有足够而又可靠的握持力,以适应牵伸力的变化。
如果后罗拉握持力不足,纱条就会在后罗拉钳口下打滑,恶化成纱的重量不匀率,甚至会产生重量偏差。
中罗拉握持力不足,既影响后牵伸区牵伸顺利进行,又影响前牵伸区牵伸纤维的正常运动,从而影响成纱的重量不匀率和条干不匀率。
前罗拉握持力不足,须条就不能正确地按罗拉表面速度运动,而在罗拉钳口下打滑,造成牵伸效率低,输出条干不匀,甚至出现“硬头”等不良后果。
罗拉钳口握持力的大小随罗拉加压增大而增大。
(三)后牵伸区牵伸工艺1.罗拉握持距:罗拉握持距与喂入品的定量、纤维长度、粗纱捻系数、温湿度等因素有关。
握持距的大小与牵伸力有着密切的关系。
握持距大,牵伸力小;握持距小,牵伸力大。
因此,在生产中所用的纤维细而长,喂人粗纱定量重、粗纱捻系数大、车间湿度高,罗拉握持距应偏大掌握,以减小牵伸力.使它与握持力相适应。
反之,则偏小掌握。
2.后牵伸区牵伸倍数:提高前牵伸区牵伸能力主要是合理配置胶圈工作区的摩擦力界,使之有效地控制纤维运功,提高成纱条干均匀度。
但仅有前牵仲区摩擦力界的合理布置,而没有喂入纱条的结构均勾、纤维之间有足够联系的条件,还不能充分发挥前牵伸区胶圈的牵伸作用。
因此,后牵伸区牵伸主要作用是为前区牵伸区做准备,使喂入前牵伸区的须条具有结构均匀和一定的紧密度,使之与前牵伸区摩擦力界相配合而形成稳定的前牵伸区摩擦力界分布。
以充分发挥胶圈控制纤维的作用,从而减少粗细节,提高成纱条干均匀度。
实际使用时,后牵伸区牵伸一般以偏小掌握为宜。
3.粗纱捻系数:生产实践表明,当后牵伸区采用较小的牵伸倍数时,适当提高粗纱捻系数,对降低细纱断头,提高成纱均匀度是有利的。
在双胶圈牵伸时,适当增加粗纱捻度,对胶圈控制纤维运动是有利的。
捻度较多的粗纱,经后牵伸区牵伸后,捻度尚未完全解开,部分剩余捻回的纱条进入胶圈牵伸区,由于上下胶圈对纱的有效控制,纱条在胶圈间不发生翻动,消除了捻度重分布现象。
这部分剩余捻回在须条牵伸时,受到张力的作用产生向心压力,增强了须条中部摩擦力界,从而有助于控制纤维运动。
粗纱捻系数的具体应用,需结合喂人粗纱定量、后牵伸区牵伸倍数、中后罗拉隔距及加压、温湿度等因素确定。
四、加捻卷绕工艺(一)锭速细纱机锭速的选择与纺纱线密度、纤维特性、钢领直径、钢领板升降动程、捻系数等有关。
随着新型细纱机的发展,锭速一般为14000~17000r/min,最高可达25000r/min。
锭子的振动和磨灭常常在高速时比较突出。
因为在实际生产中,常因锭子偏心、筒管动平衡不良、筒管与锭子的配合状态不良以及锭胆磨灭、锭胆弹簧吸振和调节作用不良等原因,使锭子获得较大的强迫振动,以至锭子造成磨灭。
因此,筒管的质量、锭子锭胆本身的防振吸振、自调中心等结构完善与否以及筒管和锭子配合的良好与否,直接关系到锭子的速度水平。
(二)钢领的选择钢领分普通钢领、高速钢领和锥边钢领三种。
普通钢领和高速钢领又各分狭边和宽边两种。
钢领直径是影响细纱机速度的主要因素。
钢领直径大,在相同的锭子速度下,钢丝圈线速度增加。
因此,要使钢丝圈线速度控制在一定范围内,所使用的钢领直径增大时,锭速就必须降低。
由于钢领直径增大时,钢领的曲率小,且散热性好,有利于钢丝圈的运行,钢丝圈的线速度可稍许增加。
(三)钢丝圈的选择细纱机高速后,引起断头增加,因素是多方面的。
通常见到的现象:如拎头困难,钢丝圈飞脱断头,气圈波动大或炸断头等,都应该从钢丝圈和钢领的选配使用上寻找原因,大都是由于钢丝圈的重心过高或过低,或是由于纱线通道不宽畅,钢丝圈运转不稳定,或是钢丝圈磨损(包括局部的熔焊、刮擦、脆损)等原因所造成。
此时应该重新选配钢丝圈的型号或重量,以至调换或修理钢领。
在纺纱工艺中,过去主要是改变钢丝圈的重量来控制气圈的大小。
近年来,不仅对钢丝圈的重量,而且对钢丝圈的圈形,如重心、纱线通道、钢丝截面形状、钢丝圈的开口等都作了全面研究。
一般认为,钢丝圈的选配必须符合以下两个要求。
(1)钢丝圈运转平稳,并且有足够的纱线通道。
(2)钢丝圈和钢领间应保持适当的摩擦力,用以控制纺纱张力及卷绕张力,维持正常的气圈形态和保持良好的管纱成形。
所以,必须恰当地选择钢丝圈的重量。
当然,还应考虑钢丝圈的材料、硬度以及表面状态等因素。
例如钢丝圈镀铬可有效地延长钢丝圈的使用寿命。
(四)捻度加捻的目的是使纤维相互紧密联系在一起,形成一根有一定强力的棉纱。
所加捻回的多少,不仅直接影响棉纱本身的物理特性和外观,还将影响到棉纱在以后加工中及其成品的某些效应。
捻度大小还直接关系到细纱机的产量、用电量和断头率等各项经济指标。
1.捻度与细纱质量的关系(1)棉纱强力。
在临界捻系数内,棉纱强力随捻系数的增大而提高,达到临界捻系数时,棉纱强力最大,超过临界捻系数时,强力反而下降。
(2)捻缩和特数。
须条经加捻后,纤维自平行于细纱轴心的方向改呈螺旋线形状,各根纤维对细纱的轴心线方向的投影较原来长度为短,这种现象通常称为捻缩,即细纱的长度比原来须条的长度为短。
捻度愈大,捻缩愈大。
须条经加捻后,由于捻缩,棉纱的实际特数将提高。
捻度愈大,捻缩率愈高,棉纱特数将提高得愈多,这在计算牵伸齿轮时,必须加以考虑。
(3)棉纱断裂伸长。
在一般捻度范围内,细纱的断裂伸长随着捻度的增加而增大。
这是因为捻度增加后,纤维对细纱轴线的倾斜角增大。
随着断裂伸长增大,细纱对瞬时荷重的抵抗力增大,可降低纺纱、织造过程的断头率。
(4)细纱直径。
细纱直径和捻度的关系决定于径向压缩力和细纱捻缩两个因素的总和。
径向压缩力随着捻度的增加而增大,因此细纱直径在开始时很快变小,随后就慢下来。
细纱捻缩随着捻度的增加而逐渐增大,此时细纱直径也在增大。
捻度与细纱直径及其刚性的关系对织物设计有重要的意义。
例如对横贡、府绸等类织物,在纬纱方面如采用直径较粗、刚性较好的细纱时,织物的粒纹就较清晰。
(5)细纱的光泽与毛羽。
细纱上所加的捻回较少,又用较重的钢丝圈时,可获得毛羽少、光泽好的外观。
这是因为须条在捻度较小时,径向压缩力小,纤维易于滑动,当所用的钢丝圈较重时,纺纱张力较大,对须条中的纤维拉伸力增加,有利于纤维按细纱的轴向平行伸直,从而使毛羽减少。
同时,捻度小,光线的反射好,因此,棉纱的外观较为光洁。
(6)棉纱手感软硬。
捻度的大小,对棉纱及其制成品的手感有直接关系。
捻度大时,手感硬爽;捻度小时,手感柔软。
不同用途的纱线有不同的捻度要求。
例如麻纱织物要求滑爽,棉纱的捻度就应该稍大一些;府绸织物的棉纱捻度就不宜太大,要求特殊柔软的府绸除在印染后处理上考虑外,棉纱捻度常常设计得特别小,以获得光泽好、柔软如绸的织物;针织用纱因工艺制造和成品质量均要求柔软性好,常选用较小的捻度,但要求爽滑的特细特汗衫纱,则需要较大的捻度。
2.捻度对棉纱加工及其成品的影响(1)棉纱上浆率。
当其他条件不变时,捻度小,棉纱容易吸浆,捻度大,棉纱上浆率会降低。
棉纱捻度不能随便变动,应当注意在以后加工过程中可能产生的后果。
当然,在棉纱捻度必须改变时,可以通过调整浆纱工艺来保持一定的上浆率。