细纱工艺设计
- 格式:pdf
- 大小:1.47 MB
- 文档页数:8
细纱工艺一、细纱工序的任务1.牵伸:将粗纱牵伸到所要求的特数。
2.加捻:给牵伸后的纱条加上一定的捻度,使之具有一定的强力、弹性和光泽。
3.卷绕:卷绕成管纱,便于运输和后加工。
二、细纱工艺设计概要在确定细纱工艺时,应考虑以下一些方面。
(1)细纱机在向大牵伸方间发展。
为了加大细纱机的牵伸倍数,可采用不同的牵伸机构.改善在牵伸过程中对须条的控制,合理确定牵伸工艺,获得理想的效果。
在加压形式上,目前大多采用弹簧摇架加压和气动加压。
在加大细纱机的牵伸倍数、缩短前纺工序和减少并合数的同时,必须注意改进喂入半制品的质量。
(2)细纱捻度直接影响成纱的强力、捻缩、伸长、光泽和毛羽、手感,而且捻度对细纱机的产量和用电等经济指标的关系很大,因此,必须全面考虑,合理选择捻系数。
(3)在加强机械保全保养工作的基础上,保证最大限度地提高车速,选择合适的钢领、钢丝圈、筒管直径和长度等。
(4)加大细纱管纱卷装可以有效地提高劳动生产率。
在确定管纱卷装时,应考虑最大限度地增加卷绕密度,但必须使络筒时发生的脱圈现象减少到最低限度,否则会降低劳动生产率。
三、细纱牵伸工艺(一)细纱总牵伸倍数在保证和提高产品质量的前提下,提高细纱机的牵伸倍数,在经济上获得较大的效益。
目前细纱机的牵伸倍数一般在30—50倍。
总牵伸倍数的能力首先决定于细纱机的机械工艺性能,但总牵伸倍数也因其他因素而变化。
当所纺棉纱线密度较粗时,总牵伸能力较低;当所纺棉纱线密度较细时,总牵伸能力较高;在纺精梳棉纱时,由于粗纱均匀、结构较好、纤维伸直度好、所含短绒率也较低,牵伸倍数一般可高于同线密度非精梳棉纱;纱织物和线织物用纱的牵伸倍数也可有所不同,这是因为单纱经并线加捻后,可弥补若干条干和单强方面的缺陷,但也必须根据产品质量要求而定。
总牵伸倍数过高,产品质量将恶化,棉纱条干不匀率和单强不匀率高,细纱机的断头率也增高。
但总牵伸倍数过小,对产品质量未必有利,反而增加前纺的负担,造成经济上的损失。
细纱工艺表一、细纱工艺设计的相关知识 1.细纱定量10%)5.81(⨯+=tT G 细纱2.牵伸工艺设计 (1) 总牵伸倍数注:纺精梳纱,牵伸倍数可偏上限选用,固定钳口式牵伸的牵伸倍数偏下限选用表1-2 纺纱条件对总牵伸倍数的影响(2) 后牵伸区工艺表1-3 后牵伸区工艺参数3.捻系数表1-4 影响捻系数的因素%100-(%)⨯=前罗拉输出须条长度加捻成纱长度前罗拉须条输出长度捻缩率表1-6 捻缩率与捻系数的关系比例4.锭速表1-7 不同纺纱特数的参考范围5.卷绕圈距△△是指卷绕层的圈距,一般△为细纱直径的4倍;δtT d 03568.0=当纱条单位体积质量为0.8g/cm 3时,纱线直径为:t T d 04.0≈△ =t T 16.0 6.钢领板级升距)2/sin(1202γρtT m =式中:ρ---管纱卷绕密度,在一般卷绕张力条件下为0.55g/cm 3 2/γ---成形半锥角有关卷绕的其他参数如图所示,参考值见下表: 表1-8 细纱机卷绕部分其他参数7.纲领与钢丝圈(1) 平面纲领与钢丝圈型号的选配表1-9(2) 锥面纲领与钢丝圈型号的选配表1-10(3) 钢丝圈号数的选择表1-11 纯棉纱钢丝圈号数选用范围(4) 钢丝圈轻重的掌握表1-128.罗拉中心距(1)前区罗拉中心距表1-13 前牵伸区罗拉中心距与浮游区长度(2)后区罗拉中心距表1-14后牵伸区罗拉中心距的参考范围9.胶圈钳口隔距表1-15 胶圈钳口隔距参考范围注:在条件许可下,采用较小的上下销钳口隔距,有利于改善成纱质量。
表1-16纺纱条件对胶圈钳口隔距的影响10.罗拉加压表1-17 罗拉加压参考范围11.前区集合器表1-18二、任务实施1.选定粗纱定量、设计细纱定量及牵伸倍数 表1-19 粗纱定量选用参考范围考虑到TJFA458A 型粗纱机的牵伸形式,并结合细纱机的牵伸能力,初步设计粗纱的定量为3.5g/10m 。
根据所纺细纱的线密度JC9.8tex ,公定回潮率为8.5%,实际回潮率为6.3%(在实际生产中,粗纱的回潮率控制在6.0%~6.5%)细纱定量为:)100/(9032.010%)5.81(8.910%)5.81(m g T G t =⨯+=⨯+=细纱)100/96.0%3.619032.0%3.61m g G G ()()(细纱细纱湿=+⨯=+⨯=设FA506型细纱机的牵伸效率为98%(在实际生产中,工厂根据实际牵伸倍数与机械牵伸倍数计算获得,是个统计值,多数情况为94%-98%)。
编码:01 制订日期:2007.8项目七细纱模块一细纱概述一、细纱工序的任务1、牵伸2、加捻3、卷绕成形二、细纱机工艺流程模块二细纱机机构一、喂入机构与作用1、喂入部分机构粗纱架、粗纱支持器(托锭式、吊锭式)、导纱杆、横动装置2、喂入作用分析喂入机构的作用:粗纱顺利退绕并均匀地、在一定宽度范围内喂入细纱机牵伸装置。
二、牵伸机构与作用1、牵伸部分的机构与特点(1)组成元件牵伸罗拉、罗拉轴承、皮辊(胶辊)、皮辊轴承、皮圈、皮圈销、集合器、加压机构、吸棉装置等。
2、细纱机牵伸装置的形式(1)三罗拉长短皮圈普通牵伸(2)三罗拉长短皮圈V形牵伸三、加捻卷绕机构与作用(一)细纱的加捻过程须条一端被前罗拉握持,另一端通过钢丝圈的回转而加上捻回,钢丝圈回转一转,加上一个捻回。
(二) 加捻卷绕元件1、锭子:由锭杆、锭盘、锭胆、锭脚和锭钩组成。
实用锭速为12000~18000r/min左右.2、筒管:有经纱管、纬纱管之分。
(1)经纱管长度:根据钢领板升降全程和纺纱线密度决定的,一般比钢领板升降全程大12%左右。
(2)直径:一般为钢领直径的40%~50%;(3)纬纱管用于纺直接纬纱,其长度和直径取决于梭子内腔长度和宽度。
3、钢领:平面钢领和锥面钢领两种①平面钢领PG2(边宽4.0mm) 适纺粗特纱(普通钢领)PG1(边宽3.2mm) 适纺中特纱(高速钢领)PG1/2(边宽2.6mm) 适纺中特纱(高速钢领)规格代号:PG×-×× ××例:PG1-42511-边宽3.2mm;42—内径42mm;51—底外径51mm②锥面钢领:HZ7系列;ZM系列(ZM-6,ZM-20)4、钢丝圈(1)钢丝圈的作用:与钢领、锭子配合完成细纱的加捻、卷绕。
生产上通过调整钢丝圈型号(几何形状)、号数(重量)来控制纺纱张力、稳定气圈形态,达到卷绕成形良好、降低细纱断头的目的。
(2)钢丝圈的工艺要求钢丝圈的几何形状与钢领跑道截面的几何形状要正确配合,钢丝圈的重心要低,使其回转稳定。
细纱1562的细纱机工艺流程与注意事项嘿!说起细纱1562 的细纱机,那可真是个技术活呀!首先呢,咱们来聊聊这细纱机的工艺流程。
这第一步呀,就是原料的准备。
哎呀呀,可别小看这一步,原料的质量和处理直接影响到后面的成品质量呢!要精心挑选适合的棉花或者化纤原料,确保它们的纤维长度、强度等指标都符合要求。
然后呢,就到了开清棉的环节。
在这个过程中,要把原料进行松解、除杂和混合。
哇,这可需要精准的操作,不然杂质去除不干净,后面的细纱质量可就没法保证啦!接下来,梳棉环节可不能马虎。
要把经过开清棉处理的纤维梳理成单纤维状态,并且去除短纤维和杂质。
这个环节就像是给纤维们排排队,整理得整整齐齐的。
再往后,就是并条啦!把几根条子合并,改善条子的长片段不匀,让纤维更加伸直平行。
这一步做好了,后面的细纱才能更加均匀和光滑。
终于到了关键的细纱环节啦!细纱机通过牵伸、加捻和卷绕这几个重要的动作,把粗纱变成我们需要的细纱。
牵伸的时候,要控制好力度和速度,哎呀呀,不然纱线的粗细就不均匀啦!加捻则是给纱线增加强度和弹性,卷绕就是把细纱整齐地绕在筒管上。
在整个工艺流程中,有好多注意事项呢!比如说,设备的维护和保养那是至关重要的呀!定期检查细纱机的各个部件,确保它们正常运转。
要是有磨损或者故障,得赶紧维修或者更换,不然会影响生产效率和产品质量。
还有啊,工艺参数的设置也得特别小心。
牵伸倍数、捻度、车速等等,都要根据原料和产品要求进行合理调整。
稍有不慎,可能就会出现纱线断头、粗细不匀等问题。
操作人员的技术和经验也很关键呢!他们要熟悉设备的操作,能够及时发现问题并解决。
哇,这可需要一定的专业素养和责任心!另外,车间的环境也不能忽视呀!温度、湿度都要控制在合适的范围内,不然会影响纱线的性能和质量。
总之,细纱1562 的细纱机工艺流程复杂又精细,每一个环节都需要精心操作和严格把控。
注意事项更是多如牛毛,只有方方面面都做到位,才能生产出高质量的细纱产品!哎呀呀,这可真是个不简单的任务呢!。
14.5tex×14.5tex纯棉普梳纺纱工艺设计一、纺部产品及规模1.纺部产品种类和用途种类:14.5tex×14.5tex 纯棉纺纱用途:供织厂织160×14.5×14.5×508×303纯棉直贡二、纺纱工艺流程:FA006C型往复式抓棉机(抓包机)及TF27型桥式吸铁→A045B型凝棉器及TF30型重物分离器→FA103型双轴流开棉机→FA208型六仓混棉机→FA109型三辊筒清棉机→FA151型除微尘机→FA177A型清梳联喂棉箱→FA221B型梳棉机→FA327型头道并条机→FA327型二道并条机→FA458A型粗纱机→FA506型细纱机三、纺部机器工艺参数及配备计算1.线密度某工序牵伸倍数=上工序半成品线密度×本工序并合数/本工序半制品线密度头并牵伸=3500×6/3000=7二并牵伸=3000×6/3000=6粗纱牵伸=3000/350=8.57细纱牵伸=350/14.5=24.144. 4. 各工序半制品定量,请注意定量的单位(棉卷、小卷:g/m,棉条g/5m,:粗纱g/10m,:细纱g/100m)生条定量=3500×5/1000=17.5g/5m半熟条定量=3000×5/1000=15g/5m熟条定量=3000×5/1000=15g/5m粗纱定量=350×10/1000=3.5g/10m细纱定量=14.5×100/1000=1.45g/100m5.捻系数选择根据纤维长度、纱条定量及细纱用途,选定粗纱、细纱的捻系数a粗纱a选95,细纱经纱a选380,细纱纬纱a选3406.捻度计算捻度t T =t tN ∂捻/10cm粗纱捻度=08.535095=捻/10cm细纱捻度(经)=79.995.14380=捻/10cm细纱捻度(纬)=29.895.14340=捻/10cm7.锭速计算粗纱经纱和粗纱纬纱的锭速均取1000r/min细纱机拟选锭速n 。
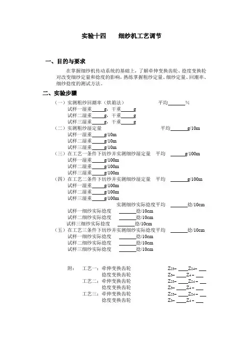
实验十四细纱机工艺调节一、目的与要求在掌握细纱机传动系统的基础上,了解牵伸变换齿轮、捻度变换轮对改变细纱定量和捻度的影响,熟练掌握粗纱定量、细纱定量、回潮率、细纱捻度的测试方法。
二、实验步骤(一)实测粗纱回潮率(烘箱法)平均%试样一湿重g,干重g试样二湿重g,干重g试样三湿重g,干重g(二)实测粗纱湿定量平均g/10m 试样一湿重g/10m试样二湿重g/10m试样三湿重g/10m(三)在工艺一条件下纺纱并实测细纱湿定量平均g/100m 试样一湿重g/100m试样二湿重g/100m试样三湿重g/100m(四)在工艺二条件下纺纱并实测细纱湿定量平均g/100m 试样一湿重g/100m试样二湿重g/100m试样三湿重g/100m实测细纱实际捻度平均捻/10cm 试样一细纱实际捻度捻/10cm试样二细纱实际捻度捻/10cm试样三细纱实际捻度捻/10cm(五)在工艺三条件下纺纱并实测细纱实际捻度平均捻/10cm 试样一细纱实际捻度捻/10cm试样二细纱实际捻度捻/10cm试样三细纱实际捻度捻/10cm附:工艺一:牵伸变换齿轮Z23= Z24=捻度变换齿轮Z3= Z4 =工艺二:牵伸变换齿轮Z23= Z24 =捻度变换齿轮Z3= Z4 =工艺三:牵伸变换齿轮Z23= Z24 =捻度变换齿轮Z3= Z4 =三、计算(一)根据传动图和工艺二、三的捻度变换齿轮分别求出计算捻度:工艺二计算捻度:工艺三计算捻度:(二)根据工艺一、二分别计算纺出细纱的特数和捻系数:工艺一:工艺二:四、思考题同一工艺条件,机械牵伸倍数和实际牵伸倍数为何不同?。
色纺纱线生产与工艺技术创新——色纺纱的纺纱工艺特点及主要工序工艺设计要点章友鹤;周建迪;赵连英;程四新【摘要】Since the raw material is first dyed and then mixed spinning is carried out,the quantity of dyed fibers can decrease significantly,compared with first spinning and then dyeing.But, fiber properties change a lot after dyeing. The strength of cotton fiber decreases;short fibers increase,and the elasticity declines.The spinnability is influenced. Thus,spinning technology should be designed according to fiber property change after dyeing.Based on colored spun yarn production practice of relevant enterprises in Zhejiang, the differences of production technology between colored spun yarn and naturally colored yarn were analyzed.Meanwhile,key process design points of main procedure of colored spun yarn were analyzed and stated in this paper.%采用原料先染色后再混合纺纱,可比先纺纱后染色的染色纤维量显著减少.但染色后纤维的性能有较大变化,棉纤维强力下降,短绒增加,弹性变差,影响纺纱的可纺性,故要根据染色后纤维性能的变化来设计纺纱工艺.文章根据浙江地区相关企业多年来生产色纺纱的实践,分析了色纺纱的纺纱生产工艺特点与本色纱工艺的不同点,对色纺纱主要工序的工艺设计要点作了分析与叙述.【期刊名称】《现代纺织技术》【年(卷),期】2017(025)006【总页数】5页(P31-35)【关键词】色纺纱;工艺特点;纺纱工序;工艺设计要点【作者】章友鹤;周建迪;赵连英;程四新【作者单位】浙江省新型纺织品研发重点实验室,杭州 310009;浙江省新型纺织品研发重点实验室,杭州 310009;浙江理工大学材料与纺织学院,杭州 310018;百隆东方股份有限公司,浙江宁波 315000【正文语种】中文【中图分类】TS104.2色纺纱的纺纱工艺源于本色纺纱工艺,但通过较长时间的生产实践与不断探索,已逐步形成了一套色纺纱的纺纱工艺,它与本色纺纱工艺相比主要有以下3个不同特点。
目录1设计纱线的原料选择21.1 原棉选配21.2 化纤选配22纱线的生产工艺流程及主要设备特点42.1 流程的选择原则42.2 设备选择原则42.3 工艺流程选择42.4 主要设备特点介绍53纱线的生产工艺设计53.1 选择各工序工艺参数53.2 细纱工艺设计53.3粗纱工艺设计73.4混并工艺设计83.5涤预并工艺设计123.6精梳工艺设计133.7并卷工艺设计153.8条卷工艺设计163.9梳棉工艺设计173.10开清棉工艺设计193.11 络筒工艺设计20 3.12 捻度计算214纺部各工序理论产量及定额产量计算224.1清棉机的理论产量224.2梳棉机的理论产量234.3条卷机的理论产量234.4并卷机的理论产量244.5精梳机的理论产量244.6粗纱机的理论产量254.7细纱机的理论产量254.8络筒机的理论产量255纺部各工序总产量计算265.1消耗率和计划停台率的选择265.2总产量和配台计算266结论347致谢351设计纱线的原料选择织物品质与构成织物的纱线品质密切有关。
纱线品质又取决于原料性质。
纱线种类和用途不同,选用原料又是选择纺纱工艺流程、机型和工艺参数的主要依据。
1.1 原棉选配1.1.1 按纱线特数选配原棉细号纱线:细号纱线都用于高档织物或股线,成纱质量要求较高。
应选择色泽洁白、品级较高(1.5~2.8),成熟度适中,纤维特数和强力较高,纤维较长(30~29mm),整齐度较好和杂质疵点较少的原棉。
1.1.2 按纱线用途和加工工艺选配原棉(1) 精梳棉纱:精梳棉纱多用于高档产品,要求纱线条干均匀,棉结杂质少。
因此,应选择色泽乳白、品级高纤维成熟度适中,纤维特数和强力较高、纤维较长、棉结杂质较少的原棉。
(2) 机织用纱:经纱在准备和织造过程中,要经受反复摩檫和较大X力。
因此,对其强力要求应高于纬纱,特别是细特纱,高经纬密的单纱织物或纬密较高的织物,对纱线强力要求更高。
所以应选配成熟度适中,纤维特数小和强力较高,纤维长度较长的原棉。
细纱工艺设计就是根据使用的原料和纺纱特数确定细纱的工艺参数牵伸倍数当喂人粗纱细度不变时,牵伸倍数在某一范围内变动对细纱条干不匀率影揉,应做好梳棉机各主要分梳部件的维修保养工作,确保良好的机械状态,从而达到工艺准确上车。
另外,对刺辊与锡林、锡林与道夫的速比应慎重选择,工厂一般都是根据具体情况,经过试验而选择良好的速比。
(3)提高棉网清晰度,减少后工序棉结的增长。
棉网中纤维的伸直平行度,单纤维问的扭结与分布均匀状况,用棉网清晰度表示。
棉网清晰度愈差,意味着生条中的纤维分离度、伸直平行度均差,有许多相互交叉、纠结的纤维,这对棉结数的影响很大文化衫订做。
大量松散的纤维交叉和扭结,尽管在生条中未形成棉结,但在牵伸过程中由于牵伸力的作用,促使这些松散的扭结抽紧后就形成了新的棉结。
故必须重视棉网清晰度这个质量指标。
(4)严格控制生条短绒率,减少浮游纤维率。
构成棉结的纤维长度有60%~70%是16mm以下的短绒。
这是由于短绒本身在纺纱过程中不易控制,而扩散形成毛羽,再经摩擦后形成棉结。
梳棉_丁序是产生短绒的主要工序。
为了减少生条短绒,应注意减少纤维的损伤和断裂,并加强短绒的排除。
(5)加强温湿度管理,减少结杂。
清棉和梳棉工序所处的环境要有较低的相对温度,以便纤维处于连续放湿状态.,从而控制清梳工序半制品的回潮率。
这样还可使纤维间抱合力减小,保持较好的弹性和刚性,有利于开松、除杂、分梳和转移,从而减少粘连和扭结,降低棉结杂质粒数。
(6)提高纤维的平行伸直度,加强对浮游纤维的控制。
纤维的平行伸直度愈高,形成棉结的机会就愈少,特别在罗拉牵伸过程中,减少棉结的形成就尤为明显。
(二)走锭细纱机走锭细纱机是一种周期性动作的纺纱机,细纱是分段纺成的广告衫批发。
走锭细纱机按运动形式的不同可分为两大类:一类是传统的走车式走锭机,主要特点是锭车走动,粗纱架固定,因此挡车r_I=必须跟随锭车来回往复操作;另一类是走架式走锭机,纺纱时锭子机架是固定的,而粗纱架往复移动。
细纱工艺计算细纱工艺计算:18tex 纯棉纱为例表7-7 细纱工艺单(1)总牵伸倍数W%=8.5%细纱干定量为初步拟定粗纱特数为600tex 实际牵伸机械牵伸)所以,根据设备传动得:=252625261672.21z 632529255010871795735z z z =•⨯⨯⨯⨯⨯⨯⨯⨯根据设备说明书选择m E '=33.42;牵伸成对变换齿轮齿数Z 25/Z 26取68/66T ; 修正实际总牵伸倍数:粗纱特数:细 纱 工 艺 机型 细纱干定量(g/100m )公定回潮率(%) 总牵伸倍数 后区牵伸倍数 捻向 机械 实际FA507B1.668.5 33.42 32.44 1.25Z罗拉直径(mm ) 转速(r/min ) 钢领 钢丝圈 马达盘1D车头盘2D1×2×3前罗拉 锭速 型号 直径 型号 号数 25×25×25 244.54 16411 PG1/242CO 型10/0180 180 牵伸对牙Z 25/Z 26撑头牙后区牵伸 齿轮Z 29卷绕齿轮 Z 12和Z 13 计算捻度(捻/10cm)捻系数 捻度对牙/ 68/66 5 2843和5184.9136046/42(2)后区牵伸倍数 后区牵伸倍数,初步拟定为1.25倍根据设备传动得:根据设备说明书选择=1.25;后牵伸变换齿轮齿数取28T 。
2、锭速18tex 纱的折合单产实际产量16.2096.0963.13838d =⨯=⨯=影响系数折合率Q (kg/千锭时)折合率、影响系数参见《棉纺手册》第1194~1195页表7-1-7与表7-1-8⨯=L Q Qd 时间效率 时间效率参见《棉纺厂设计》第95页表6.3.2-1,选用96%20.16=96.0⨯L Q 得L Q =21.00因为L Q =10001000100060⨯⨯⨯⨯Vf Nt 所以21.00=100060f 18⨯⨯V 得Vf =19.44m/min Nt---纱线特数 Vf---前罗拉线速度(m/min) 设计捻系数为375 因为实t α=设t α×时间效率 所以实t α=375×0.96=360又因因为2t 1001d n n T s fπ⨯⨯=,而21000n d v f f π⨯=nf---前罗拉转速(r/min ) 所以10t ⨯=f sv n T 所以1044.19n 91.84s ⨯= 得s n=16506.50(r/min )初步拟定sn =16000(r/min)[《棉纺手册》第592表3-1-1A]1D —主电动机皮带轮节径(mm)2D —主电动机皮带轮节径(mm) :锭带厚度(本机为0.6mm ):滚盘直径(250mm ):锭盘直径(可选18、19.5、22、24mm ,本机采用22mm )查表得: 1D =180, 2D =180, n s ’=16411 r/min 3、捻度选定细纱实际捻系数为360,则捻度为:由设备传动图得: 捻度=查设备说明书,得、取46、42T ;捻度修正为:因为2t 1001d nn T s fπ⨯⨯=则,修正前罗拉转速)(min /r 54.2442514.349.8510016411100n 2''=⨯⨯⨯=⨯⨯=d T n t s fπ 4、卷绕密度本机选定卷绕圈距为纱线直径的4倍,则有:由设备传动得到,钢领板一次升降时前罗拉输出纱条长度应等于同一时间管纱卷绕长度,即有:..(1)因为:成形凸轮转速前罗拉速度纱圈平均长度=凸轮升降比=1:3由于22)2(22sind D H d D -+-=α将上述5式代入(1)式中得到:本机=25mm ,钢领直径42mm ,为39mm ,d 为19mm,H 为57mm ,为9.95°因此查设备说明书得18tex 纱线对应的卷绕齿轮5、钢领板级升钢领板级升距y 与纱线特数存在联系,钢领板一次升降绕纱长度的重量应等于同一时间纱管上卷绕的纱线重量,则有:即:带值计算得:y=0.088由于棘轮每撑过N齿钢领板级升距为:Y=所以,N=。
细纱工艺参数一、细纱工艺参数的定义细纱工艺参数是指在织造过程中,对纱线进行处理和调整的各项参数。
这些参数直接影响着织造产品的成品质量和性能。
具体包括纱线的精纺程度、纱线强度、纱线线密度、细纱机速度等。
二、纺纱工艺参数2.1 纱线的精纺程度纱线的精纺程度是指纱线的绳调(粘度)。
精纺程度的设置与细纱机的调整有关,主要体现在纱锭的喂速和卷取张力的调整上。
精纺程度的合理设置可以提高织物的质量和手感。
2.2 纱线的强度纱线的强度是指单位长度的纱线所能承受的力的大小。
细纱纱线的强度要求较高,避免在织造过程中出现断纬或断经的情况。
纱线的强度与纤维的性质有关,也与细纱机的喂速和捻度有关。
2.3 纱线的线密度纱线的线密度是指单位长度的纱线的质量。
细纱的线密度比较小,纱线的细度较细。
线密度的设置与细纱机的调整有关,主要体现在纱锭的喂速和捻度的调整上。
线密度的合理设置可以提高织物的柔软度和透气性。
三、细纱机工艺参数3.1 喂速喂速是指细纱机纱锭的旋转速度,对应于纱线的成形速度。
喂速的设置直接影响纱线的精细度。
喂速过快,容易导致纱线的断裂或错综,喂速过慢则会影响生产效率。
3.2 捻度捻度是指纱线中纤维单位长度上的拧扭程度。
捻度对纱线的强度和质量有直接影响。
适当的捻度能够增加纱线的柔软性和稳定性,提高织物的品质。
3.3 卷取张力卷取张力是指细纱机卷纱器与纱锭之间的张力。
卷取张力的大小直接影响纱线的成形和卷取的质量。
过大的张力会导致纱线的断裂,过小的张力会影响纱线的成形和卷取效果。
3.4 细纱机速度细纱机的速度是指细纱机整体的运转速度。
细纱机速度与纺纱效率和纱线质量有关,过高或过低的速度都会影响细纱机的工作效果和纱线的质量。
四、优化细纱工艺参数的方法4.1 工艺参数的试验优化通过对不同工艺参数进行试验性的调整,观察织物的品质和性能变化,找出最佳的工艺参数组合。
这可以通过实验室和生产车间的试验来完成。
4.2 借鉴先进的技术和经验可以参考细纱生产过程中的技术文献和专家经验,借鉴其他地区和行业的先进技术和经验,结合本地实际情况进行细纱工艺参数的优化调整。