无损检测X射线工艺卡内容及编制模板
- 格式:doc
- 大小:3.15 MB
- 文档页数:31
钢构作业指导书无损检测工艺卡编写指南文件编号:版本号:编制:批准:生效日期:无损检测工艺卡编写指南1.通用部分2.每张工艺卡至少应包括以下内容:3.委托编号、工艺卡编号、工程名称、工件名称、工件特征、技术要求、探伤器材、操作工艺、示意图、人员签署等。
4.编写时机:检测工程师接收派工到现场勘查后,检测实施前。
5.编写依据:检测合同、设计图纸或产品技术要求、相关规范或产品技术条件、检测方案、委托单、各种检测方法标准、相关无损检测作业指导书、仪器操作规程等。
6.委托编号:检测工程师接收派工后,办公系统中将会自动生成一个派工编号,该派工编号即为委托编号,例如PG201400001。
7.工艺卡编号:由委托编号+后缀,后缀表示方法为探伤方法(UT/RT/MT/PT)+序列号(01),例如PG201400001UT01。
8.工程名称:以委托单为依据,填写委托单中的工程名称,例如XXX钢结构工程。
9.工件名称:以委托单为依据,填写委托单中的工件名称,例如钢柱或钢梁。
10.检测部位:以委托单为依据,填写委托单中的检测部位,一般为工件名称+零件名称与零件名称连接焊缝,例如钢柱翼板与腹板连接焊缝。
11.母材材质:以委托单为依据,填写委托单中的母材材质,例如Q235A或Q345B等。
12.接头类型:以设计图纸、现场勘查为依据,主要有对接、T接、角接、搭接、十字接头、管座角接等。
13.母材厚度:以设计图纸、现场勘查为依据,是指母材的公称厚度,而非实测厚度,单位为mm,当检测部位为不等厚焊接时,按“薄板/厚板”填写,T型接头按“腹板/翼板”填写。
14.坡口型式:以设计图纸、现场勘查为依据,主要有I型、V型、单边V型、X型、K型、U型等。
2、焊接方法:以现场勘查为依据,主要有焊条电弧焊、气体保护焊、埋弧焊、氩弧焊等。
3、焊缝宽度(焊角):以现场勘查为依据,单位为mm。
4、检测标准:是指检测方法标准,当设计文件或产品技术条件中有明确要求时应以此为准;当设计文件或产品技术条件无要求时,以所采用的规范中规定检测方法或引用的检测标准为准;当设计文件或产品技术条件及所采用的规范均无要求时,应与委托方进行协商采用何种检测标准,经委托方同意后写入委托单中由委托方经办人确认。
摘自无损检测X射线专用工艺卡的编制程序和计算09-03储罐射线工艺卡的编制程序和计算1检测条件的确定(1)射线机的选用:由图4–34可知,有內径450mm的孔,200EGB1C周向射线探伤机可送入罐內且它的射线窗口可对B1和B2进行中心周向曝光;B3若能满足几何不清晰度的要求,也可进行中心周向曝光。
下面计算B3的几何不清晰度:已知:b=8+4=12mm, d=(1.0+3.5)/2=2.25mm,D i=450mm 则f=10db2/3=10×2.25×122/3=118mm<Di/2=450/2=225mm满足几何不清晰度的要求,可进行中心周向曝光。
其它焊缝采用250EG-S3定向X射线探伤机。
当周向X射线探伤出现故障时,均可采用该机。
(2)胶片选用天津Ⅲ型,它与AGFA C7虽同属T3型,但没给曝光曲线图。
天津Ⅴ型属于T2型胶片,16MnR不是裂纹敏感性材料,又没给曝光曲线图,不能采用。
胶片规格按L eff确定。
(3)增感屏规格:采用厚度为0.03mm 铅增感屏,其规格与胶片规格同。
(4)像质计:双壁双影采用等丝专用像质计,其它采用Fe-R10系列像质计。
2.检测工艺参数的确定(1)透照方式、应识别丝号和像质计型号的确定①透照方式:A1、A2采用单壁透照,B1~B3采用中心周向透照或改用单壁外透照(假如200EGB1C周向射线探伤机出现故障),B4采用双壁单影透照,B5采用双壁双影透照②按透照厚度W确定应识别丝号和像质计型号见表4-4。
(2)焊缝长度和焦距的确定①焊缝长度:A1为L=1800mm A2为L=280mmB1和B2总长为L=2(1200+20)π=2×3832.7(mm)B3为L=(450+16)π=1464 (mm)B4为L=273π=857.7 (mm)B5为L=89π=279.6mm②确定焦距由给定的曝光曲线图,再考虑到k值对一次透照长度的影响及工件结构原因,用定向探伤机各条焊缝焦距均采用600mm。
射线检测工艺规程及检测工艺卡1.1一般要求1.1.1射线检测人员a从事射线检测人员上岗前应进行辐射安全知识的培训,并取得放射工作人员证。
b射线检测人员未经矫正或经矫正的近(距)视力和远(距)视力应不低于5.0(小数记录值为1.0), 测试方法应符合GB 11533的规定。
从事评片的人员应每年检查一次视力。
1.1.2观片灯a观片灯的最大亮度应能满足评片的要求。
b观片灯的主要性能指标除了亮度以外还包括:亮度的均匀性、外壳温度、噪声、绝缘程度等应满足标准要求。
底片评定范围内的黑度≤2.5时,观片灯的亮度不应低于9400 cd/m2、当底片评定范围内的黑度2.5<D≤4.0时观片灯的亮度不应低于100000 cd/m2。
1.1.3黑度计a 黑度计可测的最大黑度应不小于4.5,测量值的误差应不超过±0.05。
b 黑度计至少每6个月校验一次。
校准黑度计用的标准黑度片必须在有效期内,并通过计量部门的鉴定(2年)新购置的标准黑度片只要在有效期内也允许。
1.1.4增感屏a X射线照相和Ir-192射线源时选用铅屏增感屏。
B Ir-192射线源时铅屏增感屏的前屏和后屏的厚度均不能小于0.1mm。
c前屏和后屏的厚度可以相同也可以不同。
1.1.5像质计a底片影像质量采用线型像质计测定。
线型像质计的型号和规格应符合JB/T 7902的规定,JB/T 7902中未包含的丝径、线号等内容,应符合HB 7684的有关规定。
b像质计的材料可选择碳钢或奥氏体不锈钢。
1.1.6表面要求和射线检测时机a在射线检测之前,对接焊接接头的表面应经外观检测并合格。
表面的不规则状态在底片上的影像不得掩盖或干扰缺陷影像,否则应对表面作适当修整。
b为防止延迟裂纹倾向射线检测应在焊接完成24h后进行射线检测。
1.1.7辐射防护a现场进行X射线检测时,应按GB16357的规定划定控制区和管理区、设置警告标志。
检测工作人员应佩带个人剂量计,并携带剂量报警仪。
射线检测工艺规程及检测工艺卡1.1一般要求1.1.1射线检测人员a从事射线检测人员上岗前应进行辐射安全知识的培训,并取得放射工作人员证。
b射线检测人员未经矫正或经矫正的近(距)视力和远(距)视力应不低于5.0(小数记录值为1.0), 测试方法应符合GB 11533的规定。
从事评片的人员应每年检查一次视力。
1.1.2观片灯a观片灯的最大亮度应能满足评片的要求。
b观片灯的主要性能指标除了亮度以外还包括:亮度的均匀性、外壳温度、噪声、绝缘程度等应满足标准要求。
底片评定范围内的黑度≤2.5时,观片灯的亮度不应低于9400 cd/m2、当底片评定范围内的黑度2.5<D≤4.0时观片灯的亮度不应低于100000 cd/m2。
1.1.3黑度计a 黑度计可测的最大黑度应不小于4.5,测量值的误差应不超过±0.05。
b 黑度计至少每6个月校验一次。
校准黑度计用的标准黑度片必须在有效期内,并通过计量部门的鉴定(2年)新购置的标准黑度片只要在有效期内也允许。
1.1.4增感屏a X射线照相和Ir-192射线源时选用铅屏增感屏。
B Ir-192射线源时铅屏增感屏的前屏和后屏的厚度均不能小于0.1mm。
c前屏和后屏的厚度可以相同也可以不同。
1.1.5像质计a底片影像质量采用线型像质计测定。
线型像质计的型号和规格应符合JB/T 7902的规定,JB/T 7902中未包含的丝径、线号等内容,应符合HB 7684的有关规定。
b像质计的材料可选择碳钢或奥氏体不锈钢。
1.1.6表面要求和射线检测时机a在射线检测之前,对接焊接接头的表面应经外观检测并合格。
表面的不规则状态在底片上的影像不得掩盖或干扰缺陷影像,否则应对表面作适当修整。
b为防止延迟裂纹倾向射线检测应在焊接完成24h后进行射线检测。
1.1.7辐射防护a现场进行X射线检测时,应按GB16357的规定划定控制区和管理区、设置警告标志。
检测工作人员应佩带个人剂量计,并携带剂量报警仪。
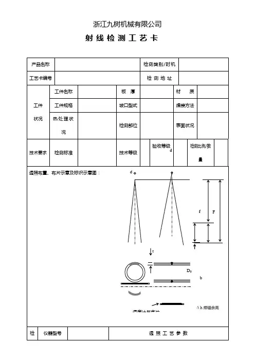
射线检测工艺卡
产品名称 检测类别/时机 工艺卡编号
检 测 地 址
工件 状况
工件名称
板 厚 材 质 工件规格 坡口型式 焊接方法 热处理状
况 检测部位 表面状况
技术要求 检测标准
技术等级
验收等级
检测比例/数
量
透照布置、布片示意及标识示意图:
检测器材
仪器型号 透 照 工 艺 参 数
仪器编号
焊缝类别 焦点尺寸 工件规格 胶片型号 焊缝宽度(mm) 胶片规格 焊缝编号 增 感 屏 焊缝长度(mm) 象质计型
号 透照方式 屏 蔽 方 式
分段次数(N) 暗室处理
显影液配
方 一次透照长度 定影液配
方 焦距F(mm) 冲洗方式 管电压KV(γ) 显影 温度 管电流mA(Ci) 时间 曝光时间(min) 定影
温度 拍片数量(张) 时间
实际检测%
象
质
要求
黑度范围 像质计位置
象质指数
注意事项
工作前设置警告牌和警告红灯,严禁非工作人员进入,工作人员要佩带个人计量仪及报警器,注意利标识摆放 按检测细则
f F
b
D 0
d
Δh 焊缝余高 透度计与底片
t
d
用时间、距离、屏蔽三要素,尽可能减少照射。
备
注
工艺编制/资格: RT-Ⅱ日期:工艺审核/资格: RT-Ⅱ日期:。
⽆损检测⼯艺卡编写指南钢构作业指导书⽆损检测⼯艺卡编写指南⽂件编号:版本号:编制:批准:⽣效⽇期:⽆损检测⼯艺卡编写指南1.通⽤部分2.每张⼯艺卡⾄少应包括以下内容:3.委托编号、⼯艺卡编号、⼯程名称、⼯件名称、⼯件特征、技术要求、探伤器材、操作⼯艺、⽰意图、⼈员签署等。
4.编写时机:检测⼯程师接收派⼯到现场勘查后,检测实施前。
5.编写依据:检测合同、设计图纸或产品技术要求、相关规范或产品技术条件、检测⽅案、委托单、各种检测⽅法标准、相关⽆损检测作业指导书、仪器操作规程等。
6.委托编号:检测⼯程师接收派⼯后,办公系统中将会⾃动⽣成⼀个派⼯编号,该派⼯编号即为委托编号,例如PG201400001。
7.⼯艺卡编号:由委托编号+后缀,后缀表⽰⽅法为探伤⽅法(UT/RT/MT/PT)+序列号(01),例如PG201400001UT01。
8.⼯程名称:以委托单为依据,填写委托单中的⼯程名称,例如XXX钢结构⼯程。
9.⼯件名称:以委托单为依据,填写委托单中的⼯件名称,例如钢柱或钢梁。
10.检测部位:以委托单为依据,填写委托单中的检测部位,⼀般为⼯件名称+零件名称与零件名称连接焊缝,例如钢柱翼板与腹板连接焊缝。
11.母材材质:以委托单为依据,填写委托单中的母材材质,例如Q235A或Q345B等。
12.接头类型:以设计图纸、现场勘查为依据,主要有对接、T接、⾓接、搭接、⼗字接头、管座⾓接等。
13.母材厚度:以设计图纸、现场勘查为依据,是指母材的公称厚度,⽽⾮实测厚度,单位为mm,当检测部位为不等厚焊接时,按“薄板/厚板”填写,T型接头按“腹板/翼板”填写。
14.坡⼝型式:以设计图纸、现场勘查为依据,主要有I型、V型、单边V型、X型、K型、U型等。
2、焊接⽅法:以现场勘查为依据,主要有焊条电弧焊、⽓体保护焊、埋弧焊、氩弧焊等。
3、焊缝宽度(焊⾓):以现场勘查为依据,单位为mm。
4、检测标准:是指检测⽅法标准,当设计⽂件或产品技术条件中有明确要求时应以此为准;当设计⽂件或产品技术条件⽆要求时,以所采⽤的规范中规定检测⽅法或引⽤的检测标准为准;当设计⽂件或产品技术条件及所采⽤的规范均⽆要求时,应与委托⽅进⾏协商采⽤何种检测标准,经委托⽅同意后写⼊委托单中由委托⽅经办⼈确认。
无损检测X射线工艺卡内容及编制〔1〕焊缝射线检测工艺卡表样为了规范和统一锅炉压力容器制造的归档文件和质量证明文件,提高锅炉压力容器制造企业的质量治理和技术水平,确保锅炉压力容器的产品质量,技术监督局特种设备安全监察处组织有关人员,按照«压力容器安全技术监察规程»的要求,编制了锅炉压力容器质量操纵表样并举荐使用,其中焊缝射线检测工艺卡表样见下表B5-11。
〔2〕.焊缝射线检测工艺卡填写说明〔1〕编制份数本卡一式两份,一份保留在探伤室,另一份交探伤室供检测人员使用。
其中之一应存于检测资料和底片的档案中(质保治理制度建立发放记录)。
〔2〕工艺填写○1编号一样按企业治理要求编号,可依照各单位治理的需要来填写。
○2工件部分a 材料编号:指产品材料编号,如产品使用两种材料,应分别填写。
b 规格:指的是壳体规格〔容器类〕,表示方法为直径×长度×壁厚。
其中:直径关于卷制的筒体为内径,关于无缝钢管作筒体指外径;长度指壳体长度;壁厚指壳体厚度。
也可按图样规格栏的尺寸填写。
○3探伤器材部分a 屏蔽方式:最常见的屏蔽方式有〝背衬薄铅板〞和〝铅遮板〞等,按选用的方法填写。
b 显影液配方、显影时刻、显影温度:显影液配方指预备采纳的显影液配方、可用代号表示。
如胶片厂提供,可填写〝按胶片厂配方〞。
显影时刻、显影温度指预备采纳的数值。
一样手工冲洗显影时刻为4~8min,显影温度为18~21℃;自动冲洗按说明书填写。
○4探伤检测工艺参数a 焊缝编号:指的是被检焊缝的编号,填写时,一样检测工艺参数相同〔焊缝长度和拍片数量可不同〕的同类焊缝的编号填写。
例:〝B1~B7”,即代表7条环焊缝。
b 像质计型号:对钢制焊缝可供选用的像质计编号为Fe-10/16、Fe-6/12和Fe1/7三种。
对外径≤100mm的管子焊缝宜使用等丝专用像质计,如Fe-12、Fe-13……c 透照方式:一样关于纵缝可填写单壁透照,关于环焊缝可填写为单壁外透照、中心透照、偏心内透照〔F>R或F<R〕、双壁单影、双壁双影、f〔焦距〕等。
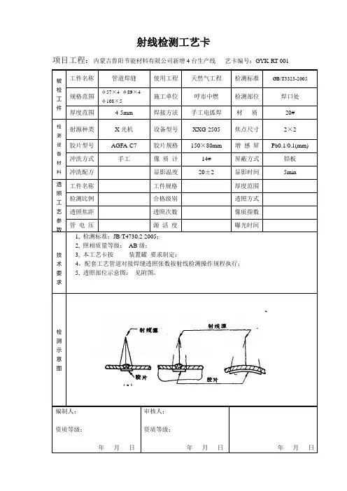
射线检测工艺卡工程名称:工程编号:ZJ2003-001委托单位:工艺卡号:ZJRT-2003/001防护措散射线控制方式采用后置铅板〔3mm〕采用屏蔽及距离防护施透照方式示意图:考前须知:1、现场应设置好平安区;2、高空作业应系好平安带;3、进入施工现场必须戴好平安帽;4、注意对散射线的防护及用电平安项:资格:年月日资格:年月日年月日射线检测工艺卡工程名称:京博热电XX外网蒸汽管线工程编号:ZJ2003-001委托单位:淄建工业设备安装公司工艺卡号:ZJRT-2003/003透照方式示意图:考前须知:1、现场应设置好平安区;2、高空作业应系好平安带;3、进入施工现场必须戴好平安帽;4、注意对散射线的防护及用电平安项:资格:年月日资格:年月日年月日射线检测工艺卡工程名称:上湖村小区天然气管道安装工程工程编号:ZJ2007-010委托单位:XX淄建集团工业设备安装分公司工艺卡号:ZJRT-2007/011工件工件名称天然气管道对接焊口工件编号TRQ 工件材质20# 工件规格Φ89×4Φ57×3.5 坡口型式V 焊接方法GTAW+SMAW 热处理状态/检测标准及源种类X射线设备编号XXQ-2505 焦点尺寸2×2mm 技术等级AB 透照方式双壁双影透照厚度8mm 透照次数2次检测部位焊缝、热影响区检测时机焊后胶片型号XX申贝胶片规格180×80〔mm〕像质计型号小径管专用像质指数13# 增感方式铅箔增感屏厚度0.03+0.03mm其它曝光参数230 KV 5 mA 0.8 min 600焦距〔mm〕底片黑度2.0-4.0/ Ci / min /焦距〔mm〕/显影温度20℃显影时间5min 定影温度20℃定影时间15min 验收标准/T4730-94 检测比例15% 冲洗方法手工一次透照有效长度≥焊缝周长的90%合格级别Ⅱ级药液配方套药散射线控制方式采用后置铅板〔3mm〕防护措施采用屏蔽及距离防护透照方式示意图:考前须知:1、现场应设置好平安区;2、高空作业应系好平安带;3、进入施工现场必须戴好平安帽;4、注意对散射线的防护及用电平安项:资格:年月日资格:年月日年月日射线检测原始记录工程名称:工程编号:委托单位:记录编号:工件工件名称工件编号工件材质工件规格小径管射线检测底片评定记录表工程名称:工程编号:委托单位:记录编号:大口径管道射线检测底片评定记录表工程名称:工程编号:委托单位:记录编号:焊缝射线检测底片评定记录表工程名称:工程编号:委托单位:记录编号:射线检测工艺卡工程名称:京博热电XX外网蒸汽管线工程编号:ZJ2003-001委托单位:淄建工业设备安装公司工艺卡号:ZJRT-2003/002透照方式示意图:考前须知:1、现场应设置好平安区;2、高空作业应系好平安带;3、进入施工现场必须戴好平安帽;4、注意对散射线的防护及用电平安项:资格:年月日资格:年月日年月日。
钢板超声波检验工艺卡编号:ZJ/ZC-15-739-01钢板规格(厚×宽)(㎜)钢管规格(㎜)材质检验标准日期9.5*2515 Ф813*9.5 L290MB SY/T6423.5 B2 E2级2012.12.18主要工艺参数灵敏度对比试块耦合剂Φ6/100%波高,补偿6dB Φ6 mm平底孔水类别设备型号探头规格探伤速度手动PXUT-350K 5P F5 Ф30 ≤150mm/s自动HSD-24 5P F5 Ф30 3m/min要求:1、仪器灵敏度调校频次:每4h用标样校验灵敏度一次,交接班时也应校验,并做好调校记录。
2、采用人工方式移动对比试块或探头,移动速度不小于正常检测速度调节设定灵敏度,使每个探头能检测出对比试块上的人工缺陷,且能触发报警系统。
3、检测扫查方式:超声波检查系统应采用平行带扫描方式进行检查,扫描至少应能覆盖表面的10%,钢板侧边25mm、板头150mm范围内必须100%进行手工超声波分层检查。
4、探头布置:钢板两侧边各布置2只探头,其余探头横向间距150mm,用于板头、板尾和钢板中部扫查。
5、手动超声波钢板探伤对自动钢板探伤显示可疑区域进行复查。
6、验收标准:1)未产生触发或报警的钢板判为合格。
产生触发或报警的钢板,则认为该钢板可疑,对钢板可疑区域应用手动超声波进行复查。
2)钢板端头及纵侧边上不允许存在分层。
钢板端部及纵侧边25mm范围内的分层均视为缺陷,有这种缺陷的钢板应切除,直到除去这种分层为止。
其它部位上的允许分层的限值为:任何方向不允许存在长度超过50mm的分层;长度在30mm~50mm的分层相互间距应大于500mm;长度小于30mm、相互间距小于板厚的若干小分层构成连串性分层,该连串性分层中的所有小分层长度总和不得大于80mm。
7、未叙及部分按SY/T6423.5 执行。
8、自动探探头分布:注:此批钢管管号为:ZJ-739-01-**编制:审核:批准:水压前超声波检验工艺卡编号:ZJ/ZC-15-739-02钢管规格(㎜)材质检验标准日期Ф813*9.5 L290MB SY/T6423.3 2012.12.18主要工艺参数检测时机灵敏度(%)对比标样探头规格耦合剂正常焊缝Φ1.6/100%波高,补偿6dB Φ1.6竖通孔 2.5P8×12K2.5 化学浆糊设备型号探头移动区域校验/探伤速度PXUT-350直射波一次反射波≤150mm/s 0~1.5KT(0-36)1.5KT~2.5KT(36-59)要求:1、仪器灵敏度调校频次:每工作班内每4小时校验灵敏度一次,交接班时也应校验,并做好调校记录。
无损检测工艺卡的编制及应用前言近几年来无损检测行业发展迅速,具有一定规模的工程都实行了工程监理制,对于压力容器、压力管道和锅炉等特种设备除实行监理还实行政府行政监督。
有利的保证了工程的质量。
检测单位的检测质量和技术水平在不断提高。
大部分检测单位(经过认证的)都针对检测对象编制了检测通用工艺规程和检测工艺卡,但在检测过程中发现,通用工艺规程是各单位结合本单位的实际情况在标准允许的框架内编制的,能够指导本单位的检测工作。
但检测工艺卡则不然,由于现场条件复杂,透照条件经常发生变化,检测设备也会经常发生变更,射线检测工艺卡的参数大多与实际工作不相符合,实际工作多数不能严格按其执行。
然而,现场检测人员基本上都是经过专业培训的,具有相当的现场检测经验,对于常规工艺的检测能够按照标准的要求自行调整透明参数,并能取得良好的效果.为此射线检测工艺卡如不能很好的指导实际工作就失去了它的使用价值,就成为一种质能应付检查的、一种虚假的东西,劳民伤财。
2工艺卡的目的和作用编制检测工艺卡的目的是制定科学的、易操作的、符合标准或客户要求的检测工艺。
其作用是指导监测人员按照检测工艺卡的规定进行检测,即可达到预期的要求。
然而事实并非如此。
现在很多检测工艺卡,自编制后就没有到监测人员手中,其目的纯是为了迎接检查,走形式主义!笔者根据多年的经验,并走访过多家检测单位,大家都认为对于常规工件的射线检测编制工艺卡是没有用的,因为检测人员已经过专业培训,另外,。
由于检测现场条件经常发生变化,检测设备也会经常调动,检测工艺卡对于现场发生的条件变化不能及时地进行变更调整,这就失去了指导现场检测的目的。
对于施工现场规格特别多的工程如果每种规格都编制检测工艺卡,则会编制很多工艺卡,检测人员选择工艺卡时就会很头痛,还不如自己根据标准和经验选择参数来得快、用得好。
另外,当检测人员按工艺卡给定的参数进行透照时,照出来的底片如果不合格,责任则由技术人员还是由检测人员承担会发生争议。
X射线无损探伤工艺一、主题内容,适用范围及引用标准本工艺规定了X射线探伤前的工艺准备,X射线机的操作,暗室处理和底片评定等内容。
本工艺适用于材料厚度2~50mm的锅炉碳素钢和低合金钢熔化焊接接头焊缝的X射线照相法。
本工艺引用标准GB3323-1987《钢熔化焊对接射线照相和质量分级》和《蒸汽锅炉安全技术监察规程》。
二、探伤前工艺准备1.人员要求1.1从事射线照相检验的人员必须持有国家有关部门颁发的,并与其工作相适应的资格证书。
1.2无损检测人员应每年检查一次身体,校正视力不得低于1.0。
2.射线照相质量分级按公司《质量手册》要求,射线照相要达到AB级,纵缝透照厚度比K≤1.03,环缝透照厚度比K≤1.1,按K值计算有效评片长度L e f f,一次透照长度L3和搭接长度△L(见附件一)。
3.工件表面状态要求工件焊缝及热影响区表面质量应经焊接检验员外观检查合格,表面的不规则状态在底片上的图象应不掩盖焊缝中缺陷或与之相混淆(如溅物、油污、锈蚀、凹坑、焊瘤、咬边等),否则应做适当的修整。
4.工艺卡熟悉产品的名称、材质、规格、坡口型式、焊接种类和检测比例,清楚对接焊缝的分布情况,做出布片示意图,选择合理的透照方法,一种锅炉型号填写一份射线检测工艺卡入档。
5.工件划线按照射线检测工艺卡在规定的检测部位划线。
采用单壁透照时需在工件两侧(射源侧和胶片侧)同时划线,并要求所划的线段尽可能对准。
采用双壁单影透照时,只需在工件胶片侧划线。
划线顺序由小号指向大号,纵焊缝按从左至右顺序,环向焊缝采用顺时钟方向划线编号。
(工件表面应作出永久性标记以作为对每张底片重新定位的依据,工件不适合打印标记时,应采用详细的透照部位草图和其它的有效方法标注)。
6.像质计和标记摆放按照标准和工艺卡有关规定摆放像质计和各种铅字码。
6.1.像质计的选用根据本公司透照厚度和象质级别确定所需选用GB5618-85规定的R10系列金属丝像质计,Ⅲ型像质计指数为(F10~16)在底片上至少要能得到四根或三根钢丝。
无损检测X射线工艺卡内容及编制模
板
1
专用工艺卡编制内容说明
( 1) 焊缝射线检测工艺卡表样
为了规范和统一锅炉压力容器制造的归档文件和质量证明文件, 提高锅炉压力容器制造企业的质量管理和技术水平, 确保锅炉压力容器的产品质量, 技术监督局特种设备安全监察处组织有关人员, 按照《压力容器安全技术监察规程》的要求, 编制了锅炉压力容器质量控制表样并推荐使用, 其中焊缝射线检测工艺卡表样见下表B5-11。
( 2) .焊缝射线检测工艺卡填写说明
( 1) 编制份数
本卡一式两份, 一份保留在探伤室, 另一份交探伤室供检测人员使用。
其中之一应存于检测资料和底片的档案中(质保管理制度建立发放记录)。
( 2) 工艺填写
○1编号
一般按企业管理要求编号, 可根据各单位管理的需要来填写。
○2工件部分
a 材料编号: 指产品材料编号, 如产品使用两种材料, 应分别填写。
b 规格: 指的是壳体规格( 容器类) , 表示方法为直径×长度×壁厚。
其中: 直径对于卷制的筒体为内径, 对于无缝钢管作筒体指外径; 长度指壳体长度; 壁厚指壳体厚度。
也可按图样规格栏的尺寸填写。
○3探伤器材部分
a 屏蔽方式: 最常见的屏蔽方式有”背衬薄铅板”和”铅遮板”等, 按选用的方法填写。
b 显影液配方、显影时间、显影温度: 显影液配方指准备采用的显影液配方、可用代号表示。
如胶片厂提供, 可填写”按胶片厂配方”。
显影时间、显影温度指准备采用的数值。
一般手工冲洗显影时间为4~8min, 显影温度为18~21℃; 自动冲洗按说明书填写。
○4探伤检测工艺参数
a 焊缝编号: 指的是被检焊缝的编号, 填写时, 一般检测工艺参数相同( 焊缝长度和拍片数量可不同) 的同类焊缝的编号填写。
例: ”
B1~B7”, 即代表7条环焊缝。
b 像质计型号: 对钢制焊缝可供选用的像质计编号为Fe-10/16、Fe-6/12和Fe1/7三种。
对外径≤100mm的管子焊缝宜使用等丝专用像质计, 如Fe-12、 Fe-13……
c 透照方式: 一般对于纵缝可填写单壁透照, 对于环焊缝可填写为单壁外透照、中心透照、偏心内透照( F>R或F<R) 、双壁单影、双壁双影、 f( 焦距) 等。
射线检测工艺卡
B5-11 工艺卡编号: 共页第页
d 能量Kv、管电流( 活度) 、曝光时间: 这些检测规范应从该设备的曝光曲线上查得。
使用γ射线检测时, 源的活度值应加括弧, 但对于球罐等大型容器宜用曝光量表示, 例如200Ci·h。
可将”曝光时间”栏改为”曝光量Ci·h或Ci·min”填写。
e应识别丝号: 指按标准规定应达到的最低像质计丝号。
像质计
置于胶片侧时, 在像质计适当位置加F字母。
f 焊缝长度: 指的是一条焊缝长度, 当有几条相同长度焊缝时, 在长度后标注条数。
例如”1200×5”, 即表示有5条1200mm长的焊缝。
对于长度不同的焊缝可写总长, 各条焊缝长度在简图中表示。
环焊缝长度为πD0。
g 一次透照长度: 指分段检测时在满足K值要求的情况下计算出来的一次曝光所检测焊缝长度, 用L3表示。
实际选用的一次透照长度可小于或等于理论计算的L3, 还要考虑△L、胶片侧母材等分长度和使用胶片的长度而定。
对于100%检测的焊缝, 可按应透照的片数将焊缝长度等分。
采用中心曝光时, 应填写工件上搭接标记之间的焊缝长度。
对于双壁双影透照的焊缝, 透照两次, 一次透照长度为管子周长之半; 透照三次, 为管子周长的1/3。
h 拍片数量: 指一条焊缝应拍的片数, 对于同类型的焊缝, 可在该
拍片数值后加上焊缝条数。
例如”13×5”, 即表示一条焊缝拍片13张, 有5条焊缝同样拍片13张底片。
对于焊缝长度不等的可填总片数, 在简图中标出这些焊缝应拍的片数量。
○5合格级别
指图样、标准规定的最低合格级别。
○6检测比例
指图样、标准要求的检测比例。
如为局部检测应填写”≥20%”或”≥50%”。
○7技术要求
a 对于局部检测的对接接头必检部位可在工艺卡表格栏内说明。
b 射线检测规程: 指填本单位编制的射线检测规程的代号。
○8透照部位示意图
是预检的焊缝分布、尺寸、编号及相应检测片数的图。
a 该栏目的图一般采用主视图, 将应检测的人孔等画在壳体的相应部位来表示。
对于大型球罐等应采用展开图。
在图上必须标明焊缝编号、拍片数、必检部位及计划拍片编号( 即底片编号) 。
该栏目位置不够时, 应加附图。
b 有必要时, 还应画出某种类焊缝透照布置图。
○9编制人和审核人栏
编制人应至少具有本方法Ⅱ级资格。
审核人应为检测责任人员( 但也应至少具有本方法Ⅱ级资格) 。
由编制人和审核人本人签字或盖章, 并填写相应日期。
典型对接焊缝射线检测工艺卡编制范例
【例1】在用压缩机出口分液罐射线检测工艺卡( 了解)
某企业有一台在用压缩机出口分液罐如图1--1所示, 产品编号为0901, 容器类别为二类, 材料牌号20R, 容器规格为φ800×1500×12mm, 其它工艺接管的规格尺寸及开孔方位见图示。
该企业检验部门。