焊接工艺卡标准模板
- 格式:xls
- 大小:172.50 KB
- 文档页数:6
焊接工艺卡
NFHG-HJ-AE-0001单位名称:使用工程名称:
焊接部位:底板焊接方法:手工焊
焊接简图:坡口型式:V型
母材:PVC板
焊接标准:HG/T4281-2011
工件厚度:30mm
焊接准备:
1.刨出焊口
2.清理焊口与焊条焊材:PVC焊条
1.单丝PVC焊条:规格φ2mm
2.双丝PVC焊条:规格φ2.8mm
焊接:
焊接温度200-240℃,气流压力0.8-1.0kg/cm2,焊枪与焊缝所成角度以30-45°为宜,焊条应尽量垂直于焊缝表面。
焊接速度0.1-0.25m/min,必须达到焊缝处有浆状物挤出为止。
施焊第一根焊条必须用单焊条,然后使用双焊条焊接。
焊接检查:
☐焊接表面平整☐无波纹形成及焊条吹现象☐焊缝截面无空洞☐无过焊(烧焦)现象☐其他:
检查人员(签字):检查时间:
焊接工艺卡焊接简图:。
焊接工艺卡
单位名称:中化二建集团有限公司
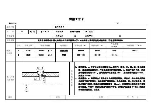
项目名称:陕西金泰氯碱化工有限公司二期15万吨/年聚氯乙烯扩建项目(安装工程)焊接方法SMAW(弧焊)GTAW (氩弧焊)机动化程度:手工
焊接接头:
坡口形式: V型坡口
U'
LT
母材: 材质:20#(GB/T8163)与20#(GB/T8163)焊接
对接焊缝焊件母材厚度范围:(mm
角焊缝焊件母材厚度范围:不限
管子直径、壁厚范围:对接焊缝(mm 角焊缝不限
填充金属:
填充金属类别:焊条氩弧焊丝焊材标准:GB/T5117-1995 GB/T14957-1994 焊材牌号:J427 H08A
焊材型号:E4315 / 焊材尺寸(mm):①①
焊接位置:
对接焊缝位置水平固定焊:(5G)
立焊的焊接位置:向上
预热。
23ZL101铸铝厚度22mm厚度铝硅焊丝规格φ1.2mm 规格1 MIG SAL4043Φ1.2mm 180A-200A 16-2716-20φ16mm99.99℅序号第五周签字/日期123456注:焊接参数必须有调机员负责;每周不低于一次点检。
焊接参数是否正常锁定焊机水箱水位是否充分机器人是否按程序运转交流第一周18L/min第二周第三周 机器人内部参数是否锁定焊机水泵运转是否正常电流种类/极性焊接电流(A)电弧电压(V)焊接速度(cm/min)焊接方法焊接参数日常点检表 年 月气 体 保 护 焊喷嘴直径气体/纯度(%)气体流量(L/min)焊缝金属-1焊后热处理喷丸退火焊缝金属-2焊 接 位 置V 型焊缝焊 接 顺 序焊接工艺卡编号JJESH /QP- S04-WI- A- 001壳体焊接机器人设备编号 SHEQ-KM-052接头名称对接接头母材-1预热温度(℃)保养内容焊枪固定焊件旋转焊接。
接头编号适用环焊缝360°旋转焊接焊后检验持证项目第四周180°-200°母材-2预热时间 2小时 氩气流量是否正常1焊接前将焊接区域及周围20mm范围内的油污,锈蚀、水及其它有害杂质清理干净。
氩气焊道焊材规格焊接证书23ZL101铸铝厚度22mm厚度铝硅焊丝规格φ1.2mm 规格1 MIG SAL4043Φ1.2mm 180A-200A 16-2716-20φ16mm99.99℅序号第五周签字/日期123456焊机水泵运转是否正常氩气流量是否正常注:焊接参数必须有调机员负责;每周不低于一次点检。
焊 接 位 置角型焊缝交流18L/min第一周焊后检验持证项目焊接证书预热温度(℃)180°-200°机器人内部参数是否锁定 焊机水箱水位是否充分 机器人是否按程序运转 焊接参数日常点检表 年 月保养内容第二周第三周第四周焊接参数是否正常锁定 焊接电流(A)电弧电压(V)焊接速度(cm/min)气 体 保 护 焊喷嘴直径气体/纯度(%)气体流量(L/min)氩气焊缝金属-2焊道焊接方法焊材规格电流种类/极性母材-1母材-2焊缝金属-1预热时间 2小时 焊后热处理喷丸退火接头名称对接接头焊枪固定焊件旋转焊接。
焊接工艺卡格式 Last updated on the afternoon of January 3, 2021
焊接工艺卡编号:HJ001工程名称:中国石化集团安庆分公司炼化一体化项目一标段、九标段工程
施工单位:中国石化集团第十建设公司安庆石化工程项目部
焊接工艺卡编号:HJ002工程名称:中国石化集团安庆分公司炼化一体化项目一标段、九标段工程
施工单位:中国石化集团第十建设公司安庆石化工程项目部
焊接工艺卡编号:HJ003工程名称:中国石化集团安庆分公司炼化一体化项目一标段、九标段工程
施工单位:中国石化集团第十建设公司安庆石化工程项目部
焊接工艺卡编号:HJ004 工程名称:中国石化集团安庆分公司炼化一体化项目一标段、九标段工程
施工单位:中国石化集团第十建设公司安庆石化工程项目部。
共1页
焊接工艺指导书工程
名称
良村#1机C修
第1页检修
部位材质20G(Q245)规格δ=6mm 热处理状态/
焊接材料
牌号直径(mm)烘干温度(℃)保温时间(h)备注J427 3.2 350 1
ER50-6 2.0 //
保护气体种类纯度流量(L/min) 备注氩气99.9% 8--12
钨极类型WCe-20 钨极直径(mm) 2.0
焊前预热预热温度(℃)保温方法焊后
热处理
加热温度(℃)时间////
坡口尺寸图
焊接程序图
焊接条件道数焊接方法焊材牌号
保护气体
或焊剂
Φ
mm
电压电流电源极性
1 钨极氩弧焊ER50-6 氩气 2.022V 110A 直流正接
2 焊条电弧焊J427/ 3.222V 110A 直流反接
3 焊条电弧焊J427/ 3.224V 120A 直流反接
焊缝检测要求
外观检查射线探伤
无表面敢接缺陷;圆滑过渡母
材
检测部位合格标准
100%JB4730-94
编制审核批准。
焊前预热加热方式/层间温度/温度范围/测温方法/焊后热处理种类消应力保温时间0.72~1.5h加热方式炉内加热冷却方式随炉缓冷炉外空冷温度范围600~640℃测温方法热电偶焊接工艺编号HP-II-1-065 通用焊接工艺卡编号RXDM-01-07 材料牌号Q345R规格18mm接头种类对接焊接位置平焊焊接方法埋弧自动焊焊接直流直流电源反接反接坡口形式Y坡口角度(°)60±5钝边(mm)8组对间隙(mm )1~2范围适用焊接层次及顺序简图F1-AP 1、F2-AP1焊层焊材牌号焊材规格mm)H10Mn2/HJ431 φ4.0H10Mn2/HJ431 φ4.0焊接电流A)450~480520~550电弧电压V)32~3534~36焊接速度Cm/min48~5046~48气流量L/min钨极直径mm)喷嘴直径线能量3~4 H10Mn2/HJ431 φ4.0 580~600 35~37 46~48mm)(KJ/cm)18.0~20.223.1~24.826.5~27.8备注:其它焊接工艺要求,按本单位《通用焊接工艺规程》执行焊前预热加热方式/层见温度/温度范围/测温方法/焊后热处理种类消应力保温时间0.64~1.5h加热方式炉内加热冷却方式随炉缓冷炉外空冷温度范围600~640℃测温方法热电偶焊接工艺编号HP-II-1-055材料牌号Q345R/16MnIIQ345R规格16mm接头种类对接焊接位置平焊焊接方法焊条电弧焊焊接种类直流电源极性反接坡口形式Y坡口角度(°)50±5钝边(mm )2~3组对间隙(mm)1~2通用焊接工艺卡编号焊接层次及顺序简图RXDS-01-07A6、A7、B14、B15焊层焊材牌号焊材规格mm)焊接电流电弧电压V)焊接速度气流量钨极直径喷嘴直径线能量Cm/min L/min mm)mm)(KJ/cm)3~45~6J507J507J507J507φ4.0φ4.0φ4.0φ4.0160~165165~170170~175170~17523~2423~2424~2524~2515~1615~1614~1514~1515.4~15.515.2~15.317.4~17.517.4~17.5 范围适用备注:其它焊接工艺要求,按本单位《通用焊接工艺规程》执行7~9 J507 φ4.0 165~170 23~24 14~15 / / / 15.2~17.5 10~12J507φ4.0155~16023~2415~16///13.4~154备注:其它焊接工艺要求,按本单位《通用焊接工艺规程》执行焊前预热加热方式 / 层间温度 /温度范围/测温方法/焊后热处理 种类消应力 保温时间 /加热方式 炉内加热冷却方式 随炉缓冷 炉外空冷温度范围600~640℃测温方法热电偶焊接工艺编号 HP-II-1-067 HP-II-1-055HP-I-1-012材料牌号 20/Q345R规格 δ s=16mm接头种类 管板角接 焊接位置 垂直固定 焊接方法焊条电弧焊 焊接 电源 种类 直流 极性反接 坡口形式 单V坡口角度(°) β1=35±2 β2=50±5 钝边( mm ) 1~2组对间隙(mm )b 1=5±1 b 2=2±0.5通用焊接工艺卡编号 焊接层次及顺序简图RXDS-09-06焊层 焊材牌号焊材规格mm )焊接电流 电弧电V )焊接速度Cm/min气流量L/min钨极直径mm )喷嘴直径线能量2~3 4~5J507J507 J507 J507mm )(KJ/cm)φ3.2 φ4.0 φ4.0 φ3.2 100~105 165~170 155~160 120~125 20~21 23~24 23~24 22~23 11~12 10~12 15~16 14~15 15~16 14.2~16.3 14.3~16.4 9.9~11.5适 围用 范 K1≥ 6mm6 J507 φ3.2 120~125 22~23 15~16 / / / 9.9~11.5 7~9 J507 φ4.0 165~170 23~24 14~15 ///15.2~17.5备注:其它焊接工艺要求,按本单位《通用焊接工艺规程》执行焊前预热加热方式 / 层间温度 / 温度范围 /测温方法 / 焊后热处理种类消应力 保温时间 /加热方式 炉内加热冷却方式 随炉缓冷 炉外空冷温度范围600~640℃测温方法热电偶焊接工艺编号 HP-II-1-067 HP-II-1-055HP-I-1-012材料牌号 20/Q345R规格 δ s=18/16mm接头种类 管板角接 焊接位置 垂直固定 焊接方法焊条电弧焊 焊接 电源 种类 直流 极性反接 坡口形式 单V坡口角度(°) β1=35±2 β2=50±5 钝边( mm )1~2组对间隙(mm )b 1=5±1 b 2=2±0.5通用焊接工艺卡编号 焊接层次及顺序简图R10-0047-03K1 ≥6mmD10焊层 焊材牌号焊材规格mm )焊接电流 电弧电V )焊接速度Cm/min气流量L/min钨极直径mm )喷嘴直径线能量2~3 4~5 10~12J507J507 J507 J507mm )(KJ/cm)φ3.2 φ4.0 φ4.0 φ4.0100~105 165~170 155~160 155~16020~21 23~24 23~24 23~2411~12 10~12 15~16 14~15 15~1614.2~16.3 14.3~16.413.4~154适 用 范 围7~9 J507 φ4.0 165~170 23~24 14~15 / / / 15.2~17.5 10~12J507φ4.0155~16023~2415~16///13.4~154备注:其它焊接工艺要求,按本单位《通用焊接工艺规程》执行焊前预热加热方式 / 层间温度 /温度范围/测温方法 /焊后热处理 种类消应力 保温时间 /加热方式 炉内加热冷却方式 随炉缓冷 炉外空冷温度范围600~640℃测温方法热电偶焊接工艺编号 HP-II-1-067 HP-II-1-055HP-I-1-012材料牌号 Q345R规格 δ s=16/18mm接头种类 管板角接 焊接位置 垂直固定 焊接方法焊条电弧焊 焊接 电源 种类 直流 极性反接 坡口形式 单V坡口角度(°) β1=35±2 β2=50±5 钝边( mm ) 1~2组对间隙(mm )b 1=5±1 b 2=2±0.5通用焊接工艺卡编号 焊接层次及顺序简图R10-0047-04焊层 焊材牌号焊材规格mm )焊接电流 电弧电V )焊接速度Cm/min气流量L/min钨极直径mm )喷嘴直径线能量2~3 4~5J507J507 J507 J507mm )(KJ/cm)φ3.2 φ4.0 φ4.0 φ3.2 100~105 165~170 155~160 120~125 20~21 23~24 23~24 22~23 11~12 10~12 15~16 14~15 15~16 14.2~16.3 14.3~16.4 9.9~11.5适 围用 范通用焊接工艺卡焊前预热加热方式/层间温度/温度范围/测温方法/焊后热处理种类消应力保温时间/加热方式炉内加热冷却方式随炉缓冷炉外空冷温度范围600~640℃测温方法热电偶焊接工艺编号HP-I-1/II-1-095材料牌号Q235-B/Q345R规格4mm/18( 16) mm接头种类T焊接位置水平固定或垂直俯位焊接方法焊条电弧焊焊接电源种类直流极性反接坡口形式I坡口角度(°)/钝边(mm )/组对间隙(mm)/通用焊接工艺卡编号焊接层次及顺序简图D25、D26、D31、D32RXDTS-05-01焊层焊道焊材牌号焊材规格mm)焊接电流电弧电压V)焊接速度Cm/min气流量L/min钨极直径mm)喷嘴直径线能量J427 φ3.2 100~105 21~22 19~20J427 φ3.2 100~105 21~22 19~20mm) (KJ/cm)6.3~7.36.3~7.3 适用范围备注:其它焊接工艺要求,按本单位《通用焊接工艺规程》执行通用焊接工艺卡。
焊接工艺规范制造单位名称:沈阳理工大学编号: WPS-1 焊接工艺评定报告编号: 1产品零部件名称:筒体的纵焊缝,环焊缝,筒体与封头对接焊缝,人孔法兰对焊所按标准名称及编号:GB985-88,GB986-88焊接方法:手工电弧焊双面埋弧焊自动化等级:接头坡口形状及尺寸焊件母材1.母材类别号、组别号及钢号类别号 Fe-8-1 组别号 1 与类别号 Fe-8-1 组别号 2 相焊钢号 0Cr18Ni10Ti 与钢号 0Cr18Ni10Ti 相焊2.焊件壁厚适用范围 -3.管件直径适用范围 -焊接材料1.钨极牌号及规格 -2.焊条牌号及规格 A132,?5mm3.实心焊丝牌号及规格H0Cr20Ni10Ti,?5mm4.焊剂牌号 HJ2605.药芯焊丝牌号及规格 -6.焊带牌号及规格 -7.其他 -保护气体保护气体种类及配比 -保护气体流量 -背面成形气体种类及配比 -拖罩保护气体种类及配比 -接头坡口形状及尺寸焊件母材4.母材类别号、组别号及钢号类别号 Fe-8-1 组别号 1 与类别号 Fe-8-1 组别号 2 相焊钢号 0Cr18Ni10Ti 与钢号 0Cr18Ni10Ti 相焊5.焊件壁厚适用范围 -6.管件直径适用范围 -焊接材料8.钨极牌号及规格 -9.焊条牌号及规格 A137、?3.2mm10.实心焊丝牌号及规格 -11.焊剂牌号 -12.药芯焊丝牌号及规格 -13.焊带牌号及规格 -14.其他 -保护气体保护气体种类及配比 -保护气体流量 -背面成形气体种类及配比 -拖罩保护气体种类及配比 -焊前准备6.坡口加工方法及要求机械加工7.坡口及接缝两侧清理方法及要求坡口周边20mm进行机械清理8.焊材清理、烘干方法及要求低温200℃条件下烘干2小时9.焊接衬垫材料牌号及规格 -10.其他 -检测8.超声波检测√ 抽查率 100% 9.磁粉检测 - 检测部位 - 10.渗透检测 - 检测部位 -备注焊后石棉缓冷编制校对审核日期日期日期焊接工艺规范制造单位名称:沈阳理工大学编号: WPS-3 焊接工艺评定报告编号: 3产品零部件名称:罐体与人孔加强圈搭接焊缝所按标准名称及编号:GB985-88,GB986-88 焊接方法:手工电弧焊自动化等级:接头坡口形状及尺寸焊件母7.母材类别号、组别号及钢号类别号 Fe-8-1 组别号 1 与类别号 Fe-8-1 组别号 2 相焊钢号 0Cr18Ni10Ti 与钢号 0Cr18Ni10Ti 相焊产品零部件名称:支座垫板罐体搭接焊缝所按标准名称及编号:GB985-88,GB986-88 焊接方法:手工电弧焊自动化等级:接头坡口形状及尺寸焊件母材10.母材类别号、组别号及钢号类别号 Fe-8-1 组别号 1 与类别号 Fe-1-2 组别号 2 相焊钢号 0Cr18Ni10Ti 与钢号 Q235B 相焊11.焊件壁厚适用范围 -12.管件直径适用范围 -焊接材料22.钨极牌号及规格 -23.焊条牌号及规格 A302,?5mm24.实心焊丝牌号及规格 -25.焊剂牌号 -26.药芯焊丝牌号及规格 -27.焊带牌号及规格 -28.其他 -保护气体保护气体种类及配比 -保护气体流量 -背面成形气体种类及配比 -拖罩保护气体种类及配比 -焊前准备16.坡口加工方法及要求机械加工17.坡口及接缝两侧清理方法及要求坡口周边20mm进行机械清理18.焊材清理、烘干方法及要求低温200℃条件下烘干2小时19.焊接衬垫材料牌号及规格 -20.其他 -检测18.超声波检测√ 抽查率 100% 19.磁粉检测 - 检测部位 - 20.渗透检测 - 检测部位 -备注焊后石棉缓冷编制校对审核日期日期日期焊接工艺规范制造单位名称:沈阳理工大学编号: WPS-5 焊接工艺评定报告编号: 5产品零部件名称:支座筋板与地板所按标准名称及编号:GB985-88,GB986-88 焊接方法:手工电弧焊自动化等级:接头坡口形状及尺寸焊件母13.母材类别号、组别号及钢号类别号 Fe-1-2 组别号 1 与类别号 Fe-1-2 组别号 2 相焊钢号 Q235B 与钢号 Q235B 相焊产品零部件名称:人孔接管与罐体角接所按标准名称及编号:GB985-88,GB986-88 焊接方法:手工电弧焊自动化等级:接头坡口形状及尺寸焊件母材16.母材类别号、组别号及钢号类别号 Fe-8-1 组别号 1 与类别号 Fe-8-1 组别号 2 相焊钢号 0Cr18Ni10Ti 与钢号 0Cr18Ni10Ti 相焊17.焊件壁厚适用范围 -18.管件直径适用范围 -焊接材料36.钨极牌号及规格-37.焊条牌号及规格A137,?5mm38.实心焊丝牌号及规格 -39.焊剂牌号 -40.药芯焊丝牌号及规格 -41.焊带牌号及规格-42.其他 -保护气体保护气体种类及配比 -保护气体流量 -背面成形气体种类及配比 -拖罩保护气体种类及配比 -。
1234序号
本厂5
4
W
5H 16MnR
厚度22mm
厚度厚度厚度
正面背面正11埋弧焊H08MnA 5mm
直
800-1100
38-4040/
正21埋弧焊H08MnA 5mm 800-110038-4040反11埋弧焊H08MnA 5mm 700-90036-3845反2
1
埋弧焊
H08MnA
5mm
700-900
36-38
45
直流反接直流反接直流反接
电弧电压(V)焊接速度(cm/min)气 体 保 护 焊
钨极直径
喷嘴直径
气体
/纯度
(%)
气体流量(L/min)脉宽比层道焊接方法焊材/尺寸电流种类/极性焊接电流(A)焊缝金属-1焊后热处理焊缝金属-2
焊 接 位 置母材-1预热温度(℃)母材-2
层间温度(℃)焊评编号采用埋弧焊焊接
持证项目埋弧焊用小车在焊件上行走焊接。
检验
焊后检验。
焊 接 顺 序
焊接工艺卡编号1
焊接前将焊接区域及周围20mm范围内的油污图 号、锈蚀、水及其它有害杂质清理干净。
QG/LT-C75
焊 接 工 艺 规 程
接 头 焊 接 工 艺 卡
接头名称对接接头
定位焊与第一层焊接规范相同,沿坡口均布接头编号4点,焊点长度6-10mm。
1234序号
本厂5
4
W
5H 16MnR
厚度22mm
厚度厚度厚度
正面背面11埋弧焊SJ3015mm 900-100036-4025/
21埋弧焊SJ3015mm 900-100036-40253
1
埋弧焊
SJ301
5mm
900-1000
36-40
25
定位焊与第一层焊接规范相同,沿周围均布接头编号8点,焊点长度10-20mm。
焊评编号焊 接 工 艺 规 程
接 头 焊 接 工 艺 卡
QG/LT-C75
焊 接 顺 序
焊接工艺卡编号2
焊接前将焊接区域及周围20mm范围内的油污图 号、锈蚀、水及其它有害杂质清理干净。
接头名称对接接头
采用埋弧焊焊接持证项目焊枪固定焊件旋转焊接。
检验
焊后检验。
母材-1预热温度(℃)母材-2
层间温度(℃)焊缝金属-1焊后热处理焊缝金属-2
焊 接 位 置电流种类/极性焊接电流
(A)电弧电压(V)焊接速度(cm/min)层道焊接方法焊材/尺寸直流反接直流反接直流反接
气 体 保 护 焊
钨极直径
喷嘴直径
气体
/纯度
(%)
气体流量(L/min)脉宽比
1234序号
本厂5
4
W
5H 16MnR 厚度22mm 16MnR
厚度12mm
厚度厚度
正面背面11焊条电弧焊J5035180-21030-5020-30/
2
1
焊条电弧焊
J503
5
180-210
30-50
20-30
QG/LT-C75
焊 接 工 艺 规 程
接 头 焊 接 工 艺 卡
焊 接 顺 序
焊接工艺卡编号4
焊接前将焊接区域及周围20mm范围内的油污图 号、锈蚀、水及其它有害杂质清理干净。
接头名称搭接接头
定位焊与第一层焊接规范相同,沿周围均布接头编号6点,长度方向上4点,焊点长度6-10mm。
焊评编号采用焊条电弧焊焊接持证项目采用两焊工同事对称焊接。
检验
焊后检验。
母材-1预热温度(℃)母材-2
层间温度(℃)焊缝金属-1焊后热处理焊缝金属-2
焊 接 位 置电流种类/极性焊接电流
(A)电弧电压(V)焊接速度(cm/min)层道焊接方法焊材/尺寸直流反接直流反接
气 体 保 护 焊
钨极直径
喷嘴直径
气体
/纯度
(%)
气体流量(L/min)脉宽比
1234序号
本厂5
4
W
5H 16MnR 厚度8mm 16MnR
厚度16mm
厚度厚度
正面背面1
1
焊条电弧焊
J503
5mm
160-210
40-65
30-40
/
QG/LT-C75
焊 接 工 艺 规 程
接 头 焊 接 工 艺 卡
焊 接 顺 序
焊接工艺卡编号5
焊接前将焊接区域及周围20mm范围内的油污图 号、锈蚀、水及其它有害杂质清理干净。
接头名称角接接头
定位焊与第一层焊接规范相同,沿周围均布接头编号三点,焊点长度6-10mm。
焊评编号采用GTAW焊接持证项目焊缝外观检查
检验
焊缝无损检测:100%RT Ⅱ级合格母材-1预热温度(℃)母材-2
层间温度(℃)焊缝金属-1焊后热处理焊缝金属-2
焊 接 位 置电流种类/极性焊接电流
(A)电弧电压(V)焊接速度(cm/min)层道焊接方法焊材/尺寸直流反接
气 体 保 护 焊
钨极直径
喷嘴直径
气体
/纯度
(%)
气体流量(L/min)脉宽比
1234
序号本厂
4W
5H 16MnR 厚度8mm 16MnR
厚度14mm
厚度厚度
正面背面1
1
焊条电弧焊
J503
5mm
160-210
40-65
30-40
/
QG/LT-C75
焊 接 工 艺 规 程
接 头 焊 接 工 艺 卡
焊 接 顺 序
焊接工艺卡编号6
焊接前将焊接区域及周围20mm范围内的油污图 号、锈蚀、水及其它有害杂质清理干净。
接头名称角接接头
定位焊与焊接规范相同,沿周围均布接头编号,焊点长度6-10mm。
焊评编号采用GTAW焊接持证项目
焊后检查
检验母材-1预热温度(℃)母材-2层间温度(℃)焊缝金属-1焊后热处理焊缝金属-2
焊 接 位 置
电流种类/极性焊接电流(A)电弧电压(V)焊接速度(cm/min)层道焊接方法焊材/尺寸气 体 保 护 焊
钨极直径喷嘴
直径气体
/纯度
(%)
气体流量(L/min)脉宽比直流反接
1235
序号本厂
4W
5H 16MnR 厚度22mm 16MnR
厚度10mm
厚度厚度
正面背面11焊条电弧焊J5035180-22030-6020-30/
2
1焊条电弧焊J503
5
200-240
30-60
20-30
焊评编号气 体 保 护 焊
钨极直径喷嘴
直径气体
/纯度
(%)
气体流量(L/min)脉宽比焊 接 工 艺 规 程
接 头 焊 接 工 艺 卡
焊 接 顺 序
焊接工艺卡编号3
持证项目
检验焊接速度(cm/min)焊 接 位 置
焊缝金属-1焊缝金属-2
直流反接直流反接
电流种类/极性焊后热处理焊接电流(A)电弧电压(V)预热温度(℃)母材-2层间温度(℃)层道
焊接方法焊材/尺寸
4点,焊点长度6-10mm。
采用焊条电弧焊焊接。
焊缝外观检查。
母材-1、锈蚀、水及其它有害杂质清理干净。
接头名称对接接头
定位焊与第一层焊接规范相同,沿周围均布接头编号QG/LT-C75
焊接前将焊接区域及周围20mm范围内的油污图 号。