焊接工艺卡教学文案
- 格式:doc
- 大小:234.00 KB
- 文档页数:7
焊接工艺的工艺卡片
焊接工艺的工艺卡片是一种记录焊接工艺参数的工作指导文件。
它可以包括以下信息:
1. 焊接工艺编码:每个焊接工艺都有一个唯一的编码,用于标识和区分不同的工艺。
2. 焊接方法:表明采用的是手工焊接、自动焊接还是半自动焊接等方法。
3. 焊接材料:包括被焊接的材料类型、厚度等信息。
4. 焊接电流和电压:记录焊接过程中使用的电流和电压数值以及范围。
5. 焊接速度:记录焊接的速度,通常以单位时间内焊接的长度来衡量。
6. 焊接焊丝规格:记录使用的焊接焊丝的规格,包括直径、材料等。
7. 焊接电极规格:记录使用的焊接电极的规格,包括直径、材料等。
8. 焊接气体:记录使用的保护气体的种类和流量。
9. 焊接预热和后热处理:如果需要进行预热或后热处理,记录相应的温度和时
间。
10. 焊接质量要求:记录焊接后的质量要求,如焊缝的完整性、外观等。
这些信息将被记录在焊接工艺卡片上,并在焊接过程中作为参考依据。
焊接工艺卡片的目的是确保焊接操作的一致性和可追溯性,以提高焊接质量。
焊接工艺过程卡片I. 文件目的本文档旨在描述焊接工艺过程卡片的内容和使用方法,以便焊接操作人员能够正确执行焊接工艺步骤,确保焊接质量和安全。
II. 范围本卡片适用于所有焊接工艺,包括手工焊接、自动化焊接和半自动焊接等。
III. 卡片内容焊接工艺过程卡片的内容应包括以下几个方面:1. 工艺参数:明确焊接所需的电流、电压、焊接速度等参数。
2. 电极/焊丝选择:指明使用何种类型的电极或焊丝,并注明其规格和品牌。
3. 准备工作:列出焊接前的准备工作,如清洁焊接表面、安装夹具等。
4. 步骤说明:详细描述每个焊接步骤,包括焊接顺序、持续时间、焊接顺序等。
5. 质量要求:明确焊接过程中需要达到的质量标准,如焊缝的牢固程度、焊接表面的光洁度等。
6. 安全注意事项:提醒焊接操作人员注意安全事项,如佩戴防护眼镜、使用防火设备等。
IV. 使用方法使用焊接工艺过程卡片时,焊接操作人员应按照以下步骤进行操作:1. 阅读工艺参数:仔细阅读工艺参数部分,了解所需的电流、电压、焊接速度等信息。
2. 检查电极/焊丝:确认所使用的电极或焊丝符合要求,包括规格和品牌等。
3. 准备工作:按照准备工作的要求进行准备,如清洁焊接表面、安装夹具等。
4. 执行焊接步骤:按照步骤说明的顺序进行焊接,确保每个步骤的持续时间和焊接顺序正确。
5. 检查质量:在焊接完成后检查质量要求,确保达到质量标准。
6. 注意安全:在整个焊接过程中,注意安全事项并采取相应的防护措施。
V. 附注以上内容为一份典型的焊接工艺过程卡片的范例。
具体使用时,根据实际情况进行调整和补充,以满足具体焊接工艺的要求。
焊接工艺卡标准范文一、背景介绍焊接工艺卡是制定焊接工艺的重要文件,它规定了焊接工艺参数和操作要求,能够指导焊接操作人员正确进行焊接工作。
本文将以标准格式给出焊接工艺卡的范文。
二、焊接工艺卡的格式焊接工艺卡应按照以下格式编写:1. 标题:焊接工艺卡2. 项目编号:(填写具体的项目编号)3. 项目名称:(填写具体的项目名称)4. 编制单位:(填写具体的编制单位)5. 审核单位:(填写具体的审核单位)6. 有效期限:(填写具体的有效期限)三、焊接工艺卡内容范文下面是一个焊接工艺卡的内容范例:项目编号:XXX项目名称:XXX焊接工艺卡编制单位:XXX公司审核单位:XXX公司有效期限:20XX年至20XX年焊接工艺参数:1. 焊接方法:氩弧焊2. 电流:100A3. 电压:20V4. 焊接速度:10cm/min5. 焊接材料:焊条(牌号:XXX)6. 补偿电流:无操作要求:1. 准备工作:将焊接材料准备妥当,清理焊接表面,确保无杂质和油污。
2. 焊接设备:根据规定使用氩弧焊机进行焊接。
3. 焊接位置:根据实际需要确定焊接位置。
4. 焊接接头:将需要焊接的两个接头正确对准。
5. 焊接过程:在预设电流和电压的情况下,保持恒定的焊接速度进行焊接。
6. 焊接质量检查:完成焊接后,对焊缝进行质量检查,确保无焊疤和气孔。
四、总结焊接工艺卡是进行焊接工作的重要指导文件,它规定了焊接工艺的参数和操作要求。
本文给出了焊接工艺卡的标准范文,希望能对焊接工作者编制焊接工艺卡提供参考和指导。
注:文章中所涉及的具体项目名称、公司名称和参数仅为范例,实际应根据具体情况进行修改。
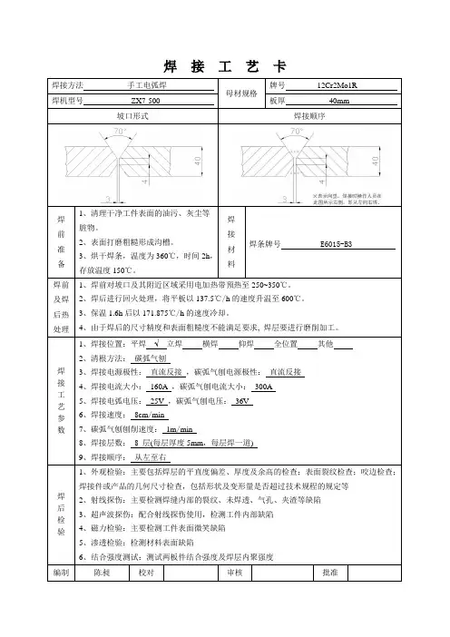
焊接工艺卡焊接方法手工电弧焊母材规格牌号12Cr2Mo1R焊机型号ZX7-500 板厚40mm 坡口形式焊接顺序焊前准备1、清理干净工件表面的油污、灰尘等脏物。
2、表面打磨粗糙形成沟槽。
3、烘干焊条,温度为360℃,时间2h,存放温度150℃。
焊接材料焊条牌号 E6015-B3焊前及焊后热处理1、焊前对坡口及其附近区域采用电加热带预热至250~350℃。
2、焊后进行回火处理,将平板以137.5℃/h的速度升温至600℃。
3、保温1.6h后以171.875℃/h的速度冷却。
4、由于焊后的尺寸精度和表面粗糙度不能满足要求, 焊层要进行磨削加工。
焊接工艺参数1、焊接位置:平焊√立焊横焊仰焊全位置其他2、清根方法:碳弧气刨3、焊接电源极性:直流反接,碳弧气刨电源极性:直流反接4、焊接电流大小:160A,碳弧气刨电流大小:300A5、焊接电弧电压:25V ,碳弧气刨电压:36V6、焊接速度:8cm/min7、碳弧气刨刨削速度:1m/min8、焊接层数:8 层(每层厚度5mm,每层焊一道)9、焊接顺序:从左至右焊后检验1、外观检验:主要包括焊层的平直度偏差、厚度及余高的检查;表面裂纹检查;咬边检查;焊接件或产品的几何尺寸检查,包括形状及变形量是否超过技术规程的规定等2、射线探伤:主要检测焊缝内部的裂纹、未焊透、气孔、夹渣等缺陷3、超声波探伤:配合射线探伤使用,检测工件内部缺陷4、磁力检验:主要检测工件表面微笑缺陷5、渗透检验:检测材料表面缺陷6、结合强度测试:测试两板件结合强度及焊层内聚强度编制陈昶校对审核批准。
焊接工艺过程及工序卡片模板1. 简介本文档旨在提供焊接工艺过程及工序卡片模板,以便在焊接作业中记录和管理相关数据。
该模板可用于不同类型的焊接工艺,包括手工电弧焊、气体保护焊、焊接机器人等。
2. 工艺过程2.1 准备工作- 确定焊接工件的材料和尺寸。
- 准备焊接设备和材料,包括焊接机、电极、焊丝等。
- 清洁焊接表面以确保良好的焊接质量。
2.2 焊接操作- 调整焊接设备参数,如电流、电压等。
- 采用正确的焊接技术和操作方法,如垂直焊接、水平焊接等。
- 控制焊接速度和焊接温度,以避免焊接缺陷和变形。
2.3 检验及修正- 对焊接接头进行检验,包括外观检查和非破坏性检测。
- 如有缺陷或不合格部分,及时进行修正和补焊。
- 重新检验修正后的焊接接头,确保符合质量标准。
3. 工序卡片模板3.1 概述工序卡片用于记录和管理焊接过程中的关键信息。
以下是一个示例模板:3.1.1 任务信息- 焊接任务编号:- 焊接工件名称:- 焊接工件材料:- 焊接工艺规程编号:3.1.2 焊接参数- 电流:- 电压:- 焊接速度:- 焊接温度:3.1.3 操作步骤- 准备工作:- 焊接操作:- 检验及修正:3.1.4 检验记录- 外观检查结果:- 非破坏性检测结果:4. 结论本文提供了一个焊接工艺过程及工序卡片模板,帮助记录和管理焊接作业中的重要信息。
使用该模板可以提高焊接质量和效率,确保焊接接头符合质量标准。
根据具体工艺需要,可以对模板进行调整和完善。
焊接工艺卡1. 引言焊接工艺卡是一种重要的技术文档,用于记录焊接工艺的基本信息、步骤、参数和相关要求。
它对于焊接过程的规范和控制具有重要意义。
本文将介绍焊接工艺卡的内容和编写要点。
2. 焊接工艺卡的内容焊接工艺卡包括以下内容:2.1 项目描述在项目描述中,应明确说明所要焊接的对象,例如是金属构件、管道还是其他类型的材料。
2.2 焊接材料该部分列出了焊接所使用的材料,包括母材、焊条/焊丝等信息。
对于不同类型的焊接,所使用的焊接材料也有所不同。
因此,在焊接工艺卡中要准确记录所用材料的规格、型号和品牌。
2.3 焊接设备焊接设备是焊接过程中必不可少的工具。
需要在焊接工艺卡中详细描述所使用的焊接设备,包括焊机、焊接枪、气体罐等。
同时,需要记录设备的型号、品牌和技术参数,以确保设备的正常运行和焊接质量的稳定性。
2.4 焊接工艺参数焊接工艺参数是焊接过程中需要进行调控的参数。
在焊接工艺卡中要记录焊接电流、电压、速度、预热温度、焊层厚度等重要参数。
这些参数的选择和控制对于焊缝质量和焊接强度的影响非常大,因此需要在焊接工艺卡中详细记录。
2.5 焊接步骤焊接步骤是按照焊接顺序描述的工艺过程。
需要详细记录每个焊接步骤的操作要求,包括焊接位置、焊接方式、焊接速度等。
这些步骤的准确执行能够保证焊接质量和工作安全。
2.6 质量要求质量要求是焊接过程中需要满足的要求。
包括焊缝的外观质量、尺寸偏差、焊缝强度等方面。
应参照相关标准和规范,明确质量要求,并在焊接工艺卡中进行记录。
2.7 检测和验收检测和验收是确保焊接质量合格的重要环节。
在焊接工艺卡中需要明确检测方法、检测标准和验收标准,并记录检测结果。
这样可以方便质量检验人员对焊缝进行评估和验收。
3. 焊接工艺卡的编写要点3.1 明确表达在编写焊接工艺卡时,应使用简洁明了的语言,确保表达准确。
尽量避免使用术语过多或者晦涩难懂的表达方式,使工艺卡易于理解和操作。
3.2 细节完备焊接工艺卡需要提供详细的信息,确保焊接过程的准确性和稳定性。
焊接工艺卡标准范文随着现代科技的快速发展,无论是在工业制造领域还是日常生活中,焊接技术都扮演着重要的角色。
在不同的行业领域,由于产品种类、工艺要求等的不同,焊接工艺卡标准也会有所差异。
本文将从焊接工艺卡标准编写的过程、要点和范文等方面进行论述。
一、焊接工艺卡标准的编写过程焊接工艺卡是指详细说明焊接工序、焊接方法、工艺参数、检查要求等信息的技术文本。
在制造过程中,焊接工艺卡是保证产品质量的重要工具,它不仅对于焊接操作人员具有指导作用,还可以为质量检查提供重要依据。
焊接工艺卡的编写需要遵循严格流程。
首先需要了解焊接对象的特点以及工艺性能要求,并根据实际情况确定焊接方法和工艺参数。
其次,需要对具体的焊接工艺流程进行详细的描述和图解,同时确定焊接工艺的检查要求和质量标准。
最后,将制定好的焊接工艺卡进行审核和确认,并在实际操作中根据实际情况进行适当调整。
二、焊接工艺卡标准的要点焊接工艺卡是一份技术文本,对其进行编写需要遵循一定的要点。
1.具体明确的焊接工艺流程焊接工艺卡需要对具体的焊接过程进行详细描述,包括焊接方法、焊接参数选择、预热、焊接顺序、填充材料、保护气体等内容。
如果不具体明确,就会产生误差,导致生产质量下降。
2.有效的质量控制措施在制定焊接工艺卡的过程中,应该重视质量控制。
只有制定了有效的质量控制措施,才能够保证产品质量达到标准要求。
应该在工艺卡中详细说明焊接质量的检查方法和标准,确保所有操作符合规定。
3.充分考虑安全性问题在焊接工艺卡制定过程中应该充分考虑安全性问题,根据实际情况降低焊接操作的危险度。
在焊接过程中应该加强防护措施,避免出现安全事故。
三、焊接工艺卡标准范文下面是一份焊接工艺卡的标准范文,仅供参考。
焊接工艺卡焊接对象:金属构件焊接方法:TIG填充材料:316L不锈钢工艺参数:焊接电流:10A-120A焊接电压:5V-15V预热:无需预热交流频率:60Hz保护气体:纯氩气焊接工艺流程:1.清洁焊接对象表面。
压力容器,压力管道工程
工艺卡片山东聊建集团有限公司
焊接工艺说明
参加压力管道工程焊接的焊工,必须是经过考试合格的焊工且只能承担与考试合格项目相应的焊接工作。
焊接过程中应注意以下几点:
1.遵守工艺纪律,按照规定的焊接工艺进行施工,自觉做好自检,确保焊接质量;
2.定位点固焊接应按照正式焊接工艺要求进行;
3.禁止在非焊接点位引弧,电弧擦伤处应打磨平滑;
4.焊件组对时应避免强力组装;
5.雨雪天气和环境温度低于0℃或风速大于8m∕s时,无保护措施应禁止施焊;
6.焊前检查坡口组对及清理情况是否符合要求,焊后在焊缝附近打上焊工钢号;
7.当焊接发现缺陷时应按工艺要求进行返修,返修后的焊缝应是合格焊缝;
8.要求焊后热处理时,进无损检测合格后进行。
焊接工艺课程设计任务书题目:卧式压力容器焊接工艺制定材料:16MnR焊接方法:CO2气体保护焊要求:1、看懂图纸2、根据相关标准画出焊缝布置图,并标注焊缝类别3、制定焊接工艺总那么4、设计焊接工艺卡5、重要的焊缝制定相应的焊接工艺卡6、工艺卡中应标明焊接检验的方法及标准学生:班级:指导教师:压力容器焊接工艺卡1、容器施焊前的焊接工艺评定,应按4708进展。
2、清理:对坡口及其周围进展严格的清理打磨,除油除锈至见金属光泽。
3、装配定位焊:采用半自动CO2气体保护焊焊接头型式角接接。
4、焊接:焊接采用CO2气体保护焊进展焊接,焊接的过程中严格遵守焊接工艺卡中的焊接参接头编号A1、A2 数。
5、清渣并修磨焊缝,焊工进展自检后,打焊工钢印号。
评定编号6、按工艺总那么中引用的标准对焊接接头进展射焊工持证工程电焊工一级〔高级技师〕线、超声、磁粉和渗透检验。
焊接材料型号规格(mm)烘干温度(℃)保温时间(h)焊件材料及规格母材16MnR与16MnR相焊备注ER49-1Φ2.0 规格δδ16焊接工艺参数层次焊接方法焊材规格(mm)电源极性焊接电流(A)焊接电压〔V〕焊接速度(cm/min)气体成分气体流量(L/min)其它1 GMAW ER49-1Φ2.0 DP 260~300 28~30 25~35 CO2 18~20焊接位置平施焊技术焊接参数见上表预热温度(℃) / 层间温度(℃) / 后热/ 焊后热处理(℃×h) / 检验要求√外观检查% √射线探伤% √超声波% √渗透探伤% √磁粉探伤%编制日期审核日期压力容器焊接工艺卡接头简图焊接工艺过程焊接工艺卡编号 21、容器施焊前的焊接工艺评定,应按4708进展。
2、清理:对坡口及其周围进展严格的清理打磨,除油除锈至见金属光泽。
方法(mm) (A) 〔V〕(cm/min) (L/min)1 GMAW ER49-1Φ2.0 DCSP 260~300 28~30 25~35 CO2 18~20焊接位置平施焊技术焊接参数见上表预热温度(℃) 层间温度(℃) 后热焊后热处理(℃×h)检验要求√外观检查% √射线探伤% √超声波% √渗透探伤% √磁粉探伤%编制日期审核日期压力容器焊接工艺卡接头简图焊接工艺过程1、容器施焊前的焊接工艺评定,应按4708进展。
焊接工艺一线人员必须对焊接原理,焊接过程,焊接方法,焊接质量的评定,及电子基础有一定的了解。
一、焊接原理:通过加热的烙铁将固态焊锡丝加热熔化,再借助于助焊剂的作用,使其流入被焊金属之间,待冷却后形成牢固可靠的焊接点。
当焊料为锡铅合金焊接面为铜时,焊料先对焊接表面产生润湿,伴随着润湿现象的发生,焊料逐渐向金属铜扩散,在焊料与金属铜的接触面形成附着层,使两则牢固的结合起来。
所以焊锡是通过润湿、扩散和冶金结合这三个物理,化学过程来完成的。
1.润湿:润湿过程是指已经熔化了的焊料借助毛细管力沿着母材金属表面细微的凹凸和结晶的间隙向四周漫流,从而在被焊母材表面形成附着层,使焊料与母材金属的原子相互接近,达到原子引力起作用的距离。
引起润湿的环境条件:被焊母材的表面必须是清洁的,不能有氧化物或污染物。
2.扩散:伴随着润湿的进行,焊料与母材金属原子间的相互扩散现象开始发生。
通常原子在晶格点阵中处于热振动状态,一旦温度升高。
原子活动加剧,使熔化的焊料与母材中的原子相互越过接触面进入对方的晶格点阵,原子的移动速度与数量决定于加热的温度与时间。
3. 冶金结合:由于焊料与母材相互扩散,在2种金属之间形成了一个中间层---金属化合物,要获得良好的焊点,被焊母材与焊料之间必须形成金属化合物,从而使母材达到牢固的冶金结合状态。
二、助焊剂的作用助焊剂主要功能为:1.化学活性(Chemical Activity)要达到一个好的焊点,被焊物必须要有一个完全无氧化层的表面,但金属一旦曝露于空气中回生成氧化层,这种氧化层无法用传统溶剂清洗,此时必须依赖助焊剂与氧化层起化学作用,当助焊剂清除氧化层之后,干净的被焊物表面,才可与焊锡结合。
助焊剂与氧化物的化学放映有几种:1、相互化学作用形成第三种物质;2、氧化物直接被助焊剂剥离;3、上述两种反应并存。
松香助焊剂去除氧化层,即是第一种反应,松香主要成份为松香酸和异构双萜酸,当助焊剂加热后与氧化铜反应,形成铜松香,是呈绿色透明状物质,易溶入未反应的松香内与松香一起被清除,即使有残留,也不会腐蚀金属表面。
#### 一、课程基本信息课程名称:焊接工艺授课对象:中专焊接专业学生授课学时: 2学时教学目标:1. 知识目标:- 掌握焊接工艺的基本概念、分类及特点。
- 了解焊接设备、焊接材料、焊接方法及其应用。
- 熟悉焊接工艺参数对焊接质量的影响。
2. 能力目标:- 能够根据焊接要求选择合适的焊接方法。
- 能够合理设置焊接工艺参数。
- 能够进行焊接操作,确保焊接质量。
3. 素质目标:- 培养学生的团队协作能力。
- 增强学生的安全意识。
- 培养学生的创新意识和实践能力。
#### 二、教学内容1. 焊接工艺概述- 焊接工艺的定义及分类- 焊接方法及其特点- 焊接设备、焊接材料2. 焊接工艺参数- 焊接电流、电压、焊接速度、焊接温度- 焊接工艺参数对焊接质量的影响3. 焊接操作- 焊接姿势与操作方法- 焊接缺陷及预防措施- 焊接质量检验#### 三、教学过程1. 导入新课- 通过提问或展示焊接实物,激发学生的学习兴趣。
- 简要介绍本节课的学习目标和主要内容。
2. 讲授新课- 讲解焊接工艺概述,使学生了解焊接的基本概念和分类。
- 介绍焊接方法及其特点,使学生掌握不同焊接方法的应用。
- 讲解焊接工艺参数,使学生了解焊接工艺参数对焊接质量的影响。
3. 示范操作- 教师现场演示焊接操作,让学生直观了解焊接过程。
- 强调焊接姿势、操作方法及安全注意事项。
4. 学生练习- 学生分组进行焊接操作练习,教师巡回指导。
- 学生在练习过程中,发现问题及时反馈,教师及时纠正。
5. 总结与评价- 教师对本节课的学习内容进行总结,强调重点和难点。
- 对学生的表现进行评价,提出改进意见。
#### 四、教学评价1. 评价方式:- 学生课堂表现(包括出勤、课堂参与度等)- 学生焊接操作技能- 学生对焊接工艺知识的掌握程度2. 评价标准:- 出勤率:90%以上- 课堂参与度:积极回答问题,认真听讲- 焊接操作技能:焊接质量合格,操作规范- 焊接工艺知识:掌握焊接基本概念、分类、方法及参数#### 五、教学资源1. 教学课件:- 焊接工艺概述- 焊接方法及特点- 焊接工艺参数- 焊接操作及安全注意事项2. 实物展示:- 焊接设备、焊接材料、焊接缺陷样品3. 实践操作:- 焊接实训室、焊接设备、焊接材料。
高校焊接实训工序卡模板焊工实训内容包括:熟悉焊接方法的种类,熟悉钢材、铸铁、铝及铝合金、铜及铜合金等金属材料的焊接方法;熟悉焊接的有关设备,熟悉焊接材料及选用;初步掌握手工电弧焊、气焊、钎焊等焊接方法;初步掌握气焊、手工钎焊工艺设计、焊接结构工艺设计;等等。
一、实训内容:仓库货架制作(规格:2.00m*1.65m*0.50m,数量:10个)二、教学实验目的:1、熟悉焊接方法的种类,熟悉钢材、铸铁、铝及铝合金、铜及铜合金等金属材料的焊接方法。
2、熟识冲压的有关设备,熟识冲压材料及采用。
3、初步掌握手工电弧焊、气焊、钎焊等焊接方法。
4、初步掌控气焊、手工钎焊工艺设计、冲压结构工艺设计。
三、实训工具:5m钢卷尺1把,刚角尺、鳄鱼钳2把、电焊面罩、护腿、电焊手套。
四、教学实验设备:9kva交流电焊机(包含电焊钳、电缆线)。
五、实训辅料:石笔、ф2.5电焊条。
六、教学实验步骤:1、看实习图纸(见附图)。
计算角铁45条2、根据图纸,用切割机将角钢切开所须要尺寸。
研磨时特别注意:①角铁标准长度为6m,这时将一条角铁均分为3段,1.99m/段;货架焊成后加上角铁厚度刚好长2m,如果下料时2m/段,剩下的第3段就不足2m,造成材料浪费,产品不符要求;10个货架,需1.99m/段角铁共80段,一共角铁27条,余2m,可均分为4段为货架宽度所需;②之下1.65m料时,将一条角铁均分成3段,1.65m/段,剩1m刚好分后2段,0.5m/段,为货架宽度所须要;10个货架,须要1.65m/段角铁共40段,一共角铁14条,其中13条余1m,零测分成2段为货架宽度所须要;另1条余4.35m,零测分成8段为货架宽度所须要;③10个货架,需0.50m/段角铁共80段,综合①、②共有8 26 4=38段,还需0.50m/段材料42段,即需整条角铁4条,其中3条每条均分为12段,0.49m/段,另一条分6段后余3m;④将0.50m/段和0.49m/段角铁特别注意分离放置,0.49m/段用作货架中层,不影响货架尺寸。