焊接工艺卡标准 模板
- 格式:xls
- 大小:90.00 KB
- 文档页数:12
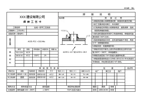
焊接工艺卡
NFHG-HJ-AE-0001单位名称:使用工程名称:
焊接部位:底板焊接方法:手工焊
焊接简图:坡口型式:V型
母材:PVC板
焊接标准:HG/T4281-2011
工件厚度:30mm
焊接准备:
1.刨出焊口
2.清理焊口与焊条焊材:PVC焊条
1.单丝PVC焊条:规格φ2mm
2.双丝PVC焊条:规格φ2.8mm
焊接:
焊接温度200-240℃,气流压力0.8-1.0kg/cm2,焊枪与焊缝所成角度以30-45°为宜,焊条应尽量垂直于焊缝表面。
焊接速度0.1-0.25m/min,必须达到焊缝处有浆状物挤出为止。
施焊第一根焊条必须用单焊条,然后使用双焊条焊接。
焊接检查:
☐焊接表面平整☐无波纹形成及焊条吹现象☐焊缝截面无空洞☐无过焊(烧焦)现象☐其他:
检查人员(签字):检查时间:
焊接工艺卡焊接简图:。
卡号: 版次:执行标准:DL/T869-2012角焊缝尺寸(mm ):后热:焊道焊接方法填充材料尺寸(mm)电流(A)电压(V)电流极性焊剂/气体送丝速度范围焊接速度(mm/min)典型熔敷顺序1GTAW 2.5126-13512~14直流正接氩气不适用25~282SMAW 3.2100~14020~25直流反接不适用不适用70~1503SMAW 3.2100~14020~25直流反接不适用不适用80~220≥4SMAW4.0120~16020~25直流反接不适用不适用80~220焊道焊接方法填充材料尺寸(mm)电流(A)电压(V)电流极性焊剂/气体送丝速度范围焊接速度(mm/min)典型熔敷顺序单位公章:发布日期C 版施焊注意事项: 1、焊条摆动幅度,最宽不得超过焊条直径的4倍;2、焊接中应将每层焊道接头错开10~15mm,3、应注意熔池和收尾接头质量,避免出现弧坑裂纹。
焊后热处理-方法/控制/温度: 焊后热处理采用高温回火600~620℃,升降温速度应控制在120℃/H 以内,恒温时间2小时.。
备注:焊接规范参数(适合位置:所有位置)焊前准备、清理和检查:除去坡口及边缘15~20mm 范围内所有的锈、污垢、油等;检查对口尺寸情况。
层间温度:。
200~400℃批准版次审核焊接工艺卡Welding Procedure Specification焊接方法:焊接位置:厚度(mm):外径(mm):适用项目:支持的焊接工艺评定报告:WS/DS1G、2G、2F、4F、5G、5F 50325焊接材料/焊剂-成分/标准/型号: TIG-J50,J507B 版坡口形式:双V、U或角焊缝20MnMo/20MnMo根部细节(背面打磨,背面垫板等): 无应用范围: 焊工技术培训考核、加工制造及工程安装焊接焊接规范参数(适合位置:)焊枪保护气体成 分: Ar气,纯度≥99.95%钨极直径/型号: φ2.5 铈钨棒背面气体成 分:流 速:预热-温度、方法、控制:GTAW:100~150℃;SMAW:150~200。
23ZL101铸铝厚度22mm厚度铝硅焊丝规格φ1.2mm 规格1 MIG SAL4043Φ1.2mm 180A-200A 16-2716-20φ16mm99.99℅序号第五周签字/日期123456注:焊接参数必须有调机员负责;每周不低于一次点检。
焊接参数是否正常锁定焊机水箱水位是否充分机器人是否按程序运转交流第一周18L/min第二周第三周 机器人内部参数是否锁定焊机水泵运转是否正常电流种类/极性焊接电流(A)电弧电压(V)焊接速度(cm/min)焊接方法焊接参数日常点检表 年 月气 体 保 护 焊喷嘴直径气体/纯度(%)气体流量(L/min)焊缝金属-1焊后热处理喷丸退火焊缝金属-2焊 接 位 置V 型焊缝焊 接 顺 序焊接工艺卡编号JJESH /QP- S04-WI- A- 001壳体焊接机器人设备编号 SHEQ-KM-052接头名称对接接头母材-1预热温度(℃)保养内容焊枪固定焊件旋转焊接。
接头编号适用环焊缝360°旋转焊接焊后检验持证项目第四周180°-200°母材-2预热时间 2小时 氩气流量是否正常1焊接前将焊接区域及周围20mm范围内的油污,锈蚀、水及其它有害杂质清理干净。
氩气焊道焊材规格焊接证书23ZL101铸铝厚度22mm厚度铝硅焊丝规格φ1.2mm 规格1 MIG SAL4043Φ1.2mm 180A-200A 16-2716-20φ16mm99.99℅序号第五周签字/日期123456焊机水泵运转是否正常氩气流量是否正常注:焊接参数必须有调机员负责;每周不低于一次点检。
焊 接 位 置角型焊缝交流18L/min第一周焊后检验持证项目焊接证书预热温度(℃)180°-200°机器人内部参数是否锁定 焊机水箱水位是否充分 机器人是否按程序运转 焊接参数日常点检表 年 月保养内容第二周第三周第四周焊接参数是否正常锁定 焊接电流(A)电弧电压(V)焊接速度(cm/min)气 体 保 护 焊喷嘴直径气体/纯度(%)气体流量(L/min)氩气焊缝金属-2焊道焊接方法焊材规格电流种类/极性母材-1母材-2焊缝金属-1预热时间 2小时 焊后热处理喷丸退火接头名称对接接头焊枪固定焊件旋转焊接。
共1页
焊接工艺指导书工程
名称
良村#1机C修
第1页检修
部位材质304不锈钢规格δ=6mm 热处理状态/
焊接材料
牌号直径(mm)烘干温度(℃)保温时间(h)备注A132 3.2 150 1
ER308L 2.0 150 1
保护气体种类纯度流量(L/min) 备注氩气99.9% 8--12
钨极类型WCe-20 钨极直径(mm) 2.0
焊前预热预热温度(℃)保温方法焊后
热处理
加热温度(℃)时间////
坡口尺寸图
焊接程序图
焊接条件道数焊接方法焊材牌号
保护气体
或焊剂
Φ
mm
电压电流电源极性
1 钨极氩弧焊ER308L 氩气 2.0 12V 90A 直流正接
2 焊条电弧焊A132 / 3.2 20V 100A 直流反接
3 焊条电弧焊A132 / 3.2 24V 110A 直流反接
焊缝检测要求
外观检查射线探伤
无表面敢接缺陷;圆滑过渡母
材
检测部位合格标准
100%JB4730-94
编制审核批准。
共1页
焊接工艺指导书工程
名称
良村#1机C修
第1页检修
部位材质20G(Q245)规格δ=6mm 热处理状态/
焊接材料
牌号直径(mm)烘干温度(℃)保温时间(h)备注J427 3.2 350 1
ER50-6 2.0 //
保护气体种类纯度流量(L/min) 备注氩气99.9% 8--12
钨极类型WCe-20 钨极直径(mm) 2.0
焊前预热预热温度(℃)保温方法焊后
热处理
加热温度(℃)时间////
坡口尺寸图
焊接程序图
焊接条件道数焊接方法焊材牌号
保护气体
或焊剂
Φ
mm
电压电流电源极性
1 钨极氩弧焊ER50-6 氩气 2.022V 110A 直流正接
2 焊条电弧焊J427/ 3.222V 110A 直流反接
3 焊条电弧焊J427/ 3.224V 120A 直流反接
焊缝检测要求
外观检查射线探伤
无表面敢接缺陷;圆滑过渡母
材
检测部位合格标准
100%JB4730-94
编制审核批准。