网络计划图讲解版
- 格式:ppt
- 大小:1.18 MB
- 文档页数:43
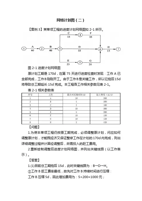
网络计划图(二)【案例3】某单项工程的进度计划网络图如2-1所示。
图2-1进度计划网络图原计划工期是170d,在第75天进行进度检查时发现:工作A已全部完成,工作B刚刚开工。
由于工作B是关键工作,所以它拖后15d 将导致总工期延长15d完成。
本工程各工作相关参数见表2-1。
表2-1相关参数表【问题】1.为使本单项工程仍按原工期完成,必须调整原计划,问应如何调整原计划,才能既经济又保证整修工作在计划的170d内完成,列出详细调整过程并计算经调整后,所需投入的赶工费用。
2.重新绘制调整后进度计划网络图,并列出关键线路(以工作表示)。
【答案】1.(1)目前总工期拖后15d,此时关键线路为:B→D→H。
①工作B赶工费率最低,故先对工作B持续时间进行压缩:工作B压缩5d,因此增加费用为:5×200=1000元;总工期为:185-5=180d;关键线路为:B→D→H。
②剩余关键工作中,工作D赶工费率最低,故应对工作D持续时间进行压缩。
工作D压缩的同时,应考虑与之平等的各线路,以各线路工作正常进展均不影响总工期为限。
工作D只能压缩5d,因此增加费用为:5×300=1500元;总工期为:180-5=175d;关键线路:B→D→H和B→C→F→H。
③剩余关键工作中,存在三种压缩方式:同时压缩工作C、工作D;同时压缩工作F、工作D;压缩工作H。
同时压缩工作C和工作D的赶工费率最低,故应对工作C和工作D同时进行压缩。
工作C最大可压缩天数为3d,故本次调整只能压缩3d,因此增加费用为:3×100+3×300=1200元;总工期为:175-3=172d;关键线路:B→D→H和B→C→F→H两条。
④剩下关键工作中,压缩工作H赶工费率最低,故应对工作H进行压缩。
工作H压缩2d,因此增加费用为:2×420=840元;总工期为:172-2=170d。
通过以上工期调整,工作仍能按原计划的170d完成。
双代号网络计划图讲解:代号讲解计划网络双代号网络计划图es 双代号网络计划图计算双代号网络计划计算篇一:双代号网络图解析实例一、双代号网络图6个时间参数的计算方法(图上计算法)从左向右累加,多个紧前取大,计算最早开始结束;从右到左累减,多个紧后取小,计算最迟结束开始。
紧后左上-自己右下=自由时差。
上方之差或下方之差是总时差。
计算某工作总时差的简单方法:①找出关键线路,计算总工期;②找出经过该工作的所有线路,求出最长的时间③该工作总时差=总工期-②二、双代号时标网络图双代号时标网络计划是以时间坐标为尺度编制的网络计划,以实箭线表示工作,以虚箭线表示虚工作,以波形线表示工作的自由时差。
双代号时标网络图1、关键线路在时标双代号网络图上逆方向看,没有出现波形线的线路为关键线路(包括虚工作)。
如图中①→②→⑥→⑧2、时差计算1)自由时差双代号时标网络图自由时差的计算很简单,就是该工作箭线上波形线的长度。
如A工作的FF=0,B工作的FF=1但是有一种特殊情况,很容易忽略。
如上图,E工作的箭线上没有波形线,但是E工作与其紧后工作之间都有时间间隔,此时E工作的自由时差=E与其紧后工作时间间隔的最小值,即E的自由时差为1。
2)总时差。
总时差的简单计算方法:计算哪个工作的总时差,就以哪个工作为起点工作(一定要注意,即不是从头算,也不是从该工作的紧后算,而是从该工作开始算),寻找通过该工作的所有线路,然后计算各条线路的波形线的长度和,该工作的总时差=波形线长度和的最小值。
还是以上面的网络图为例,计算E工作的总时差:以E工作为起点工作,通过E工作的线路有EH和EJ,两条线路的波形线的和都是2,所以此时E的总时差就是2。
再比如,计算C工作的总时差:通过C工作的线路有三条,CEH,波形线的和为4;CEJ,波形线的和为4;CGJ,波形线的和为1,那么C的总时差就是1。
篇二:双代号网络计划图个人学习总结双代号网络计划图个人学习总结一.网络图要素1.节点:表示工作的开始、结束或连接关系,也称为事件。
双代号网络计划图绘制方法讲义简介双代号网络计划图是一种用于计划和控制项目进度的工具。
该方法可以帮助项目经理通过对任务时间、资源和依赖关系进行规划和排列,以便更好地管理项目进度。
本文将介绍双代号网络计划图的绘制方法。
双代号网络计划图的概念双代号网络计划图是一种用于描述项目进度计划的图表,其中每个任务都用一个带代号的框表示。
任务之间的依赖关系用箭头连接。
双代号网络计划图通常包括以下几个组成部分:•节点:代表项目的任务或活动,并在节点内部标明任务名称和执行时间。
•连线:箭头表示任务之间的依赖关系。
•关键路径:在图表中标记出的最长任务序列,又称为关键链路,决定了整个项目的总工期。
•箭头时间:箭头的长度表示任务之间的延迟时间。
通过这些组成部分,双代号网络计划图帮助项目经理了解项目的进度和工期,并对进度进行管理。
绘制双代号网络计划图的方法1.确定项目任务首先,确定项目中涉及的所有任务。
这些任务可以包括工作分解结构(WBS)中的所有活动和子任务。
每个任务都需要有唯一的标识符。
2.确定任务依赖关系每个任务都需要明确其他任务之间的依赖关系。
任务之间可能存在以下几种关系:•开始-结束(SE):任务B不能开始,直到任务A结束。
•开始-开始(SS):任务B不能开始,直到任务A开始。
•结束-结束(EE):任务B不能结束,直到任务A结束。
•结束-开始(ES):任务B不能开始,直到任务A结束。
确定任务之间的依赖关系有助于在双代号网络计划图中正确显示顺序性。
3.确定任务时间和持续时间对于每个任务,需要确定开始时间和持续时间。
开始时间指任务开始的时间点,持续时间指任务需要完成的时间数量。
任务持续时间也可以表示为工作量。
4.绘制双代号网络计划图绘制双代号网络计划图需要按照以下步骤进行。
•确定起点:选择一个节点作为项目的起点,并在其左侧标明项目的名称或标识符。
•绘制节点:在计划图中画出所有任务,每个任务用一个节点表示,节点编号也是任务的唯一标识符。