2.4极坐标法测设线路中线圆曲线
- 格式:ppt
- 大小:3.31 MB
- 文档页数:20
工程测量习题库与参考答案一、单选题(共62题,每题1分,共62分)1.角度交会法放样是根据测设( )所定的方向交会出点的平面位置的一种方法。
A、位置B、角度C、高程D、距离正确答案:B2.隧道开挖后应及时进行()测量,根据测量数据修正开挖参数,控制超欠挖。
A、控制B、断面C、高程D、中线正确答案:B3.利用全站仪采用统一坐标法放样线路中线,最少需要()个导线点。
?A、4B、3C、1D、2正确答案:D4.全站仪坐标放样法的实质是根据一个角度和( )测设点的平面位置的一种方法。
A、两段距离B、另一个角度C、高程D、一段距离正确答案:D5.当施工建(构)筑物的轴线平行又靠近建筑基线或建筑方格网边线时,常采用( )测设点位。
A、角度交会法B、极坐标法C、直角坐标法D、距离交会法正确答案:C6.当待测设点至控制点的距离不超过一尺段的长度且便于量距,测设精度要求不高时,宜采用( )。
A、极坐标法B、直角坐标法C、角度交会法D、距离交会法正确答案:D7.关于建筑基线布设的要求的说法,错误的是( )。
A、基线应平行或垂直于主要建筑物的轴线B、基线点应相互通视,且不易被破坏C、基线的测设精度应满足施工放样的要求D、基线点应不少于两个,以便检测点位有无变动正确答案:D8.线路中线ZY里程计算方法是:A、QZ里程减1/2切线长B、QZ里程减切线长C、交点里程减切线长D、交点里程减1/2切线长正确答案:D9.对于建筑场地小于1平方公里的工程项目或一般性建筑区,可建立( )精度的场区平面控制网。
A、二级B、三级C、四等D、一级正确答案:A10.下列选项中,不属于施工测量内容的是( )。
A、建筑物定位和基础放线B、建立施工控制网C、竣工图的编绘D、建筑物的测绘正确答案:D11.建筑基线一般临近建筑场地中主要建筑物布置,并与其主要轴线平行,以便用( )进行建筑细部放样。
A、角度交会法B、直角坐标法C、极坐标法D、距离交会法正确答案:B12.线路中线缓和曲线与直线的连接点称为:A、缓直点B、曲中点C、圆缓点D、缓圆点正确答案:A13.线路纵断面测量的任务是基平测量和(),并绘制纵断面图A、距离测量B、中平测量C、高程测量D、导线测量正确答案:B14.利用GNSS采用统一坐标法放样线路中线,最少需要()个导线点完成坐标转换。
工程测量模拟考试题含答案一、单选题(共40题,每题1分,共40分)1、线路中线曲中点记作()。
A、ZHB、QZC、HYD、YH正确答案:B2、距离交会法放样是根据放样的( )交会出点的平面位置的一种方法。
A、距离B、坐标C、角度D、高程正确答案:A3、轨道隧道洞内临时水准点的布设间距宜为()米。
A、100B、10C、30D、50正确答案:A4、道岔号是辙叉角的余切,一般采用下列两种方法测定:( )A、步量法B、丈量法C、目测法D、A+B正确答案:D5、中桩高程测量的过程,直线段水准尺竖立位置为()桩位。
A、左轨道轨顶B、右轨道轨顶C、中桩道渣D、道钉正确答案:A6、测设线路中线,切线支距法又称为:A、极坐标法B、后方交会法C、直角坐标法D、角度交会法正确答案:C7、基础施工结束后,应检查基础面的标高是否符合设计要求,其允许误差为( )。
A、±15mmB、±20mmC、±5mmD、±10mm正确答案:D8、线路横断面测量的任务是( ).A、绘制路线纵横断面图B、测定中线各里程桩的地面高程C、测定中线各里程桩俩侧垂直于中线的地面高程D、根据纵坡设计计算设计高程正确答案:C9、若示误三角形边长在限差以内,则以( )为待测点的最终位置。
A、形心B、重心C、中心D、三角形角点正确答案:B10、站场地形的比例尺一般为( ),对于大型站场亦可按1︰1000测绘。
A、为1:200B、为1:500C、为1:600D、为1︰2000正确答案:D11、线路中线圆曲线与缓和曲线的连接点称为:A、交点B、曲中点C、直缓点D、圆缓点正确答案:D12、道路纵断面测量读数到mm的桩点为( )。
A、加桩B、木桩C、中间视桩D、里程桩正确答案:A13、路面纵断面图,用以表达路线中心纵向线型以及()和沿线设置构造物的概况。
A、沿线地面起伏状况B、全站仪法C、计算土石方的数量D、表达路线平面布置情况正确答案:A14、全站仪坐标放样法的实质是根据一个角度和一段距离测设点的( )的一种方法。
《极坐标法测设圆曲线》教学设计(教师用)授课教师课程名称道路线路施工测量项目2线路中线学习单元 任务2.2 极坐标法测设圆曲线学时 讲课4h,实作(课内6h,课外26h)学习目标通过案例教学使学生学会极坐标法测设圆曲线的程序、内容及实施;能利用现有的测量仪器设备组织实施极坐标法测设圆曲线主要内容描述 线路通常是由直线元、缓和曲线元、圆曲线元组成,本任务主要学习由直线和圆曲线组合的直线-圆曲线-直线的形式的曲线要素计算、主点里程推算、极坐标法测设圆曲线的原理及测设资料的计算。
教学参考资料①极坐标法测设圆曲线讲义②《工程测量概论》西安地图出版社 李孟山主编 ③《工程测量规范》④《铁路工程测量规范》 TB 10101-2009 J961-2009 中国铁道出版社出版教师具备的能力①能熟练操作经纬仪、全站仪;②能根据设计单位给定的直线、曲线转角表计算圆曲线段逐桩坐标③会利用CASIO-5800计算器、EXCEL 表、VB 编写圆曲线逐桩坐标程序; ④熟悉《铁路测量》规范。
项目保障条件1、 教学条件要求 ①多媒体教室;②极坐标法测设圆曲线PPT ③《新建铁路施工测量规范》④《**高速公路线路平面设计资料) 2、 实训条件①(ppm 22,2+''±)全站仪6台; ③2公里线路测量实训场;学习重点与难点 1.学习重点:①圆曲线测设点位坐标计算;②圆曲线测设方法;2.学习难点:①圆曲线测设点位坐标计算; 教学方法建议 引导文法、头脑风暴法、讨论法、任务驱动教学法教 师学 生教 学 实 施 建 议构思 (课内4h,课外6h)1. 结合班级学生学习状况,划分任务学习小组(建议6人一组),设组长一名;2. 首先结合石黄高速公路案例,给每个小组,下发极坐标法测设圆曲线任务(课外30m );3.结合本节任务给学生下发知识关键点,使学生通过网络、讲义、案例、讨论对关键知识点初步了解(课外1h );4.每个小组简要汇报对知识点了解情况1.组长召集小组成员,布置小组分工;2.课前以小组为单位,通过网络、讲义、《规范》、案例、思考、讨论、督促预习如下内容:①在地面上如何表示一个半径为500米的圆弧;②如何进行两个坐标系下坐标变换; ③求一个点的坐标需要已知哪些数据; ④如何计算圆心坐标;(课内:15m );5.结合小组汇报情况、结合施工企业线路极坐标法测设圆曲线作业方法,主要讲解如下知识点:①设计单位提供的直线、曲线转角表的意义(课内10m)②极坐标法测设圆曲线需要的已知条件(课内20m );③极坐标法测设圆曲线的要求;(课内10m )④虚拟导线计算圆曲线逐桩坐标; ⑤坐标变化法计算圆曲线逐桩坐标⑥结合案例给定直线、曲线转角表按照圆曲线测设要求计算逐桩坐标(课内15m,课外30m ); 6.学生思考、讨论提出极坐标法测设圆曲线的方法(40m)。
单位内部认证工程测量考试(试卷编号221)1.[单选题]视准轴是指( )的连线。
A)物镜光心与目镜光心B)目镜光心与十字丝中心C)物镜光心与十字丝中心交点答案:C解析:2.[单选题]方格点高程三权取决于它在计算中涉及的( )。
A)方格的土为量B)方格的数目C)方格的高差答案:B解析:3.[单选题]布设建筑方格网时,方格网的主轴线应布设在场区的( ),并与主要建筑物的基本轴线平行。
A)西南角B)东北角C)北部D)中部答案:D解析:4.[单选题]定向公差带可以综合控制被测要素的()。
A)形状和位置误差B)形状和定向误差C)定向和定位误差D)形状误差和跳动答案:B解析:5.[单选题]显示装置能有效辨别的最小示值差,其术语称为()。
A)灵敏度B)鉴别力C)分辨力D)死区答案:C6.[单选题]导线坐标增量闭合差调整的方法是( )。
A)将其反符号按角度大小分配B)将其反符号按边长成正比例分配C)将其反符号按角度数量分配D)将其反符号按边数分配答案:B解析:7.[单选题]转动目镜对光螺旋的目的是A)看清十字丝B)看清物像C)视准轴水平D)让十字丝横丝水平答案:A解析:8.[单选题]工件验收时的安全原则()。
A)越大越好B)越小越好C)任意确定D)遵守国标规定答案:D解析:9.[单选题]测量上,将地面点位分为平面位置和()。
A)空间位置B)铅垂位置C)高程位置D)水平位置答案:C解析:10.[单选题]建筑基线布设时,为了便于检查建筑基线点有无变动,基线点数不应少于( )个A)2B)3C)4D)5答案:B解析:B)90°C)0°D)360°答案:D解析:12.[单选题]水平角是测站至两目标间的( )。
A)夹角B)夹角投影到水平面上的角值C)角投影到椭球面上的角值D)夹角投影到大地水准面上的角值答案:B解析:13.[单选题]( )可以解释为“某量的误差大小与该量的比值,并换算成分子为1的分数”。
目录摘要 (ⅰ)Abstract (ⅱ)1 绪论 (3)2 线路测量的理论与方法 (5)2.1地形图上选线(踏勘) (5)2。
2测绘带状地形图(初测) (5)2.3设计路线中线(定线) (6)2。
3.1 纸上定线 (6)2.3。
2 现场定线 (7)2.4放线、中线测量、测纵断面图(定测) (7)2。
4。
1 放线 (7)2。
4.2 中线测量 (8)2。
4。
3 纵断面高程测量 (8)2.4。
4 横断面测量 (8)2。
4。
5 路基设计 (9)3 曲线测设 (9)3.1极坐标法 (10)3。
2坐标正算与坐标反算 (11)3。
2.1 坐标正算公式 (11)3.2.2 坐标反算公式 (12)3.3曲线的种类 (12)3.4圆曲线要素及应用公式 (12)3.4。
1 线上点线名称 (13)3。
4。
2 曲线的放样步骤 (13)3.4。
3 圆曲线要素计算 (14)3。
4。
4 圆曲线主点里程的计算 (14)3.4。
5 圆曲线主点的放样 (14)3.4。
6 圆曲线的详细放样 (14)3。
5有缓和曲线的圆曲线要素及其应用公式 (15)4 中线坐标的模型及理论 (18)4.1现在介绍缓和曲线部分的中线点放样方法 (18)4.2有缓和曲线的圆曲线上中线点的放样方法 (19)5 程序使用说明及实例 (20)5.1程序使用说明 (20)5.1。
1 程序设计窗体 (20)5.1.2 程序的使用说明 (20)5。
2计算实例 (21)5.2。
1 圆曲线的计算 (21)5。
2.2 带有缓和曲线的圆曲线 (22)5。
3程序代码 (22)参考文献 (40)极坐标法线路测设摘要由于受地形地物及社会经济发展的要求限制,线路总是不断从一个方向转到另一个方向,所以线路不可能是一条直线,而是由许多直线段和曲线段组合而成。
在直线段与曲线段之间用缓和曲线过渡。
曲线测设的方法有多种,常见的有偏角法及切线支距法.此外,还有弦线支距法、弦线偏角法、正矢法及割线法等,在测距技术与电子计算机广泛应用的情况下,以极坐标法,尤其是在电子速测仪配合下的极坐标法放样曲线更具其优越性。
技能认证工程测量考试(习题卷16)第1部分:单项选择题,共57题,每题只有一个正确答案,多选或少选均不得分。
1.[单选题]光学经纬仪的型号按精度可分为DJ07、DJ1、DJ2、DJ6,工程上常用的经纬仪是A)DJ07、DJ1B)DJ1、DJ2C)DJ1D)DJ2、DJ6答案:D解析:2.[单选题]定向公差带可以综合控制被测要素的()。
A)形状和位置误差B)形状和定向误差C)定向和定位误差D)形状误差和跳动答案:B解析:3.[单选题]若用( )根据极坐标法测设点的平面位置,则不需预先计算放样数据。
A)全站仪B)水准仪C)经纬仪D)测距仪答案:A解析:4.[单选题]在某城市数字城市化项目中,对该测绘项目的作业质量负直接责任的是( )。
A)测绘生产人员B)项目质量负责人C)监理单位D)验收单位答案:A解析:5.[单选题]在进行经纬仪水准管轴是否垂直于竖轴的检验时,应先粗略整平仪器,使水准管轴和任意两个脚螺旋平行,调整脚螺旋,使水准管气泡居中,转动照准部( ),若气泡仍居中,表示水准管轴垂直于竖轴A)0°B)90°C)180°D)270°答案:C解析:B)表面光洁度C)表面反射率D)没有要求答案:A解析:7.[单选题]要求在图上能表示出0.5m的精度,则所用的测图比例尺至少为( )A)1/500B)1/5000C)1/50000D)1/10000答案:B解析:8.[单选题]在1:2000地形图上,求得两点图上的长度为50cm,高程HA=418.3m,HB=416.3m,则BA直线的坡度( )。
A)-0.02B)0.02C)-2‰D)+2‰答案:D解析:9.[单选题]测绘科技档案包括内容有测绘管理档案、测绘生产技术档案、测绘科学研究档案、测绘教育档案、( )、测绘基建档案。
A)测绘内业资料档案B)测绘仪器设备档案C)测绘外业资料档案D)测绘计算资料档案答案:B解析:10.[单选题]有下列一组数据:1.835、1.824、1.826,欲取三位有效数字,结果正确的为 ( )。
10. 为了放样18m的一段水平距离,其两点高差为0.2m,所用尺子的尺长方程式为:L=30-0.005+1.20×10-5×30×(t-20℃),若放样时的温度为10℃,则放样时读数应为()。
A) 17.9874m B) 18.0063m C) 17.9937m D) 18.0126m4. 平面控制测量:在全测区范围内选点布网,测定控制点平面位置x、y的工作,称为平面控制测量。
5. 视距测量:是根据几何光学原理,利用望远镜视距丝(上、下丝)同时测定地形点距离和高差的一种方法。
3.布设测量控制网应遵循什么样的原则?为什么?答:应遵循的原则是:从整体到局部;由高级到低级。
原因是为了限制误差的传播范围,满足测图和放样的碎部测量的需要,使分区的测图能拼接成整体,使整体的工程能分区开展测量工作。
4.中线测量的任务是什么?其主要内容有哪些?答:中线测量就是把线路的中心(中线)标定在地面上,并测出其里程。
主要内容包括:测设中线各交点和转点、量距和钉桩、测量线路各转角,道路工程还需在线路转折处加测圆曲线。
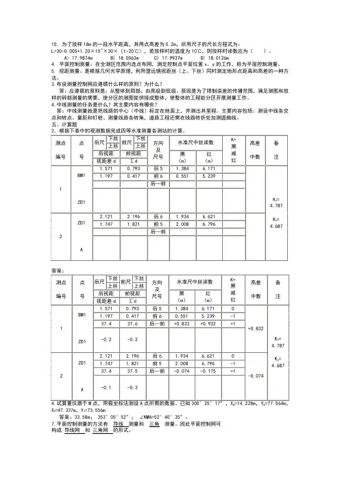
五、计算题2.根据下表中的观测数据完成四等水准测量各测站的计算。
测点编号点号后尺下丝前尺下丝方向及尺号水准尺中丝读数K+黑减红高差中数备注上丝上丝后视距前视距黑(m)红(m)视距差d ∑d1BM1ZD1 1.571 0.793 后5 1.384 6.171K5=4.787K6=4.687 1.197 0.417 前6 0.5515.239后—前2ZD1A 2.121 2.196 后6 1.934 6.621 1.747 1.821 前5 2.008 6.796后—前答案:测点编号点号后尺下丝前尺下丝方向及尺号水准尺中丝读数K+黑减红高差中数备注上丝上丝后视距前视距黑(m)红(m)视距差d ∑d1BM1ZD1 1.571 0.793 后5 1.384 6.171 0+0.832K5=4.787K6=4.687 1.197 0.417 前6 0.5515.239 -137.4 37.6 后—前+0.833 +0.932 +1-0.2 -0.22ZD1A 2.121 2.196 后6 1.934 6.621 0-0.074 1.747 1.821 前5 2.008 6.796 -137.4 37.5 后—前-0.074 -0.175 +1-0.1 -0.34.试算置仪器于M点,用极坐标法测设A点所需的数据。
技能认证工程测量考试(习题卷14)第1部分:单项选择题,共57题,每题只有一个正确答案,多选或少选均不得分。
1.[单选题]水平距离指( )。
A)地面两点的连线长度B)地面两点投影在同一水平面上的直线长度C)地面两点的投影在竖直面上的直线长度D)地面两点投影在任意平面上的直线长度答案:B解析:2.[单选题]导线的布设形式中有( )。
A)一级导线B)图根导线C)三角导线D)闭合导线答案:D解析:3.[单选题]键宽与轴槽宽及毂槽宽的配合种类包括()。
A)只有松联接B)只有紧联接C)只有一般联接D)较松联接、一般联接和较紧联接答案:D解析:4.[单选题]()不是长度测量技术基本测量原理。
A)阿贝原则B)最小变形原则C)最大变形原则D)统一原则答案:C解析:5.[单选题]若αAB=188°20′30″,则αBA=( )A)88°20′30″B)171°39′30″C)8°20′30″D)98°20′30″答案:C解析:6.[单选题]称量准确值为2.5kg和25kg的甲物和乙物的重量,所得的实际值分别为2.55kg和25.05kg,其误差均为C)甲、乙两物称得同样准确;D)无法比较甲、乙两物称量的准确度。
答案:B解析:7.[单选题]闭合导线点位布置,通过观测左夹角来完成导线测量,导线点的点号编号应( )。
A)顺时针进行B)逆时针进行C)交替进行D)与编号顺序无关答案:B解析:8.[单选题]水准测量时,为了消除i角误差对一测站高差值影响,可将水准仪置在( )处A)靠近前尺B)两尺中间C)靠近后尺D)无所谓答案:B解析:9.[单选题]线路中线曲线圆心向直线的延长线作垂线,圆曲线向垂线延长的交点与垂足的距离称为A)内移值B)切垂距C)曲线总长D)外矢距答案:A解析:10.[单选题]采用微倾式水准仪进行水准测量时,经过鉴定的仪器视准轴也会发生偏差,这是因为( )A)水准器气泡没有严格居中B)测量时受周围环境影响,仪器下沉等C)水准管轴和视准轴没有严格平行,会存在i角偏差D)操作不熟练,读数等发生偏差答案:C解析:11.[单选题]地面点沿铅垂线方向到任意水准面的距离称为( )。
导线极坐标法测设曲线方法研究及应用摘要:近年来,我国铁路建设事业发展迅速,这对施工测量有了更加严格的要求。
在以往的路线工程测量中我们常用的方法是全站仪极坐标法,本文论述了一种新的施工测量方法—导线极坐标法。
采用导线极坐标法(全站仪配合)设站一次可以进行整条曲线测设,计算简单、测设便捷。
理论和实践都证明导线极坐标法测设公路铁路工程较以往的方法更是灵活、简便、精度高,是一种值得推广应用的新方法。
本文根据全站仪的特点和导线极坐标法放样过程,利用极坐标放样的点位精度估算原理,对影响全站仪配合导线极坐标法放样公路中线精度的因素进行了分析,验证了该方法在施工测量中的优越性。
关键词:导线极坐标法;全站仪;放样;曲线测设Abstract: In recent years,the construction of railways grows in a rapid speed,and this call for more strict demand to the engineering suvey.The total station and the polar coordinate method is the common way in the railway engineering.This article introduces a new way named the traverse polar coordinate method,which is very convienent and not complicated using this method together with the total station.It shows practicely and theorically that it is of great flexibility and convinence,and has compotence for wide use.The design analyze the error that may emerge in the road engineering using this kind of way by analying the charactristics and the processes of setting out,and it indicates that it has a lot of merits.Key words;the polar coordinate way;the total station;lay out;set out the curve0 前言随着科学技术的发展和各种光进测量工具在测量中的应用,工程项目的可靠性、寿命和安全面临着更高的技术要求。
技能认证工程测量考试(习题卷29)第1部分:单项选择题,共57题,每题只有一个正确答案,多选或少选均不得分。
1.[单选题]测量误差分为系统误差与随机误差,系统误差是需(),要消除此类误差。
A)修正B)测量C)补偿D)剔除答案:A解析:2.[单选题]坐标方位角的角值范围为( )。
A)0°~270°B)-90°~90°C)0°~360°D)-180°~180°答案:C解析:3.[单选题]国标规定的工件验收原则是()。
A)可以误收B)不准误废C)允许误废不准误收D)随便验收答案:C解析:4.[单选题]直角坐标法测设设计平面点位,是根据已知点与设计点间的( )进行测设。
A)水平距离B)水平角度C)坐标增量D)直线方向答案:C解析:5.[单选题]GPS卫星定位系统属于( )。
A)中国B)俄罗斯C)欧盟D)美国答案:D解析:6.[单选题]在等精度观测中,计算观测值中误差的公式为 INCLUDEPICTURE "../" \* MERGEFORMAT,式中的[△△]表示( )。
A)最或是误差平方和B)真误差平方和C)真误差之和D)似真误差之和答案:B解析:7.[单选题]已知某地形图上AB线段长度为2.5厘米,其实地水平距离为125米,则该图的比例尺为( )。
A)1∶500B)1∶5000C)1∶200D)1∶2000答案:B解析:8.[单选题]使用函数型计算器进行坐标正算与反算时,当角度采用度分秒制,则角度表示模式应选择( )。
A)DEGB)RADC)GRADD)任意模式都可以答案:A解析:9.[单选题]在纵断面图中,为了明显地表示地面起伏变化情况,高程比例尺往往比平距比例尺大( )倍。
A)5~10B)10~20C)20~30D)30~40答案:B解析:10.[单选题]测量平面直角坐标系的X轴指向( )方向。
A)正南B)正北C)正东D)正西答案:B解析:11.[单选题]在测量学科中,水平角的角值范围是()。
技能认证工程测量考试(习题卷15)第1部分:单项选择题,共57题,每题只有一个正确答案,多选或少选均不得分。
1.[单选题]Cass9.1中画正多边形的命令是( )。
A)POLYGONB)ROTATEC)DIVIDED)SETPARA答案:A解析:2.[单选题]在评定直线度误差时,要求所得结果为最小时,则应该用()。
A)最小二乘法B)最小条件法C)两端连线法D)平均值法答案:B解析:3.[单选题]若A点的高程为85.76m,B点的高程为128.53m,设假定水准面高程为100m,并设为±0.00标高,则A、B点的标高为( )。
A)85.76m,128.53mB)14.24m,-28.53mC)-14.24m,28.53mD)-85.76m,-128.53m答案:C解析:4.[单选题]目前我国采用的统一测量高程基准和坐标系统分别是( )。
A)1956年黄海高程基准、1980西安坐标系B)1956年黄海高程基准、1954年北京坐标系C)1985国家高程基准、2000国家大地坐标系D)1985国家高程基准、WGS-84大地坐标系答案:C解析:5.[单选题]使水准仪的圆水准器的气泡居中,应旋转( )。
A)微动螺旋B)微倾螺旋C)脚螺旋D)对光螺旋答案:C解析:6.[单选题]测量的基本工作有三项,下面不是基本工作的是( )。
A)高程测量B)角度测量C)距离测量D)控制测量答案:D解析:7.[单选题]当全站仪竖轴与目标点在同一竖面时,不同高度的水平度盘读数( )。
A)相等B)不相等C)盘左相等,盘右不相等D)盘右相等 ,盘左不相等.答案:A解析:8.[单选题]偶然误差的特性有( )。
(1)在一定的观测条件下,误差的绝对值不会超过一定的界限。
(2)测量误差具有累积的特性。
(3)偶然误差的算术平均值的极限值趋近于零。
(4)测量误差具有不可预见性。
(5)绝对值相等的正负误差出现的概率相等。
(6)绝对值较小的误差比绝对值较大的误差出现概率大。
《极坐标法测设圆曲线》教学设计(教师用)
授课教师课程名称道路线路施工测量
学习单元
项目2线路中线
任务2.2 极坐标法测设圆曲线学时讲课4h,实作(课内6h,课外
26h)
学习目标
通过案例教学使学生学会极坐标法测设圆曲线的程序、内容及实施;能利用现有的测量仪器设备组织实施极坐标法测设圆曲线
主要内容描述
线路通常是由直线元、缓和曲线元、圆曲线元组成,本任务主要学习由直线和圆曲线组合的直线-圆曲线-直线的形式的曲线要素计算、主点里程推算、极坐标法测设圆曲线的原理及测设资料的计算。
教学参考资料①极坐标法测设圆曲线讲义
②《工程测量概论》西安地图出版社李孟山主编
③《工程测量规范》
④《铁路工程测量规范》TB 10101-2009 J961-2009 中国铁道出版社出版
教师具备的能力①能熟练操作经纬仪、全站仪;
②能根据设计单位给定的直线、曲线转角表计算圆曲线段逐桩坐标
③会利用CASIO-5800计算器、EXCEL表、VB编写圆曲线逐桩坐标程序;
④熟悉《铁路测量》规范。
项目保障条件1、教学条件要求
①多媒体教室;
②极坐标法测设圆曲线PPT
③《新建铁路施工测量规范》。
浅谈圆曲线测设方法前言:在各类线路工程弯道处施工,常常会遇到圆曲线的测设工作。
目前,圆曲线测设的方法已有多种,如偏角法、切线支距法、弦线支距法、坐标法等。
然而,在实际工作中测设方法的选用要视现场条件、测设数据求算的繁简、测设工作量的大小,以及测设时仪器和工具情况等因素而定。
另外,上述的几种测设方法,都是先根据辅点的桩号(里程)来计算测设数据,然后再到实地放样。
单圆曲线简称圆曲线,若按常规方法测设,通常分两步进行,即:圆曲线主点(起控制作用的点)的测设和曲线细部点的测设。
(一)圆曲线要素及计算见图9-10,圆曲线的半径R、偏角a切线长T、曲线长L、外矢距E、切曲差q,通称为圆曲线要素。
R、a是已知数据。
R是在线路设计中按线路等级及地形条件等因素选定的,a 是线路定测时测定的。
(二)圆曲线主点及主点里程的计算圆曲线的主点一般为:直圆点-ZY曲中点-QZ、圆直点-YZ各主点里程的计算:各主点里程依据交点(JD的里程计算。
设交点里程为JD DK则各主点的里程为:ZYDK = JDDK-TQZDK = ZKDK+LI2、YZDK二ZYDK+ £ 二JDDK + T-q险核)](9-6)(三)圆曲线主点的测设见图9-11,测设圆曲线各主点的步骤如下:1.在交点JD安置仪器,以线路方向(转点桩或交点桩)定向,即确定切线方向;2.从JD点起沿视线方向量分别取切线长T,确定ZY点和YZ点;3.后视YZ点,用正、倒分中法正拨(右偏)或反拨(左偏)90° ~a/(图中的B角)定出分中点视线方向;4.沿分中点视线方向量取外矢距E,确定QZ点。
图9-11圆曲线主点测设(四)圆曲线细部点的测设.偏角法偏角法实质是角度与距离交会的一种方法。
如图9-12所示。
(1)测设元素:给定的点间距I (以直代曲的长度)、曲线点的偏角3i。
Si(以度为单位)的计算公式如下::--■- - - A -匸丄■■-二(9-7)式中,li――i点至ZY点间的曲线弧长。