汽车悬架、转向与制动系统维修 (9)[18页]
- 格式:ppt
- 大小:1.15 MB
- 文档页数:18
项目三汽车行驶系统检修任务1 车架与车桥检修一、单项选择题1.下列选项中属于行驶系统的是(B)。
A.传动轴B.悬架C.半轴D.转向器2.载货汽车的前桥广泛采用的类型是(A)。
A.转向桥B.驱动桥C.转向驱动桥D.支持桥3.前置前驱轿车的后桥一般采用(A)。
A.支持桥B.驱动桥C.转向桥D.转向驱动桥二、填空题1.车桥位于悬架与车轮之间,其两端安装车轮,通过悬架与车架相连,其功用是传递车架与车轮之间的各种载荷。
2.整体式车桥的中部是刚性实心或空心梁,与非独立悬架配用;断开式车桥与独立悬架配用。
3.按车桥上车轮的作用不同,车桥分为转向桥、驱动桥、支持桥和转向驱动桥4种类型。
4.转向桥主要由前轴、转向节和主销组成。
5.汽车上采用的车架有边梁式车架、无梁式车架、中梁式车架和综合式车架4种类型。
三、判断题1.转向驱动桥结构中与转向轮相连的半轴分成内半轴和外半轴,其间用等角速万向节连接,同时主销制成两段(或用球头销代替)。
(√)2.车架是汽车的装配基体,并承受各种载荷。
(√)3.对转向节轴进行隐伤检验时,发现疲劳裂纹,只能更换,不能焊修。
(√)任务2 悬架的检修一、单项选择题1.关于汽车麦弗逊式悬架,下列说法错误的是(B)。
A.是独立悬架B.是非独立悬架C.采用断开式车桥D.是车轮沿主销轴线移动的悬架2.下列选项中,结构简单,制造成本低,在轿车前桥上广泛应用的悬架是(B)。
A.多连杆式悬架B.麦弗逊式悬架C.双叉臂式悬架D.拖曳臂式悬架3.双向作用筒式减振器(A)。
A.减振器伸张行程阻力大,压缩行程阻力小B.减振器伸张行程阻力小,压缩行程阻力大C.减振器伸张行程和压缩行程阻力相等D.以上均不对4.只能承受垂直载荷,需要装设导向机构传递垂直力和力矩的是(D)。
A.减振器B.钢板弹簧C.空气弹簧D.螺旋弹簧二、填空题1.悬架一般由弹性元件、减振器和导向机构等组成。
2.汽车悬架可分为独立悬架和非独立悬架两大类。
3.钢板弹簧的第一片称为主片,两端弯成卷耳,包在第一片卷耳的外面,称为吊耳。
项目一机械转向系统单元三转向系单元三转向系一、汽车转向系统的功用汽车转向系统的功用是按照驾驶人的意愿改变汽车的行驶方向和保持汽车稳定的直线行驶。
二、汽车转向系统的基本组成尽管汽车转向系统的结构形式复杂多样,但转向系统都是由操作机构、转向器和转向传动机构三个基本部分组成。
三、汽车转向系统的分类汽车转向系统按转向动力源的不同,分为机械转向系统和动力转向系统两大类。
机械转向系是以驾驶员的体力(手力)作为转向动力的转向系,其中所有传力部件都是机械的。
动力转向系是兼用驾驶员体力和发动机动力为转向动力的转向系。
它是在机械转向系的基础上加设一套转向动力装置,从而减少驾驶员的体力消耗,提高驾驶的舒适性。
一、汽车机械转向系统的组成机械转向系统由转向操纵机构、转向器和转向传动机构三大部分组成。
二、转向操纵机构1.转向操纵机构的功用和组成转向操纵机构是驾驶员操纵转向器的工作机构,主要由转向盘、转向轴、转向管柱、万向传动装置等组成图3-1-1 桑塔纳轿车转向操纵机构1-转向盘 2-转向柱管 3-上转向柱 4-下转向柱 5-转向器二、转向操纵机构2.转向操纵机构的分类为了保证驾驶员的安全,同时也为了更加舒适、可靠地操纵转向系,现代汽车(特别是轿车)通常在转向操纵机构上增设相应的安全、调节装置,这些装置主要反映在转向轴和转向柱管的结构上。
根据转向柱结构、形式和功用的不同,分为安全式转向柱、可调节式转向柱两种类型。
二、转向操纵机构2.转向操纵机构的分类(1)安全式转向柱安全式转向柱是在转向柱上设置能量吸收装置,当汽车紧急制动或发生撞车事故时,吸收冲击能量,减轻或防止冲击对驾驶员的伤害。
二、转向操纵机构2.转向操纵机构的分类(1)安全式转向柱二、转向操纵机构2.转向操纵机构的分类(2)可调节式转向柱驾驶员不同的驾驶姿势和身材对转向盘的最佳操纵位置有不同的要求。
为此,一些汽车装设了可调式转向柱,使驾驶员可以在一定的范围内调节转向盘的位置。
《汽车悬架转向制动系统检修》考核题一、单项选择题(每题2分,共52分,将答案填写在答题卡中):()1、电动力转向系统是用_____作辅助动力转向。
A、电动机B、电动机驱动油泵C、电磁阀控制油泵D、电控转向传感器控制油泵()2、按照_____来分,车辆悬架可分为被动悬架和主动悬架两大类。
A、是否可控B、结构C、功能D、形式()3、液压助力转向装置采用_________作为动力源。
A、发动机真空B、动力转向泵C、自动变速器油泵D、机械连接装置()4、车高控制系统的主要特点是。
A、装有空气或油气弹簧B、液压式高度调整机构可与普通弹簧并联使用C、有车身高度选择开关D、车载变化不影响悬挂的工作行程()5、下列各项均可能影响转向系统的性能,除了_________.A、后轮胎的故障B、前轮胎的负重C、前悬架的故障D、变速器的打滑()6、汽车左转弯时,左轮的偏转角度右轮的偏转角度。
A、大于B、小于C、等于D、不等于()7、侧倾刚度主动控制系统中通常采用一个______,它可安装在稳定杆中间,也可安装在稳定杆端部替代传统的横向稳定杆支杆。
A、扭转作动器B、扭矩作动器C、阻尼作动器D、刚度作动器()8、空气弹簧的刚度与气室的容积______。
A、没有关系B、成正比C、成反比D、成几何级比例()9、连续可调半主动悬架中的_______在一定的范围内可以连续变化。
A、刚度系数B、弹性系数C、工作行程D、阻尼系数()10、主动悬架的一个重要特点就是,它要求___所产生的力能够很好地跟踪任何力控制信号。
A、减振器B、减振弹簧C、电磁阀D、作动器()11、由于主销后倾角的作用,车轮偏转后有自动回正的能力,其与车速的关系是。
A、车速越高,稳定力矩就越大,车轮偏转后回正的能力也强B、车速越高,稳定力矩就越小,车轮偏转后回正的能力也弱C、与车速无关D、不确定()12、左右两前轮之间的距离前后端不相等,其____称为前束值。
A、和值B、差值C、积值D、商值()13、电子控制主动式空气悬挂系统的阻尼特性在行驶中可以自动转换,正确的叙述是A、正常行驶时为软特性B、只在制动、转弯时为硬特性C、正常行驶时为硬特性D、中、低速行驶时为软特性()14、在常用单位换算中,1英寸为毫米,1psi为千帕。
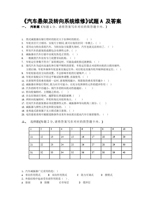
《汽车悬架及转向系统维修》试题A 及答案一、判断题(每题1分,请将答案写在对应的简答题卡内。
)1.筒式减震器压缩行程时的阻尼大于拉伸时的阻尼。
( )2.车轮直径尺寸相同,安装尺寸相同,就可以装用在同一车辆上。
( )3.采用动力转向系的汽车,当转向加力装置失效时,汽车也就无法转向了。
()4.所有汽车的悬架组成都包含有弹性元件。
( )5.减振器在汽车行驶中出现发热是正常的。
()6.一般载货汽车没有专门设置导向机构。
()7.车轮定位参数不符合厂家的规定时,可能造成轮胎过渡磨损.()8.现代汽车为适应高速化和行驶平顺性的需要,车轮定位除去对前转向轮的主销内倾外,主销后倾、车轮外倾和车轮前束实施定位外,对后轮也实施车轮外倾和前束定位。
()9.车轮轮胎花纹方向的设置,不会影响车轮的行驶噪声.( )10.车轮在装配后可不经过平衡试验和调整,直接使用.()11.在悬架所受的垂直载荷一定时,悬架刚度越小,则悬架的垂直变形越小()12.减振器在伸张行程时,阻力应尽可能小,以充分发挥弹性元件的缓冲作用()13.汽车的转弯半径越小,则汽车的转向机动性能越好。
()14.转向轮偏转时,主销随之转动。
( )15.在良好路面行使时,越野胎比普通胎耐磨.( )16.两转向轮偏转时,外轮转角比内轮转角大。
()17.任何汽车的悬架都必须设置弹性元件、减振器和导向机构三部分。
( )18.减振器与弹性元件是串联安装的。
()19.麦弗逊式悬架属于无主销式独立悬架。
( )20.电控悬架系统可根据道路条件改变车身高度以提高汽车行驶舒服性。
()二、选择题(每题2分,请将答案写在对应的简答题卡内。
)1、汽车减振器广泛采用的是( )A 单向作用筒式B 双向作用筒式C 阻力可调式D 摆臂式2、外胎结构中起承受负荷作用的是().A 胎面B 胎圈C帘布层 D 缓冲层3、某轮胎规格表示为185/70R13 86T,其中“R”表示()。
A.子午线轮胎B.负荷指数C.速度级别D.轮胎气压4、前轮定位中转向操纵轻便主要是靠()。
汽车悬架、转向与制动系统维修习题及答案课题一1.车轮有哪些作用?2.钢制轮毂有哪些优点和缺点?3.轮胎有哪些作用?4.减震器有哪些作用?5.独立悬架有哪些优点?6.电磁悬架有哪些优点?7.电子控制悬架系统的目的是什么?8.安装三角臂时要注意哪几个方面?9.减震器失效的原因什么?课题二1.汽车转向具有哪些优点?2.对转向系统有哪些要求?3.转向柱有哪几个特点?4.转向器的检修包括哪几个方面?5.助力转向系统有哪些作用?6.EPS洗系统由哪几部分组成?7.EPS助力转向分哪几类?8.电动助力转向系统有哪些特点?9.对转向传动机构的主要部件要做哪些检查?课题三1.制动系统按功用可以分哪几类?每一类的功用又是什么?2.制动系统的基本功能是什么?3.盘式制动器有哪些优点?4.鼓式制动器的缺点是什么?5.驻车制动器有那几种?6.双管路液压制动传动装置的主要部件有哪些?7.气压制动传动装置由哪几部分组成?8.气压制动传动装置的优点是什么?9.汽车制动的效果与稳定性可从哪几方面进行评价?10.四通道ABS有哪些特点?11.制动压力调节器有哪几种类型?12.制动辅助系统有哪几种类型?13.液压制动不量容易出现什么现象?14.液压制动失效的原因是什么?参考答案课题一1.承受全车质量并传递牵引力、制动力、驱动力矩、制动力矩;缓和、吸收由于路面不平所产生的冲击和振动;提高车轮与地面的附着性能。
2.钢质轮毂最主要的优点就是制造工艺简单,成本相对较低,而且抗金属疲劳的能力很强,但钢质轮毂的缺点也相对比较突出就是外观丑陋,重量较大(相同的轮毂钢材质要比铝合金材质重很多),惯性阻力大,散热性也比较差,而且非常容易生锈。
3.(1)支持车辆的全部重量,承受汽车的负荷,并传递其他方向的力和力矩;(2)传送牵引和制动的扭力,保证车轮和路面之间有良好的附着性,以提高汽车的动力性、制动性和通过性;与汽车悬架共同缓和汽车行驶时所受到的冲击,并衰减由此而产生的振动;(3)防止汽车零部件受到剧烈震动和早期损坏,适应车辆的高速性能并降低行驶时的噪声,保证行驶的安全性、操纵稳定性、舒适性和节能经济性。
汽车运用与维修专业《汽车悬架、转向与制动系统维修》课程标准【课程名称】汽车悬架、转向与制动系统维修【适用专业】中等职业学校汽车运用与维修专业1.课程性质《汽车悬架、转向与制动系统维修》是中等职业学校汽车运用与维修专业的一门专业课程,使学生掌握汽车制动、悬架及转向系统维修必要的知识和基本技能,具有汽车底盘相应故障诊断与排除的能力,培养学生学习掌握相关专业知识的能力,培养学生科学、严谨的精神,为职业岗位提供高等技术应用型专门人才。
2.课程的设计思路该课程着眼于学生的终身学习与可持续性发展,关注学生素质,关注学生职业岗位能力的培养。
该课程是依据“汽车运输类专业工作任务与职业能力分析表”中的汽车运输类专业汽车制动、悬架及转向系统维修常识设置的。
其总体设计思路是,打破以知识传授为主要特征的传统学科课程模式,转变为以工作任务为中心组织课程内容,并让学生在完成具体项目的过程中学会完成相应工作任务,并构建相关理论知识,发展职业能力。
课程内容突出对学生职业能力的训练,理论知识的选取紧紧围绕工作任务的需要来进行,同时又充分考虑了中等职业教育对理论知识学习的需要,并融合了相关职业资格等级标准对知识、技能和态度的要求。
3.课程目标通过任务驱动型的项目教学活动,激发学生对本课程的学习兴趣。
掌握汽车制动、悬架及转向系统维修的内容,培养学生的创新精神、实践技能和创业能力,同时注重培养学生的认真负责的工作态度和一丝不苟的工作作风。
职业能力目标:1)掌握汽车汽车制动、悬架及转向系统作用、分类、结构和工作原理。
2)掌握汽车汽车制动、悬架及转向系统技术状况和故障的诊断与检修,能准确分析故障的原因。
3)掌握汽车汽车制动、悬架及转向系统各零部件常用的检修方法。
4)掌握汽车汽车制动、悬架及转向系统的故障诊断与排除方法。
5)了解常见汽车制动、悬架及转向系统诊断仪器和设备的使用方法。
4.课程内容和要求5.实施建议⑴教材编写1)以“工作任务”为主线设计教材,将本专业知识分解成若干任务进行学习。
汽车悬架系统常见故障诊断及排除方法摘要悬架是车架与车桥之间一切传力、连接装置的总称。
悬架系统发生故障时涉及转向系统、轮胎等多个系统。
在诊断时,要综合考虑这些因素。
关键词悬架故障排除方法悬架是车架与车桥之间一切传力、连接装置的总称。
悬架系统由弹性元件、导向机构以及减震器等组成。
如果悬架系统发生故障,会造成行驶跑偏、轮胎异常或严重磨损、轮胎摆振、摇振或颤动,汽车行驶时有噪音及汽车摆动或方向性差等。
下面就介绍悬架系统易出现的故障的检查及排除方法,供广大维修人员参考。
一、初步检查悬架系统发生故障时涉及转向系统、轮胎等多个系统。
在诊断悬架问题时,要综合考虑这些因素。
有一些故障,如轮胎磨损异常,有可能是因为驾驶员驾驶习惯不良造成的。
所以在维修之前必须先进行路试。
如果有条件,应该请客户一起路试,然后进行以下检查。
检查轮胎压力是否合适,磨损是否均匀。
如果压力不符合规定,应将轮胎充至合适的压力。
检查转向柱与转向机之间的连接是否过松或磨损,如果过松,紧固中间轴夹紧螺栓,必要时更换中间轴。
检查前后悬架系统、转向机和连杆等零件是否过松或损坏,如果过松,对前、后悬架系统、转向机装配架、连接法兰夹紧螺栓进行紧固,必要时可更换前后悬架系统、转向机以及中间轴。
检查轮胎圆度。
执行自由跳动测试,配装轮胎。
检查轮胎是否失衡,车轮是否有变形,车轮轴承是否有磨损或装配过松。
如果失衡,要平衡车轮,如果车轮变形,必须更换车轮,如果车辆轴承有磨损或装配过松,应更换车轮轴承。
检查动力转向泵蛇形皮带张紧度。
如果张紧度不符合要求,张紧动力转向泵蛇形皮带。
检查动力转向系统是否泄漏,检查动力转向泵液面。
如果发现有泄漏,应修理漏油位置,并执行动力转向机测试。
如果转向泵液面过低,应添加动力转向液。
二、车辆跑偏如果轿车跑偏,应进行如下检查:检查轮胎是否有不匹配或不均匀现象,如有,应更换轮胎。
检查弹簧是否下垂或折断现象,如有,应更换弹簧。
检查子午胎是否存在横向力,如存在,应检查车轮定位,并进行调换车轮,如果情况严重,应更换轮胎。
《汽车行驶转向制动系统检修》课程标准1 课程概述1.1 课程名称课程名称:《汽车行驶转向制动系统检修》1.2 学时与适用对象课程总计90学时,理论课时60。
实践课时1周30学时。
本标准适用于汽车检测与维修技术专业。
1.3 课程定位《汽车行驶转向制动系统检修》是汽车检测与维修技术专业针对汽车机电维修岗位能力进行培养的一门专业核心基础课程。
本课程构建于《机械制造基础》、《机械设计基础》《汽车发动机构造与维修》等课程的基础上,以培养学生职业能力为目标,以轿车结构与维修为主要内容,采用基于工作过程的课程方案设计,以行动导向组织教学过程,使学生能够对汽车行驶、转向和制动系统进行故障诊断,利用检测设备和维修工具对汽车行驶、转向和制动系统零部件检测与修复,同时注重培养学生的社会能力和方法能力。
本课程适用于汽车检测与维修技术专业三年制学生。
2 课程目标2.1 工作任务及职业能力通过本专业岗位需求分析,确定工作领域、工作任务和职业能力,详见表1。
表1工作任务与职业能力分析表工作工作任务职业能力学习项目领域汽车行驶转向制动系统检修车桥的检查与维护转向轮定位的检查与调整转向轮定位的检查与调整能力汽车行驶跑偏故障诊断与修复能力汽车行驶跑偏故障诊断与修复车轮和轮胎的检查与维护车轮动平衡的检查与修正车轮动平衡的检查与修正能力汽车轮胎异常磨损故障诊断与修复能力汽车轮胎异常磨损故障诊断与修复悬架装置的检查与维护电控悬架系统的故障诊断与修复电控悬架系统的故障诊断与修复能力汽车轮胎异常磨损故障诊断与修复能力汽车悬架装置故障诊断与修复机械转向系统的故障诊断与修复液压动力转向系统的故障诊断与修复电控转向系统的故障诊断与修复液压动力转向系统的故障诊断与修复能力电控转向系统的故障诊断与修复能力汽车转向沉重故障诊断与修复能力汽车转向沉重故障诊断与修复车轮制动器的拆装维护与检修液压制动系统的故障诊断与修复ABS/ASR系统的故障诊断与修复ABS/ASR系统的故障诊断与修复能力汽车制动失效或制动不良故障诊断与修复能力汽车制动失效或制动不良故障诊断与修复2.2 课程目标通过《汽车行驶转向制动系统检修》课程的学习,在教师指导下或借助维修手册等资料,制定汽车传动系统的维护、故障诊断和修理作业计划,在规定时间内完成上述计划并检查反馈。
《汽车悬挂、转向与制动系统维修》课程标准课程代码:2102054课程承担单位(部门):汽车专业部制定人:制定日期:2021年12月审核人:审核日期:2021年12月批准人:批准日期:2021年12月一、适用对象汽车运用与维修专业二年级学生二、适用专业汽车运用与维修专业三、课程性质《汽车悬挂、转向与制动系统维修》是汽车运用与维修专业的一门核心课程。
本课程是依据汽车运用与维修专业人才培养目标和汽车服务相关职业岗位(群)的能力要求而设置的,对本专业所面向的岗位群所需要的知识、技能、和素质目标的达成支撑作用。
前导课程有《汽车底盘构造与拆装》、《汽车维护一(汽车认识)》等,后续课程有《汽车发动机控制系统检修》、《汽车空调系统检修》。
四、课程目标通过汽车悬挂、转向与制动系统检修的学习,能完成悬架与转向系统的维护、车轮的检修与换位、机械转向系统的检查与维修、电控助力转向系统的检查与维修、悬架的检查与维修、四轮定位、制动系统维护、制动器的维护与修理、制动主缸的检查与修理、真空助力装置的检查与修理、驻车制动系统的检查与调整、防抱死制动系统的检测与维修、制动跑偏故障的诊断与排除等工作任务,并进一步使学生学握以下知识能力、专业技能和素养能力。
具体目标如下:总体目标:学生通过学习,能够对汽车悬挂、转向及制动系统的常见故障进行分析、诊断、排除,能规范的更换相关零部件。
1.知识目标:(1)学生能叙述汽车悬挂、转向与制动系统的常见故障。
(2)学生能描述汽车悬挂、转向与制动系统的故障对车辆的影响。
(3)学生能描述悬挂、转向与制动系统的故障诊断方法。
(4)学生能描述规范拆装、更换悬挂、转向与制动系统相关零部件的方法。
(5)学生能描述汽车四轮定位的定义2.技能目标:(1)能根据故障情况独立制定维修计划,并能选择正确检测设备和仪器对悬挂、转向与制动系统进行检测和维修。
(2)能对悬挂、转向与制动系统进行基本维护。
(3)能规范对车轮进行换位作业,并对车轮出现的故障进行检修。
《汽车底盘构造与维修》课程标准课程名称:汽车底盘构造与维修适用专业:汽车运用与维修专业1、前言1.1课程的性质1.2设计思路(1)以培养学生掌握汽车底盘系统在各种不同工况下的控制规律,熟练掌握汽车底盘系统零部件和总成的基本维修技能,基本掌握汽车底盘常见故障诊断的一般方法和技能能力为目标。
(2)通过校企合作,校内实训基地建设等多种途径,采取工学结合等形式,充分开发学习资源,给学生提供丰富的实践机会。
(3)该课程由离合器构造与维修、手动变速器构造与维修、万向传动装置构造与维修、驱动桥构造与维修、车桥构造与维修、车轮和轮胎构造与维修、悬架构造与维修、转向系统构造与维修、制动系统构造与维修、防抱死制动系统构造与维修构建而成。
(4)该门课程的总学时为100-110。
2、课程目标:通过汽车底盘构造与维修的学习,要求学生能够掌握了汽车底盘各总成、主要零部件的作用、分类、结构和工作原理;掌握汽车底盘技术状况和故障的诊断与维修,能准确分析故障原因的必备知识。
学会汽车底盘各零部件常用的检修方法;学会处理汽车底盘各系统的故障诊断与排除方法;学会使用4实施建议4.1教材编写1、本课程应依据本课程标准编写教材。
2、教材要充分体现项目课程设计思想,以传动轴制造项目为载体实施教学,通过录像、企业生产实例、课后拓展作业和情景模拟等多种手段,采用递进和流程相结合的方式来组织编写,使学生在各种活动中掌握工艺实施的基本职业能力。
3、教材应体现工学结合模式的教学,以企业生产任务作为课程项目任务,引入与完成项目所必须的理论知识,并在教材编排形式上注重能引导学生自主学习。
4、教材应图文并茂,表达必须精炼、准确、科学。
5、教材内容应体现先进性、通用性、实用性,应将本专业领域的发展趋势及职业活动中的新知识、新技术和新方法及时纳入其中,使教材更贴近本专业的发展和实际需要。
6、教材中的教学过程设计的内容要具体,并具有可操作性。
4.2教学建议1、应加强对学生实际职业能力的培养,强化案例教学或项目教学,注重以任务引领型案例或项目诱发学生兴趣,使学生在案例分析或项目活动中了解汽车维修过程。
完整版)《汽车底盘构造与维修》题库及答案1、底盘组成包括传动系统、行驶系统、转向系统和制动系。
2、万向传动装置由万向节、传动轴和中间支承组成。
3、制动系统的功用是使汽车减速、保证停放可靠和停止。
4、传动系统是指从发动机到驱动车轮之间所有动力传递装置的总称。
5、万向传动装置主要由万向节、传动轴和中间支承组成。
6、主减速器将动力传给差速器,并实现降速增矩、改变传动方向。
7、半轴将差速器的动力传给驱动车轮。
8、开车进出车间时要格外小心。
9、不要将压缩空气对着人或设备吹。
10、用举升机或千斤顶升起车辆时一定要按正确的规程操作。
11、传动系的组成:离合器、变速器、万向传动装置和驱动桥。
12、离合器由主动部分、从动部分、压紧装置、分离机构和操纵机构5部分组成。
13、膜片弹簧既起到压紧弹簧的作用又起到结合杠杆作用的作用。
14、变速器按照操作方式可以分为手动变速器和自动变速器。
15、一般手动变速器换挡内部是依靠齿轮传递动力。
16、离合机构包括分离杠杆、分离轴承、分离套筒、分离叉。
17、有级变速器采用齿轮传动,有几个可选的固定传动比。
18、小齿轮带动大齿轮转动,则输出轴从动齿轮的转速就降低。
19、一定安装有分动器的是越野车。
20、变速器主要由输入和输出两根轴组成。
21、传动系的组成:离合器、变速器、万向传动装置和驱动桥。
22、离合器由主动部分、从动部分、压紧装置、分离机构和操纵机构5部分组成。
23、膜片弹簧既起到压紧弹簧的作用又起到分离杠杆作用的作用。
24.变速器可以分为手动变速器和自动变速器两种操作方式。
25.手动变速器换挡内部是依靠齿轮传递动力。
26.离合机构包括分离杠杆、分离轴承、分离套筒和分离叉。
27.有级变速器采用齿轮传动,有几个可选的固定传动比。
28.当小齿轮带动大齿轮转动时,输出轴从动齿轮的转速就会降低。
29.越野车一定安装有分动器。
30.变速器主要由输入和输出两根轴组成。
31.汽车制动系统一般至少装用两套各自独立的系统。
任务工单1任务名称汽车转向、行驶与制动系统故障认识班级学号/姓名客户任务描述汽车行驶时,出现向右侧跑偏;转向沉重、轮胎磨损、制动不良故障,转向行驶制动故障认识任务目的认识汽车转向、行驶与制动系统的常见故障和故障部位,认识常见的诊断设备。
一、资讯1.汽车转向系统的常见故障有定位异常、转向沉重、转向不灵、助力故障。
2.汽车行驶系统的常见故障有车轮摆振、轮胎磨损、悬架异响、胎压异常。
3.汽车制动系统的常见故障有制动不良、制动拖滞、制动异响、驻车故障。
4.汽车转向行驶制动综合故障有汽车跑偏、汽车侧滑、汽车摆振、漏油。
5. 轿车机械转向系主要由转向操纵机构、转向器、转向传动机构组成;液压动力转向系则是增加了一套由转向油泵、转向控制阀、转向动力缸组成的转向助力装置。
汽车转向系的常见故障部位有:转向传动机构各球头铰接、转向拉杆、转向器、转向轮的轮毂轴承;前轮定位及四轮定位;转向助力油泵及驱动、控制阀、管道、调压阀、卸压阀、工作缸、活塞等6. 写出下图液压动力转向系组成的零件名称1转向盘2转向轴管3转向轴4油管5转向油泵6储油罐7球头销8横拉杆9转向器10转向控制阀11直拉杆12转向油缸7. 汽车行驶系主要由车架、车桥、车轮及悬架等组成;汽车行驶系的常见故障部位有:悬架系统中的弹簧、减震器、拉杆及胶套;车桥及车轮部位的轮胎、轮辋、轮毂、轮胎螺栓、轴承;车身车架机构中的变形、断裂;四轮定位参数不准等8. 液压制动系主要由制动主缸、制动轮缸、真空助力器、制动器及液压管路等组成;液压制动系的常见故障部位有:制动液面、制动总泵、助力器、制动分泵、制动管道及车轮制动器等9. 汽车故障是指汽车部分或完全丧失工作能力的现象。
绝大多数汽车故障都是因为汽车零件本身或零件之间配合状态发生了异常变化引起的。
10.汽车故障的变化规律可分为早期故障期、随机故障期、耗损故障期三个阶段。
11.汽车故障诊断是指在不解体(或仅拆下个别小零件)的情况下,确定汽车的技术状况,查明故障部位及故障原因的实用技术。