二级维护竣工检测记录单
- 格式:doc
- 大小:87.00 KB
- 文档页数:1
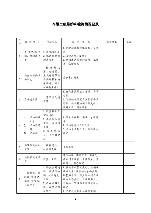
机动车维修进厂、过程及竣工检验记录单承修单位:承修单位电话:编号:托修单位牌照号码车型托修方电话进厂时间出厂时间里程表示值(万公里)报修项目进厂检验费用预算质检员:送车人:(材料、工时)功物有√无×工作正常√不正常×能品□贵重物品□工具□千斤顶□备胎□音响系统□点烟器□中央门锁(防盗器)确确□眼镜□灭火器□其他()□后视镜□天窗□四门玻璃升降认认旧件交还出户□是□否质检员:送车人:过程检验质检员:实修项目材料费元工时费元合计竣工出厂元合格证号出厂检总质检员:接车人:时间:验第一联:承修方存档车辆二级维护作业内容确认单维修单号:车牌号:车型:作业时间:年月日检查和作业后课在各项目相应内容上划“√ ”;良好□;调整合格○;更换新件△序号维护项目检查确认序号维护项目检查确认1更换润滑油□○△31前轮轴承松紧及制动间隙□○△2视情更换机油滤清器、空气滤清器□○△32后轴轮勃、半轴、制动蹄□○△3转向、变速等润滑油高度□○△33后轴制动底板、制动凸轮轴□○△4燃油箱及油管接头及密封□○△34后桥半轴套管、螺母及油封□○△5清洁燃油滤清器视情更换□○△35后轮制动内外轴承□○△6检查燃油泵,必要时更换□○△36后轮制动蹄及支承销□○△7燃油蒸发控制装置□○△37后轮制动蹄及复位弹簧□○△8曲轴箱通风装置□○△38后轮勃、制动鼓及轴承外圈□○△9散热器膨胀箱百叶窗水泵□○△39装复后轮勃及调整制动间隙□○△10传动皮带外观及松紧度□○△40检查转向器传动机构及密封□○△11进、排气歧管、消声器□○△41转向盘自由转动量□○△12气缸管、校紧器缸盖□○△42前束及转向量调整□○△13增压器、中冷器检查清洁□○△43变速器、差速器检查清洁□○△14发动机支架检查、紧固□○△44传动轴、支架及防尘罩□○△15化油器及联动机构□○△45传动轴万向节、半轴□○△16喷油器、喷油泵□○△46检查中间轴承间隙□○△17分电器、高压线□○△47制动踏板自由行程□○△18火花塞□○△48制动阀和管路接头□○△19气门间隙□○△49液压制动管路内是否有气□○△20电控燃油喷射系统供油□○△50驻车制动性能及自由行程□○△21三效催化装置□○△51悬架□○△22离合器□○△52轮胎□○△23前轮制动器调整臂□○△53发电机及调节器、起动机□○△24前轮毂、制动蹄、支承销□○△54蓄电池□○△25制动盘、制动凸轮轴及校紧□○△55灯光、仪表、喇叭、电路□○△26转向节、保险片、转向节臂□○△56车身、车架、安全带、雨刷□○△27前轮制动内外轴承□○△57内装饰□○△28制动蹄及支承销□○△58空调装置□○△29制动蹄复位弹簧□○△59清洗节气门、怠速电机□○△30前轮毂、制动鼓、轴承外圈□○△60检查车门门锁、循环水水位□○△建议作业人员:检验人员:客户签字:。
车辆二级维护前检测诊断记录车辆二级维护竣工检验记录送修单位:维修卡号:车牌号:厂牌车型:进厂日期:派工号:序号检测项目1 点火提前角2 分电器重叠角3 白金闭合角4 点火高压5 单缸转速降6 气缸压力7 起动电流8 起动电压9 无负荷测动10 进气歧管真管11 气缸漏气率12 曲轴箱窜气量13 发动机异响14 视情缸内窥视15 机油污染指数16 机油理化指标17 机油含铁量18 机油斑痕发动机部分仪器检测记录怠速:度中速:1200r/min 时:1200r/min 时:缸序 1 2 3 4 5kvr/minkpaIc 最大: A, Ic 初始Ic 结束: AEb 电瓶: V,Eb 初始:Eb 结束: V由怠速急加速到最大:怠速时:测量表气压值:2000r/min 时:度度度差6值,VkwkpaMpaL/min水份: %,闪点:℃,酸值增量: mg/g,运动粘度变化: %比色法判别含铁量: ppm斑良图谱比较确认检验员:序号123456789附加作业项目检查项目各部油、水、气密封曲轴窜动量、离合器转向系传动系车架、悬架行驶系车架、驾驶室、货厢仪表、信号视情路试底盘各部异响、转向性能、制动性能底盘及其它人工检查记录检验员:序号12345678910111213检验结论检验项目发动机动力性及异响离合器传动系转向系检验记录汽车外部、各总成外部、三滤应清洁无油污各总成外部螺栓、螺母按规定扭矩拧紧,各锁销、垫圈可靠(1) 发动机、变速器、转向器、后桥润滑油适量,各通气塞孔畅通(2) 各部润滑点油脂加注有效,油咀齐全、安装位置正确发动机功率大于额定值的 80%,运转平稳,加速圆滑无“回火放炮”现象,机油压力正常无异响(允许轻微气门脚响声)(1) 踏板自由行程符合原厂规定;(2) 离合器按合平稳,分离彻底,无打滑、振抖、异响现象变速器、差速器、传动轴各部无异响,变速操纵十字轴不松旷(1) 方向盘自由量左右各不得超过15°;(2) 转向机构操作轻便、无摆振;(3) 横、直拉杆球销不松旷、各部螺栓、螺母紧固,锁止可靠;(4) 前束符合原厂规定灯光、仪表、信号齐全、有效轮胎制动、滑行性能尾气排放密封其它轮胎气压符合规定(1) 整车制动性能符合《GB7258-87》第 4、16 条规定;(2) 手制动性能符合《GB7258-87》第 4、 18 条规定;(3) 轮毂不松旷,制动鼓不过热, 30km/ h 初速,滑行距离﹥200m含氧量: 5-8% (1500r/min)8-15%(500r/min)各部油、水、气密封良好,不漏电刮雨器工作有效,车门开闭灵活,锁止有效承修单位(盖章):A总检验员(签字):出厂日期:洁固滑技术要求清紧润。
汽车保养行业二级修理竣工检验单项目信息
检验日期: [检验日期]
汽车信息: [汽车品牌、型号、车牌号]
客户信息: [客户姓名、电话]
检验结果
1.外观检查
车身外观: (√表示合格,X表示不合格)
汽车外观整洁无瑕疵
车身涂装无划痕或掉漆
玻璃无裂纹或破损
灯光检查: (√表示合格,X表示不合格)
大灯、示宽灯、行车灯、刹车灯、倒车灯正常工作
远近光切换正常
车辆警示灯正常
2.功能检查
发动机系统: (√表示合格,X表示不合格)发动机怠速稳定
加速正常无异响
发动机无明显漏油
刹车系统: (√表示合格,X表示不合格)刹车踏板力度合适
刹车系统灵敏可靠
刹车片磨损状况良好
悬挂系统: (√表示合格,X表示不合格)车辆悬挂稳固正常
无异常响声或不稳定感
3.其他检查
内饰检查: (√表示合格,X表示不合格)
内部座椅整洁无损坏
布料及皮革配件完好无破损
空调系统正常工作
轮胎检查: (√表示合格,X表示不合格)
轮胎磨损均匀
轮胎胎纹深度合格
车轮平衡正常
检验结论
根据以上检验结果,本次修理竣工检验合格。
车辆经过维修后,外观和功能均正常,符合相关要求。
维修建议
根据实际情况,建议定期保养和维护车辆,确保车辆的正常运
行和使用寿命。
签名
检验员:________ 日期:________。
电动汽车电动系统专用装置二级维护竣工检验记录单检验单位:检验日期:车辆信息:车辆使用单位:车辆型号:车辆识别码:检验人员:一、综述:通过对电动汽车电动系统专用装置的二级维护竣工检验,按照相关的检验标准和要求,对车辆进行了全面细致的检验和评估,评估结果如下:二、检验项目及结果:1.车辆维修记录查验:检验结果:维修记录完整,无遗漏。
2.电动系统整体检查:a.电池组检查:检验结果:电池组外观完好,无渗漏现象。
b.电池连接器检查:检验结果:电池连接器接触良好,无松动。
c.电池状态检查:检验结果:电池状态正常,无异常。
d.电机检查:检验结果:电机运转良好,无异响。
e.控制器检查:检验结果:控制器运行正常,无异常。
f.主线束检查:检验结果:主线束完好,无磨损或破裂。
g.充电线束检查:检验结果:充电线束完好,无磨损或破裂。
h.充电接口检查:检验结果:充电接口无损坏,无异常。
3.车辆控制系统检查:a.刹车系统检查:检验结果:刹车系统正常,刹车灵敏可靠。
b.转向系统检查:检验结果:转向系统正常,转向灵活。
c.灯光系统检查:检验结果:灯光系统正常,灯光亮度适中。
d.仪表检查:检验结果:仪表完好,显示正常。
e.喇叭检查:检验结果:喇叭响亮,音质正常。
f.电子锁系统检查:检验结果:电子锁系统正常,无异常。
4.车身外观检查:检验结果:车身外观完好,无明显划痕或凹陷。
5.车辆电源系统检查:检验结果:电源系统正常运行,无异常。
6.省电装置检查:检验结果:省电装置正常运行,无异常。
7.导向辅助系统检查:检验结果:导向辅助系统正常运行,无异常。
三、维护建议及处理措施:经过此次维护检验,未检出车辆存在的问题或异常情况。
为确保电动汽车电动系统专用装置的长期安全运行,建议车辆使用单位定期进行一级维护,并遵守以下维护建议:1.定期检查电动汽车的电池组、电池连接器、电机、控制器、主线束、充电线束和充电接口的状态,及时清理污垢并保持良好的接触。