汽车二级维护竣工检验人工记录单
- 格式:doc
- 大小:16.52 KB
- 文档页数:2
№:0000000000存根托修方号牌号码厂牌型号发动机号车架号维修类别维修合同编号出厂里程表示值该车按维修合同维修,经检验合格,准予出厂。
质量检验员:(签字)承修单位:(盖章)进厂日期:年月日竣工日期:年月日托修方接车人:(签字)接车日期:年月日№:0000000000车属单位保管托修方号牌号码厂牌型号发动机号车架号维修类别维修合同编号出厂里程表示值该车按维修合同维修,经检验合格,准予出厂。
质量检验员:(签字)承修单位:(盖章)进厂日期:年月日竣工日期:年月日托修方接车人:(签字)接车日期:年月日№:0000000000质量保证卡该车按维修合同进行维修,本厂对维修竣工的车辆实行质量保证,质量保证期为车辆行驶()万公里或者()日。
在托修方严格执行走合期规定、合理使用、正常维护的情况下,出现的维修质量问题,凭此卡随竣工出厂合格证,由本厂负责包修,免返修材料费和工时费,在原维修类别期限内修竣交托修方。
返修情况记录返修次数第一次第二次返修日期返修项目送修人质检员竣工日期接车人接车日期维修发票号:《机动车维修管理规定》摘录(交通部令2005年第7号)第三十七条机动车维修实行竣工出厂质量保证期制度。
汽车和危险货物运输车辆整车修理或总成修理质量保证期为车辆行驶20000公里或者100日;二级维护质量保证期为车辆行驶5000公里或者30日;一级维护、小修及专项修理质量保证期为车辆行驶2000公里或者10日。
摩托车整车修理或者总成修理质量保证期为摩托车行驶7000公里或者80日;维护、小修及专项修理质量保证期为摩托车行驶800公里或者10日。
其他机动车整车修理或者总成修理质量保证期为机动车行驶6000公里或者60日;维护、小修及专项修理质量保证期为机动车行驶700公里或者7日。
质量保证期中行驶里程和日期指标,以先达到者为准。
机动车维修质量保证期,从维修竣工出厂之日起计算。
第三十九条机动车维修经营者应当公示承诺的机动车维修质量保证期。
项目八、汽车二级维护竣工路试检验汽车二级维护的人工检验,仅仅是对竣工车辆进行的静态检验。
汽车发动机的运转情况,离合器、变速器、减速器、转向系统、制动性能及整车滑行性能的好坏,还必须经过汽车路度检验后,才可以确认。
一、离合器的检查1、离合器踏板自由行程符合原厂规定;踏板力小于或等于300N;离合器应接合平稳、分离彻底、工作时不得有异响、抖动和不正常的打滑等现象。
2、路试起步时,缓慢抬起踏板至完全接合,整个过程应无抖动;运行中在加速、减速或上坡时,应无打滑、振动或异响;离合器分离迅速,接合平顺。
3、常见故障分析诊断:打滑、分离不彻底、抖动及异响二、变速器的检查1、变速器换档时齿轮应齿合灵便,互锁、自锁、倒档锁装置有效,不得有乱档和自行跳档现象,运行中无异响;换档肛及其转动杆件不得与其他部件干涉。
齿轮允许有均匀的齿合声,在稳定转速时,不允许有高低变化的异响,变速杆不允许有明显的抖动现象。
自动变速器车辆升、降档应正常。
2、齿轮油温不超过65度,各密封部位不得漏油,各螺栓(母)应紧固可靠。
3、常见故障分析诊断:跳当、乱档、异响及漏油三、传动轴的检查1、传动轴在运转时无振动或异响,中间轴承和万向节不允许优劣问和松旷现象。
发动机前置后驱动的客车的传动轴在车厢地板的下面沿纵向布置时,应有防止传动轴滑动连接(花键或其他类似装置)脱落或断裂等故障而引起危险的防护装置。
2、转动轴的装配应符合等角速转动的规定,转动轴上的平衡块或平衡配重的相对位置应正确。
3、常见故障分析诊断:振动或异响。
四、主减速器和差速器的检查1、驱动桥壳、前管不得有变形和裂纹,驱动桥工作正常、无异响。
2、主减速器和差速器齿轮的齿合间隙和齿轮轴承的预紧度应符合原厂的技术要求,不得有松旷或串动,驱动桥在行驶中油温正常,无漏油、无过热。
3、常见故障分析诊断:漏油、过热或异响。
五、转向轮自动回正及其他检查1、方向盘转动灵活、操纵方便、无阻滞,并设置向县委装置。
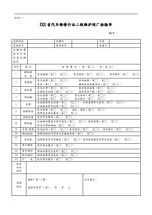
附件一:
XXX省汽车维修行业二级维护进厂检验单
编号:
XXX省公路运输管理局监制监督电话:(区号)XXXX
XXX省汽车维修行业二级维护过程检验单
编号:
.
XXX省汽车维修行业二级维护竣工检验单
XXX省公路运输管理局监制监督电话:(区号)XXX
XXX省汽车维修行业发动机大修进厂检验单
编号:
进厂检验员:年月日
XXX省公路运输管理局监制监督电话:(区号)XXX
XXX省汽车维修行业发动机大修过程检验单
过程检验员:年月日XXX省公路运输管理局监制监督电话:(区号)+XXX XXX省汽车维修行业发动机大修竣工检验单
编号:
竣工检验员:年月日XXX省公路运输管理局监制监督电话:(区号)+XXX。
汽车维修工程验收单
甲方:(填写甲方名称)
联系电话:(填写甲方联系电话)
地址:(填写甲方地址)
乙方:(填写乙方名称)
联系电话:(填写乙方联系电话)
地址:(填写乙方地址)
项目编号:(填写项目编号)
车辆信息:
品牌:(填写车辆品牌)
型号:(填写车辆型号)
车牌号:(填写车牌号)
维修内容:
(此处详细描述经过维修后对车辆所做的具体操作,包括更换零件、修复问题等)
维修费用:
(填写维修费用,包括人工费、材料费等)
维修时间:
开始时间:(填写维修开始时间)
结束时间:(填写维修结束时间)
验收内容:
1. 检查车辆外观是否有划痕、凹陷等损坏情况;
2. 检查车辆发动机、底盘、制动系统等关键部位是否经过维修并符
合相关标准;
3. 检查车辆灯光、喇叭、空调、音响等电气设备是否正常工作;
4. 检查车辆轮胎、悬挂系统、转向系统等部件是否调整到合适状态;
5. 检查车辆油液、冷却液、雨刮液等液体是否符合标准。
验收结果:
经过验收,甲方确认乙方所维修的车辆符合相关标准,并无其他问题。
甲方签字:日期:
乙方签字:日期:。
搅拌车泵车二级维护记录卡摘要:一、二级维护概述二、搅拌车泵车二级维护内容1.发动机系统2.传动系统3.液压系统4.电气系统5.底盘系统6.车身外观及内饰三、二级维护注意事项四、维护记录卡填写规范正文:一、二级维护概述二级维护是指在车辆行驶一定里程后,对车辆进行系统性的检查、保养和维修,以确保车辆的正常运行和延长使用寿命。
二级维护主要包括发动机系统、传动系统、液压系统、电气系统、底盘系统以及车身外观和内饰的检查与保养。
二、搅拌车泵车二级维护内容1.发动机系统发动机是车辆的核心部件,二级维护时需要检查发动机的润滑、冷却、供气、供油等方面,包括机油、冷却液、空气滤清器、燃油滤清器等的更换。
2.传动系统传动系统主要包括离合器、变速器、传动轴、万向节等部件,二级维护时需要检查这些部件的润滑、磨损状况,更换损坏的部件。
3.液压系统液压系统是搅拌车泵车工作的重要支撑,二级维护时要检查液压油的量、质和颜色,更换液压油及滤清器,检查液压管路及接头是否泄漏。
4.电气系统电气系统主要包括电池、发电机、启动机、传感器、保险丝等,二级维护时需要检查电池电压、发电机工作状况、传感器信号等,排除故障隐患。
5.底盘系统底盘系统包括悬挂、刹车、转向、行驶等部件,二级维护时要检查底盘部件的磨损、损坏情况,更换刹车片、刹车油、转向油等。
6.车身外观及内饰二级维护时要对车身外观进行清洗、抛光、打蜡等保养,内饰方面要清洁座椅、地板、中控台等,确保车内环境的整洁。
三、二级维护注意事项1.维护前需准备好相应的工具、设备及零部件。
2.维护过程中要遵循操作规程,确保人身安全。
3.更换零部件时要选用原厂或质量可靠的替代品。
4.维护完毕后,要对车辆进行试运行,检查是否存在异常。
四、维护记录卡填写规范1.按照维护项目填写维护内容。
2.填写维护过程中发现的问题及处理方法。
3.记录维护日期、里程及维修人员等信息。
4.定期查看维护记录,确保车辆得到及时、合理的保养。
维修车间单位工程质量竣工验收记录一、项目基本信息1.项目名称:维修车间2.建设地点:XXX3.建设单位:XXX4.监理单位:XXX5.承建单位:XXX二、验收时间和人员1.验收时间:XXXX年XX月XX日2.验收人员:(1)建设单位代表:XXX(2)监理工程师:XXX(3)承建单位代表:XXX(4)设计单位代表:XXX三、项目概况维修车间建设项目总占地面积为XXXX平方米,总建筑面积为XXXX平方米,该车间主要用于机械设备的维修保养以及零部件的加工制造。
施工内容包括土建、给排水、电气、消防、通风空调等方面。
四、竣工验收情况经过对维修车间的竣工验收,现将验收情况记录如下:1.工程质量验收(1)土建工程:按照设计要求,施工单位完成了地基基础、建筑结构、墙面地面等工程项目。
经过检查,工程结构牢固,无渗漏、开裂等质量问题。
(2)给排水工程:施工单位按照设计要求完成了维修车间的给水、排水、消防水系统等工程项目。
经过检查,系统畅通无堵塞,无渗漏现象。
(3)电气工程:施工单位按照设计要求完成了维修车间的照明、插座、电源等电气工程项目。
经过检查,设备正常运行,布线合理,安全可靠。
(4)通风空调工程:施工单位按照设计要求完成了维修车间的通风、排风、空调等工程项目。
经过检查,设备运行正常,通风效果良好。
(5)消防工程:施工单位按照设计要求完成了维修车间的消防设施、消防通道等工程项目。
经过检查,消防设施齐全,通道畅通无障碍。
2.设备安装验收(1)维修设备:施工单位按照设计要求完成了维修车间的维修设备安装工作。
经过检查,设备安装牢固,正常运行,无质量问题。
(2)机械设备:施工单位按照设计要求完成了维修车间的机械设备安装工作。
经过检查,设备安装稳固,正常运转,符合要求。
3.工程质量问题整改情况在竣工验收过程中发现的问题如下:(1)XXX问题:具体描述整改措施:具体措施整改责任单位:XXX整改完成时间:XXXX年XX月XX日(2)XXX问题:具体描述整改措施:具体措施整改责任单位:XXX整改完成时间:XXXX年XX月XX日五、竣工验收结论经过现场检查和记录,维修车间单位工程的建设质量符合设计要求和相关标准,各项功能正常运行,达到了验收标准。
汽车保养行业二级修理竣工检验单项目信息
检验日期: [检验日期]
汽车信息: [汽车品牌、型号、车牌号]
客户信息: [客户姓名、电话]
检验结果
1.外观检查
车身外观: (√表示合格,X表示不合格)
汽车外观整洁无瑕疵
车身涂装无划痕或掉漆
玻璃无裂纹或破损
灯光检查: (√表示合格,X表示不合格)
大灯、示宽灯、行车灯、刹车灯、倒车灯正常工作
远近光切换正常
车辆警示灯正常
2.功能检查
发动机系统: (√表示合格,X表示不合格)发动机怠速稳定
加速正常无异响
发动机无明显漏油
刹车系统: (√表示合格,X表示不合格)刹车踏板力度合适
刹车系统灵敏可靠
刹车片磨损状况良好
悬挂系统: (√表示合格,X表示不合格)车辆悬挂稳固正常
无异常响声或不稳定感
3.其他检查
内饰检查: (√表示合格,X表示不合格)
内部座椅整洁无损坏
布料及皮革配件完好无破损
空调系统正常工作
轮胎检查: (√表示合格,X表示不合格)
轮胎磨损均匀
轮胎胎纹深度合格
车轮平衡正常
检验结论
根据以上检验结果,本次修理竣工检验合格。
车辆经过维修后,外观和功能均正常,符合相关要求。
维修建议
根据实际情况,建议定期保养和维护车辆,确保车辆的正常运
行和使用寿命。
签名
检验员:________ 日期:________。
汽车整车大修出厂检验表
托修单位:送检时间:年月日
本表使用要求
1、带★号项目为关键项
2、带△号项目轿车为关键项、货车为一般项
3、检验方法:路试、台试选其一
4、检验结果:合格打√,不合格打X
5、检测项目以检测报告为准,检测报告附于该表后作为竣工出厂的检验依据
汽车二级维护竣工检验表
托修方:
注:1、本表一式三份,承修方、托修方、车辆维修管理部门各一份
2、本表使用要求:检验方法可依维修企业实际情况选择;所有检测项目必须正确填写检验检测结果;对检验技术要求“符合
有关标准规定”的,必须查询出具体规定的参数,作为合格与否的评判依据。
二次保养记录车辆二次保养记录保养日期: XXXX年XX月XX日车辆信息:车型:XX型号车牌号:【车牌号】VIN码:【VIN码】里程数: XXXX公里保养项目:发动机机油更换使用的机油品牌:XX速霸2000机油量:5L更换机油滤清器:是刹车系统检查检查刹车盘、刹车片磨损情况:正常刹车油液面及质量检查:正常,无需更换冷却系统检查与维护冷却液冰点测试:-35℃(符合要求)冷却液补充:无需补充空气滤清器检查滤清器清洁程度:轻微污染操作:建议下次保养时更换轮胎及悬挂系统检查轮胎气压调整:前轮胎压调整至2.3bar,后轮胎压调整至2.5bar轮胎磨损情况检查:均匀磨损,无需更换悬挂部件检查:无松旷、异响,状态良好蓄电池健康检查电压检测:12.6V(满电状态)建议:正常使用,无需维护全车灯光检查远近光灯、转向灯、刹车灯工作正常雾灯、示廓灯检查:功能正常更换的零件:机油滤清器:更换新的机油滤清器维修工时:总工时:2小时机油更换及滤清器更换:0.5小时刹车系统检查:0.3小时冷却系统检查:0.2小时空气滤清器、轮胎及悬挂检查:0.4小时蓄电池及灯光检查:0.2小时其他检查及记录:0.2小时工时总计中包含必要的车辆准备和清洁工作。
费用:机油费用:XXX元机油滤清器:XXX元工时费:XXXX元(按照店内标准工时费率计算)总费用:XXXX元(含税)保养后车辆状态评估:发动机运行平稳,无异响,机油压力正常。
刹车系统响应灵敏,无拖滞现象。
冷却系统循环良好,无渗漏。
悬挂系统及轮胎状态良好,驾驶平稳。
电气系统工作正常,无故障码显示。
其他注意事项及建议:驾驶习惯提醒:建议车主保持平稳的驾驶习惯,避免急加速、急刹车等激烈操作,以延长车辆各部件的使用寿命。
定期检查:虽然本次保养检查未发现明显问题,但建议车主每隔一段时间或行驶一定里程后,对车辆进行常规检查,以确保行车安全。
季节性维护:随着季节的变化,特别是进入冬季前,建议车主对车辆的冷却系统、暖风系统、轮胎等进行季节性检查和维护。