土地房屋权属调查表.doc
- 格式:docx
- 大小:12.73 KB
- 文档页数:7
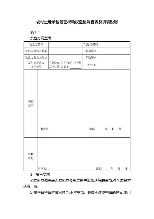
农村土地承包经营权确权登记调查表及填表说明表1:发包方调查表1:填写要求a)发包方调查表为发包方调查过程中现场填写的表格,每个发包方填写一份。
b)表中各栏目应填写齐全,不应空项。
确属不填或空白的栏目,使用“/”符号填充。
c)文字内容一律使用蓝、黑钢笔或黑色签字笔填写,不得使用铅笔、圆珠笔等不利于档案保存的笔填写。
填写文字应清晰易辨,一律采用国家标准文字,不得使用谐音字、国家未批准的简化字或缩写名称。
d)发包方调查表分发包方信息、调查记事、审核意见三部分,各部分以粗实线进行区隔。
2:填写方法a)发包方名称:填写农村土地发包方的全称,以发包方所在乡镇的名称开始,填至乡镇、村(组)级集体经济组织的具体名称。
b)发包方编码:填写按NY/T2538编定的发包方编码。
c)发包方负责人姓名/联系电话:填写发包方当前负责人的姓名、联系电话和(或)手机号码。
d)发包方负责人地址/邮政编码:填写发包方负责人的通讯地址及对应的邮政编码。
e)发包方负责人证件类型/证件号码:选择负责人证件类型,在对应证件类型前画“√”标识,填写相应证件类型的证件号码。
选择“其他”证件类型的,需注明证件类型的具体名称,填写相应证件类型的证件号码。
f)调查记事/调查员:记录发包方调查中需要说明的事项,包括:1)发包方及其负责人的变更情况;2)农村土地所有权情况[国家所有、集体所有(村集体经济组织所有、村民小组所有)];3)农村土地发包情况;4)其他需要说明的情况。
由全体调查员签名或盖章确认。
g)审核意见/审核人:审核人对调查结果进行全面审核,如无问题,填写“合格”。
如发现问题,应填写“不合格”,指明错误所在并提出处理意见。
审核人签字或盖章确认。
h)日期:以阿拉伯数字填写调查日期,年份应填写完整年份。
表2:承包方调查表1:填写要求a)承包方调查表为承包方调查过程中现场填写的表格,每个承包方填写一份。
b)表中各栏目应填写齐全,不应空项。
确属不填或空白的栏目,使用“/”符号填充。
房屋基本信息调查表(1)市区名称或代码:填写房屋所在市区的名称或代码。
(2)地籍区、地籍子区:根据附录A《不动产单元设定与代码编制规则》第4节的划分要求填写。
(3)宗地号、定着物代码:根据附录A《不动产单元设定与代码编制规则》第8节的编码要求填写。
(4)不动产单元号:根据附录A《不动产单元设定与代码编制规则》第8节的编码要求填写。
(5)房地坐落:填写有关部门依法确定的房地坐落,一般包括街道名称、门牌号、幢号、楼层号、房号等。
(6)邮政编码:填写该区(县)的邮政编码号。
(7)房屋所有权人:填写权利人的姓名或名称,权利人为自然人的,填写身份证明上的姓名;权利人为法人、其他组织的,填写身份证明上的法定名称。
(8)证件种类:写权利人身份证件的种类。
境内自然人一般为《居民身份证》,无《居民身份证》的,可以为《户口簿》、《军官证》等。
法人或其他组织一般为《组织机构代码证》,无《组织机构代码证》的,可以为《营业执照》、《事业单位法人证书》、《社会团体法人登记证书》。
港澳同胞的为《港澳居民来往内地通行证》或《港澳同胞回乡证》、《居民身份证》;台湾同胞的为《台湾居民来往大陆通行证》或其他有效旅行证件,在台湾地区居住的有效身份证件或经确认的身份证件;外籍人的身份证件为《护照》和中国政府主管机关签发的居留证件。
(9)证件号:填写身份证件上的编号。
(10)电话、住址:填写房屋所有权人的电话号码和现住地的详细地址。
(11)权利人类型:填写个人、企业、事业单位、国家机关、其他。
无法归类为个人、企业、事业单位、国家机关的,填写其他。
(12)共有情况:填写单独所有、按份共有或共同共有。
属于按份共有的,还要填写共有的份额。
(13)项目名称:按幢填写项目名称。
(14)房屋性质:填写商品房、房改房、经济适用住房、廉租住房、共有产权住房、自建房等。
(15)产别:根据产权占有不同而划分的类别。
按两级分类调记,具体分类标准按《房产测量规范》(GB/T17986.1—2000)附录A4《房屋产别分类》执行。
地籍调查表填写范本地籍调查表一、背景信息:1. 调查区域:_________________________2. 调查日期:_________________________3. 调查人员:_________________________二、调查对象:1. 户主姓名:_________________________2. 住址:_____________________________3. 户口性质:_________________________4. 房屋类型:_________________________5. 建筑面积:_________________________三、土地信息:1. 土地地址:_______________________2. 土地面积:_______________________3. 土地所有权人:___________________4. 土地使用权性质:_________________5. 土地用途:_______________________四、建筑信息:1. 建筑物类型:____________________2. 建筑面积:______________________3. 建筑物用途:____________________4. 建筑物结构:____________________五、权属信息:1. 不动产权证号:__________________2. 不动产权证所在机构:_____________3. 不动产权登记日期:_______________4. 不动产权登记机构:_______________六、其他信息:1. 附属设施:_____________________2. 周边环境:_____________________3. 附近交通:_____________________4. 学校、医院、商场等基础设施情况:_____________________七、备注:__________________________________以上所填写的信息属实,如有不实之处,本人愿意承担一切法律责任。
编号:
土地房屋权属调查表
土地房屋申请人:
土地房屋坐落:
权属调查员:
年月日
权属调查记事及调查员意见。
调查员签名:日期年月日
地籍勘丈记事
勘丈员签名:日期年月日
地籍调查结果审核意见
审核人签章:日期年月日
填表说明
1、说明
变更地籍调查时,将原使用人、土地坐落、地籍号及变更之主要原因在此栏注明。
2、宗地草图
对教大的宗地本表幅不够时,可加附页绘制在宗地草图栏。
3、权属调查记事及调查员意见
记录权属调查中遇到的政策、技术的问题和解决方法;如存在遗留问题,将问题记录下来,尽可能提解决意见等;记录土地登记申请书中有关栏目的填写与调查核实的情况是否一致,不一致的要根据调查情况作更正说明。
4、地籍勘丈记事
记录勘丈记事采用的技术方法和使用的仪器;勘丈中遇到的问题和解决办法;遗留问题并提出解决意见等。
5、地籍调查结果审核意见
对地籍调查结果是否合格进行评定。
6、表内其他栏目可以参照土地登记申请书中的填写说明填写。
房屋墙界调查表。
房屋用地调查表市区名称或代码号房产区号房产分区号丘号序号调查者:年月日坐落区(县)街道(镇)胡同(街巷)号电话邮政编码产权性质产权主土地等级税费附加说明:使用人住址所有制性质用地来源用地用途分类用地状况四至东南西北界标东南西北面积m2合计用地面积房屋占地面积院落面积分摊面积用地略图附录2,房屋调查表填写说明采用活页的形式填写调查表。
表格采用活页的形式,对整页无内容的,可不归入成果。
如原表格式与本方案规定的表格式一致,并且内容没有任何变化的,其复印件加盖“复印件”印章后,可直接利用归入成果。
1.1 不动产权籍调查表必须做到图表内容与实地一致,表达准确无误,字迹清晰整洁。
1.2 表中填写的项目不得涂改,每一处只允许划改一次,划改符号用“ \ ”表示,并在划改处由划改人员签字或盖章,全表划改不超过2处。
1.3 表中各栏目应填写齐全,不得空项。
确属不填的栏目,使用“ / ”符号填充。
1.4 文字内容使用蓝黑钢笔或黑色签字笔填写,亦可采用计算机打印输出,不得使用谐音字、国家未批准的简化字或缩写名称,签名签字部分需手写。
1.5 项目栏的内容填写不下的可另加附页。
宗地草图/宗海图可以附贴。
凡附页和附贴的,应加盖相关单位部门印章。
附录2.1:房屋基本信息调查填写说明(1)市区名称或代码:填写房屋所在市区的名称或代码。
(2)地籍区、地籍子区:根据附录A《不动产单元设定与代码编制规则》第4节的划分要求填写(见本说明附录6)。
(3)宗地号、定着物代码:根据附录A《不动产单元设定与代码编制规则》第8节的编码要求填写(见本说明附录6)。
(4)不动产单元号:根据附录A《不动产单元设定与代码编制规则》第8节的编码要求填写(见本说明附录6)。
(5)房地坐落:填写有关部门依法确定的房地坐落,一般包括街道名称、门牌号、幢号、楼层号、房号等。
(6)邮政编码:填写该区,县,的邮政编码号。
(7)房屋所有权人:填写权利人的姓名或名称,权利人为自然人的,填写身份证明上的姓名,权利人为法人、其他组织的,填写身份证明上的法定名称。
房屋用地调查表市区名称或代码号房产区号房产分区号丘号序号调查者:年月日附录2,房屋调查表填写说明采用活页的形式填写调查表。
表格采用活页的形式,对整页无内容的,可不归入成果。
如原表格式与本方案规定的表格式一致,并且内容没有任何变化的,其复印件加盖“复印件”印章后,可直接利用归入成果。
1.1 不动产权籍调查表必须做到图表内容与实地一致,表达准确无误,字迹清晰整洁。
1.2 表中填写的项目不得涂改,每一处只允许划改一次,划改符号用“ \ ”表示,并在划改处由划改人员签字或盖章,全表划改不超过2处。
1.3 表中各栏目应填写齐全,不得空项。
确属不填的栏目,使用“ / ”符号填充。
1.4 文字内容使用蓝黑钢笔或黑色签字笔填写,亦可采用计算机打印输出,不得使用谐音字、国家未批准的简化字或缩写名称,签名签字部分需手写。
1.5 项目栏的内容填写不下的可另加附页。
宗地草图/宗海图可以附贴。
凡附页和附贴的,应加盖相关单位部门印章。
附录2.1:房屋基本信息调查填写说明(1)市区名称或代码:填写房屋所在市区的名称或代码。
(2)地籍区、地籍子区:根据附录A《不动产单元设定与代码编制规则》第4节的划分要求填写(见本说明附录6)。
(3)宗地号、定着物代码:根据附录A《不动产单元设定与代码编制规则》第8节的编码要求填写(见本说明附录6)。
(4)不动产单元号:根据附录A《不动产单元设定与代码编制规则》第8节的编码要求填写(见本说明附录6)。
(5)房地坐落:填写有关部门依法确定的房地坐落,一般包括街道名称、门牌号、幢号、楼层号、房号等。
(6)邮政编码:填写该区,县,的邮政编码号。
(7)房屋所有权人:填写权利人的姓名或名称,权利人为自然人的,填写身份证明上的姓名,权利人为法人、其他组织的,填写身份证明上的法定名称。
(8)证件种类:写权利人身份证件的种类。
境内自然人一般为《居民身份证》,无《居民身份证》的,可以为《户口簿》、《军官证》等。
附录1 房屋调查表调查员:日期:年月日附录2:房屋调查表填写说明采用活页的形式填写调查表。
表格采用活页的形式,对整页无内容的,可不归入成果。
如原表格式与本方案规定的表格式一致,并且内容没有任何变化的,其复印件加盖“复印件”印章后,可直接利用归入成果。
1.1 不动产权籍调查表必须做到图表内容与实地一致,表达准确无误,字迹清晰整洁。
1.2 表中填写的项目不得涂改,每一处只允许划改一次,划改符号用“ \ ”表示,并在划改处由划改人员签字或盖章;全表划改不超过2处。
1.3 表中各栏目应填写齐全,不得空项。
确属不填的栏目,使用“ / ”符号填充。
1.4 文字内容使用蓝黑钢笔或黑色签字笔填写,亦可采用计算机打印输出;不得使用谐音字、国家未批准的简化字或缩写名称;签名签字部分需手写。
1.5 项目栏的内容填写不下的可另加附页。
宗地草图/宗海图可以附贴。
凡附页和附贴的,应加盖相关单位部门印章。
附录2.1:房屋基本信息调查填写说明(1)市区名称或代码:填写房屋所在市区的名称或代码。
(2)地籍区、地籍子区:根据附录A《不动产单元设定与代码编制规则》第4节的划分要求填写(见本说明附录6)。
(3)宗地号、定着物代码:根据附录A《不动产单元设定与代码编制规则》第8节的编码要求填写(见本说明附录6)。
(4)不动产单元号:根据附录A《不动产单元设定与代码编制规则》第8节的编码要求填写(见本说明附录6)。
(5)房地坐落:填写有关部门依法确定的房地坐落,一般包括街道名称、门牌号、幢号、楼层号、房号等。
(6)邮政编码:填写该区(县)的邮政编码号。
(7)房屋所有权人:填写权利人的姓名或名称,权利人为自然人的,填写身份证明上的姓名;权利人为法人、其他组织的,填写身份证明上的法定名称。
(8)证件种类:写权利人身份证件的种类。
境内自然人一般为《居民身份证》,无《居民身份证》的,可以为《户口簿》、《军官证》等。
法人或其他组织一般为《组织机构代码证》,无《组织机构代码证》的,可以为《营业执照》、《事业单位法人证书》、《社会团体法人登记证书》。
不动产调查登记申请表
申请人信息:
姓名:
联系电话:
电子邮箱:
通讯地址:
被调查不动产信息:
不动产坐落:
不动产权证书号:
土地权属证书号:
房产证号:
是否涉及拆迁:
申请事项:
(此处请具体填写要申请的不动产调查登记事项,如:权属调查、面积测量、界址勘定等)
申请理由:
(此处请具体填写申请不动产调查登记的原因,如:房屋买卖、过户、拆迁补偿等)
申请材料清单:
1. 申请人身份证明文件复印件
2. 被调查不动产的不动产权证书复印件
3. 被调查不动产的土地权属证书复印件
4. 被调查不动产的房产证复印件
5. 相关合同(如购房合同、租赁合同等)复印件
6. 其他相关证明材料(如委托书、征收通知书等)
申请备注:
(此处请填写其他需要补充说明的事项,如:特殊要求、附加材料
说明等)
申请人声明:
本人保证上述填写内容真实、准确,承诺提供的申请材料真实有效。
如有隐瞒、虚假或不实情况,愿意承担由此产生的法律责任。
申请人签名:
日期:。
蒲城县农村宅基地确权表格
1、申报
凡是拥有宅基地的土地使用权人,须领取由土地部门统一印发的农村宅基地使用权申报登记表,以户为单元,每宗宅基地填写一份。
村民使用的宅基地,必须提交由经济社、村委会二级经济组织及镇政府出具的土地权属来源证明。
然后由调查组负责收集申报材料上交土地管理部门对权属进行审核。
2、权属调查
国土部门根据土地使用权人的申请,对宅基地范围、界线、界址、权属性质、用途等情况进行实地调查、记录并经相邻各方认定,填写宅基地地籍调查表,绘制宗地草图,为地籍测量作准备。
在宅基地调查过程中,本宗地使用者和相邻地使用者应按通知规定时间内到场共同指界,对双方共同确认的用地界线和界址点进行签名、盖章,如不能参加指界的,应书面委托代理人出面指界。
3、审核与公告
经土地行政主管部门审核,对认为符合登记要求的宗地进行公告,公告内容主要包括土地使用者的名称、地址、准予登记的土地权属性质、面积、坐落、四至范围等。
4、审批
公告期满,土地权利者及其他土地权益有关者对土地登记审核结果未提出异议的,在农村宅基地使用权登记审批表上签署同意登记发
证的意见,由市县人民政府领导签章,并加盖市县人民政府土地登记专用章。
5、登记注册
根据农村宅基地登记审批表结果,以宗地为单位逐项填写土地登记卡、土地归户卡及土地证书,并由登记人员和土地行政主管部门主管领导分别在两卡上签字。
6、颁发土地证
经依法批准的农村宅基地,房屋建成后,可以到当地国土部门进行土地初始登记,申领宅基地使用权证。
如果是属于转让房产而隐形交易土地使用权的,要到国土部门办理土地变更登记,申领宅基地使用权证。
编号:地籍调查报告不动产类型:☑土地□海域(□无居民海岛) □房屋等建筑物□构筑物□森林、林木□其他预编宗地(海)代码/宗地(海)代码/不动产单元代码:宗地(海)位置(或项目名称):项目负责人(签字): 报告审核任(签字): 调查单位(盖章):2022年09月16日目录一、概述二、调查技术依据三、权属调查四、不动产测绘五、成果编制六、成果审核1、营业执照2、测绘资质一、概述1.任务来源受xxxxxx公司的委托,我单位于2022年8月—2022年11月对xxxxxx项目进行了不动产测量,测绘成果按照国家和省市有关技术规范完成。
受托方与委托方没有利害关系或偏见,也与有关当事人没有利害关系或偏见,受托方对于本项目测绘的资料的准确性和真实性负责,受托方与委托方对提供的资料的准确性与合法性共同负责。
2.不动产简况Xxx项目已取得x'x'x供地委员会文件关于印发《xxxxx会议纪要》的通知,批准文号为:xxx供地发(2022)3号,并办理了中华人民共和国国有建设用地划拨决定书,编号:zxxxxx,批准面积为xxxx公顷。
xxx项目权属类型为国有划拨。
土地座落于xxxx市xxx县xxxx乡,土地用途为铁路用地。
3.调查内容本次测量任务主要是充分利用原征地报批勘测定界报告、勘界图等相关资料,通过内外业核实,实地调查测量的方法,完成不动产权属调查和不动产测量,绘制宗地图,并计算宗地面积。
4.测量工具南方测绘灵锐S86T RTK、ZTS 121-R型全站仪、ads80数字航空摄影仪进行航空摄影、1级手持测距仪、施测采用2000国家大地坐标系。
二、调查技术依据1.《地籍调查规程》(GB/T 42547—2023)2.GB/T 17986.1-2000 《房产测量规范第1单元:房产测量规定》;3.GB/T 17986.2-2000《房产测量规范第2单元房产图图式》;4.CJJ/T 8-2011《城市测量规范》;5.GB/T18314-2009《全球定位系统GPS》;6.CJJ/T 8-2011《城市测量规范》;7.GB/T 20257.1-2007《国家基本比例尺地形图图式1:500、1:1000、1:2000地形图图式》;8.GB/T 21010-2007《土地利用现状分类》;9.《不动产权籍调查技术方案》(试行)三、权属调查1.权属状况调查核实根据规程7-8页的要求讲述你们实地调查的状况和结果2.界址状况调查核实宗地界址坐标经现场检查核实,坐标正确无误四、不动产测绘1.控制点测量(1)控制点来源:山西省CORS站的信号网络(2)坐标系统:2000国家大地坐标系(3)高程系统:1985国家高程基准(4)控制检查控制测量前,收集测区高等级控制点的地心坐标、参心坐标、坐标系统转换参数等,采用卫星定位静态(快速静态)方法对控制成果进行100%的内业检查和不少于总数10%的外业检测,检测结果符合相关技术规程要求。
编号:01002
地 籍 调 查 表
宗地代码: 420528202101JC01002、01003
长阳县国土资源局印制 2021年 7 月 11 日
共有/共用宗地面积分摊表
填表说明
地籍调查表填写要求
1.1地籍调查表由封面、根本表、界址标示表、界址签章表、宗地草图、界址说明表、调查审核表和共有/共用宗地面积分摊表等组成。
1.2地籍调查表以宗地为单位填写,每宗地填写一份。
所有宗地的地籍调查都应填写此表。
1.3地籍调查表必须做到图表内容与实地一致,表达准确无误,字迹清晰整洁。
1.4表中填写的工程不得涂改,每一处只允许划改一次,划改符号用“\〞表示,并在划改处由划改人员签字或盖章;全表划改不超过2处。
1.5表中各栏目应填写齐全,不得空项。
确属不填的栏目,使用“/〞符号填充。
1.6文字内容一律使用蓝黑钢笔或黑色签字笔填写,不得使用谐音字、国家未批准的简化字或缩写名称。
1.7工程栏的内容填写不下的可另加附页。
宗地草图可以附贴。
凡附页和附贴的,应加盖国土资源主管部门印章。
1.8对面积较大、界线复杂的集体土地所有权宗地和国有建设用地使用权宗地,宜签订土地权属界线协议书并签字盖章。
界址线有争议的土地,填写土地权属争议原由书并签字盖章。
编号:土地房屋权属调查表
土地房屋申请人:土地房屋坐落:权属调查员:
年月日
权属调查记事及调查员意见
调查员签名: 日期 年 月 日 地籍勘丈记事
填表说明
1、说明
变更地籍调查时, 将原使用人、土地坐落、地籍号及变更之主要原因在此栏注明。
2、宗地草图
对教大的宗地本表幅不够时,可加附页绘制在宗地草图栏。
3、权属调查记事及调查员意见 记录权属调查中遇到的政策、 技术的问题和解决方法; 如存在遗留问题, 将问题 记录下来, 尽可能提解决意见等; 记录土地登记申请书中有关栏目的填写与调查 核实的情况是否一致,不一致的要根据调查情况作更正说明。
4、地籍勘丈记事 记录勘丈记事采用的技术方法和使用的仪器; 勘丈中遇到的问题和解决办法; 遗 留问题并提出解决意见等。
5、地籍调查结果审核意见 对地籍调查结果是否合格进行评定。
6、表内其他栏目可以参照土地登记申请书中的填写说明填写。
勘丈员签名:
地籍调查结果审核意见
日期 年 月 日
审核人签章: 日期 年 月 日
房屋墙界调查表。