孔雀石绿免疫胶体金快速检测试剂卡
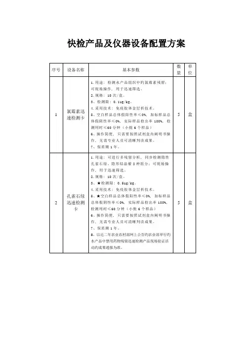
- 格式:doc
- 大小:119.08 KB
- 文档页数:1
免疫胶体金快速检测卡检测原理嘿,朋友们!今天咱来聊聊免疫胶体金快速检测卡的检测原理,这可真是个神奇又有趣的玩意儿呢!你可以把免疫胶体金快速检测卡想象成一个特别厉害的“小侦探”。
这个“小侦探”呢,它有自己独特的工作方式哦。
咱们先来说说胶体金。
这胶体金就像是“小侦探”手里的秘密武器,闪闪发光,特别显眼。
它可以和一些特定的物质紧密结合起来。
然后呢,检测卡上有一些专门设计的区域。
当我们把样本滴上去的时候,就好像是给“小侦探”发出了任务。
样本在检测卡上开始了它的奇妙之旅。
如果样本里有检测目标,嘿,那就像是“小侦探”找到了它要找的坏人一样。
胶体金会和检测目标结合在一起,然后一起顺着检测卡的通道往前跑。
跑到特定区域的时候,就会被“抓住”,然后这个区域就会显示出颜色来。
哇塞,这不就相当于“小侦探”发出信号说:“嘿,我找到啦!”你说神奇不神奇?这就好像我们在生活中找东西一样,一旦找到了,就特别兴奋和有成就感。
免疫胶体金快速检测卡就是这样,用它简单又快速的方式,帮我们检测出各种我们关心的东西。
比如说检测传染病,我们就能很快知道自己有没有被感染,这多重要啊!再比如说检测食品中的有害物质,那可是保障我们身体健康的重要手段呢。
它就像是我们的健康小卫士,时刻守护着我们。
所以啊,免疫胶体金快速检测卡可真是个了不起的发明!它让检测变得不再那么复杂和困难,让我们能更及时地了解各种情况。
朋友们,想想看,如果没有免疫胶体金快速检测卡,我们要知道这些信息得多麻烦啊!现在有了它,多方便呀!它真的是在默默地为我们的生活和健康贡献着力量呢!我们是不是应该好好珍惜和利用它呀?反正我觉得是必须的呀!原创不易,请尊重原创,谢谢!。
水产品快速检测卡检测原理我国是水产品生产和消费的大国,在渔业取得飞速发展的同时,渔业病害情况也频繁发生,由此导致了水产养殖过程中药物滥用现象产生。
水产品质量安全事件不断发生,水产品安全越来越被政府与人民高度关注。
目前,水产养殖过程中主要使用的药物有孔雀石绿、氯霉素等,长期摄入此类药物对人体有致癌,致畸形等危害。
广州瑞森生物科技股份有限公司针对水产安全检测推出了检测卡和试剂盒等快速检测产品,为广大百姓提供食品安全保障。
水产品快速检测卡检测原理:氯霉素(CAP)j胶体金快速检测卡检测原理氯霉素检测卡应用竞争抑制免疫层析的原理,样品中的氯霉素在流动的过程中与胶体金标记的特异性单克隆抗体结合,抑制了抗体和NC膜检测线(T)上氯霉素-蛋白偶联物的结合。
如果样品中氯霉素含量大于0.3ppb,检测线(T)线显色比C线浅,结果为阳性;反之,检测线(T)显色比质控线(C)深或者一样深,结果为阴性。
孔雀石绿(MG)快速检测卡检测原理孔雀石绿快速检测卡应竞争抑制免疫层析的原理,样本中的孔雀石绿在流动的过程中与胶体金标记的特异性单克隆抗体结合,抑制了抗体和NC膜检测线(T线)上MG-BSA偶联物的结合。
如果样本中孔雀石绿含量大于1ppb,检测线(T)线显色比C线浅,或T线无显色、 T 线明显显为绿色的,结果为阳性;检测线(T)线显色比C 线(对照线)深或一样深,结果为阴性。
呋喃唑酮代谢物快速检测卡呋喃唑酮代谢物快速检测卡应用竞争抑制免疫层析的原理,样品中的呋喃唑酮代谢物在流动的过程中与胶体金标记的特异性单克隆抗体结合,抑制了抗体和NC膜检测线(T)上呋喃唑酮代谢物-蛋白偶联物的结合。
如果样品中呋喃唑酮代谢物含量大于检测限,检测线(T)线显色比C线浅,结果为阳性;反之,检测线(T)显色比质控线(C)深或者一样深,结果为阴性。
磺胺类药物(SAs)快速检测卡磺胺类药物检测卡应用了竞争抑制免疫层析的原理,样品中的磺胺类药物在流动的过程中与胶体金标记的特异性单克隆抗体结合,抑制了抗体和NC膜检测线(T)上磺胺类药物-蛋白偶联物的结合。
分析检测胶体金快速检测法测定水产品中兽药残留丘韶麟1,2,龚晓莹1,2,司徒茵1,2,朱明智1,2,刘俊威1,2,陈 苑1,2(1.广东省食品工业研究所有限公司,广东广州 511442;2.广东省食品质量监督检验站,广东广州 511442)摘 要:以农贸市场销售的水产品为调查对象,针对高风险品种进行抽检,采用胶体金免疫层析法对水产品进行快速检测。
结果显示,8 178批次水产品中检出阳性样品227批次,阳性检出率为2.78%,其中问题比较突出的品种是贝类(花甲、白贝)、鱼类(泥猛鱼、黄骨鱼),主要问题项目为氯霉素、孔雀石绿。
本文通过对水产品中兽药残留进行快速检测分析,筛查出重点检测品种、项目,为提升水产品的质量安全提供参考。
关键词:胶体金免疫层析法;兽药残留;水产品Determination of Veterinary Drug Residues in Aquatic Products by Colloidal Gold Rapid DetectionQIU Shaolin1,2, GONG Xiaoying1,2, SI Tuyin1,2, ZHU Mingzhi1,2, LIU Junwei1,2, CHEN Yuan1,2(1.Guangdong Food Industry Institute, Guangzhou 511442, China; 2.Guangdong Food Quality Supervision andInspection Station, Guangzhou 511442, China)Abstract: The aquatic products sold in the farmers’ market were investigated as objects, and the high-risk varieties were randomLy examined. Colloidal gold immunochromatography was used to detect the aquatic products quickly, and the veterinary drug residues in aquatic products were analyzed. The results showed that 8 178 batches of aquatic products were sampled and 227 batches of positive samples were detected, with a positive detection rate of 2.78% , among them the more prominent problem species are shellfish (armored shell, white shell) , fish (mud predatory fish, yellow bone fish), the main problem items are chloramphenicol and malachite green. Through the rapid detection and analysis of veterinary drug residues in aquatic products, key test varieties and items were screened, in order to improve the quality and safety of aquatic products and ensure the safety of people’s dinner tables.Keywords: colloidal gold immunochromatography; veterinary drug residue; aquatic products水产品的兽药残留问题一直都是人们关注的焦点,随着水产养殖业的持续发展,其呈现出规模化及高密度养殖态势,极大程度地满足了消费者对水产品的日常需求。
孔雀石绿免疫胶体金快速检测卡使用说明本产品用于快速检测水产品组织样品中的孔雀石绿残留,整个检测过程只需要40分钟左右,适用于各类企业及检测机构,本产品检测限如下表所示1、检测原理:孔雀石绿快速检测卡应用了竞争抑制免疫层析的原理,样品中的孔雀石绿在流动的过程中与胶体金标记的特异性单克隆抗体结合,抑制了抗体和NC膜检测线(T)上孔雀石绿-蛋白偶联物的结合。
如果样品中孔雀石绿含量大于1ppb,检测线(T)不显颜色或者检测线(T)比质控线(C)浅两个色差以上(含两个),结果为阳性;反之,检测线(T)显红色,结果为阴性。
需自备设备:均质器;电子天平;称量勺;离心机;氮(空)气吹干仪;微量移液器。
3、样品处理:组织样(虾要去掉头和壳后彻底清洗干净,鱼要去鳞后洗净)应当避光冷藏保存。
1.取切碎的一定量的组织样本,用均质器均质;2.称取2g均质于15ml离心管中;3.用微量移液器加入1.5mlMG提取剂1,然后加入4ml MG提取剂2和1管MG提取剂3于15ml离心管中。
4.剧烈振荡3min后,加入一管MG提取剂4,剧烈振荡1分钟后,室温下4000r/min离心5min;5.用微量移液器移取3ml上清于15ml离心管中,用微量移液器加入1ml正己烷,上下颠倒6次,室温4000r/min离心1min,用微量移液器移取离心管刻度1ml到3ml之间的液体(大约2ml)到新的5ml离心管中,再加入MG氧化剂瓶内的下层黄色液体0.1ml,混合均匀1分钟后,65℃加热条件下,用空气吹干;6.用微量移液器向吹干的离心管中加入300ulMG复溶液,用微量移液器冲洗溶解试管内壁上残留物;静置2分钟;7.吸取待检样品溶液100微升于金标微孔中,用小滴管吹打完全溶解孔内红色物质,等待反应5分钟。
4、使用步骤:1. 在进行测试前先完整阅读使用说明书,使用前将试剂板和待检样本溶液恢复至室温(20℃~25℃);2. 从原包装袋中取出试剂板,水平放置于观察者正面,如下图右侧所示(打开后请立即使用);3. 吸取待检样品溶液60~80微升于加样孔中(滴管滴3滴),加样后开始计时;4. 结果应在8~10分钟读取,其他时间判读无效。
应用快速检测试剂盒预测水样和水产品中孔雀石绿
王丽玲
【期刊名称】《实用预防医学》
【年(卷),期】2007(14)6
【摘要】目的应用快速检测试剂盒预测水样和水产品中孔雀石绿和隐性孔雀石绿残留量。
方法水样采用水体中孔雀石绿快速检测试剂盒预测;水产品采用水产品中孔雀石绿、结晶紫现场快速检测试剂盒预测。
结果水样中孔雀石绿和隐性孔雀石绿检出率为2.9%,水产品中孔雀石绿和隐性孔雀石绿检出率为11.4%。
结论可用快速检测试剂盒对水样和水产品中孔雀石绿和隐性孔雀石绿残留量进行预测。
【总页数】2页(P1900-1901)
【关键词】孔雀石绿残留量;检测试剂盒;预测
【作者】王丽玲
【作者单位】珠海市疾病预防控制中心
【正文语种】中文
【中图分类】R123.1
【相关文献】
1.水产品中孔雀石绿残留免疫胶体金快速检测试剂盒的优化 [J], 孟霞;谢世红;银旭红;刘彬;胡叶军;桑丽雅
2.孔雀石绿快速检测试剂盒的比较研究以及在水产品监控中的应用 [J], 席寅峰;尹飞
3.孔雀石绿快速检测试剂盒的比较研究以及在水产品监控中的应用 [J], 钱蓓蕾;王媛;蔡友琼
4.水产品中孔雀石绿和结晶紫残留免疫胶体金快速检测试剂盒产品的比较和应用选择 [J], 何洁怡
5.水产品中孔雀石绿和结晶紫残留免疫胶体金快速检测试剂盒产品的比较和应用选择 [J], 何洁怡
因版权原因,仅展示原文概要,查看原文内容请购买。
水产品中孔雀石绿快速检测方法
组织检测步骤:
鱼虾等去皮、脂肪,用均质器均质样本,称取2±0.05g均质物于15ml离心管;加入1瓶去脂试剂,振荡2min,室温4000rpm,离心3min。
倒掉上清液,把肉样弄松散(若要做添加实验,请在此刻加入添加物);加入1瓶提取剂A,立即摇匀,然后加入1瓶提取剂B,充分振荡混合5min,室温4000rpm,离心5min;取上层有机层4ml到15ml离心管中,加入20ul衍生化试剂,涡旋1min,加入4ml净化剂,颠倒混匀1min,静置1min;取下层(溶液显紫红色)2ml,55℃下使用便携式空气吹干仪吹干;然后加入0.5ml缓冲液剧烈涡旋2min,待检。
检测:从包装中取出微孔,用移液器吸取待检液体80ul至微孔中充分吸打均匀,然后全部滴加至检测卡加样孔(检测卡平放),静置8-15分钟,根据示意图判读结果(见彩图)水样检测步骤:
①用移液器吸取80µl样本液至样品孔中。
②静置5-8分钟,根据示意图判读结果。
结果判定及示意图:
在试纸卡的中央判读区喷有2条线,上面一条为对照线(C线),下面一条为测试线(T线)。
若样品液中孔雀石绿的浓度小于检测限时,则T线显色比C线强,或显色与C线相近;若样品液中孔雀石绿的浓度大于检测限时,则T线显色比C线浅很多或T线显绿色。
实验设备:
1、孔雀石绿快速检测卡;
2、PRO-12L空气吹干仪;
3、HH-1水浴锅;
4、80-2离心机;
5、均质器;
6、掌上电子天平。
DOI :10.15906/11-2975/s.20210914[摘要]为建立快速筛选孔雀石绿的前处理方法,对标行标水产品中孔雀石绿的快速检测胶体金免疫层析法(KJ201701),用于水产品中药物残留的现场快速检测使用。
试验采用提取、氧化、浓缩和复溶四个步骤,对氮吹、SPE柱、反萃取三种不同提取方式进行前处理优化和比较,通过胶体金免疫层析试纸条进行检测。
结果表明:三种方法均能达到同时检测水产品中孔雀石绿的目的,检测时间为反向萃取法<SPE 柱法<氮吹法。
说明反向萃取法具有用时短、不需要复杂仪器、检测结果准确率高的特点,更适合用于基层快速检测。
[关键词]孔雀石绿;水产品;前处理[中图分类号]S816.17[文献标识码]A[文章编号]1004-3314(2021)09-0075-04孔雀石绿胶体金检测样品前处理工艺的优化高海岗1,刘秀梵1*,王晓泉1,蒋春茂2,郑砚超3(1.扬州大学,江苏扬州225009;2.江苏农业职业技术学院,江苏泰州225300;3.无锡中德伯尔生物技术有限公司,江苏无锡214174)孔雀石绿又叫孔雀绿、碱性绿,是一种人工合成的三苯甲烷类燃料(陈义元,2018),因其在细菌合成过程中能阻止蛋白肽的形成而具有杀菌效果,被广泛用于水产养殖和运输领域。
但孔雀石绿及其代谢物隐性孔雀石绿(LMG )具有致癌、致畸和致突变毒性,已被多国禁用,2002年农业部颁布的《动物性食品中兽药最高残留限量》中明确禁止使用孔雀石绿等多种违禁药物。
但多年来的检测结果显示,我国部分省市在养殖领域和流通领域还在长期使用(师真等,2020;林锏锐等,2019;范芳芳等,2019),严重危害农产品食用安全。
根据文献报道和相关检测数据显示,国内市面上出售的水产品中孔雀石绿、硝基呋喃类药物、氯霉素的检出率为6.5%~23.2%(李菊等,2020)。
为快速监测养殖领域和流通领域违法使用兽药,我国出现了大量的快速检测试剂盒和检测试纸条。
孔雀石绿胶体金快速检测试剂板的研制及应用桑丽雅;王振国;柳爱春【摘要】为建立孔雀石绿免疫胶体金快速检测试剂板,采用杭州南开日新生物技术有限公司实验室自制的包被抗原孔雀石绿卵清蛋白偶联物(MG-OVA)、抗孔雀石绿单抗作为原料,将各组分经过调试优化后组装成试剂板.结果表明,该试剂板对阴性水产样品的检测结果与液相-串联质谱法(LC-MS/MS)完全符合,对水产品中孔雀石绿和隐性孔雀石绿的最低检出限分别为1 μg/kg和3 μg/kg,整个检测所需时间约30 min.该试剂板具有快速、灵敏、准确的特点.%Malachite green(MG) colloidal gold rapid test device is mainly made from MG-OVA developed by us, and anti-MG monoclonal antibody with the optimized mixture ratio. Testing results show that the rapid test device and LC-MS/MS have the consistent results to test negative seafood samples the lowest detection limits for MG and leuco-MG are respectively 1 pig/kg and 3 jig/kg, and the testing time for one sample is about 30 minutes. This test device is rapid, sensitive and accurate.【期刊名称】《西北农业学报》【年(卷),期】2012(021)006【总页数】6页(P186-191)【关键词】孔雀石绿;胶体金;人工抗原;单克隆抗体;快速检测【作者】桑丽雅;王振国;柳爱春【作者单位】杭州南开日新生物技术有限公司,杭州310022;杭州南开日新生物技术有限公司,杭州310022;杭州市农业科学研究院,杭州310024【正文语种】中文【中图分类】R392.12孔雀石绿(分子式C23H25ClN2,又名碱性绿、盐基块绿、孔雀绿)是一种带有金属光泽的绿色结晶体,属三苯甲烷类染料,过去常被用于制陶业、纺织业、皮革业、食品颜色剂和细胞化学染色剂。
胶体金免疫层析法测定水产品中孔雀石绿药物残留的方法探索作者:王玉梅来源:《渔业致富指南》 2018年第4期1. 材料与方法1.1 原理样品中的孔雀石绿、隐色孔雀石绿经有机试剂提取,吸附剂净化,正己烷除脂后,加入氧化剂将隐色孔雀石绿氧化成为孔雀石绿,经浓缩复溶后,孔雀石绿与胶体金标记的特异性抗体结合,抑制了抗体和微孔膜检测线(T线)上抗原的结合,从而导致检测线颜色深浅的变化。
通过检测线与控制线(C线)颜色深浅比较,对样品中孔雀石绿和隐色孔雀石绿总量进行定性判定。
1.2 仪器移液器:200μL、1mL和5mL涡旋混合器离心机:转速≥4000r/min电子天平:感量分别为0.01mg 和0.01g氮吹浓缩仪恒温水浴锅1.3 试剂盒四年来,一直用的是无锡中德伯尔生物技术有限公司的孔雀石绿快速检测试剂盒,开展检测前,先任意抽取3个检测卡进行性能验证,验证检测卡是否有效。
1.4 孔雀石绿质控加标液的配制配制孔雀石绿(无色)标准溶液,浓度为2.0μg/mL,溶剂:乙腈,存放于4℃冰箱,避光保存(有效期1年)。
1.5 检测流程和方法检测方法参照试剂盒里的使用说明书阴性结果:T线比C线深或一样深,表示样本中孔雀石绿浓度低于其检测限;阳性结果:T 线比C线浅,表示样本中孔雀石绿浓度高于其检测限1.6 检测条件检测条件见表1。
2. 检测结果与讨论2.1 检测结果见表22.2 讨论2.2.1 样品前处理一定要认真。
样品要求新鲜,取脂肪含量较低部位的肌肉,比如鱼,要求去皮、去骨,去脂肪,只取背上的一部分肉;虾要去头、去壳,取虾仁,肉取好后要充分粉碎成肉糜状,否则肉的颗粒太大,在检测时,与试剂接触的面较小,不能充分提取、氧化,最后可能会出现假阴性。
我们曾做了对照试验,对同一样品采取不同的样品处置方法,一个是肉糜状,一个加工粗糙,有骨头,鱼肉用剪刀剪后,没有充分粉碎,颗粒较大,在样品中直接添加浓度为3.0μg/kg孔雀石绿标准溶液进行检测,结果会出现假阴性。
水产品中孔雀石绿的快速检测胶体金免疫层析法(KJ201701)1范围本方法规定了水产品及其养殖用水中孔雀石绿和隐色孔雀石绿总量的胶体金免疫层析快速检测方法。
本方法适用于鱼肉及养殖用水中孔雀石绿和隐色孔雀石绿总量的快速测定。
2原理样品中孔雀石绿、隐色孔雀石绿经有机试剂提取,吸附剂净化,正己烷除脂后,加入氧化剂将隐色孔雀石绿氧化成为孔雀石绿,经浓缩复溶后,孔雀石绿与胶体金标记的特异性抗体结合,抑制抗体和检测卡中检测线(T线)上抗原的结合,从而导致检测线颜色深浅的变化。
通过检测线与控制线(C线)颜色深浅比较,对样品中孔雀石绿和隐色孔雀石绿总量进行定性判定。
3试剂和材料除另有规定外,本方法所用试剂均为分析纯,水为GB/T 6682规定的二级水。
3.1 试剂3.1.1正己烷。
3.1.2乙腈。
3.1.3冰乙酸。
3.1.4盐酸。
3.1.5吐温-20。
3.1.6氯化钠。
3.1.7对-甲苯磺酸。
3.1.8无水乙酸钠。
3.1.9盐酸羟胺。
3.1.10无水硫酸钠。
3.1.11中性氧化铝:层析用,100目~200目。
3.1.12二氯二氰基苯醌。
3.1.13氯化钾。
3.1.14磷酸二氢钾。
3.1.15十二水合磷酸氢二钠。
3.1.16饱和氯化钠溶液:称取氯化钠(3.1.6)200g,加水500mL,超声使其充分溶解。
3.1.17盐酸羟胺溶液(0.25g/mL):称取2.5g盐酸羟胺(3.1.9),用水溶解并稀释至10mL,混匀。
3.1.18乙酸盐缓冲液:称取4.95g无水乙酸钠(3.1.8)及0.95g对-甲苯磺酸(3.1.7)溶解于950mL 水中,用冰乙酸(3.1.3)调节溶液pH为4.5,用水稀释至1L,混匀。
3.1.19二氯二氰基苯醌溶液(0.001mol/L):称取0.0227g二氯二氰基苯醌(3.1.12)置于100mL 棕色容量瓶中,用乙腈(3.1.2)溶解并稀释至刻度,混匀。
4℃避光保存。
3.1.20复溶液:称取8.00g氯化钠(3.1.6),0.20g氯化钾(3.1.13),0.27g磷酸二氢钾(3.1.14)及2.87g十二水合磷酸氢二钠(3.1.15)溶解于900mL水中,加入0.5mL吐温-20(3.1.5),混匀,用盐酸(3.1.4)调节pH为7.4,用水稀释至1L,混匀。
关于孔雀石绿快速检测卡的使用说明(组织)【概述】孔雀石绿是一种带有金属光泽的绿色结晶体,又名碱性绿、严基块绿、孔雀绿,其既是杀真菌剂,又是染料,易溶于水,溶液呈蓝绿色。
长期以来,渔民都用它来预防鱼的水霉病、鳃霉病、小瓜虫病等,而且为了使鳞受损的鱼延长生命,在运输过程中和存放池内,也常使用孔雀石绿。
科研结果表明,孔雀石绿在鱼内残留时间太长,且其具有高毒性、高残留和致癌、致畸、致突变等副作用,鉴于此,许多国家均将孔雀石绿列为水产养殖禁用药物。
【用途】本试纸卡为定性检测,可用于检测组织,鱼、虾、以及鱼池或者鱼缸水样中的孔雀石绿残留。
适于现场监控和大量样本筛查,注意,去离子水不能作为阴性对照。
【试剂组份】需自备设备:搅拌器振荡器电子天平离心机空气吹干仪移液器【检测原理】本检测卡采用胶体金免疫层析方法,在NC膜上预包被偶联抗原和羊抗鼠IgG抗体,样本中残留的孔雀石绿药物和NC膜上预包被的偶联抗原竞争孔雀石绿抗体,抑制抗原和孔雀石绿抗体的结合。
从而通过对检测线和质控线的观察就可以判断样品中孔雀石绿药物是否超过检测限。
【技术指标】孔雀石绿快速检测试纸条技术指标为水样2ppb组织2ppb。
【样品处理】1. 鱼虾蟹、畜禽肉、内脏等去皮、脂肪,用均质器均质样本,取1g去脂肪组织样本,加入到配套的15ml离心管中。
2.向离心管中准确加入2ml MG提取液1和2ml MG提取液2,将瓶塞盖紧密封,用力振荡5分钟,4000rpm离心1分钟(备注:如实验室没有大离心机设备,可以用小离心管取1.5ml上清液,用小离心机离心)。
3.用吸管取0.6mL上清液到小玻璃杯中,吹干滤液(空气吹干仪),然后用0.3ml MG复溶液复溶杯底固体。
此溶解液即为检测液.4.取出试纸,开封后平放在桌面,用滴管向试纸孔缓慢而准确地逐滴加入3滴检测液。
5.10分钟判断结果,半小时后的结果判读无效。
(ps:鱼池或鱼缸中水样检测前,需将采取的水样PH调节到中性后,直接进行检测)【使用步骤】1.在进行测试前先完整阅读使用说明书,使用前将试剂板和待检样本溶液恢复至室温(20℃~30℃)。
附件1水产品中孔雀石绿的快速检测胶体金免疫层析法(KJ201701)1范围本方法规定了水产品及其养殖用水中孔雀石绿和隐色孔雀石绿总量的胶体金免疫层析快速检测方法。
本方法适用于鱼肉及养殖用水中孔雀石绿和隐色孔雀石绿总量的快速测定。
2原理样品中孔雀石绿、隐色孔雀石绿经有机试剂提取,吸附剂净化,正己烷除脂后,加入氧化剂将隐色孔雀石绿氧化成为孔雀石绿,经浓缩复溶后,孔雀石绿与胶体金标记的特异性抗体结合,抑制抗体和检测卡中检测线(T线)上抗原的结合,从而导致检测线颜色深浅的变化。
通过检测线与控制线(C线)颜色深浅比较,对样品中孔雀石绿和隐色孔雀石绿总量进行定性判定。
3试剂和材料除另有规定外,本方法所用试剂均为分析纯,水为GB/T 6682规定的二级水。
3.1 试剂3.1.1正己烷。
3.1.2乙腈。
3.1.3冰乙酸。
3.1.4盐酸。
3.1.5吐温-20。
3.1.6氯化钠。
3.1.7对-甲苯磺酸。
3.1.8无水乙酸钠。
3.1.9盐酸羟胺。
3.1.10无水硫酸钠。
3.1.11中性氧化铝:层析用,100目~200目。
3.1.12二氯二氰基苯醌。
3.1.13氯化钾。
3.1.14磷酸二氢钾。
3.1.15十二水合磷酸氢二钠。
3.1.16饱和氯化钠溶液:称取氯化钠(3.1.6)200g,加水500mL,超声使其充分溶解。
3.1.17盐酸羟胺溶液(0.25g/mL):称取2.5g盐酸羟胺(3.1.9),用水溶解并稀释至10mL,混匀。
3.1.18乙酸盐缓冲液:称取4.95g无水乙酸钠(3.1.8)及0.95g对-甲苯磺酸(3.1.7)溶解于950mL 水中,用冰乙酸(3.1.3)调节溶液pH为4.5,用水稀释至1L,混匀。
3.1.19二氯二氰基苯醌溶液(0.001mol/L):称取0.0227g二氯二氰基苯醌(3.1.12)置于100mL 棕色容量瓶中,用乙腈(3.1.2)溶解并稀释至刻度,混匀。
4℃避光保存。
3.1.20复溶液:称取8.00g氯化钠(3.1.6),0.20g氯化钾(3.1.13),0.27g磷酸二氢钾(3.1.14)及2.87g十二水合磷酸氢二钠(3.1.15)溶解于900mL水中,加入0.5mL吐温-20(3.1.5),混匀,用盐酸(3.1.4)调节pH为7.4,用水稀释至1L,混匀。
湖南孔雀石绿检测试剂盒介绍
一、原理
本试剂盒采用间接竞争ELISA方法,在微孔条上预包被偶联抗原,样本中的残留物孔雀石绿将和微孔条上预包被的偶联抗原竞争抗孔
雀石绿抗体,加入酶标记物后,用TMB底物显色,样本吸光值与其所含残留物孔雀石绿的含量成负相关,与标准曲线比较即可得出相应残留物孔雀石绿的含量。
二、试剂盒特性
试剂盒灵敏度:0.05ppb
孵育温度:25℃
孵育时间:30min~30min~15min
样本检测限
水样0.1ppb
水产品0.5ppb
交叉反应率
显性孔雀石绿100%
隐性孔雀石绿0.1%
结晶紫95%
隐性结晶紫0.1%
样本回收率
水样、水产品80%到110%
精密度
板内、板间变异系数≤12%
四、所用仪器、试剂
具备的仪器:酶标仪、均质器、振荡器、离心机、刻度移液管、天平(感量0.01g)、氮吹仪、恒温箱
微量移液器:单道20~200µl、单道100~1000µl、多道30~300µl 试剂:乙腈、二氯甲烷、无水硫酸钠、正己烷
五、样本前处理步骤
样本处理前须知
(a)实验中必须使用一次性吸头,吸取不同试剂时要更换吸头。
(b)实验之前须检查各种实验器具是否干净,必要时可对实验器具进行清洁,以避免污染干扰实验结果。
样本前处理需配制:配液1样品提取液
乙腈一二氯甲烷混合溶液:V乙腈一V二氯甲烷=4:1,取40ml 乙腈,再加入10ml二氯甲烷,混匀后使用。
配液2样品复溶液:将4X浓缩复溶液用去离子水按1:3稀释(1份4×浓缩复溶液+3份去离子水),或按所需用量配制。
武汉欣泰扬生物科技有限公司
孔雀石绿免疫胶体金快速检测试剂
卡 使用说明书(Ⅱ)
【产品简介】 本产品用于快速检测水产品组织样品中
的孔雀石绿残留,整个检测过程只需要 40 分钟
左右,适用于各类企业及检测机构。
表一 产品灵敏度
【样品处理】 组织样品(虾要去掉头和壳后彻底清洗干 净,鱼要去鳞后洗干净)应当避光冷藏保存。
样品的处理方法如下:
1. 取切碎的一定量的去脂肪组织样本,用均质机均质;
2. 称取 3 g 均质物于 50 ml 离心管中;
3. 向上述50ml 管中加入提取剂1 溶液 3 ml ,提取剂2溶液3ml,再加入 8 ml 乙腈,盖上盖子剧烈振荡2 min 后,室温下 4000 rpm 离心 5 min ;
4. 移取4 ml 上清液于5 ml 离心管中,加入100μl 氧化剂,颠 倒 混 匀 1 0 秒 ,于 6 0 ℃ 环 境 下 ,利 用 氮气 或 空 气 吹 干。
(若管底剩余 少于10 0 微升吹不干液体为正常现象,可直接复溶使用,不影响检测结果)
5.向吹干的离心管中加入 0.3 ml MG 复溶液,和正己
6.烷 500μl ,于室温下 4000 rpm 离心 1 min ,用移液器移取下层 150 μ
l 溶液 ,待检。
(移液器枪头一定要抵着管底,取底层溶液,以免取到油脂,导致结果异常)
【使用步骤】 测试前先完整阅读使用说明书,使用前
将试剂板和待检样本溶液恢复至室温(20℃~30℃)。
从原包装袋中取出试剂板,水平放置于观察者正面,如下图所示(打开后请立即使用);
吸取待检样品 150 微升加入到金标微孔中,等待反应2分钟后,用滴管吹打至完全溶解孔内红色物质; 吸取孔内所有溶液滴加到加样孔中,加样后开始计时;
结果应在:8~10 分钟读取,其他时间判读无效。
T 线 明显显为绿色的,可判为阳性结果
【结果判断】
阴性(-): T 线显色(测试线,靠近加样孔一端)比
C 线(对照线)深或一样深,表示样品中待检 药物浓度低于2 ppb 或不含待检药物。
阳性(+): T 线显色明显比C 线浅,或T 线呈绿色,
表示样品中待检药物浓度高于2 ppb ,T 线相比C 线越浅,表示样品中待检药物浓度越高。
无效:未出现C 线,表明不正确的操作过程或试剂板
已失效。
应再次仔细阅读说明书,并用新的试 剂板重新测试。
【注意事项】
尽量不要触摸试剂板中央的白色膜面; 请勿使用过期的试剂板;
若需直接检测标准品,请用我方提供的 PBST 缓冲液 进行配制。
切勿重复使用配备的滴管,以免交叉污染; 切勿食用配备的试剂;
试验中务必戴上配备一次性手套; 试验场地要求常温 20℃-30℃的通风条件
【特异性】 本产品与其他种类药物无交
叉反应。
【精密度】 同时使用本产品和孔雀石绿液相质谱串联
质谱法对 150 份样品包括 94 份阴性样本和 56 份阳性样本进行检测,检测结果表明本产品与质谱法的结果符合率为98.0%。
【贮存条件】
4℃~30℃避光保存,切勿冷冻。
【有效期】
12 个月。
【生产日期及批号】
详见包装袋。