加工中心斗笠式刀库终版.ppt
- 格式:ppt
- 大小:1.43 MB
- 文档页数:23
斗笠式刀库的动作过程斗笠式刀库在换刀时整个刀库向主轴平行移动。
(1)还刀取下主轴上原有刀具,当主轴上的刀具进入刀库的卡槽时,主轴向上移动脱离刀具。
(2)抓刀刀库转动,当目标刀具位于主轴正下方时,主轴下移,使刀具进入主轴锥孔内,刀具夹紧后,刀库退回原来的位置,换刀结束。
斗笠式刀库换刀过程动作图PMC和NC程序的配合PMC在整个换刀过程中主要控制刀库的正反转、刀库的前进后退、松刀紧刀阀动作。
NC程序控制主轴的上升和下降、主轴定位。
N19 M99:9001 (参数6071)N1 IF[#1000EQ1]GOTO19 (T CODE=SP TOOL) T代码等于主轴刀号,结束N2 #199=#4003 ( G90/G91 MODLE)N3 #198=#4006 (G20/21 MDOLE) 保留之前的模态信息N4 IF[#1002EQ1]GOTO7 ( SP TOOL=0) 主轴无刀,直接抓刀N5 G21G91G30P2Z0M19 回第2参考点,M19定向,准备还刀N6 GOTO8N7 G21G91G28Z0M19 回第1参考点,M19定向,准备抓刀N8 M50 刀库准备好(使能)N9 M52 刀库靠近主轴N10 M53 松刀吹气N11 G91G28Z0 回第一参考点N12 IF[#1001EQ1]GOTO15 (T CODE=0) 如果指令T0,则无需抓刀N13 M54 刀盘旋转G04X3.0N14 G91G30P2Z0 回第二参考点N15 M55 刀具卡紧N16 M56 刀盘远离主轴N17 M51 旋转结束N18 G#199G#198 恢复模态M代码含义M50刀库旋转使能M51刀库旋转结束M52刀库向右(靠近主轴)M53松刀,吹气M54刀盘旋转M55刀具夹紧M56刀盘向左(远离主轴)宏变量定义宏程序中,利用#1000-#2000宏变量对应PMC信号G54的相应位,可直接和PMC 进行联系,极大的方便了处理。
斗笠式刀库操作说明本操作说明分为调试操作说明、维修操作说明、用户操作说明三部分;有需要可直接翻看某一部分。
目录1 调试操作说明 (2)1.1 设置机床参数 (2)1.2 刀库表初始化 (3)1.3 编写并激活、调用PLC (4)1.3.1 编写PLC (4)1.3.2 编译下载PLC (6)1.3.3 PLC激活 (6)1.4 刀具表操作 (6)1.4.1 新建刀具 (6)1.4.2 装载刀具 (7)1.4.3 卸载刀具 (8)1.4.4 刀具移位 (8)1.4.5 大小刀建立 (9)1.4.6 新刀沿建立 (9)1.5 动作调试 (9)1.5.1 激活刀库调试模式: (9)1.5.2 刀库信号测试: (9)1.5.3 换刀点调整: (10)1.5.4 关闭刀库调试模式 (10)1.5.5 测试连续动作 (10)2 维修操作说明 (10)2.1 换刀中故障,中止 (11)2.2 换刀时,断电、急停或复位 (11)3 用户操作说明 (12)3.1 刀具表操作 (12)3.1.1 新建刀具 (12)3.1.2 装载刀具 (12)3.1.3 卸载刀具 (13)3.1.4 刀具移位 (13)3.1.5 大小刀建立 (14)3.1.6 新刀沿建立 (14)3.2 换刀操作 (15)1 调试操作说明1.1 设置机床参数 快捷操作按钮示意图:点击“菜单键”——“调试”——进入参数设置界面:按照下表设置参数,可使用右边栏“搜索”软按键在各区域直接查找参数编号,如: 在“通用机床数据”界面,点击“搜索”输入“14510”,即可直接搜索到对应参数菜单程序管理加工 程序 参数诊断注:使用刀具名称编程时(如T=“MILL8”),不要设置MD52270_bit7;1.2刀库表初始化参数设置完成后,即可“执行”样例包中“刀库调试”——“换刀子程序”中的“MAG_CONF.SPF”,初始化刀具表(可以在U盘中直接点击“执行”键外部执行;也可拷贝文件至“程序”界面下,执行)U盘中直接点击“执行”拷贝文件至“程序”界面下,执行点击“参数”可进入“刀具清单”界面,系统默认为20把刀位带机械手的刀库;刀具表刷新前(默认)状态刀具表刷新后1.3 编写并激活、调用PLC1.3.1 编写PLC在PLC 主程序OB1模块,网络17,斗笠式刀库子程序TM_DSK_CHANGE(SBR35)模块调用中,按照对应说明填写对应信号点,如下图所示:(详见《PLC 子程序说明》)详细信号说明如下: 示例中:刀盘带有零位信号,故REF_Type=1;数刀信号为低电平,Counter_Type=0;注:如刀盘无零位信号,REF_Type =0;则零位信号I1.5使用空位DB9063.DBX0.0填补;不允许空位不填;信号说明一览表注:MAG_Sure_K(刀具表确认按键)用于在换刀中断或手动更改刀具后,再次换刀前对刀具表与实际刀库是否一致的确认。
时停。
重新压接端子,压紧螺栓此故障消失。
由于斩波主机箱接地螺栓易被忽视,当出现故障时往往向其他方向寻找,而忽视简单的故障现象。
3.2电机车不能调速断开3#连线,打开斩波主机箱盖板,通电检测,观察各指示灯指示正常。
光电给定器弹簧、凸轮均正常。
转动调速手柄,测ADJ(DC0~4V)电压变化,无跟随调速手柄线性变化,±15V电压正常,据此判断光电给定器损坏、更换,电机车正常运行。
3.3电机车牵引力不足司控器调速手柄置于可调范围最高档位置,电机车无力,尤其是过弯道、轨道稍微打滑处,更加明显。
电机车有可能是单电机工作。
检查司控器换向触点、主电机及主回路正常。
打开斩波主机箱盖板、断开司控器3#连线,通电检测,转动调速手柄,观察各指示灯指示正常。
用万用表分别测2个IGBT的GE端电压跟随ADJ电压线性变化情况,发现1个正常;1个没有跟随性、无指示。
更换此IGBT控制线,再次检测正常,试机正常。
这次故障是IGBT控制连线板故障,斩波驱动盒的ER1/ER2红色指示灯应闪烁,但这次无闪烁,是IGBT控制连线板其它元件故障。
3.4电机车无法起动断开司控器里边的3#连线,打开斩波主机箱盖板,通电检测,转动调速手柄。
斩波主机箱驱动盒面板指示灯24V绿灯亮,而±15V绿灯闪烁。
由指示灯显示初判斩波驱动盒损坏,±15V输出电压不正常,更换斩波驱动盒,还是这个故障。
再检查司机控制器接线端子,无24V电源,而辅助电源正常,进一步检查发现,是24V电源地线虚接,感应电压造成24V电源指示灯正常而实际无24V电源,±15V绿灯闪烁,斩波驱动盒输出控制IGBT关断。
3.5电机车重车巷停机电机车满载运行时,在重车巷停机。
维修人员赶到时,检测正常,并能正常运行。
当满载在重车巷运行时又反复出现以上故障。
经分析判断为斩波主机箱温度传感器损坏,电机车重载运行一段时间,主机箱温度升高,传感器损坏,风扇不工作,IGBT关断。
毕业设计说明书设计题目:BT40X16斗笠式刀库的研究与设计姓名学号院系机械工程学院专业机械设计制造及其自动化指导教师2013 年 6 月摘要90年代以来,数控加工技术得到迅速的普及及发展,高速加工中心作为新时代数控机床的代表,已在机床领域广泛使用。
自动换刀刀库的发展俨然已超越其为数控加工中心配套的角色,在其特有的技术领域中发展出符合机床高精度、高效率、高可靠度及多任务复合等概念的独特产品。
刀库作为加工中心最重要的部分之一,它的发展也直接决定了加工中心的发展。
斗笠式刀库一般只能存16~24把刀具,斗笠式刀库在换刀时整个刀库向主轴移动。
当主轴上的刀具进入刀库的卡槽时,主轴向上移动脱离刀具,这时刀库转动。
当要换的刀具对正主轴正下方时主轴下移,使刀具进入主轴锥孔内,夹紧刀具后,刀库退回原来的位置。
关键词:数控加工中心,斗笠式刀库ABSTRACTSince the 1990s, CNC machining technology made the rapid and universal development, as a new era of the representatives of NC machine tools, High-speed processing center has been widely used in the field of machine tools. The development of automatic Tool Change,s tool house in recent years seems to have gone beyond the NC Center for supporting the role of technology in their unique areas of development to meet the high-precision machine tools, high efficiency and reliability, and more complex tasks, such as the concept of unique products . The tool house as a processing center one of the most important part, it has a direct bearing on the development of the processing center's development.Rain hat type knife library normally only save 16 to 24 knife sword rain hat type, change cutters in the library in the sword to the spindle mobile library. Rain hat type knife library normally only save 16 to 24 knife sword rain hat type, change cutters in the library in the sword to the spindle mobile when spindle library on the library card slot cutter into the knife, spindle, when moving upwards from cutter knife library rotation. When to change tool to align the spindle, when spindle moves directly into the spindle cone hole cutter, clamping tool, return the original position knife library.Keywords: CNC processing center, rain hat type knife library摘要 (I)1 绪论 (3)数控机床概述 (3)数控机床的概念 (3)数控机床的组成 (3)数控机床的工作原理 (3)数控机床的特点 (3)数控机床的发展 (3)数控铣床分类 (4)数控立式铣床 (4)数控卧式铣床 (4)万能数控铣床 (4)龙门式数控铣床 (5)数控铣床的功能及加工对象 (5)加工中心知识 (5)自动换刀装置与刀库 (5)自动换刀装置 (5)刀库类型 (6)本章小结 (9)2 总体方案 (9)数控立式升降台铣床的组成及主要技术参数 (9)可能的方案比较及最终选择方案 (10)斗笠式刀库结构组成及工作原理 (12)刀库横移装置的设计: (12)本章小结 (13)3 斗笠式刀库设计 (14)刀库容量的确定 (14)气缸设计和选择 (14)气缸的选择要点 (14)气缸初选 (15)驱动力校核 (15)活塞杆稳定性校核 (16)缸筒壁厚计算 (17)耗气量及刀库横移运动时间的计算 (17)刀库驱动转矩的估算 (18)刀库分度机构的传动设计及计算 (18)旋转部件转动惯量计算 (19)刀库驱动转矩计算 (20)减速电动机的选择 (20)刀库驱动转矩的校核 (20)换刀过程总时间的计算与校核 (21)刀具的选择方式 (21)刀具交换装置的选择 (22)电气元件的选择 (23)气缸磁环开关 (23)马达定位感应开关 (23)刀号计数器开关 (23)本章小结 (23)4 重要零部件的设计 (24)联轴器 (24)联轴器的选择 (24)联轴器校核 (25)刀夹 (25)刀夹作用 (25)刀夹工作原理 (26)本章小结 (26)结论 (27)致谢 (28)参考文献 (30)1 绪论数控机床概述数控机床的概念数字控制是利用数字化信息对机械运动以及加工过程进行控制的一种方法,简称数控(Numerical Control,NC)。
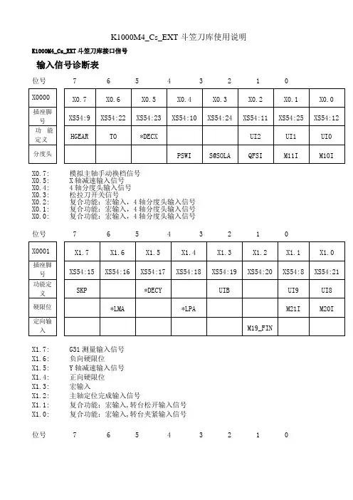
K1000M4_Cs_EXT斗笠刀库使用说明K1000M4_Cs_EXT斗笠刀库接口信号输入信号诊断表位号 7 6 5 4 3 2 1 0X0.7: 模拟主轴手动换档信号X0.5: X轴减速输入信号X0.4: 4轴分度头输入信号X0.3: 松拉刀开关信号X0.2: 复合功能:宏输入,4轴分度头输入信号X0.1: 复合功能:宏输入,4轴分度头输入信号X0.0: 复合功能:宏输入,4轴分度头输入信号位号 7 6 5 4 3 2 1 0X1.7: G31测量输入信号X1.6: 负向硬限位X1.5: Y轴减速输入信号X1.4: 正向硬限位X1.3: 宏输入X1.2: 主轴定位完成输入信号X1.1: 复合功能:宏输入,转台松开输入信号X1.0: 复合功能:宏输入,转台夹紧输入信号位号 7 6 5 4 3 2 1 0X2.7: 主轴报警信号输入X2.5: Z轴减速输入信号X2.4: 急停信号X2.3: 倍率开关输入信号X2.2: 倍率开关输入信号X2.1: 倍率开关输入信号X2.0: 倍率开关输入信号位号 7 6 5 4 3 2 1 0X3.7: 模拟主轴高档位反馈X3.6: 紧刀到位输入信号X3.5: 4轴减速输入信号X3.4:模拟主轴低档位反馈X3.3:ESP 急停X3.2: 暂停X3.1: 启动按钮X3.0: 程序开关位号 7 6 5 4 3 2 1 0X4.7: ESP 急停X4.6: 附加操作盒选择4轴X4.5: 附加操作盒选择Z轴X4.4: 附加操作盒选择Y轴X4.3: 附加操作盒选择X轴X4.2: 手轮脉冲当量X4.1: 手轮脉冲当量X4.0: 手轮脉冲当量位号 7 6 5 4 3 2 1 0X100.7: 模式切换输入信号X100.6: 松刀到位输入信号X100.5: 刀库拉回到位输入信号X100.4: 刀库伸出到位输入信号X100.3: 数刀输入信号X100.2: 刀库零位输入信号X100.1: 刀库手动反转输入信号X100.0: 刀库手动正转输入信号输出信号诊断表位号 7 6 5 4 3 2 1 0Y0.7: 主轴制动输出Y0.6: 报警输出Y0.5: 主轴停止Y0.4: 润滑油开Y0.3: 冷却液开输出Y0.2: 卡盘控制输出Y0.1: 主轴反转Y0.0: 主轴正转位号 7 6 5 4 3 2 1 0Y1.7: 加工完成Y1.6: 模拟主轴输出指示Y1.5: 手动/手轮/单步/回零方式指示信号Y1.4: 润滑油关脉冲输出Y1.3: 冷却液关脉冲输出Y1.2: M11脉冲输出Y1.1: 转台放松输出信号Y1.0: 转台夹紧输出信号位号 7 6 5 4 3 2 1 0Y2.7: 松刀输出信号Y2.6: 分度头气动放松输出Y2.5: 4轴驱动准备就绪输出Y2.4: 复合功能:主轴档位,宏输出Y2.3: 主轴定向输出Y2.2: 复合功能:主轴档位,宏输出Y2.1: 复合功能:主轴档位,宏输出,模拟主轴高档输出Y2.0: 复合功能:主轴档位,宏输出,模拟主轴低档输出位号 7 6 5 4 3 2 1 0Y100.4: 模式切换输出信号Y100.3: 刀库反转输出信号Y100.2: 刀库正转输出信号Y100.1: 刀库拉回输出信号Y100.0: 刀库伸出输出信号K1000M4_Cs_EXT斗笠刀库调试参数说明;;;;;;;;;;;;;;;;;;;;;;;;;;;;;;;;;;;;;;;;;;;;;;;;;;;;;;;;;;;;;;;;;;;;;;;;;;;;;;;PLC记忆型控制继电器信号定义;;;;;;;;;;;;;;;;;;;;;;;;;;;;;;;;;;;;;;;;;;;;;;;;;;;;;;;;;;;;;;;;;SKEY_K = K0.7 ;选择X3.0功能,1-程序开关MST_K = K0.6 ;禁止X3.1为循环启动开关,1-禁止,0-有效MSP_K = K0.5 ;禁止X3.2为暂停开关,1-禁止,0-有效MOT_K = K0.4 ;选择是否检查硬限位1:不检查MESP_K = K0.3 ;禁止急停功能,1-禁止,0-有效MESP3_K = K0.2 ;禁止X4.7为急停开关3,1-禁止,0-有效MESP2_K = K0.1 ;禁止X3.3为急停开关2,1-禁止,0-有效MESP1_K = K0.0 ;禁止X2.4为急停开关1,1-禁止,0-有效KEYI_K =K1.7 ;开机时程序开关状态1:为开0:为关ZDIL_K = K1.6 ;选择主轴制动时是否互锁进给轴TMANL_K = K1.5 ;T代码时手动换刀机能选择;1:有效,0:自动换刀SOLA_K = K1.4 ;松拉刀控制机能;1:有松拉刀控制机能,0:无松拉刀控制机能QJSL_K = K1.3 ;气动夹紧放松旋转分度头机能;1:有效,0:无效AGIN_K =K1.1 ;自动换档时,是否检查档位反馈信号;1:总是检查,0:出现新S时检查AGST_K =K1.0 ;自动换档时,是否需要手动参与;1:需要手工换档并且再次按下启动键MZRN4_K = K2.7 ;选择回零按键方向MZRNZ_K = K2.6 ;选择回零按键方向MZRNY_K = K2.5 ;选择回零按键方向MZRNX_K = K2.4 ;选择回零按键方向ZLOK_K = K2.3 ;选择回零按键自保持RH_AUTO_K = K2.1 ;选择自动润滑机能MNREM_K =K2.0 ;工件计数掉电保持功能1-保持0-不保持MPLS_K = K3.7 ;M代码脉冲输出SUOS_K = K3.6 ;选择宏输出功能1:S1-S8为宏输出,0:MNOUT_K =K3.5 ;选择工件计数到达输出机能TCKI_K =K4.7 ;选择刀位反馈信号检查MSTKY_K =K4.1 ;屏蔽面板按键,0:不屏蔽,1:屏蔽M19S_K =K4.0 ;主轴定向功能1:有效,0:无效MPWE_K =K5.6 ;参数开关屏蔽选择1;参数开关屏蔽0:不屏蔽参数开关TO_K =K5.5 ;选择是否有零位信号1:有零位信号0:无零位信号MT_CHK_K =K5.4 ;屏蔽到位一致检查1:屏蔽EHOF_K =K5.3 ;选择外部手轮时,面板手轮方式是否有效。
毕业设计(论文)题目:斗笠式刀库的设计系别专业班级学生姓名指导教师完成日期毕业设计(论文)任务书济南铁道职业技术学院毕业设计指导书一、设计题目斗笠式刀库的设计二、设计目的随着科学技术和社会的进展,对机械产品的性能、精度、质量、生产率和本钱提出了愈来愈高的要求,数控机床的显现,开辟了机械加工自动化的新纪元,不仅能提高产品的质量和生产率,降低生产本钱,还能改善工人劳动条件。
一个零件往往需要多道工序完成,而单功能的数控机床只能完成单工序的加工,因此在零件生产进程中,要进行多次装卸换刀工作,不仅阻碍劳动效率,还降低了工件精度,加工中心和一般单功能机床的区别在于有了刀库和自动换刀装置,如此,一次装夹就可完成多到工序的加工,提高了零件精度和劳动效率。
此刻加工中心上刀库种类很多,有斗笠式、圆盘式等,其中斗笠式刀库结构简单,运动集中,适合与立式加工中心。
刀库本钱低,工艺要求不高,可是国内生产此类刀库的企业较少,大部份需要入口,价钱相对较贵,因此本课题超级有研究价值。
三、设计的技术要求一、斗笠式刀库要紧工作进程为:斗笠式刀库换刀时,由三步组成,第一、刀库横移装置移动到主轴箱能够抵达的位置;第二,刀库分度装置进行选刀,通过精准地分度、定位,将下个工序需要的刀送到指定位置;第三,主轴上自动装卸刀机构准确取刀装刀。
具体进程为:1)、系统接收到换刀指令。
2)、气缸推动刀库移动到主轴位置,保证当前刀位上为空,预备换刀。
3)、主轴打刀缸释放,将主轴被骗前刀具放置到刀库空刀位置。
4)、刀库电机转动,接近目的刀具位置时,接近开关发送指令,电机减速,转到位置停止,预备换刀。
5)、主轴完成装刀动作。
6)、刀库气缸带动刀库返回。
一个换刀动作终止。
二、机械结构的设计通过对加工中心刀库工作目的及工作进程的了解,设计出用横移机构、分度装置及刀盘。
3、技术参数一、机械结构①刀库有8刀位。
②利用槽轮机构完成份度。
③刀柄标准为BT30。
④刀库在圆导轨上滑动,以减小摩擦。
HNC-08MD系统斗笠式刀库使用说明书V0.51、换刀基本过程对于HNC-08MD系统来说,无论是斗笠式刀库还是机械手刀库,其换刀过程均为通过M6调用9999子程序来执行的,9999为扩展程序,如果系统参数中2号参数为0,则可以通过《程序》--《选择程序》--《扩展程序》载入9999程序入内存,来查看9999程序,也可以在电脑上在..\HNC-08MD\EXT目录下用文本方式打开9999文件,查看里面的内容。
M6调用9999程序之后,再通过调用相应的M扩展代码,对换刀的整个过程进行控制。
换刀的M 扩展代码可以在《系统设置》——《辅助功能》里面进行查看。
2、刀库配置表刀库配置表在主界面的《刀库配置》界面下,刀库配置表提供了主轴上和刀库上的所有的刀具信息。
刀库表起始地址:刀库表存储于PLC数据表中,该配置项用以设置刀库表在数据表中的起始地址。
该配置项为参数P0196的引用,与修改参数P0196具有同等效果。
(机床级权限)刀具数量:设置刀库中能存储的刀具数量。
该配置项为参数P0195的引用,与修改参数P0195具有同等效果。
(机床级权限)当前刀具号:设置主轴上夹持刀具的刀具号。
该配置项为数据表D045的引用。
当前刀位号:设置刀库上在换刀位置上的刀位号。
该配置项为数据表D044的引用。
刀具号:设置刀库每个刀位上所装夹刀具的序号。
刀库表的相关地址为:刀库表首地址 = 刀库表起始地址设置值刀库表尾地址 = 刀库表起始地址+刀具数量-1刀位地址 = 刀库表起始地址+刀位号-1数据表中非易失性存储单元地址范围为D000~D255,因此,刀库表尾地址最大不能超过255,否则系统报错。
对于斗笠式刀库来说,刀位号与刀具号一一对应,所以实际的【刀库配置】的刀库配置表内的各个刀位上的刀具号就没有意义,有效的内容只有“当前刀具号”同“当前刀位号”,其二者应该一致。
3、斗笠式换刀3.1、指令格式斗笠式换刀的代码格式:1、“M6TX”或者“TXM6”,X为刀具号;2、“TX;……;M6”;即在执行M6的前面先执行TX,再执行M6,但是这种格式并不能够预选刀,最终选刀的动作还是在执行M06时执行,如果M06前面没有TX,则系统会报警。