自准直仪
- 格式:doc
- 大小:47.50 KB
- 文档页数:4
自准直仪是利用光学自准直原理测量微小角度的长度测量工具。
自准直原理:自准直原理:光线通过位于物镜焦平面的分划板后,经物镜形成平行光。
平行光被垂直于光轴的反射镜反射回来,再通过物镜后在焦平面上形成分划板标线像与标线重合。
当反射镜倾斜一个微小角度α角时,反射回来的光束就倾斜2α角。
自准直仪的光学系统:由光源发出的光经分划板、半透反射镜和物镜后射到反射镜上。
如反射镜倾斜,则反射回来的十字标线像偏离分划板上的零位。
自准直仪分类:因读数系统的不同分为如下几大类:光学自准直仪:直接或利用测微装置或可动分划板从分划板或读数鼓轮上读出α角的分值和秒值。
光学自准直仪的分度值有约1分到十数秒,精度最低。
当以斜率(例如1/200)表示分度值时,通常称这种自准直仪为平面度测量仪。
光学自准直仪:当以光电瞄准对线代替人工瞄准对线时,就称为光电自准直仪。
也有几种不同的类型,光电瞄准(对线)原理与振子式光电显微镜的相似、光栅式或其它,精度较传统自准直仪有所提高。
数字自准直仪:基于DSP、计算机及CCD或CMOS技术的新式自准直仪。
也分为几种,最大差异的分类是按面阵和线阵,面线阵CCD 只能测试一个方向的数据,可以测试两个方向线阵的自准直仪是将两个线阵组合或通过光学方式组合,精度相对差些,最主要的一般都有测试盲点,但是线阵式有时可以做得测试范围更大些。
一般数字自准直仪具有动态响应和跟踪功能,也称为动态自准直仪,部分光电自准直仪也具有此功能。
自准直仪应用:常用于测量导轨的直线度、平板的平面度(这时称为平面度测量仪)等,也可借助于转向棱镜附件测量垂直度等。
光电自准直仪多应用于航空航天、船舶、军工等要求精密度极高的行业,例如机械加工工业的质量保证(平直度、平面度、垂直度、平行度等)、计量检定行业中角度测试标准、棱镜角度定位及监控、光学元件的测试及安装精度控制等等。
自准直仪原理自准直仪是一种用于测量和调整光学元件的仪器,它能够确保光学系统中的元件处于准确的位置和角度,以保证光路的精确性和稳定性。
自准直仪原理是指利用自准直仪进行光学元件的调整和校准所依据的基本原理和方法。
下面将详细介绍自准直仪的原理及其应用。
首先,自准直仪的原理是基于光学干涉的原理。
当自准直仪的测量光束与被测元件的表面相交时,会产生干涉条纹。
通过观察和分析这些干涉条纹的变化,可以确定光学元件的位置和角度是否准确,从而进行调整和校准。
其次,自准直仪原理还涉及到光学元件的反射和折射特性。
不同材料和表面状态的光学元件在光束的反射和折射过程中会产生不同的干涉效应,利用自准直仪可以对这些效应进行精确的测量和分析,从而实现光学元件的精确定位和角度调整。
另外,自准直仪原理还包括了光学系统的稳定性和环境因素的影响。
光学系统在不同的环境条件下会受到温度、湿度、气压等因素的影响,这些因素会导致光学元件的位置和角度发生变化。
自准直仪通过实时监测和反馈调整,可以对这些变化进行及时的补偿和修正,确保光学系统的稳定性和精度。
最后,自准直仪原理还涉及到数据处理和分析的方法。
通过对自准直仪采集到的干涉条纹图像进行数字化处理和分析,可以得到光学元件的位置和角度信息,进而进行自动化的调整和校准。
这些方法包括数字图像处理、信号处理、模式识别等技术,为自准直仪的精确度和效率提供了强大的支持。
综上所述,自准直仪原理是基于光学干涉、反射和折射特性、系统稳定性和数据处理分析等多方面的原理和方法。
通过对这些原理的深入理解和应用,可以实现光学元件的精确定位和角度调整,保证光学系统的精确性和稳定性,为光学测量和调整提供了重要的技术支持。
双向精密自准直仪
简介
双向精密自准直仪是一种用于测量相对高度的仪器。
它可以自动调整水平线,使其垂直于地面,同时提供垂直于水平线的相对高度的测量。
原理
该仪器基于弹簧和气压传感器的原理构建。
它通过将一条光线反射到一个悬挂在弹簧上的镜子上,从而生成水平线。
该仪器还使用气压传感器来测量相对高度。
它可以检测到大气压力的变化,并通过测量来推断仪器的位置。
特点
•高精度:该仪器提供高准确度的测量和自动校准。
•双向测量:该仪器可以同时提供水平线和相对高度的测量。
•简单易用:它具有直观的用户界面和易于操作的控件,使其非常适合现场使用。
•轻巧便携:由于其小巧轻便的设计,该仪器可以轻松携带到现场进行测量。
应用
双向精密自准直仪广泛应用于各种测量领域,包括建筑工程、铁路工程、公路工程和军事测量等。
它可以用于测量建筑物、桥梁、隧道、铁路、道路和其他构造物的高度和水平度。
它也可以用于军事应用,例如调查战场上的障碍物和其他地形特征,以及测量武器的精度和仪器的位置。
总结
双向精密自准直仪是一种高度精密的测量仪器。
它可以实现高准确度的测量和自动校准,同时提供水平线和相对高度的测量。
该仪器适用于各种测量场景,因为它具有直观的用户界面和易于操作的控件,同时拥有便携轻巧的设计,使其成为现场工作的理想选择。
2024年光电自准直仪市场发展现状引言光电自准直仪是一种光电传感器,可以在光线不稳定的情况下实现光线的自动对准。
随着技术的不断进步和应用领域的拓宽,光电自准直仪市场正迎来快速发展。
市场规模分析近年来,光电自准直仪市场规模不断扩大。
据市场调研公司的数据显示,2019年全球光电自准直仪市场规模达到XX亿美元。
预计到2025年,市场规模将达到XX亿美元,年复合增长率预计为XX%。
市场驱动力分析1.工业自动化需求增加:工业自动化的快速发展带来了对精准测量仪器的需求,光电自准直仪作为一种高精度的光电传感器,在工业自动化中得到广泛应用。
2.新兴领域需求增长:光电自准直仪在激光加工、三维扫描等新兴领域得到了广泛应用,随着这些领域的发展壮大,对光电自准直仪的需求也将持续增长。
3.技术不断进步:随着传感器技术的不断进步,光电自准直仪的性能不断提升,更加适应各种复杂环境下的应用需求,这也推动了市场的发展。
市场竞争格局分析目前,光电自准直仪市场竞争格局较为分散。
主要的厂商包括XXX、YYY和ZZZ 等,这些厂商在产品技术研发、渠道建设等方面具有一定的竞争优势。
市场发展趋势展望1.技术创新:市场竞争加剧,企业需要不断创新技术,提高产品性能和稳定性。
2.多元化应用:随着光电自准直仪在新兴领域的应用增加,市场需求将会更加多元化,企业应及时调整产品结构,满足不同行业的需求。
3.产品定制化:在竞争激烈的市场环境下,企业需要根据客户需求,提供个性化、定制化的产品和解决方案,以增加市场份额。
结论光电自准直仪市场发展迅猛,市场规模持续增长。
市场竞争激烈,技术创新和产品多元化将成为企业发展的关键。
随着工业自动化的推进和新兴领域的不断涌现,光电自准直仪市场前景广阔,企业应抓住机遇,不断提升产品竞争力。
自准直仪原理自准直仪是一种用于测量和调整光学系统的仪器,它能够精确地确定光学系统的光轴位置和方向。
在现代光学领域,自准直仪被广泛应用于望远镜、显微镜、激光器等光学系统的制造和校准过程中。
本文将介绍自准直仪的原理及其工作原理。
自准直仪的原理是基于光学干涉原理的。
光学干涉是指两束或多束光波相互叠加,形成明暗条纹的现象。
自准直仪利用这一原理,通过光波的干涉来测量光学系统的光轴位置和方向。
当光线与光学系统的光轴重合时,干涉条纹将保持稳定,而当光线偏离光轴时,干涉条纹将产生移动。
通过测量干涉条纹的移动情况,就可以确定光学系统的光轴位置和方向。
自准直仪通常由光源、分束器、透镜、干涉仪和检测器等部件组成。
光源发出的光线经过分束器分成两束,一束直射到光学系统上,另一束经过透镜成为平行光,然后通过干涉仪和检测器进行干涉条纹的测量。
当光学系统的光轴与平行光的方向重合时,干涉条纹将保持稳定,检测器将输出零信号;而当光学系统的光轴偏离平行光的方向时,干涉条纹将产生移动,检测器将输出相应的信号。
通过测量检测器的输出信号,就可以确定光学系统的光轴位置和方向。
自准直仪的工作原理是基于干涉测量技术的,它能够实现对光学系统光轴位置和方向的精确测量和调整。
在光学系统的制造和校准过程中,自准直仪起着至关重要的作用,它能够帮助工程师们快速准确地调整光学系统,确保光学系统的性能达到设计要求。
同时,自准直仪还具有测量精度高、操作简便等优点,因此在光学制造和校准领域得到了广泛的应用。
总之,自准直仪是一种基于光学干涉原理的测量仪器,它能够实现对光学系统光轴位置和方向的精确测量和调整。
在现代光学制造和校准领域,自准直仪发挥着重要作用,为光学系统的制造和校准提供了有力的技术支持。
希望本文能够帮助读者更好地理解自准直仪的原理及其工作原理,进一步推动光学技术的发展和应用。
实验七自准直仪测量直线度一、仪器原理:自准直仪是测量微小角度变化量的精密光学仪器,它适用于测量精密导轨的直线度误差及小角度范围内的精密角度测量,用自准直仪测量被测量要素的直线度误差。
利用自准直仪的光轴模拟理想直线,将被测量直线与理想直线比较,将所得数据用作图法或计算法来求出直线度误差值。
图3-3-1为自准直仪外形图。
图3-3-1自准直仪外形图1-灯头2-光源锁紧螺母3-读数鼓4-目镜5-紧固螺钉6-光电头锁紧鼓7-光电头8-基座支架9-物镜10-反射镜11-光电检波器图3-3-2自准直仪光路系统图1-光源2-聚光镜3-十字线分划板4-立方棱镜5-物镜组6-反射镜7-分光镜8-双刻线分划板9-目镜10-振动狭缝11-聚光镜12-光敏电阻13-测微螺丝14-测微读数鼓轮15-光电检波器自准直仪的光路系统如图3-3-2所示,光源1发出的光线经聚光镜2,照亮十字线分划板3后,经过中间有半透膜的立方棱镜4射向物镜组5,经物镜组成平行光束投射到反射镜6上。
平行光束经反射镜又返回到立方棱镜4,并反射向上至分光镜7。
一路光透过分光镜7,把分划板3的十字线成象在带双刻线分划板8上,通过目镜9即可进行目视瞄准;另一路光在分光镜7上反射,把十字线成象在振动狭缝10处,再经聚光镜11聚焦到光敏电阻12上,光敏电阻将光通量的变化转变为电信号,并送至检波器,经处理后由微安表指示。
振动狭缝、光敏电阻、和测微分划板连成一体,并装在光电头壳体中。
旋转测微读数鼓轮14能带动它们一起移动,可使狭缝振动中心与十字线象中心重合,此时微安表的指针指零,表示已瞄准好。
同时,在目镜视场中测微分划板的双线也应瞄准十字线象,表示目视瞄准与光电瞄准是同步的。
通过读数鼓轮便可读出一个角度值,(或从光电检波器上读数)。
测量时,平面反射镜6偏转某一角度,十字线象在双刻线分划板8和振动狭缝10上的位置就有所改变。
旋转读数鼓轮再次进行瞄准,即可在鼓轮(光电检波器)上读得另一角度值。
光电自准直仪工作原理
光电自准直仪是一种用于测量物体辐射亮度分布的仪器,利用光电转换和自动调节光路的原理,实现对光束的自动准直和定位。
光电自准直仪的工作原理可以分为以下几个步骤:
1. 光束进入:在光电自准直仪的前端,光束通过一个光学系统(例如透镜组、光阑等)被聚焦或限制,保证光束的入射范围。
2. 光电转换:入射的光束经过光电转换模块,例如光电二极管或光电元件,将光信号转换为电信号。
光电转换器件通常会测量光束的能量、强度等参数。
3. 自动调节光路:通过对光电信号进行处理,控制光路的自动调节。
光电自准直仪通常会配备一个反馈控制系统,根据前一步的光电信号输出结果对光路进行微小调整,使光束满足准直的要求。
4. 数据记录与处理:光电自准直仪将测得的光信号进行数字化处理,并记录下各个位置或方向的光强度值。
根据这些数据可以分析出物体的辐射亮度分布。
通过这样的工作原理,光电自准直仪能够对光束进行自动准直,使其聚焦在一个特定的区域,然后将光信号转化为电信号,并通过自动调节光路实现准直的实时控制。
这种仪器广泛应用于光学测量、光学通信、激光器质量控制等领域。
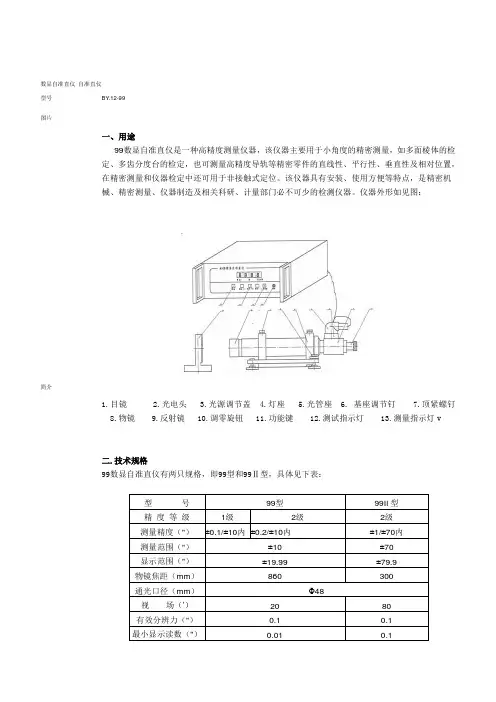
数显自准直仪自准直仪型号BY.12-99 图片简介一、用途99数显自准直仪是一种高精度测量仪器,该仪器主要用于小角度的精密测量,如多面棱体的检定、多齿分度台的检定,也可测量高精度导轨等精密零件的直线性、平行性、垂直性及相对位置,在精密测量和仪器检定中还可用于非接触式定位。
该仪器具有安装、使用方便等特点,是精密机械、精密测量、仪器制造及相关科研、计量部门必不可少的检测仪器。
仪器外形如见图:1.目镜2.光电头3.光源调节盖4.灯座5.光管座6. 基座调节钉7.顶紧螺钉8.物镜9.反射镜 10.调零旋钮 11.功能键 12.测试指示灯 13.测量指示灯v二.技术规格99数显自准直仪有两只规格,即99型和99Ⅱ型,具体见下表:型号99型99II型精度等级1级2级2级测量精度(")±0.1/±10内±0.2/±10内±1/±70内测量范围(")±10±70显示范围(")±19.99±79.9物镜焦距(mm)860300通光口径(mm)Φ48视场(′)2080有效分辨力(")0.10.1最小显示读数(")0.010.1瞄准重复性(")0.10.2外型尺寸准直仪(mm)420×150×170300×150×170电箱(Kg)320×280×120320×280×120重量准直仪(mm) 4.53电箱(Kg)33电源220V, 50Hz交流电功耗< 25瓦三、工作原理(一)光机部分99型数显自准直仪运用自准直法为基本原理,通过光电瞄准对被测件的角位移进行精密测量。
其光学系统如图v1.光源2.毛玻璃3.聚光镜4.十字分划板5.立方棱镜6.物镜组7.反射镜8.立方棱镜9.刻度分化板 10.目镜组 11.振动狭缝 12 振子 13聚光镜 14光敏电阻当光源透过位于物镜焦平面上的十字线,并通过物镜后,成一束与光轴平行的平行光射向平面反射镜。
自准直仪的工作原理
自准直仪是一种在测量工程中经常使用的高精度测量仪器,其主要用
途是在进行测量时对仪器的方向和姿态进行修正,从而保证测量结果
的准确性。
下面我们来分步骤介绍自准直仪的工作原理。
第一步,光路原理
自准直仪的原理基于光路原理,其本质就是使用光束探测测量仪器的
姿态角。
在自准直仪中,主要使用激光光束照射到一个旋转的反射镜
或者棱镜上,然后通过像差透镜和准直透镜进行光路的整理,在透镜
后面的位置安装一个导轨(通过固体角度的反射来达到精细定位),
通过该导轨可以精细调节透镜的位置,从而实现光路的精细调节。
第二步,姿态测量
在自准直仪的光路准备好之后,接下来就是通过光束测量仪器的姿态。
在自准直仪中,主要采用两种不同的测量方法:一种是水平仪的形式,通过调节光路达到水平状态;另一种是在仪器旋转的平面上采用静电
力进行测量,进行姿态波动捕捉。
第三步,姿态校正
在完成姿态测量之后,可以通过自准直仪进行姿态校正。
在自准直仪中,主要采用动态校正和静态校正两种方法,其中动态校正是在仪器
运动时对仪器进行测量和校正,静态校正是在仪器静止时对仪器进行
测量和校正。
第四步,数据处理和输出
在完成姿态校正之后,可以将校正后的数据进行处理和输出。
在自准
直仪中,主要通过计算机进行数据处理和输出,使得测量结果更加准确。
总结一下,自准直仪的工作原理主要基于光路原理,并且采用激光光
束进行姿态测量和校正,其中动态校正和静态校正是非常重要的环节。
通过自准直仪的工作,可以大大提高测量结果的准确性和稳定性,从
而适用于各种高精度测量工程中。
自准直仪使用方法一、什么是自准直仪?自准直仪是一种用来测量地面或建筑物的水平度和垂直度的仪器。
它能够通过激光技术提供高精度的测量结果,广泛应用于建筑、施工、工程测量等领域。
二、自准直仪的结构和原理自准直仪一般由激光发射器、激光接收器、测量传感器和显示屏等组成。
其工作原理是利用激光器发射出的激光束,在被测物体上形成一条水平线或垂直线,通过激光接收器接收到反射回来的激光信号,并通过测量传感器计算出被测物体的水平度或垂直度。
三、自准直仪的使用步骤1. 设置基准点:在使用自准直仪之前,首先需要确定一个基准点,即被测物体的参考点。
通常选择地面上的一个固定点或建筑物的一个稳定点作为基准点。
2. 安装自准直仪:将自准直仪放置在基准点附近的平稳水平面上,并根据需要调整仪器的高度和方向。
3. 打开自准直仪:按下自准直仪的开关按钮,待仪器启动后,激光发射器会开始发射激光束。
4. 瞄准测量目标:使用仪器上的瞄准器或望远镜,将激光束对准需要测量的目标物体上的参考点。
5. 读取测量结果:通过自准直仪上的显示屏可以直接读取到被测物体的水平度或垂直度数值。
有些自准直仪还可以将数据传输到计算机或移动设备上进行进一步分析和处理。
四、自准直仪的注意事项1. 在使用自准直仪之前,需要确保仪器的电量充足,并检查仪器的各个部件是否正常。
2. 在测量过程中,要避免激光束直接照射到人眼,以免对眼睛造成损伤。
3. 在选择测量目标时,应尽量选择平整、稳定的表面,以保证测量结果的准确性。
4. 自准直仪在使用过程中应保持稳定,避免受到外力的干扰,以免影响测量结果的精度。
5. 使用完毕后,应将自准直仪放置在干燥、通风的地方,避免受潮或受到其他物质的污染。
五、自准直仪的优势和应用领域自准直仪具有使用方便、测量精度高、效率高等优点,被广泛应用于建筑、施工、工程测量等领域。
它可以快速准确地测量建筑物的水平度和垂直度,帮助工程师和施工人员进行精细化的施工操作。
自准直仪原理自准直仪是一种用于测量和校准光学仪器的精密仪器,它采用了先进的技术和原理,能够实现高精度的测量和校准。
在现代科学研究和工程技术中,自准直仪扮演着非常重要的角色。
本文将介绍自准直仪的原理及其应用。
自准直仪的原理主要基于光学的干涉和衍射现象。
当一束光线通过自准直仪的光学系统时,会发生干涉和衍射现象,这些现象会受到被测量物体的表面形貌和光学特性的影响。
通过测量干涉和衍射现象的变化,可以确定被测量物体的形貌和光学特性,从而实现测量和校准的目的。
自准直仪通常由光源、光学系统、探测器和数据处理系统等部分组成。
光源产生一束光线,经过光学系统聚焦成一束平行光,照射到被测量物体表面上。
被测量物体表面的形貌和光学特性会改变光线的传播,产生干涉和衍射现象。
探测器接收到经过被测量物体表面反射或透射的光线,将其转换成电信号,经过数据处理系统处理后得到测量结果。
自准直仪可以应用于各种光学仪器的测量和校准,例如望远镜、显微镜、激光器等。
在望远镜的制造过程中,需要对镜片的形貌和光学特性进行精密测量和校准,以确保望远镜具有良好的成像质量。
自准直仪可以实现对镜片的形貌和光学特性的精密测量,为望远镜的制造提供重要的技术支持。
除了在光学仪器制造中的应用,自准直仪还可以用于科学研究和工程技术中的各种领域。
例如,在航天器的制造过程中,需要对航天器的光学系统进行精密校准,以确保航天器能够准确地进行观测和测量。
自准直仪可以实现对航天器光学系统的精密校准,为航天器的研制和使用提供重要的技术支持。
总之,自准直仪是一种应用广泛、功能强大的光学测量和校准仪器,它基于光学的干涉和衍射原理,能够实现对光学仪器的精密测量和校准。
在现代科学研究和工程技术中,自准直仪发挥着重要的作用,为各种光学仪器的制造和使用提供重要的技术支持。
相信随着科学技术的不断发展,自准直仪将会在更多的领域发挥重要作用,为人类的发展进步做出更大的贡献。
自准直仪欧洲技术标准自准直仪(Autocollimator)是一种精密光学仪器,用于测量平面、角度和位置的精确性。
它广泛应用于工业制造、航空航天、国防和科学研究等领域。
在欧洲,自准直仪的制造和使用受到严格的技术标准监管,以确保其精确度和可靠性。
本文将重点介绍欧洲关于自准直仪的技术标准,并分析其在制造和使用过程中的重要性和影响。
一、自准直仪的基本原理和结构自准直仪通过检测平行光束的平面度、角度和位置来测量被测对象的平面度、角度和位置。
其基本原理是利用准直标尺、光学元件和探测器等组成,利用光学原理进行测量。
自准直仪通常包括一个目标透镜、一个观察镜头、一个照明源和一个探测器。
当被测物体发生微小的倾斜或平移时,自准直仪可以通过光束的反射和折射来检测到这些变化,并通过探测器将信号转换为电信号输出。
二、欧洲关于自准直仪的技术标准在欧洲,自准直仪的制造和使用都需要符合一系列严格的技术标准,以确保其精确度和可靠性,保证其在工业制造、航空航天等领域的应用效果。
欧洲对于自准直仪的技术标准主要包括以下几个方面:1. 精度要求:欧洲技术标准对自准直仪的测量精度、重复性和稳定性提出了具体的要求。
自准直仪在不同工况下的测量误差、环境适应能力等都必须符合标准规定的要求。
2. 校准要求:欧洲技术标准规定了自准直仪的校准周期、方法和标准样品的选择等要求。
标准还要求制造商提供校准证书和相关的质量控制文件。
3. 结构要求:标准要求自准直仪的结构和材料符合相关的安全性和稳定性要求,以确保在使用过程中不发生损坏或变形,影响测量精度。
4. 电磁兼容要求:欧洲技术标准还规定了自准直仪在电磁兼容性方面的要求,以确保其在电磁干扰环境下的正常使用。
5. 标准符合认证:在欧洲,自准直仪的制造和销售需要经过相关的认证机构认可,保证其符合标准要求,包括CE认证、ISO9001质量管理体系认证等。
三、欧洲技术标准的重要性和影响欧洲在自准直仪的技术标准制定和实施方面非常重视,这对于自准直仪的制造商和使用者都具有重要的意义。
自准直仪(Self-Leveling Instrument)是一种测量仪器,用于测量和校准水平、垂直和水平角度。
欧洲技术标准对自准直仪的要求可以参考以下几个方面:
1. 精度:欧洲技术标准对自准直仪的精度要求较高。
仪器应具有较高的测量精度,可以在合理的范围内提供准确的测量结果。
2. 自动水平:自准直仪应当具有自动水平功能,即可以通过内部的自动调平系统自动调整仪器的水平。
3. 高度调节:自准直仪应当具有高度调节功能,以便在不同的测量场景中进行适应性调整。
4. 激光功能:许多自准直仪配备了激光功能,可以提供更准确的测量结果,并且可以远程显示和操作。
5. 防护:自准直仪应当具有良好的外壳设计,能够防尘、防水和抗震。
同时还需要具备适当的耐久性,以适应不同工作环境的使用。
这些是欧洲技术标准对自准直仪的一些基本要求。
需要注意的是,具体的技术标准可能因不同的产品类型和用途而有所差异,建议在购买自准直仪时咨询供应商或查阅相关的标准文件以获取更详细和准确的要求。
自准直仪
科技名词定义
中文名称:自准直仪
英文名称:autocollimator
定义:利用光学自准直原理测量微小角度变化的仪器。
也可以对平面度和直线度进行间接测量。
应用学科:机械工程(一级学科);光学仪器(二级学科);光学计量仪器(三级学科)
本内容由全国科学技术名词审定委员会审定公布
光电自准直仪是依据光学自准直成像原理,通过LED发光元件和线阵CCD成像技术设计而成。
由内置的高速数据处理系统对CCD信号进行实时采集处理,同时完成两个维度的角度测量。
目录
编辑本段原理
自准直仪
自准直原理:光线通过位于物镜焦平面的分划板后,经物镜形成平行光。
平行光被垂直于光轴的反射镜反射回来,再通过物镜后在焦平面上形成分划板标线像与标线重合。
当反射镜倾斜一个微小角度α角时,反射回来的光束就倾斜2α角。
编辑本段光学系统
自准直仪的光学系统:由光源发出的光经分划板、半透反射镜和物镜后射到反射镜上。
如反射镜倾斜,则反射回来的十字标线像偏离分划板上的零位。
编辑本段分类
因读数系统的不同分为如下几大类:
光学自准直仪:直接或利用测微装置或可动分划板从分划板或读数鼓轮上读出α角的分值和秒值。
光学自准直仪的分度值有约1分到十数秒,精度最低。
当以斜率(例如1/200)表示分度值时,通常称这种自准直仪为平面度测量仪。
自准直仪
光电自准直仪:当以光电瞄准对线代替人工瞄准对线时,就称为光电自准直仪。
也有几种不同的类型,光电瞄准(对线)原理与振子式光电显微镜的相似、光栅式或其它,精度较传统自准直仪有所提高。
数字自准直仪:基于DSP、计算机及CCD或CMOS技术的新式自准直仪。
也分为几种,最大差异的分类是按面阵和线阵,面线阵CCD只能测试一个方向的数据,可以测试两个方向线阵的自准直仪是将两个线阵组合或通过光学方式组合,精度相对差些,最主要的一般都有测试盲点,但是线阵式有时可以做得测试范围更大些。
一般数字自准直仪具有动态响应和跟踪功能,也称为动态自准直仪,部分光电自准直仪也具有此功能。
编辑本段应用
常用于测量导轨的直线度、平板的平面度(这时称为平面度测量仪)等,也可借助于转向棱镜附件测量垂直度等。
光电自准直仪多应用于航空航天、船舶、军工等要求精密度极高的行业,例如机械加工工业的质量保证(平直度、平面度、垂直度、平行度等)、计量检定行业中角度测试标准、棱镜角度定位及监控、光学元件的测试及安装精度控制等等。
编辑本段产品特性
双线阵CCD完成两维角度同时测量和显示
高速数字算法实现测量数据的在线补偿
PID光源控制系统保证不同材质反光面测量的一致性
提供角秒、度、度分秒、u/m等显示单位
可选配相关测量附件和测量软件
可选择不同的显示分辨率完成相应的测量
1.2应用领域
机械加工工业的质量保证(平直度、平面度、垂直度、平行度等)计量检定行业中角度测试标准
角度定位及监控
光学元件的测试及安装精度控制
2.技术指标
产品型号ELP3000 ELP2000 ELP200 ELP200L
物镜焦距800mm 300mm 200mm 200mm
通光口径52mm 50mm 48mm 48mm
探测器两个高速线阵CCD元件
测量孔径30mm 30mm 30mm 30mm
光源高亮LED发光组件(中心波长λ=640nm)
信号俘获范围±600″ ±1300″ ±2000″ ±2000″
有效显示范围±300″ ±1000″ ±1500″ ±1500″
显示分辨率0.01″-1″可调0.1″-2″可调
测量重复性0.04″ 0.07″ 0.1″ 0.1″
最大测量距离20m 20m 20m 20m
测量
精度中心±100″ ±0.1″ ±0.2″ ±0.4″ ±0.4″
全程±0.2″ ±0.4″ ±1″ ±1″
控制器独立数字控制器无
供电AC220V AC220V AC220V 电池
固定方式可调底座固定底面固定
接口RS-232
重量4kg 3.5kg 3kg 3kg
工作环境-10℃-+30℃,相对湿度85%
贮存环境-20℃-+60℃,相对湿度85%,极限温度贮存时间少于48h 反光镜平面度为了达到高测量不确定度,应高于λ/8
大小反射率〉80%的平面时应大于10×10mm
3.选配附件
名称规格
标准可调底座φ65 φ65
标准固定底座φ65 φ65
激光快速找准器找准精度100″
金属六面反光镜平面度优于λ/4,垂直度0.5″
多面反光镜17面23面36面
两维可调反光镜两轴独立旋钮调节
测量软件上位机运行软件,对测试数据进行评估标准配置:
1.自准直光管一台
2.双轴可调底座一台(ELP200L除外)
3.控制器一台(ELP200L除外)
4.激光快速找准器一台(含电源适配器)
5.电源适配器一个
6.控制电缆一根(ELP200L除外)。