班组6S管理检查考核评分标准
- 格式:xls
- 大小:30.50 KB
- 文档页数:1
公司6s检查评分标准
检查人:被检查部门签字:检查时间:
检查项目分数检查标准存在问题打分
卫生30分3 收银台无杂物品,摆放整洁
10 地面、墙面、顶面、镜面干净整洁10 门、窗、空调、开关盒、展示柜无灰尘5 洗手池、便池无污迹、无异味
2 其他
物品摆放30分5 地面、工作台面物品摆放有序
5 工作区域无杂物和私人用品
5 商品按定位区域摆放、注明介绍
5 储物间物品要摆放整齐,区分用与不用2 消防器材保养合格,摆放于规定位置5 员工手册修订成册并挂于收银台
3 其他
仪容仪表礼貌用语10分5 员工仪容仪表、行为举止规范3 接待顾客服务用语、礼节礼貌规范2 对上级礼貌称呼规范
工作态度30分5 面客时间不得接打电话
5 手机全部调为震动或静音状态
5 无聚众聊天、吃东西、上网等行为5 工作区域、卫生区责任人明确并上墙5 客户档案登记及时、无差错
5 交接班记录准确,无安全隐患
合计100 得分
备注1、85分以上为合格,95分为优秀;
2、不合格每次对部门扣罚100元,对部门经理扣罚50元;。
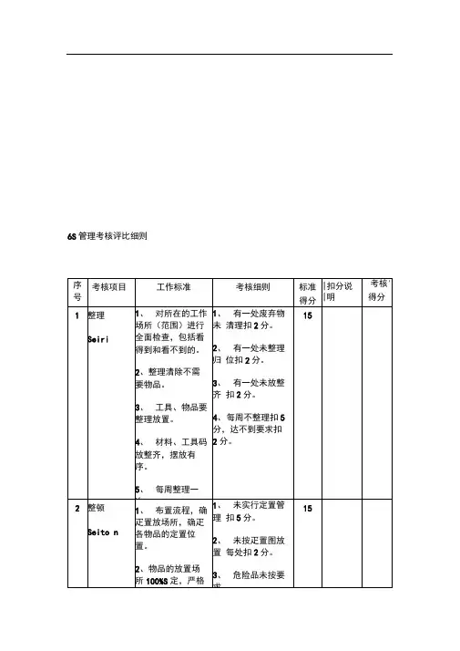
6S绩效考核评分规范一、背景6S是指整理(Seiri)、整顿(Seiton)、清扫(Seiso)、清洁(Seiketsu)、素养(Shitsuke)、安全(Safety)的英文单词的首字母缩写。
6S管理是指通过对工作场所进行整理、整顿、清扫、清洁、素养和安全的综合管理, 提高工作效率、改善工作环境、优化工作流程。
为了对6S绩效进行评估和考核, 制定本绩效考核评分规范。
二、评分规则1.整理(Seiri)定义:整理是指将使用和不使用的物品分开, 清理工作区域, 将多余的物品及时处理或存放在合适的位置。
评分标准:优秀: 物品整理得当, 工作区域干净整洁, 多余的物品及时处理或存放在合适的位置。
合格:工作区域整理较好, 物品分类基本正确, 但仍有部分物品未及时处理。
不合格:工作区域杂乱, 物品分类混乱, 多余的物品无处可放。
2.整顿(Seiton)定义:整顿是指为了方便使用而将使用工具、材料等归纳整理好, 并设定好摆放位置, 使得需要的物品能够快速、准确地取用。
评分标准:优秀: 工具、材料等摆放有序, 容易辨认和取用。
合格:工具、材料摆放基本整齐, 但有些摆放位置不合理或容易混淆。
不合格:工具、材料摆放混乱, 位置随意, 无法快速找到需要的物品。
3.清扫(Seiso)定义:清扫是指对工作区域进行日常的清理, 包括清理垃圾、清除灰尘、拖地等, 铲除污渍和粉尘。
评分标准:优秀: 工作区域清洁, 没有垃圾、灰尘和污渍。
合格:工作区域基本清洁, 但可能还有一些细微的垃圾、灰尘或污渍。
不合格:工作区域脏乱, 存在明显的垃圾、灰尘和污渍。
4.清洁(Seiketsu)定义:清洁是指经常保持工作区域的整洁和清洁, 包括保持设备仪器的清洁、防止污染和腐蚀的措施。
评分标准:优秀: 工作区域整洁, 设备仪器保持清洁, 做好了防污染和腐蚀的措施。
合格:工作区域基本整洁, 设备仪器有一些轻微的脏污或未做好防污染和腐蚀的措施。
不合格:工作区域脏乱, 设备仪器有明显的脏污且未做好防污染和腐蚀的措施。
6S管理及考核办法
江苏奥明能源有限公司包头分厂
编制: 审核: 批准:
施 行 日 期:
6S
管理制度及考核办法
组员:各班组成员四、6S管理及考核
(一)6S管理及考核标准
(二)6S管理考评办法
1. 检查要求
1.1由EHS安全专员带领各班组负责人作为“6S管理领导小组”,组织每周一下午进行定期检查及不定时检查,每月对每个班组重复检查次数不低于5次,对检查结果做好记录,纳入个人及团队月度综合评价。
1.2 每月底组织一次全面检查,对检查结果进行评比奖罚并通报。
评比打分纳入月度综合评价。
2.评分方法
2.1每月平均分高于90分且得分最高者即为6S管理优秀班组(月度评分必须满90分才能评优,若各班组评分均低于90分,则本月无优秀班组),每月平均得分低于80分者即为限期整改班组。
对评比的前一、二名班组予以分别500元、300元奖励;对评比最后两名班组予以处罚,处罚金额为倒数第一
罚500元、倒数第二罚300元,对严重个例单独处罚,以上奖罚均由各班组兑现到个人。
2.2 月度综合得分计算方法,例如:检查团由4名成员组成,各执一份评分标准进行打分。
检查完毕后将4份记录表汇总,每份最后得分相加再除以4计算出平均分。
当月累计平均分相加,再除以检查次数,得到当月汇总得分。
参评班组如下表:
* 本考核办法经分公司总经理签字后执行,最终解释权在6S领导小组。
附件1:铸锭车间及仓库6S卫生区域
附件2:生产现场6S考核评分表
附件:1
铸锭车间及仓库6S卫生区域。
6S管理检查评价标准及办法托克托发电公司现场生产班组6S管理检查评价标准及办法(试行)一、目的与使用范围在现场生产班组中首先开展6S管理评价活动,目的是鼓励先进、树立典型、以点带面、督促落后,进而形成比学赶超、全面推进6S管理的浓厚氛围。
评价以鼓励、奖励、激励为主,以调动现场生产班组员工的主动性、积极性和创造性为手段,以培养员工的创新意识和良好素养为目的,建立起长效、常态的文明生产管理机制。
本办法适用于托克托发电公司所属各生产部门之现场班组(含外委项目部现场之生产班组)。
二、工作目标以6S管理检查评价为载体,促进作业行为、定置管理、安全管理、库房管理和员工文明礼仪的标准化,从而夯实班组安全管理基础,提升员工素养,营造一个干净、整洁、有序、安全的生产工作环境,提高安全文明生产水平,不断巩固公司安全生产基础,为争创一流发电企业,实现公司既定战略目标提供有力保障。
三、组织机构(一)6S管理评价领导小组组长:总经理副组长:副总经理成员:各部门负责人职责:审定6S管理评价标准和办法,监督落实,并纠正实施过程中出现的问题,决定奖励结果。
(二)6S管理评价工作小组组长:公司主管副总经理副组长: 各部室分管领导成员:各部室6S监督员职责:制定6S管理评价标准和办法,并全面落实,组织指导各单位的推行工作,针对不同场所工作难度情况设定标准,制定具体的奖励标准,组织检查、评比、统计、公布评价结果,提出奖励和整改意见。
工作小组下设6S管理办公室,成员由各部室专门兼职人员组成,具体负责日常管理工作。
四、6S管理工作描述6S管理是一切日常管理方法的基础,是日常管理中的一套系统方法,对于改善现场环境、保障安全、减少浪费、提升工作效率、保障产品质量、培养员工素质、提升企业形象都有很好的效果,成为很多成功企业最基础的现场管理工具。
6S管理的最终目标是让员工养成良好的习惯,从而提高员工的素质。
6S包括“整理(SEIRI)、整顿(SEITON)、清扫(SEISO)、清洁(SEIKETSU)、安全(SAFETY)、素养(SHITSUKE)”六个方面,因其第一个字母均为“S”,所以统称“6S”。
6S管理考核及奖罚标准实施办法一、奖罚标准(一)办公室6S奖罚标准:1、公司将于每周定时对各办公室的6S进行检查,不定时抽查。
2、公司将对在各部门自检中发现的问题作重点检查,并对其它项实行抽检。
如发现不合格项,将对此项责任人及检查人各视情节予以20元的负激励。
3、各项的总分为100分。
经检查,总分未达到90分(不含90分)的部门,将对部门经理予以20—50元的负激励,并对各不合格项的责任人、检查人视情节各负激励20元。
4、月平均分第一的部门,公司将给予价值100元的激励。
(二)宿舍6S奖罚标准:1、公司将于每周定时对各宿舍的6S进行检查,不定期进行抽查。
2、检查中发现不合格的项目除扣除该项所有分数外,还将予以一定的负激励。
3、宿舍内不允许摆放规定以外的物品,物品要按规定摆放,违者对当事人负激励10—20元。
4、不允许私自安排宿舍、私自调换床位,违者负激励50元。
5、空铺整洁,不允许摆放东西,违者对物品所有者负激励20元。
6、宿舍门后必须张贴值日表,违者对宿舍全体人员负激励10元/人。
7、柜子、桌子、窗子上不允许摆放杂物,不允许有灰尘、污渍,违者视情节对当日值日生负激励20元。
8、除午休外,窗帘在白天必须拉开,违者对所有成员各负激励10元。
9、衣柜、桌、床铺距离墙2—3公分,违者视情节对当日值日生负激励10元,并对当事人负激励10元。
10、门、地面、桌面、柜面、电灯开关、插座等干净无污物、无灰尘,违者对当日值日生负激励20元。
11、垃圾筐定期清洗,上班后垃圾筐内不可有垃圾,违者对当日值日生负激励10元。
12、床单、盖布干净,无污渍,被褥叠放整齐,违者对当事人负激励20元。
13、人离开后,灯及一切电设备要关闭,违者负激励50元。
14、人离开后,衣架上不允许挂有衣物,违者对当日值日生及当事人各负激励10元。
15、宿舍内禁止赌博、酗酒,违者对当事人各负激励50元。
(赌具、赌资充公)16、上班时间不允许出入宿舍(特殊情况除外),违者对当事人负激励50元。
6S管理考核评比细则6S管理是一种以现场精益管理为核心的管理方法,广泛应用于企业的生产现场和办公环境。
为了提高6S管理的效果,促进企业的持续改进和发展,需要对6S管理进行考核评比。
下面是6S管理考核评比的细则。
一、考核指标1.1整洁度:包括工作场所、设备、工具、材料的整理整顿情况,以及地面、墙壁、天花板、门窗等表面的清洁程度。
1.2整顿度:指工作场所和设备的布局有序,各类物品摆放合理。
主要考察工作区域的摆放是否科学、合理。
1.3清洁度:指工作区域的清洁情况,包括顶棚、墙壁、地板、设备等是否定期清洁、干净整洁、无积尘污渍。
1.4标准化:指标准化作业指导书、作业标准、作业规范是否进行了有效的制定、实施和维护,以及是否按照标准作业进行操作。
1.5纪律性:指员工是否严格按照规定的操作流程、作业标准和纪律行为要求进行工作,是否遵守6S管理的各项规定。
1.6参与度:指员工参与6S管理的积极程度,包括员工对6S管理的理解和认同,以及对于改进和推动6S管理的积极意见和建议。
二、考核流程2.1培训:在进行6S管理考核评比之前,需要对全体员工进行相关的培训,包括6S管理的目的、原则、方法和操作流程等内容。
2.2自检:各部门按照规定的时间和方法进行6S管理的自检。
自检分为全面自检和重点自检两种,全面自检需要涵盖各个6S管理指标,而重点自检则针对重要区域或重点工序进行检查。
2.3互检:各部门之间进行互相检查,评估对方的6S管理情况。
互检要求互相尊重,客观公正,及时反馈,共同进步。
2.4现场督查:由企业管理部门成立考核组进行现场督查,对各部门的6S管理情况进行评估。
考核组要根据实际情况,对各项指标进行细致评分,并对不符合要求的地方提出整改意见和建议。
2.5综合评定:根据自检、互检和现场督查的情况,综合评定各部门的6S管理水平。
评定结果可以分为优秀、良好、达标、待改进和不达标等级,以便后续的奖惩和改进措施。
三、评比结果应用3.1奖励和激励:对于评比结果为优秀和良好的部门,可以给予奖金、奖品或荣誉称号等奖励,以鼓励持续改进和发展。
班组6S管理分值量化考核细则责任部门:工会
序号项目分值考核内容及标准
1生产任务完成 1.5
1.按月完成生产(工作)任务(1分);
2.积极提合理化建议,开展岗位练兵、技术竞赛活动(0.5分)其中完不成任务为否决项,产品质量、消耗指标达不到要求或标准,视情况扣0.1-0.5分
2班组安全管理 2.5
1.每周坚持安全学习(0.5分),每缺一次扣0.2分;
2.安全生产无事故(1分),每发生一次轻伤事故扣0.5分,发生重伤以上事故为否决项
3.认真开展安康杯竞赛,落实活动内容,做好自查自纠(1分)
3基础管理 4.5
1.班组管理手册及各种原始记录、台帐规范、准确、齐全(1分),每发现一处不符合要求或规定的,扣0.5分;
2.班组健全,“两长五大员”分工明确、职责清晰,各项管理制度上墙(1分),专栏与内容相符,职责不清、作用发挥不好、制度不全、内容不符的,每项扣0.2分;
3.认真落实班组管理标准,“三室两箱一所”无卫生死角(1.5分),违反管理规定,不执行定置定位管理的,扣1分,现场有脏、乱、差现象的,每一处扣1分;
4.小家环境好,整洁规范,更衣箱、工具箱内物品摆放整齐、规范、有序(1分),每发现一处不符合要求,扣1分
4思想政治工作 1.5
1.执行认真公司的各项规定,劳动纪律好,无违纪现象(0.4分),每发生一次违纪现象扣0.2分;
2.认真坚持班组政治学习每周一次制度(0.5分),每少一次扣0.1分;
3.班组团结、和谐,文明礼貌,思想政治工作活跃(0.3分),发生不团结现象,扣0.3分;
4.遵守工艺纪律,恪守职业道德(0.3分),每出现一次影响上下工序生产事故或班组成员发生不负责任现象扣0.3分。
“6S”管理检查考核评分标准(总分100分)一、“6S”管理组织领导与办公区域“5S”管理总分:25分(一)“6S”管理组织领导分值:5分1、领导重视、机制健全,各单位要有“6S”管理领导小组,并明确单位行政正职为第一责任人。
分值:(2分)⑴单位会议记录,每月至少要有一次研究“6S”管理工作的记录。
⑵生产单位要有“6S”管理网络图,涵盖单位“6S”管理领导小组、专业检查组及车间、班组及其二长(班长、工会小组长)三员(现场管理员、质量员、安全员)。
⑶各单位要发动全员积极开展“6S”管理改善提案活动,要有提案、有总结、有评价。
⑷单位必须有一名兼职的“6S”管理员。
有一项达不到要求扣0.5分。
2、“6S”管理必须做好策划工作,要有计划地开展”6S”管理工作,并有具体实施措施与考核奖惩办法。
分值:(3分)⑴要有年度“6S”管理工作计划。
⑵不定期进行检查,坚持每月通报与考核相结合的方式进行自查自纠。
⑶各单位每月制定生产计划时,要同时制定和下达“6S”管理计划,与生产任务同样检查、奖惩。
⑷要有“6S”管理制度、检查措施和执行奖惩记录。
⑸各种工作文件、检查、考核记录齐全、完整、翔实;公司下发的“6S”管理文件以及各单位自行编制的工作计划、检查记录以及班组的自查记录保存齐全、真实。
⑹广泛开展宣传教育培训,组织进行“6S”管理培训。
包括“6S”管理理念、“6S”改善提案、生产现场质量、安全、定置等综合管理知识培训,要有培训记录、教案、考试成绩等。
利用板报等形式宣传现场“6S”管理,举办讲座、知识竞赛等活动。
有一项达不到要求扣0.5分。
(二)办公区域“5S”管理总分:20分1、整理:将必需品与非必需品区分开,在岗位上只放置必需物品。
分值:(4分)办公区域“必需品”标准:办公桌(台)面:文件盒(夹)、文具盒、电话、台历、计算机、打印机和茶杯。
办公室公用物品:杂志、报纸、纸张等应集中摆放在空挡台面上;清扫用具应清洗干净集中挂放。