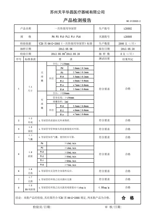
原辅材料检验报告-导尿管
- 格式:doc
- 大小:27.00 KB
- 文档页数:1
检验报告产品名称:系列医用硅橡胶导尿管单位:检验类别:型式检验报告编号:SL-ZJ-(08)-002 检验人员:检验日期:2008年5月18日校核人员:检验环境:温度:30ºC;相对湿度:42%共2页:第2页检验条款检验项目计量单位标准要求试验方法实验结果试验结论试品编号8# 24#4.1 规格尺寸mm 8#:L:390±10、D:2.6-3.2 d:0.8±0.224#:L:39±10、D:8.0-8.5 d:5.1±0.25.1 5.1 5.1 合格4.2 外观透明或半透明白色硅橡胶制品5.2 白色透明白色透明合格4.3 眼孔内腔清洁通畅5.3 清洁通畅清洁通畅合格4.4.1 外观外观圆整、光滑、无脱皮、凹凸现象。
无明显斑点、波纹、凝胶、麻点和机械损伤。
5.2 符合标准要求符合标准要求合格4.4.2 外观顶端呈椭圆形,无蜂窝状麻点或锋棱尖角5.2 符合标准要求符合标准要求合格4.5 扯断强度MPa ≥6.0Mpa5.4.16.3 6.3 合格扯断伸长率%≥280 5.4.1 285 285 合格扯断永久变形%≥7 5.4.1 3 3 合格撕裂强度KN/M≥14 5.4.3 29 29 合格硬度(邵尔A型)30-85 5.4.2 68 68 合格4.6 PH值变化量≤1.5 5.5 1.3 1.3 合格蒸发残留物≤0.05 5.5 0.04 0.04 合格KMNO4消耗量<6.5 5.5 6 6 合格重金属ppm ≤1 5.6 0.5 0.5 合格4.7 细胞毒性无 5.6 0级0级合格致敏无 5.6 0级0级合格皮内刺激无 5.5 0级0级合格4.8 球囊容量回收率mL 8#:50%、24#:80% 5.7 55% 88% 合格检验报告共2 页第1 页检验依据YZB/京0489-2006检验项目规格尺寸、外观质量、眼孔畅通、物理机械性能、化学性能、生物学性能检验结(检验报告专用章)论签发日期:2008年5月18日备注批准:审核:检验:2008 年5 月19 日2008 年5 月18 日2008 年5 月18 日。
一、实验目的1. 了解人体导尿的操作方法和步骤。
2. 掌握导尿管的选择和使用技巧。
3. 学会正确评估患者导尿的需求。
4. 提高护理人员的导尿操作技能。
二、实验背景导尿术是临床护理中常用的操作技术之一,适用于尿潴留、尿失禁、昏迷、术后等患者。
通过导尿术,可以有效地排空膀胱,缓解患者的痛苦,降低并发症的发生率。
本实验旨在通过人体导尿操作,提高护理人员的实践技能。
三、实验材料1. 一次性导尿包2. 导尿管3. 消毒液4. 棉签5. 橡皮筋6. 患者床7. 患者模拟人四、实验方法1. 患者准备:将患者安置在舒适体位,暴露会阴部,嘱患者放松。
2. 操作者准备:穿戴无菌手套,准备好导尿包。
3. 导尿操作:(1)用消毒液清洁患者会阴部,范围包括阴阜、大阴唇、小阴唇、尿道口等。
(2)打开导尿包,取出导尿管,用消毒液消毒导尿管前端。
(3)操作者用右手持导尿管,左手分开大阴唇,暴露尿道口。
(4)将导尿管轻轻插入尿道口,插入深度约20-30cm。
(5)当导尿管有尿液流出时,固定导尿管,拔出约2cm。
(6)将导尿管末端连接集尿袋,并固定。
(7)用消毒液清洁患者会阴部,重新包扎。
4. 实验结束:操作者脱下手套,洗手。
五、实验结果通过本次实验,操作者掌握了人体导尿的操作方法和步骤,熟练掌握了导尿管的选择和使用技巧,正确评估了患者导尿的需求,提高了导尿操作技能。
六、实验讨论1. 导尿操作过程中,应严格遵守无菌操作原则,防止感染。
2. 导尿时,插入深度应适宜,过深或过浅均可能导致操作失败。
3. 导尿过程中,注意观察患者的反应,如有不适,应立即停止操作。
4. 导尿后,应加强患者的护理,保持尿道口清洁,预防感染。
5. 操作者应熟练掌握导尿操作技巧,提高导尿成功率。
七、实验总结本次人体导尿实验,使操作者掌握了人体导尿的操作方法和步骤,提高了导尿操作技能。
在今后的临床工作中,我们将继续加强实践操作,提高护理质量,为患者提供优质的护理服务。
一次性使用无菌导尿管技术报告一产品概述该产品是依照医疗器械分类目录二类(6866)医用高分子材料及制品,按照注册产品标准YY0325-2002《一次性使用无菌导尿管》设计。
该产品为一次性无菌硅橡胶多腔导管,因此,要求在十万级净化车间内生产,采用医用硅橡胶材料经炼胶、挤压成管、模压腔头、模压气囊、模压导头、打孔修边、封内外围、粘接导头而成,采用纸塑包装、经环氧乙烷灭菌,检验达标后方可出厂。
按形式可分为两腔、三腔。
按结构设计可分两腔:分别由气囊、排泄腔和充气腔组成,三腔:分别由气囊、排泄腔、充气腔、冲洗腔组成,规格:依据公称外径分为:mm~ mm材料选择:在临床使用过程中,除了暴露在外的气阀外,均由进口医用硅橡胶材料作原料生产而成。
有较好的生物相溶性,能满足临床要求。
二设计原理和治疗机理导尿术是泌尿外科常用的基本操作,其基本原理是将导尿管通过尿道进入膀胱,通过吸附、负压、虹吸等作用,使膀胱的尿液引流出体外。
硅橡胶材料的一次性无菌导尿管,表面光滑,细菌不易粘附,质地柔软,对尿道损伤小。
导尿管头约3.5cm处设计为一小气囊,可注入10ML~30ML空气或注射用水,起到固定和防止尿液外流作用。
末端有两个开口,一个开口通导尿管,一个开口通气囊。
管体内有两个腔道,一为气囊腔,通过单向阀向气囊注入空气或注射用水,另一腔道为尿液排泄腔,通过此腔将膀胱内尿液排出体外.有学者认为留置导尿管,不做膀胱冲洗,72h菌尿阳性率为100%,而冲洗后,72h菌尿的阳性率为44.4%[1],三腔导尿管在两腔导尿管基础上增加独立的尿道冲洗腔,单流向膀胱冲洗,利于冲洗尿道前端分泌物,有效降低菌尿的发生,减轻病人的痛苦。
参考文献[1]高沛。
塑料尿袋细菌生长的临测分析。
实用护理杂志,1992,8(10):8-9三技术指标及主要性能指标确立的依据1规格标记考虑到临床的适用性,为防止标识不清致使医护人员无法正确选择导尿管规格,导致治疗失败甚至对患者引起伤害,故依据Y Y0325-2002《一次性使用无菌导尿管》规定产品应以公称外径表示其规格2长度考虑到临床的适用性,依据Y Y0325-2002《一次性使用无菌导尿管》规定了导尿管全长和管身长度。
一、实验目的1. 掌握女性导尿术的基本操作步骤。
2. 了解女性导尿术的适应症和禁忌症。
3. 培养临床护理技能,提高护理质量。
4. 增强对尿路感染等疾病的认识。
二、实验时间2023年X月X日三、实验地点护理实验室四、实验材料1. 女性导尿包:包括无菌手套、导尿管、润滑剂、无菌棉球、消毒液、试管等。
2. 模拟女性人体模型。
3. 无菌治疗车。
4. 其他辅助用品。
五、实验步骤1. 准备阶段- 携带无菌导尿包至实验现场。
- 穿戴无菌手套,洗手。
- 将模拟女性人体模型放置在合适的位置,打开导尿包。
2. 操作阶段- 按照无菌操作原则,打开导尿包,取出无菌手套、导尿管、润滑剂、无菌棉球、消毒液、试管等。
- 将模拟女性人体模型翻转,暴露会阴部。
- 用消毒液清洁会阴部,确保无菌。
- 用无菌棉球擦拭尿道口周围。
- 将润滑剂涂抹在导尿管前端。
- 将导尿管轻轻插入尿道,直至有尿液流出。
- 收集尿液于试管中。
- 拔出导尿管,用无菌棉球擦拭尿道口。
- 将导尿包内其他物品按顺序放回原位。
3. 整理阶段- 洗手,脱去无菌手套。
- 将模拟女性人体模型翻转,恢复原位。
- 整理实验台,清理用物。
六、实验结果1. 成功完成女性导尿术,模拟女性人体模型排出尿液。
2. 操作过程中严格遵守无菌操作原则,未发生感染。
3. 学生对女性导尿术的操作步骤和注意事项有了更深入的了解。
七、实验讨论1. 女性导尿术是临床护理中常见的操作之一,对于尿潴留、尿路感染等疾病的治疗具有重要意义。
2. 操作过程中,严格遵守无菌操作原则是防止感染的关键。
3. 导尿管的选择、润滑剂的涂抹、插入角度等细节都会影响导尿术的成功率和患者的舒适度。
4. 本实验有助于提高学生的临床护理技能,为今后从事护理工作打下坚实基础。
八、实验总结本次实验使学生对女性导尿术有了更深入的了解,掌握了操作步骤和注意事项。
在今后的学习和工作中,我们将继续努力,不断提高临床护理技能,为患者提供优质的护理服务。
第1篇一、实验目的1. 掌握泌尿系统各主要器官的位置、形态和大体结构。
2. 了解泌尿系统的主要生理功能,包括肾小球滤过、肾小管重吸收和分泌。
3. 掌握尿液生成的基本过程及其调节机制。
4. 熟悉泌尿系统实验的基本操作技能。
二、实验原理泌尿系统是人体的重要排泄器官,其主要功能是生成和排出尿液,维持机体内环境的稳定。
尿液生成过程包括肾小球滤过、肾小管重吸收和分泌三个阶段。
本实验通过观察家兔的泌尿系统器官和尿液生成过程,了解泌尿系统的生理功能和调节机制。
三、实验材料与仪器1. 实验动物:家兔2. 实验仪器:解剖显微镜、手术器械、生理盐水、注射器、导尿管、烧杯、显微镜等3. 实验药品:1%氯化钠溶液、0.9%氯化钠溶液、呋塞米(速尿)、去甲肾上腺素等四、实验步骤1. 家兔麻醉:采用耳缘静脉注射20%氨基甲酸乙酯溶液(5 mL/kg)进行麻醉。
2. 解剖观察:观察家兔的泌尿系统器官,包括肾脏、输尿管、膀胱等,了解其位置、形态和大体结构。
3. 肾脏摘除:将家兔肾脏摘除,观察肾脏的表面结构、皮质、髓质等。
4. 肾小球滤过实验:通过观察肾小球滤过前后尿液的变化,了解肾小球滤过的生理功能。
5. 肾小管重吸收实验:通过观察肾小管重吸收前后尿液的变化,了解肾小管重吸收的生理功能。
6. 肾小管分泌实验:通过观察肾小管分泌前后尿液的变化,了解肾小管分泌的生理功能。
7. 肾脏功能调节实验:通过观察肾脏对去甲肾上腺素、呋塞米等药物的反应,了解肾脏功能的调节机制。
五、实验结果与分析1. 解剖观察:家兔的泌尿系统器官包括肾脏、输尿管、膀胱等。
肾脏位于腹腔后部,左右各一,呈红褐色。
输尿管连接肾脏和膀胱,呈细长管状。
膀胱位于盆腔内,呈梨形,内含尿液。
2. 肾小球滤过实验:肾小球滤过前后尿液颜色较淡,说明肾小球滤过功能正常。
3. 肾小管重吸收实验:肾小管重吸收前后尿液颜色无明显变化,说明肾小管重吸收功能正常。
4. 肾小管分泌实验:肾小管分泌前后尿液颜色无明显变化,说明肾小管分泌功能正常。
尿道插管实验报告模板实验目的:本实验的目的是通过实施尿道插管的操作,掌握正确的插管技术和相关卫生措施,并了解插管过程中可能出现的并发症。
实验材料:1. 尿道导管2. 注射器3. 消毒液4. 无菌手套5. 全程无菌巾6. 纱布7. 弃用容器8. 消毒纸巾实验步骤:1. 事先准备:a. 洗手后,戴上无菌手套。
b. 将尿道导管用硝皮酮纱布清洁消毒。
c. 准备好插管所需的其他材料,并确保其无菌。
2. 准备患者:a. 请患者仰卧于床上,将下身暴露出来,用全程无菌巾将患者下半身包裹起来。
b. 帮助患者保持放松状态。
c. 将膀胱排空,确认患者无排尿欲望。
3. 插管操作:a. 用无菌手套保持洁净状态,用注射器提取适量消毒液,对尿道口进行彻底的消毒。
从尿道口上方向下方擦拭,每侧各擦拭3次。
b. 用无菌手套将导管拇指和示指与中指合拢,取尿道口正中方向插入导管,并向前逐渐推进。
c. 当看到尿液出现或感觉到抵抗时,继续缓慢前进。
插入深度应达到从阴茎根部到阴囊十字下交叉点之间。
d. 确认导管位置后,取下插管手,将导管与管道连接,确保通畅。
e. 将导管固定在肚脐部位,并将尿管放置于床边的引流袋中。
4. 操作后处理:a. 清理患者的外部尿道口、阴茎等周围区域。
b. 教导患者关于尿管使用和护理的注意事项。
c. 记录患者尿道插管的日期、时间、导管规格、插入深度和患者的反应等。
实验结果:本次实验成功插管,并确保导管的通畅,患者耐受良好,无明显不适反应。
实验结论:通过本次尿道插管实验,我们掌握了正确的插管技术和相关卫生措施,同时了解了插管过程中可能出现的并发症。
这将为今后在临床实践中需要进行尿道插管的操作提供指导和保证。
导尿管项目可行性研究报告申请报告一、项目背景和目的导尿管是一种用于引导尿液从膀胱排出的医疗器械,广泛应用于临床医疗和护理。
目前市场上的导尿管主要采用硅胶材料制成,但存在使用时间短、易产生感染、不适合长期使用等问题。
因此,本项目旨在研发一种更加耐用、安全、适用于长期使用的导尿管,以满足市场需求。
二、项目技术路线1.材料研发:选择高强度、高耐磨损材料作为导尿管主体材料,具备良好的生物相容性和可塑性。
2.结构设计:优化导尿管的结构,确保其在插入和拔出时产生的刺激最小化,同时具备良好的密封性能,避免尿液外渗。
3.防感染技术:引入一种新型防菌涂层,提高导尿管的抗菌性能,降低感染风险。
4.长期使用测试:通过临床试验验证导尿管在长期使用过程中的安全性和可靠性。
三、市场分析1.市场需求:随着人口老龄化程度的加深,尿液引流器的需求逐渐增加。
同时,由于传统导尿管存在的问题,市场对于新型导尿管的需求也不断提高。
2.市场规模:根据市场调研数据分析,预计未来五年导尿管市场的年均增长率将达到10%左右,市场规模有望超过XX亿元。
3.竞争分析:目前市场上还没有能够完全满足长期使用需求的导尿管产品,本项目可填补市场空白,具备较好的竞争优势。
四、项目可行性分析1.技术可行性:通过对材料、结构和防感染技术的研发,可以实现目标导尿管的设计和制造。
2.经济可行性:基于市场规模预测,本项目的投资回报率有望达到XX%以上,具备较好的经济效益。
3.社会效益:本项目不仅可以解决传统导尿管存在的问题,提高患者的生活质量,还可降低因尿液滞留引发的尿路感染风险,具备显著的社会效益。
五、项目进展计划1.第一年:开展材料研发和结构设计,并进行初步的实验测试,完成相应的技术验证。
2.第二年:进一步完善导尿管的设计和制造工艺,并开展防感染技术的研发和应用。
3.第三年:开展长期使用测试和临床试验,并对导尿管的安全性和可靠性进行评估。
4.第四年:根据临床试验结果,进行技术优化和产品改进,并进行批量生产。
一、实验目的1. 了解尿管的结构和功能;2. 掌握尿管的操作方法;3. 学会使用尿管进行导尿术;4. 培养临床操作技能。
二、实验原理尿管是一种用于导尿的医疗器械,主要用于解决尿潴留、留置尿液、观察尿液颜色和性质等。
尿管通过插入尿道,将尿液引流至体外,从而减轻患者的痛苦。
三、实验材料1. 尿管:普通尿管、无菌尿管;2. 导尿包:无菌手套、无菌纱布、无菌棉球、无菌注射器、无菌引流管、无菌生理盐水;3. 患者模型:男性、女性;4. 其他:血压计、听诊器、无菌治疗车。
四、实验步骤1. 准备工作(1)核对患者信息,了解患者的病情及尿管的使用指征;(2)评估患者的尿道情况,如有无狭窄、结石等;(3)准备实验材料,确保无菌操作;(4)告知患者实验目的、步骤及注意事项。
2. 操作步骤(1)患者取舒适体位,如仰卧位、截石位等;(2)戴无菌手套,铺无菌巾;(3)用无菌纱布包裹阴茎,使之暴露于操作区域;(4)用无菌棉球清洁尿道口及周围皮肤;(5)选择合适的尿管,插入尿道;(6)观察尿液颜色、性质,如有异常,及时处理;(7)固定尿管,连接引流管;(8)观察患者的反应,如有不适,及时调整尿管位置;(9)拔除尿管,清洁患者会阴部。
3. 实验结束(1)整理实验材料,回收废弃物品;(2)告知患者注意事项,如保持尿管通畅、定期更换尿管等;(3)记录实验过程及结果。
五、实验结果本次实验成功完成了尿管的操作,患者无明显不适。
实验过程中,患者尿液颜色、性质正常,未发生尿路感染等并发症。
六、实验讨论1. 尿管操作过程中,应注意无菌操作,避免尿路感染;2. 根据患者的病情和尿道情况,选择合适的尿管,确保导尿顺利进行;3. 操作过程中,要关注患者的反应,及时调整尿管位置,减轻患者不适;4. 告知患者注意事项,提高患者自我护理能力。
七、实验总结本次实验通过尿管操作,使学生掌握了尿管的结构、功能及操作方法,提高了临床操作技能。
同时,也使学生了解了尿路感染等并发症的预防措施,为今后临床工作奠定了基础。
一、实验目的1. 掌握导尿管的基本构造和使用方法。
2. 熟悉导尿术的操作步骤和注意事项。
3. 培养无菌操作意识,提高临床护理技能。
二、实验材料1. 导尿管:女性导尿管、男性导尿管各1根。
2. 无菌手套:1副。
3. 无菌棉球:10个。
4. 无菌生理盐水:100ml。
5. 尿袋:1个。
6. 碘伏:50ml。
7. 铺巾:1张。
8. 垫巾:1张。
三、实验对象1. 实验者:本实验由护理人员担任实验者。
2. 模拟对象:采用模拟人进行操作练习。
四、实验步骤1. 准备工作(1)戴无菌手套,铺巾。
(2)将导尿管、生理盐水、尿袋等物品准备好。
2. 导尿操作(1)协助患者取适当体位,如仰卧位、截石位等。
(2)用碘伏消毒患者会阴部,从外向内、由上至下,重复消毒2-3次。
(3)用无菌棉球清洁尿道口,并再次消毒。
(4)握住导尿管,将导尿管插入尿道,深度约为20-25cm。
(5)拔除导尿管,观察尿液流出情况。
(6)将导尿管固定在患者身上,连接尿袋。
3. 实验结束(1)拔除导尿管,清洁患者会阴部。
(2)整理床单位,询问患者感受。
(3)记录实验数据,如操作时间、患者反应等。
五、实验结果与分析1. 操作时间:本实验操作时间为5-10分钟。
2. 患者反应:患者在整个操作过程中,无明显不适或疼痛。
3. 导尿成功:实验过程中,成功导出尿液。
六、实验讨论1. 导尿术是临床护理中常用的操作,熟练掌握操作步骤和注意事项对提高护理质量具有重要意义。
2. 无菌操作是导尿术的关键环节,应严格按照无菌原则进行操作,防止感染。
3. 本实验操作过程中,患者无明显不适,说明操作技巧得当,注意事项执行到位。
七、实验结论1. 本实验成功掌握了导尿管的基本构造和使用方法。
2. 熟练掌握了导尿术的操作步骤和注意事项。
3. 提高了无菌操作意识,为临床护理工作打下了坚实基础。
八、实验建议1. 加强导尿术的理论学习和实践操作,提高护理人员操作技能。
2. 加强无菌操作意识,预防感染。
一、实验目的1. 掌握导尿灌肠的基本操作技能。
2. 了解导尿灌肠的适应症和禁忌症。
3. 学习观察并处理导尿灌肠过程中可能出现的并发症。
二、实验时间2023年X月X日三、实验地点护理实验室四、实验对象自愿参与实验的健康成人志愿者五、实验材料1. 导尿包2. 灌肠包3. 消毒液4. 无菌手套5. 橡皮筋6. 无菌棉签7. 灌肠液8. 导尿管9. 导尿瓶10. 灌肠筒六、实验方法1. 导尿操作- 对实验对象进行初步评估,包括意识状态、生命体征、心理状态和局部皮肤情况。
- 确定导尿部位,进行皮肤消毒。
- 戴无菌手套,铺无菌洞巾,将导尿管插入尿道,直至尿液流出。
- 将尿液收集于导尿瓶中,观察尿液的颜色、气味和量。
- 操作结束后,拔出导尿管,对局部进行消毒处理。
2. 灌肠操作- 对实验对象进行初步评估,包括意识状态、生命体征、心理状态和局部皮肤情况。
- 准备灌肠液,调整温度至适宜。
- 确定灌肠部位,进行皮肤消毒。
- 将灌肠筒挂于输液架上,将肛管插入直肠,注入灌肠液。
- 观察实验对象排便情况,记录排便量。
- 操作结束后,拔出肛管,对局部进行消毒处理。
七、实验结果1. 导尿操作顺利,尿液颜色正常,无异味。
2. 灌肠操作顺利,实验对象排便量约为X毫升。
八、实验讨论1. 导尿灌肠是临床护理中常用的操作技术,对于尿潴留、便秘等患者具有重要作用。
2. 导尿灌肠操作过程中,应严格执行无菌操作原则,防止感染。
3. 操作过程中应密切观察实验对象的生命体征和局部反应,及时发现并处理并发症。
4. 本实验中,实验对象对导尿灌肠操作耐受性良好,未出现明显不适。
九、实验结论通过本次实验,我们掌握了导尿灌肠的基本操作技能,了解了导尿灌肠的适应症和禁忌症,并学会了观察和处理并发症。
在今后的临床工作中,我们将更好地为患者提供优质的护理服务。
十、注意事项1. 导尿灌肠操作前,应充分了解患者的病情和需求,选择合适的操作方法。
2. 操作过程中,应严格执行无菌操作原则,防止感染。
导尿实验报告实验目的,通过实验,掌握导尿术的操作要领,掌握导尿管的选择及导尿术的操作技巧。
实验仪器与药品,导尿包、导尿管、无菌手套、无菌巾、碘酒、导尿包连接管、注尿袋。
实验原理,导尿是指通过尿道将导尿管插入膀胱,将尿液引流至体外的一种医疗操作。
导尿的目的是为了排空膀胱内的尿液,减轻膀胱内的压力,以达到保护肾脏、促进创面愈合、排除尿路梗阻的目的。
实验步骤:1. 术前准备,核对医嘱,向患者解释导尿的目的和过程,让患者配合并取得患者的同意。
2. 术中准备,洗手,穿无菌手套,摆放导尿包、导尿管、无菌巾、碘酒等物品。
3. 导尿管选择,根据患者的性别和年龄,选择合适的导尿管。
4. 导尿术操作,取无菌巾、碘酒进行手部消毒,接通导尿包连接管,将导尿管插入患者的尿道,直至尿液流出,再向前推进2-3cm,然后将导尿管连接至导尿袋。
5. 术后处理,将导尿袋固定在患者大腿处,确保导尿管通畅,无扭曲和压迫,观察导尿袋内尿液的颜色、量及性状。
实验结果,本次实验中,成功完成了导尿术操作,患者无不适感,导尿管通畅,导尿袋内尿液量正常,无异常。
实验结论,通过本次实验,掌握了导尿术的操作要领,熟练掌握了导尿管的选择及导尿术的操作技巧,为今后的临床实践打下了坚实的基础。
实验注意事项:1. 在进行导尿术前,要向患者解释导尿的目的和过程,取得患者的同意。
2. 在进行导尿术时,要注意手部的无菌操作,确保导尿过程的无菌。
3. 在选择导尿管时,要根据患者的性别和年龄进行合理选择。
4. 在进行导尿术后,要及时观察导尿袋内尿液的情况,确保导尿管通畅。
实验中的不足之处,本次实验中,由于操作者的经验不足,导致导尿管插入时稍有困难,下次实验中需要加强操作技巧的训练,提高操作者的技术水平。
实验改进措施,下次实验中,将加强对导尿术操作技巧的训练,提高操作者的技术水平,确保导尿术的顺利进行。
实验总结,通过本次实验,我对导尿术的操作要领有了更深入的理解,掌握了导尿管的选择及导尿术的操作技巧,为今后的临床实践打下了坚实的基础。
第一类医疗器械备案,导尿管的临床评价资料(模板)**第一类医疗器械备案:导尿管的临床评价资料(模板)**一、概述本文档为第一类医疗器械备案所需的导尿管临床评价资料模板。
导尿管是一种用于协助排尿的医疗器械,其临床评价的目的是验证其安全性和有效性。
为了满足备案要求,以下是导尿管临床评价资料的模板。
二、研究设计1. 研究目的在这一部分,详细描述导尿管临床评价的目的。
包括但不限于:- 验证导尿管的安全性和耐受性;- 评估导尿管的功能和性能。
2. 研究方法说明导尿管临床评价所采用的方法和设计。
包括但不限于:- 临床试验的类型(前瞻性、随机对照研究等);- 研究对象(人群的数量、特点等);- 评价指标和测量方法;- 数据收集和分析方法。
3. 研究计划描述导尿管临床评价的计划和时间安排。
包括但不限于:- 研究的阶段和时间点;- 研究人员和研究中心的选择;- 数据采集和监测方法;- 数据分析和统计方法。
三、数据收集与分析1. 研究样本描述研究所涉及的样本数量和特点。
包括但不限于:- 研究对象的选择标准;- 招募样本的方法;- 样本的基本特征。
2. 数据收集描述数据收集的过程和方法。
包括但不限于:- 数据采集工具(问卷、测量设备等);- 数据收集时间点;- 数据采集的人员和培训。
3. 数据分析说明对收集到的数据进行的分析方法和统计方法。
包括但不限于:- 描述性统计;- 统计假设检验;- 多元分析等。
四、结果与讨论1. 结果在这一部分,详细描述导尿管临床评价的结果。
包括但不限于:- 安全性和耐受性评估结果;- 功能和性能评估结果;- 其他相关结果。
2. 讨论对导尿管临床评价结果进行分析和讨论。
包括但不限于:- 结果的可靠性和有效性;- 结果与其他研究的对比;- 结果的临床意义和应用前景。
五、结论与建议在这一部分,总结导尿管临床评价的结论,并提出相应的建议。
包括但不限于:- 结论的主要发现;- 对导尿管性能和安全性的评价;- 对进一步改进和研究的建议。
一、实验目的1. 掌握导尿术的操作步骤和方法。
2. 熟悉导尿术的注意事项,提高护理操作能力。
3. 了解导尿术的适应症和禁忌症。
二、实验时间与地点实验时间:2021年X月X日实验地点:XX医院泌尿科实验室三、实验对象实验对象:男性志愿者2名,年龄20-30岁,身体健康。
四、实验器材1. 导尿包(含导尿管、润滑剂、无菌手套、无菌棉球、无菌治疗巾、尿袋等)。
2. 消毒液、无菌注射器、剪刀、无菌棉签、无菌镊子等。
五、实验方法1. 准备工作:检查实验器材是否齐全、完好,确保无菌操作。
2. 患者准备:告知患者实验目的、过程及注意事项,取得患者同意。
3. 操作步骤:(1)戴无菌手套,铺无菌治疗巾。
(2)用消毒液清洁患者会阴部,范围包括阴阜、大腿内侧、肛门周围。
(3)协助患者取截石位,暴露尿道口。
(4)润滑导尿管前端,轻轻插入尿道约20-30cm,患者有尿意时,可适当调整插入深度。
(5)导尿管插入尿道后,将尿液引流至尿袋中。
(6)导尿完毕后,拔出导尿管,用无菌棉球擦净尿道口,告知患者注意事项。
六、实验结果1. 实验过程中,志愿者无不适反应。
2. 成功插入导尿管,尿液引流至尿袋中。
3. 实验操作时间:5分钟。
七、实验讨论1. 导尿术是泌尿科常见的护理操作,适用于尿潴留、昏迷、截瘫等患者。
2. 导尿术的注意事项:(1)严格执行无菌操作,预防感染。
(2)选择合适型号的导尿管,避免损伤尿道。
(3)插入深度适宜,避免过深或过浅。
(4)拔管后告知患者注意事项,如保持尿道口清洁、观察尿液颜色等。
八、实验总结本次导尿实验,我们成功掌握了导尿术的操作步骤和方法,提高了护理操作能力。
在实验过程中,我们严格遵守无菌操作原则,确保了患者的安全。
同时,我们也认识到了导尿术的注意事项,为今后的临床护理工作打下了基础。
在今后的工作中,我们将继续努力学习,不断提高自己的护理技能,为患者提供优质的护理服务。
导尿术实验报告模板摘要导尿术是一种用于排除尿液的医疗操作,通常用于尿液无法正常排出的情况。
本实验旨在了解导尿术的基本原理和操作方法,并通过实际操作了解导尿术的操作技巧和注意事项。
实验结果表明,正确掌握导尿术技巧并注意操作细节可以有效降低术后并发症的发生率。
1. 引言导尿术是一种常见的医疗操作,在临床操作中有着广阔的应用范围。
本实验旨在让学生了解导尿术的基本原理和操作方法,通过实际操作学生可以更好地掌握导尿术的操作技巧和注意事项。
2. 实验原理导尿术是一种用于排除尿液的医疗操作,通常用于尿液无法正常排出的情况。
导尿管是导尿术中最关键的器材之一,其类型有软管型和固管型两种,长度在20cm左右。
导尿管的外侧包覆有润滑液,以降低其在尿道内引起的刺激和疼痛感。
3. 实验步骤3.1 准备•消毒器具:消毒碗、口罩和手套等;•遵循无菌原则:穿戴好防护服后,检查手套、口罩等是否穿戴正确;•拆封:拆开导尿管包装,取下胶带和塑料管,将导尿管朝下轻轻晃动几次,以使润滑液均匀分布。
3.2 洗手•手部消毒:按墨香规范洗手方法,叠好双手按摩2分钟,注意将手臂到肘部一并处理消毒;•双手穿戴手套:穿戴手套时,应注意手套与手部的配合,确保穿戴得紧密合适;3.3 导尿术操作•选取合适的导尿管:选择合适规格和长度的导尿管,如长190mm或100mm,外径2.7mm或2.0mm;•消毒:对要进行导尿操作的尿道口周围进行消毒处理;•插管:将导尿管顺着尿道轻轻插进膀胱;•确认是否插进膀胱:将尿管连接至尿袋,等候尿液可能排出的时间;•固定:用适当方式固定导尿管。
3.4 注意事项•操作过程中尽量避免感染,保持操作仪器和设备的高度消毒;•操作时应小心,避免直接暴力插入导尿管;•导尿管的选择和患者的尿道大小以及膀胱张力有关。
4. 结果与分析通过参加实际操作,我们更好地掌握了导尿术操作技巧和注意事项。
实验表明,在正确掌握操作流程和技巧的基础上,能够有效降低术后并发症的发生率。