化学分析工五级理论知识鉴定要素细目表
- 格式:pdf
- 大小:423.09 KB
- 文档页数:9
化学分析工国家职业标准1.职业概况1.1 职业名称:分析工1.2 职业定义:按照分析检验规程或标准,使用化学试剂,分析仪器,计算工具,对原材料,中间体,成品等物件的技术指标进行测定,或进行定性测定,或对生产过程进行控制分析,为评定其质量和水平提供依据,或为试验研究提供分析测试数据的分析测试检验人员.1.3 职业等级:本职业共设五个等级,分别为:初级(国家职业资格五级),中级(国家职业资格四级),高级(国家职业资格三级),技师(国家职业资格二级),高级技师(国家职业资格一级).1.4 职业环境:室内(或室外),常温.1.5 职业能力特征:非常重要重要一般学习能力*计算能力*表达能力*观察判断能力*视(色)觉*嗅觉*听觉*动作协调性*手指灵活性*1.6 基本文化程度:高中毕业(同等学历).1.7 培训要求1.7.1 培训期限:全日制职业学校教育,根据其培训目标和教学计划确定.晋级培训期限:初级不少于260标准学时;中级不少于322标准学时;高级不少于340标准学时.1.7.2 培训教师:培训初,中级的教师应具有本职业高级及其以上职业资格证书或本专业中级及其以上专业技术职称任职资格;培训高级的教师应具有本职业技师及其以上职业资格证书或本专业高级及其以上专业技术职称任职资格;培训技师的教师应具有本专业高级及其以上专业技术职称任职资格或本职业高级技师职业资格证书,并具有丰富的分析实践经验者;培训高级技师的教师应具有本专业高级及其以上专业技术职称任职资格或本职业高级技师职业资格证书5年以上,并具有丰富的本职业的组织管理和分析实践经验者.1.7.3 培训场地和设备:标准教室,一般分析测试所需的实验室及其设施,容量分析,重量分析,气体分析和仪器分析所需的仪器设备和技能训练场所(详见附件:实验室及设备仪器要求). 1.8 鉴定要求1.8.1 适用对象:从事或准备从事本职业的人员.1.8.2 申报条件——初级(具备以下条件之一者)(1)经本职业初级正规培训达到规定标准学时数,并取得毕(结)业证书.(2)从事本职业学徒期满.(3)连续从事本职业工作2年以上.——中级(具备以下条件之一者)(1)取得本职业初级职业资格证书后,连续从事本职业工作1年以上,经本职业中级正规培训达到规定标准学时数,并取得毕(结)业证书.(2)取得本职业初级职业资格证书后,连续从事本职业工作3年以上.(3)取得经劳动保障行政部门审核认定的,以中级技能为培训目标的中等以上职业学校本职业毕业证书.——高级(具备以下条件之一者)(1)取得本职业中级职业资格证书后,连续从事本职业工作2年以上.经本职业高级正规培训达到规定标准学时数,并取得毕(结)业证书.(2)取得本职业中级职业资格证书后,连续从事本职业工作4年以上.(3)取得高级技工学校或劳动保障行政部门审核认定的,以高级技能为培训目标的高等以上职业学校本职业毕业证书.——技师(具备以下条件之一者)(1)取得本职业高级职业资格证书后,连续从事本职业工作3年以上,经本职业技师正规培训达到规定标准学时数,并取得毕(结)业证书.(2)取得本职业高级职业资格证书后,连续从事本职业工作4年以上.(3)取得本职业高级职业资格证书的高级技工学校或高等职业学校本职业(专业)毕业生,连续从事本职业工作2年以上.——高级技师(具备以下条件之一者)(1)取得本职业技师职业资格证书后,连续从事本职业工作3年以上,经本职业高级技师培训达到规定标准学时数,并取得毕(结)业证书.(2)取得本职业技师职业资格证书后,连续从事本职业工作5年以上.1.8.3 鉴定方式:分为理论知识考试和技能操作考核.理论考试采用闭卷笔试方式,技能操作考核采用现场实际操作方式.理论知识考试和技能操作考核均采用百分制,成绩皆达60分及其以上者为合格.技师和高级技师鉴定还须进行综合评审.1.8.4 考评人员与考生配比:理论知识考试考评员与考生配比为1:20,技能操作考评员与考生配比为1:6.1.8.5 鉴定时间:根据职业等级不同,理论知识考试为60min~120min;技能操作考核为480min~1920min;论文答辩不少于40 min.1.8.6鉴定场所设备:理论考试场所为标准教室,技能操作鉴定场所应满足技能等级鉴定需要的实验室以及相应的仪器,设备,材料,试剂等物品(见各等级的准备册).2 基本要求2.1 职业道德2.1.1职业道德基础知识2.1.2职业守则遵纪守法爱岗敬业忠于职守勤于思考善于观察有所发现有所创新认真负责精益求精一丝不苟确保质量2.2基础知识2.2.1无机化学:物质"三态",理想气体状态方程式,化学元素周期表及元素性质,化学反应类型.2.2.2有机化学:有机化合物分类,命名,分子式,结构式和化学性质,有机化学反应类型.2.2.3 数理统计:数据整理方法,误差理论,准确度和精密度.2.2.4安全知识:实验室安全知识,采样安, 全知识,化学危险品知识.2.2.5 法律知识:质量法,标准化法,计量法,环境保护法等的相关知识.3.工作要求[注:技师工作要求见沪劳保技发(2000)57号文高级技师工作要求待制订]本职业对初级,中级,高级,技师,高级技师的技能要求依次递进,高级别包括低级别的要求. 3.1初级职业功能工作内容技能要求相关知识一,准备工作(一)分析仪器的准备1.能识别各种玻璃器皿的型号,规格和用途2.能清洗玻璃器皿3.能根据分析需要准备好仪器,设备. 玻璃器皿的型号,规格,用途玻璃器皿的清洗分析实验室常用仪器,设备的型号,规格,用途(二)试剂和溶液的准备1.能识别试剂的级别,规格2.能进行一般溶液的配制3.能根据分析测定的需要准备好试剂,材料试剂的级别,规格溶液的配制及浓度的表示方法和计算二,取样和制样(一)气体样品的采样能进行常温正压气体的采样常温正压气体采样方法及注意事项(二)液体样品的采样能对静态,均匀液体采样静态,均匀液体采样方法及注意事项(三)固体样品的采样1.能进行固体物料的采样2.能对固体样品进行缩分,研磨,过筛固体物件采样方法及注意事项固体样品进行缩分,研磨,过筛三,化学分析(一)分析实验室常用设备的使用能使用分析实验室常用设备分析实验室常用设备的使用(二)天平的使用1.能识别不同型号,规格天平及其用途2.能使用天平进行称量天平的种类,型号,规格及其使用方法(三)容量分析滴定操作1.能进行溶液的稀释,定容2.能用吸管进行移液3.能进行酸碱滴定分析操作溶液配置的方法及浓度计算酸碱滴定的原理及其操作方法四,仪器分析(抽其中1点工作内容进行鉴定)(一)气体的化学分析1.能配制各种气体吸收剂2.能用奥氏气体分析仪器进行气体分析气体化学分析法原理与方法(二)比色分析1.能进行目视比色分析测定2.能用分光光度计进行单组份比色测定目视比色和分光比色法原理,仪器及测定方法(三)气相色谱分析能用TCD或FID进行单组分的定性和定量测定气相色谱法基本原理(四)溶液的PH值测定能用PH计测定溶液的PH值. PH计构造及测定PH值的原理五,试验数据的整理及结果的分析(一)试验数据的记录能准确,及时,真实记录分析测定数据原始数据记录的要求(二)分析测定结果的计算与判断1,能正确的进行分析结果的计算2,能采用GB/T1250中方法对产品质量指标极限值进行判断分析测定结果的表示及计算方法GB/T12503.2中级职业功能技能要求相关知识一,准备工作(一),分析仪器的准备1,能进行玻璃仪器的检查(验)2,能进行滴定管,移液管,容量瓶的校正3,能进行天平砝码的校正工作内容1,玻璃仪器的使用2,玻璃计量器具的计量检定3,天平的计量检定(二),试剂和溶液的准备1,标准溶液的配制2,标准滴定溶液的配制和标定3,指示剂配制标准溶液配制方法和标定指示剂配制方法二,取样和制样(一),常温负压气体的取样能进行常温负压气体的取样负压气体取样的方法及原理(二),静态,非均匀液体的取样能进行静态,非均匀液体的取样静态,非均匀液体取样的方法及原理(三),固体样品的溶解能进行固体样品的酸溶法溶解固体物料酸溶的方法及原理三,化学分析(容量法)(一),氧化还原滴定(二),配位滴定(三),沉淀滴定(抽其中一点进行鉴定)1.能按操作规程或标准熟练进行各类滴定操作(包括不同的滴定方式)2.能选择指示剂,正确的判断终点3.能观察和分析在测定中产生的异常现象,减少测定误差1.容量分析的基本原理2.化学反应平衡理论3.各类指示剂变色的原理4.容量分析干扰因素及影响测定准确度的因素四,化学分析(重量法)(一),沉淀重量法(二),气化重量法(抽其中一点进行鉴定)1.能按操作规程或标准熟练进行重量分析测定2.能观察和分析在测定中产生的异常现象,减少测定误差1.重量分析基本原理及溶度积2.重量分析条件选择3.重量分析的基本操作五,物理常数测定(一),密度的测定(二),熔点的测定(三),凝固点的测定(四),沸点的测定(五),折射率的测定(六),比旋光度的测定(七),粘度的测定(八),闪点的测定(抽其中1点进行鉴定)1.能按操作规程或标准熟练进行物理常数测定操作2.能正确的进行物理常数测定的计算3.能分析判断测定中产生的异常现象,减少测定误差1.各物理常数测定的基本原理2.各物理常数测定的仪器结构及原理3.影响测定因素4.物理常数的计算方法六,仪器分析(一),分光光度分析(可见或紫外)(二),色谱分析(GC或LC)(三),电化学分析(电导或电位)(抽其中2点内容中任一仪器进行鉴定)1.能按操作规程或标准进行正常的分析测定工作2.能进行二种定量方法(分光光度法为标准加入法和标准比较法;色谱法为归一化法和内标法;电化学分析法为直接法和滴定法)3.能观察分析过程中产生的异常现象4.能对所使用仪器维护保养1.各类仪器分析的原理及其应用2.相关的定量方法3.仪器常见异常现象4.仪器维护保养七,试验数据整理及结果的分析(一),偏差的计算(二),异常数据的检验1.能进行各类偏差的计算2.能应用4d法和Q检验法对异常数据进行检验1.误差的基本概念2.分析数据的处理注1:鉴定时四和五功能块中任选一功能块考核注2:五功能块为提升功能3.3高级职业功能工作内容技能要求相关知识一,准备工作(一),分析仪器的准备1.能进行仪器的维护保养,检查2.能进行仪器开机,预热,调试1.分析仪器的原理,结构及使用2.仪器使用说明书(二),试剂和溶液的准备1,能对试剂根据需要进行提纯试剂提纯的方法2 ,仪器分析用的标准样品的制备标准样品的制备方法二,取样和制样(一),高温物料取样能进行高温物料的取样高温下取样的方法(二),高粘度物料取样能对静止或流动状态下高粘度物料的取样高粘度物料性能及取样方法(三),气,液,固三相中有二相及其以上共存时的取样能进行气,液,固三相中有二相及其以上共存时的取样二相或三相共存时取样的方法(四),固体样品的熔融能进行固体样品的熔融法制样固体物料熔融法三,化学分析(抽其中1点进行鉴定)(一),常见阴,阳离子的定性能准确地对试样中阳离子或阴离子进行定性无机离子定性(二),有机化合物的元素官能团的定性或定量能准确地对有机化合物中元素或官能团进行定性或定量测定有机化合物中元素及官能团分析(三),非水溶液的滴定能熟练进行非水溶液的滴定分析非水溶液滴定四,仪器分析(一),光谱分析法:可见,紫外,红外,原子吸收,发射光谱(二),色谱分析:气相色谱,液相色谱(三),电化学分析法:离子选择性电极应用,库仑法,极谱法(在每点工作内容中可任选一种分析仪器进行鉴定)1.能按标准或操作规程准确,熟练操作(一),(二),(三)工作内容中的仪器进行定性或定量分析1.三类工作内容中各种仪器分析的原理及其应用2.样品的制备2.能对分析仪器常见的故障进行诊断,对简单的故障能进行排除,并能维护保养1.仪器常见故障的现象,产生原因及排除方法2.仪器的鉴定规程五,试验数据整理及结果的分析(一),分析测定数据中异常情况能用t法和F法检验异常数据可疑数值的舍取和显著性检验(二),二元一次方程的应用能用直线方程来处理线性数据一元回归分析六,管理工作(一),技术管理1.能正确执行本行业的各项国家,行业,地方和企业标准2.能解决初级,中级工在分析测试中出现的疑难问题3.具有培训和指导初,中级分析工的能力4.能正确处理常见实验室"三废" 1."三废"处理及"三废"排放标准2.GB/T 15481-2000检测和校准实验室能力的通用要求(二),生产管理能编制实验室的管理制度或程序文件实验室的管理制度或程序文件编制注:化学分析模块中1,2工作内容为提升模块.4.比重表4.1初级4.1.1理论知识项目配分基本要求1.职业道德52.基础知识15相关知识1.准备工作152.取样和制样103.化学分析254.仪器分析205.试验数据整理和结果分析10合计1004.1.2技能操作项目配分技能要求1.准备工作102.取样和制样103.化学分析454.仪器分析255.试验数据整理和结果分析10 合计1004.2中级4.2.1理论知识项目配分基本要求1.职业道德52.基础知识15相关知识1.准备工作72.取样和制样83.化学分析----容量法204.化学分析----重量法105.物理常数测定106.仪器分析157.试验数据整理和结果分析10 合计1004.2.2技能操作项目配分技能要求1.准备工作82.取样和制样73.化学分析----容量法304.化学分析----重量法155.物理常数测定156.仪器分析157.试验数据整理和结果分析10 合计1004.3高级(综合)项目配分技能要求1.准备工作102.取样和制样103.化学分析204.仪器分析405.试验数据整理和结果分析106.管理工作10合计100附件:培训单位需具备的条件:师资(略)标准教室(略)技能操作培训条件:(1),具备分析检验所需要的实验室:(一),天平室;(二),加热室;(三),化学实验室;(四),仪器实验室(2),具备的仪器设备:(一),实验室常用的玻璃仪器(作化学分析用)如滴定管,容量瓶,吸量管,量筒,锥形瓶,烧杯,称量瓶,干燥器,漏斗,离心试管,瓷板,比色管.(二),设备:天平(万分之一),台秤,烘箱,马福炉,电炉,真空泵,离心机,水浴.(三),仪器:分光光度计(可见;紫外),气相色谱仪,液相色谱仪,原子吸收分光光度计,发射光谱仪,电导仪,PH计或离子计,库仑仪,极谱仪,水份分析仪,闪点仪,阿贝折光仪,旋光仪,粘度计,熔点仪,沸点仪,蒸氮仪,奥氏气体分析仪(带氧化铜燃烧装置的).计算机操作员国家职业标准计算机操作员国家职业标准1. 职业概况1.1 职业名称cc计算机操作员.1.2 职业定义使用电子计算机从事文字,图形,图像等信息处理工作及计算机系统操作,维护与管理的人员.1.3 职业等级本职业共设三个等级,分别为:初级(国家职业资格五级),中级(国家职业资格四级),高级(国家职业资格三级).1.4 职业环境室内,常温.1.5 职业能力特征眼,手协调,手指,手臂灵活,有一定的文字表达能力,颜色辨别力正常.1.6 基本文化程度初中毕业.1.7 培训要求1.7.1 培训期限全日制职业学校教育,根据其培养目标和教学计划确定.晋级培训期限:初级不少于300标准学时;中级不少于280标准学时;高级不少于250标准学时.1.7.2 培训教师培训教师应有本专业工程师(或同等职称)以上专业技术职称,具有一定的计算机操作与应用实践经验.培训初级,中级人员的教师也可由持高级职业资格证书,并连续从事本职业2年以上者担任.1.7.3 培训场地设备理论知识培训在标准教室内,技能操作培训在具有计算机系统及外设等教学设备和软件的实操教室内.1.8 鉴定要求1.8.1 适用对象从事或准备从事信息处理,计算机系统和网络操作,维护和管理等相关工作的人员.1.8.2 申报条件——初级(具备下列条件之一者)(1)经本职业初级正规培训达规定标准学时数,并取得毕(结)业证书.(2)在本职业见习工作2年以上.——中级(具备下列条件之一者)(1)取得计算机操作员初级职业资格证书后,连续从事本职业工作3年以上,经本职业中级正规培训达规定标准学时数,并取得毕(结)业证书.(2)取得本职业初级职业资格证书后,连续从事本职业工作5年以上.(3)取得经劳动保障行政部门审核认定的,以中级技能为培养目标的中等以上职业学校本专业毕业证书.——高级(具备下列条件之一者)(1)取得本职业中级职业资格证书后,连续从事本职业工作4年以上,经本职业高级正规培训,达规定标准学时数,并取得毕(结)业证书.(2)取得本职业中级职业资格证书后,连续从事本职业工作7年以上.(3)取得高级技工学校或经劳动保障行政部门审核认定的,以高级技能为培养目标的高等职业学校本专业毕业证书.(4)取得本职业中级职业资格证书的大专以上毕业生,连续从事本职业工作2年以上.1.8.3 鉴定方式本职业鉴定分为理论知识考试和技能操作考核.技能操作考核采用考场上机实际操作方式,由3~5名考评员组成考评小组,根据考生现场操作表现及实际操作输出结果,参照统一标准评定得分.两项鉴定均采用百分制,皆达60分及以上者为合格.1.8.4 考评人员与考生配比理论知识考试:15~20名考生配1名考评员,技能操作考核:5~8名考生配1名考评员.1.8.5 鉴定时间各等级的理论知识考试时间为90 min;技能操作考核:初级90 min;中级120 min;高级180 min.1.8.6 鉴定场地设备理论知识考试在标准教室内进行,技能操作考核在具有满足考核需要的计算机系统,相关设备和软件的实操教室内进行.2. 基本要求2.1 职业道德2.1.1 职业道德基本知识2.1.2 职业守则(1)遵纪守法,尊重知识产权,杜绝做假,严守保密制度.(2)实事求是,工作认真,尽职尽责,一丝不苟,精益求精.2.2 基础知识2.2.1 计算机概述计算机一般知识.2.2.2 计算机硬件知识(1)计算机基本组成.(2)基本外部设备及使用.2.2.3 计算机软件知识(1)软件基础知识.(2)计算机常用软件.2.2.4 计算机操作系统(1)操作系统基础知识.(2)计算机常用操作系统的使用.(3)计算机文件系统的结构.(4)计算机文件系统的使用管理.2.2.5 文字处理基础知识(1)汉字信息处理基础知识.(2)文字输入技术.(3)常用文字处理,排版软件的使用.(4)常见排版物的格式规范.(5)排版工艺基础知识.(6)文字信息处理工艺与质量管理.2.2.6 多媒体基础知识(1)多媒体常识.(2)多媒体信息处理.(3)多媒体基本应用.2.2.7 计算机网络基础知识(1)计算机网络常识.(2)局域网络的组成.(3)因特网基础知识.(4)常用浏览器的功能与使用.2.2.8 计算机安全知识(1)计算机安全使用基础.(2)计算机病毒防治知识.(3)常见计算机防病毒软件及应用.3. 工作要求本标准对初级,中级,高级的技能要求依次递进,高级别包括低级别的要求.3.1 初级职业功能工作内容技能要求相关知识一,微型计算机基本操作(一)微型计算机基本操作l.能够进行微型计算机的基本操作2.能够完成文件夹(子目录)的创建,完成文件的存储,查找与删除等操作3.能够使用常见打印输出设备完成文件的打印1.微型计算机基本操作方法2.文件系统的处理使用方法3.打印输出设备的基本操作方法(二)计算机病毒防治能够使用常用防病毒软件完成计算机病毒的检查与清除1.检查计算机病毒的正确方法2.病毒发现后的处理方法二,文字信息处理(一)文字输入能够快速,准确地完成汉字输入.要求在20 min内,根据指定文稿使用计算机键盘输入900个汉字与字符(平均每分钟45个汉字),其错误率不高于0.6%(文稿均为字迹清晰的印刷稿,其中社科,新闻,文学,科技内容各占25%)1.文字输入基本方法2.常用符号的识别与输入方法(二)版面编排能够完成版面的编排.在规定时间内,根据指定的样张或版样编排制作出2页版面(版面不分栏,含6种字体,有两级标题,文字有长字,扁字,下划线等修饰) 文字排版基本方法(三)制作表格能够完成指定表格的制作.要求在规定的时间内,根据原稿样张制作一个比较简单的表格(6~9行,5~8栏) 表格制作方法三,图形图像处理图形,图像输入与处理1.能够完成简单图形的绘制2.能够将图像文件排放到指定的文字版面中l.简单图形的绘制方法2.图像文件的一般排版方法四,因特网操作(一)拨号上网能够完成拨号上网操作因特网接入方法及操作步骤(二)信息检索与浏览l.能够使用浏览器,根据指定网址查找信息2.能够完成信息的下载1.网址常识与格式2.文件下载的方法(三)接收/发送电子邮件l.能够完成电子邮件的编排制作,接收和发送2.能够完成电子邮件的基本处理(删除,存储操作)电子邮件基本操作方法3.2 中级职业功能工作内容技能要求相关知识一,微型计算机系统的基本操作与使用(一)微型计算机使用操作1.能够完成微型计算机各基本部件的正确连接2.能够完成计算机外部设备的正确连接3.能够完成微型计算机文件的多种操作,完成文件的一般压缩及解压缩操作4.能够使用常见打印输出设备,完成文件信息的打印输出1.微型计算机的使用操作方法2.基本外部设备的使用与一般调整方法3.微型计算机文件系统的操作与管理(二)软件安装能够在规定的时间内,使用常用方法完成一个软件的安装和设置,并启动运行常用软件的安装和设置方法(三)微型计算机病毒防治能够完成计算机病毒的检查与清除计算机病毒的检查处理方法二,文字信息处理(一)文字输入能够实现文字的快速,准确输入.在20 min内,根据指定文稿使用计算机键盘输入完成1300个汉字与字符(每分钟65个汉字),其错误率不高于0.5%(文稿为字迹清晰的印刷稿,其中社科,新闻,文学,科技内容各占25%)1.汉字输入方法2.常用科技符号的识别与输入方法3.手写文稿的识别4.常见繁体字的识别。
理论知识鉴定-细目表电气设备使用安全知识11激光器安全使用知识1125化学物品保管与使用15152129计算机语言21210数据在计算机中的表示21211计算机系统安全与计算机病毒21212操作系统色彩管理支持21213字体管理与字体安装21214设备驱动程序462235Internet提供的服务3印刷基础知识31印前311系统结构473111印前信息处理含义及其内容31117RIP前打样和RIP后打样31118远程打样和远程传版31119软打样312工艺流程3121计算机到胶片工作流程833215印刷复制的基本信息元素843216胶印853217传统平版制版863218柔性版印刷873219柔性制版227油墨的种类和用途228油墨的印刷适性229制版感光材料2210辅助材料半色调加网基础4224图像处理软件的误差扩散抖动功能4225分色原理4226前端加网和后端加网4227平版制版原理4228平版制版工序1基本图形对象11规则形状图形单元12图形软件中的基本图形工具13闭合路径的绘制14开口路径绘制2123图案填充2124基本图形的平移几何变换2125基本图形的旋转几何变换2126基本图形的缩放几何变换2127镜像变换2128错切变换26节点类型27矢量图形格式——DXF 28矢量图形格式——AI 29矢量图形格式——EPS 3文字对象31文字类型6RGB和CMYK图像的相互转换1 7索引彩色图像1 8颜色转换规则1 9调色板选择1 10索引彩色图像调色板操作13Alpha通道的数据结构与通道建立1 4蒙版与快速蒙版模式1 5通道调板1 6通道操作1 7通道和并1操作技能鉴定-细目表鉴定点名称点原稿数字化与图像处理原稿输入1 原稿分析与质量判断7 颜色替换操作图形制作基本图形操作1 规则形状图形定义2 曲线对象定义第12页/共12页。
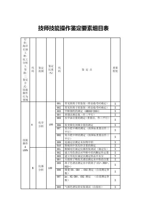
《化学分析工》(二级) 技能操作鉴定要素细目表
26 2 3 3 样品处理操作
27 2 3 4 分光光度计操作
28 2 3 5 记录原始数据
29 2 3 6 结果计算
30 2 3 7 结束工作
59 4 1 3 对化学分析中产生的误差进行分析、判断
60 4 1 4 干扰物质的排除方法(分离、富集、掩蔽等)
61 4 1 5 编写化学分析报告格式
4 2 建立氧化还原滴定法
62 4 2 1 文献资料查阅方法
93 5 1 12 浊点萃取
94 5 1 13 室温离子液体萃取
95 5 1 14 微滤
96 5 1 15 超滤
97 5 1 16 纳滤
6 1 个人业务情况
129 6 1 1 本职业(工种)相应等级的工作经历
130 6 1 2 传授技艺以及培训、指导能力
131 6 1 3 在工作中有理论结合实际,攻克技术难关的经历
6 2 小结的内容
注:本表用于一体化鉴定模式。
理论知识鉴定-细目表19光源的光谱能量分布19光的反射、透射和吸收2929发光体和非发光体的颜色形成191125色光混合概念1126色光混合的类型1127色料三原色1128色料混合概念1129色料减色混和11210色料混合的类型5611317奥斯瓦尔德颜色系统12摄影121镜头与曝光控制571211摄影光源581212光圈1317扫描参素设置132图像获取设备1321滚筒扫描仪1322平板扫描仪1323扫描仪的TW AIN界面标准4 2 1 彩色图像的数据结构4 2 2 光谱数据图像4 2 3 调色板数据图像4 2 4 图像的数字编码4 25 图像数据压缩编码的基本依据4 6 2 半色调工艺的必要性4 6 3 网点的意义和作用4 6 4 加网角度组合4 65 加网角度对图像分辨率的要求46 6 数字半色调加网的本质2 20 报纸标题排版位置2 21 报纸整版的拼排2 22 杂志版式构成2 23 杂志排版特点2 24 杂志组成要素2 25 排版禁则16 汉字编码基础117 常用印刷纸张的概念 218 印刷用纸的计量方法119 常见的印刷工艺1图形103 色彩管理系统的构成 24 同色异谱色15 色彩管理的基本原理16 色彩管理的实施 27 应用软件中的色彩管理 27 传递函数的确定18 RIP输出设置19 胶片质量检验标准1印版输出 2 1 CTP版材分类 2业务管理 21 生产成本构成 22 报价与核价 23 资金成本的概念 14 资金成本的作用 1操作技能鉴定-细目表8 分色操作9 网点扩大补偿10 多色调图像操作11 JPEG图像存储12 EPS与DCS图像存储。