中式烹调师五级理论知识鉴定要素细目表
- 格式:pdf
- 大小:477.38 KB
- 文档页数:11
中式面点师初级(五级)教学计划一、总体目标(一)教学目标培养具备以下条件的人员:具有一定的职业道德素质,了解餐饮服务与食品制作相关的法律知识,基本掌握面点机械设备常识、面点原料知识、面点制作基本技术动作知识,懂得制馅、调制面坯、成型等工艺。
(二)理论知识培训目标依据《中式面点师国家职业标准》中对初级中式面点师的理论知识要求,通过培训,使培训学员了解饮食和食品生产服务过程中的职业道德和相关基本知识,掌握面点的原料知识及加工工艺,懂得调制面坯的基本知识和注意事项,成型工艺的要点及要求,熟制工艺的要点,摆盘注意事项。
(三)操作技能培训目标依据《中式面点师国家职业标准》中对初级中式面点师的操作技能要求,通过培训,使培训学员能够根据不同面点品种的要求,选用面粉、米粉和其他原、辅料、调料,按比例配料;能够根据面点风味、坯皮、季节、顾客口味等情况制作馅心;能够按照面点的不同要求,采用揉、抻、搓等手法调制面团;能够采用包、卷、捏、切、削、钳花等不同成型方法,将面点制成所需形状;能够采用蒸、煮、烤、烙、煎、炸等熟制方法制成面点。
二、教学要求(一)理论知识要求1.职业道德和职业守则2.烹饪基础知识3.操作前准备4.面点原料知识5.制馅工艺知识6.面坯调制工艺知识7.成型工艺知识8.熟制工艺知识9.装饰工艺知识(二)操作知识1.制馅工艺2.面坯的调制工艺3.成型工艺4.熟制工艺5.装饰工艺三、教学计划安排总课时数:300课时理论知识授课:62课时理论知识复习:16课时操作技能授课:67课时操作技能练习:125课时机动课时:30课时中式面点师初级(五级)教学大纲一、课程任务和说明通过培训,使培训学员掌握初级中式面点师的基础知识和必备的操作技能。
培训完毕,培训学员能够独立上岗,完成简单的常规技术操作工作。
在教学过程中,应以专业理论教学为基础,注意职业技能训练,使培训学员掌握必要的专业知识与操作技能,教学注意够用适度原则。
中式烹调师鉴定要素细目表会因等级和考试内容的不同而有所差异,以下是一份中式烹调师(高级)理论知识鉴定要素细目表:
鉴定点重
要
程
度
内容
行业职业道德2.0
%
007 行业职业道德的具体要求、008 职业道德的特点、009 职
业道德的核心、010 加强职业道德建设的原因
职业守则2.0
%
诚信、敬业与职业的关系、公道、纪律与职业的关系、合作、
奉献与职业的关系、职业道德修养的内容、职业技能与职业
道德的关系
基础知识30%
食品卫生知识、食品污染、食物中毒、食品营养强化剂、食
品营养知识、饮食成本核算。
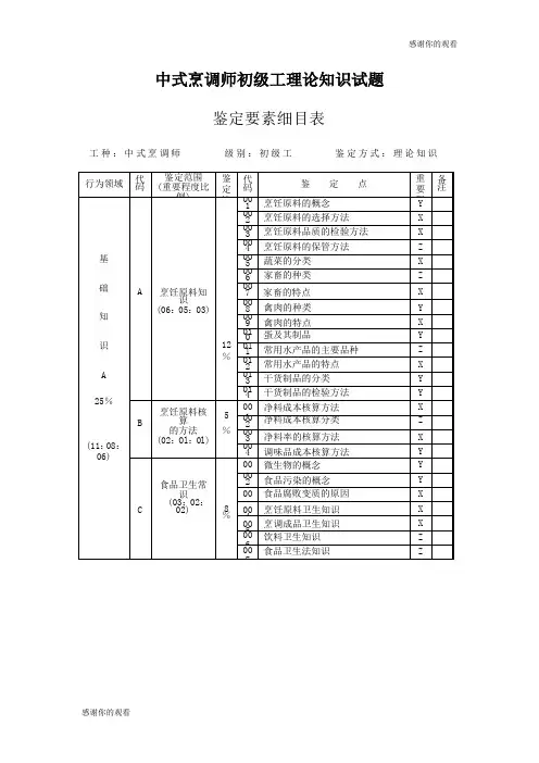
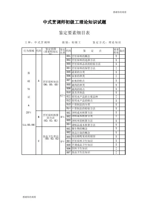
中式烹调师初级工理论知识试题鉴定要素细目表工种:中式烹调师级别:初级工鉴定方式:理论知识注:x一核心要素,掌握;Y一一般要素,熟悉;Z--辅助要素,了解。
理论知识试题一、选择题(每题有4个选项,其中只有l个是正确的,将正确的选项号填入括号内) 1.AA001影响烹饪原料质量变化的主要因素是( )因素。
(A)腐烂 (B)虫蛀 (C)物理 (D)骨骼2.AA001烹饪原料新鲜度的变化之一是( )的变化。
(A)气味 (B)触摸 (c)结缔 (D)风味3.AA001 烹饪原料品质的检验方法是( )检验。
(A)水分 (B)视觉 (C)肌肉 (D)脂肪4.AA002只有掌握烹饪原料( )性的变化规律,才能选用质好的原料。
(A)习惯 (B)植物 (C)季节 (D)自然5.AA002家畜肉中用得最多的部分是( )组织。
(A)脂肪 (B)肌肉 (C)结缔 (D)骨骼6.AA002烹饪原料大部分属于( )原料。
(A)矿物性 (B)动、植物性 (C)油脂性7.AA003理化检验是利用( )或化学药剂进行检验。
(A)水分蒸发 (B)重量减少 (C)仪器、机械8.AA003烹饪原料品质的检验方法有理化检验和( )检验两大类。
(A)生物 (B)五官 (C)微生物 (D)感官9.AA003视觉检验是观察原料的( )。
(A)腐败程度 (B)结缔组织 (c)弹性和韧性 (D)外表特征10.AA004原料受外界环境温度、湿度影响而出现的变化有化学变化和( )变化两种。
(A)微生物 (B)物理 (c)性质 (D)条件11.AA004肉类的最佳保藏温度为( )。
(A)一15~一l8℃ (B)-25~-30℃ (C)-1~-l0℃ (D)-8~-14℃12.AA004新鲜蔬菜的保管方法最好选用( )保藏法。
(A)脱水 (B)密封 (C)低温 (D)腌渍13.AA004西红柿属于( )蔬菜类。
(A)根菜 (B)叶菜 (C)果菜(D)花菜14.AA005属于茎菜类的是( )。
中式烹调师初级工理论知识试题鉴定要素细目表工种:中式烹调师级别:初级工鉴定方式:理论知识注:x一核心要素,掌握;Y一一般要素,熟悉;Z--辅助要素,了解。
理论知识试题一、选择题(每题有4个选项,其中只有l个是正确的,将正确的选项号填入括号内) 1.AA001影响烹饪原料质量变化的主要因素是( )因素。
(A)腐烂 (B)虫蛀 (C)物理 (D)骨骼2.AA001烹饪原料新鲜度的变化之一是( )的变化。
(A)气味 (B)触摸 (c)结缔 (D)风味3.AA001 烹饪原料品质的检验方法是( )检验。
(A)水分 (B)视觉 (C)肌肉 (D)脂肪4.AA002只有掌握烹饪原料( )性的变化规律,才能选用质好的原料。
(A)习惯 (B)植物 (C)季节 (D)自然5.AA002家畜肉中用得最多的部分是( )组织。
(A)脂肪 (B)肌肉 (C)结缔 (D)骨骼6.AA002烹饪原料大部分属于( )原料。
(A)矿物性 (B)动、植物性 (C)油脂性7.AA003理化检验是利用( )或化学药剂进行检验。
(A)水分蒸发 (B)重量减少 (C)仪器、机械8.AA003烹饪原料品质的检验方法有理化检验和( )检验两大类。
(A)生物 (B)五官 (C)微生物 (D)感官9.AA003视觉检验是观察原料的( )。
(A)腐败程度 (B)结缔组织 (c)弹性和韧性 (D)外表特征10.AA004原料受外界环境温度、湿度影响而出现的变化有化学变化和( )变化两种。
(A)微生物 (B)物理 (c)性质 (D)条件11.AA004肉类的最佳保藏温度为( )。
(A)一15~一l8℃ (B)-25~-30℃ (C)-1~-l0℃ (D)-8~-14℃12.AA004新鲜蔬菜的保管方法最好选用( )保藏法。
(A)脱水 (B)密封 (C)低温 (D)腌渍13.AA004西红柿属于( )蔬菜类。
(A)根菜 (B)叶菜 (C)果菜(D)花菜14.AA005属于茎菜类的是( )。
标准比重表鉴定要素细目表
标准比重表鉴定要素细目表
标准比重表鉴定要素细目表养知识
(37:10:
标准比重表鉴定要素细目表
本核算
中式烹调师(中级)理论知识 标准比重表鉴定要素细目表
产知识 (28:05:00)
中式烹调师(中级)理论知识 标准比重表鉴定要素细目表
00)
中式烹调师(中级)理论知识 标准比重表鉴定要素细目表
(25:05:
00)
中式烹调师(中级)理论知识 标准比重表鉴定要素细目表
中式烹调师(中级)理论知识 标准比重表鉴定要素细目表
(10:00:
00)
中式烹调师(中级)理论知识 标准比重表鉴定要素细目表
(250:50:07)
(28:03:00)
中式烹调师(中级)理论知识 标准比重表鉴定要素细目表配技术
(35:07:
01)
中式烹调师(中级)理论知识 标准比重表鉴定要素细目表
盘工艺
(19:03:
00)
中式烹调师(中级)理论知识 标准比重表鉴定要素细目表
(34:01:
00)
中式烹调师(中级)理论知识 标准比重表鉴定要素细目表。
详细了解中式烹调师国家技能等级认定标准1. 介绍中式烹调师国家技能等级认定标准中式烹调师国家技能等级认定标准是指在中华人民共和国国家标准化管理委员会制定的,用于评价和认定中式烹饪师技能水平的标准体系。
该标准体系是为了规范中式烹饪师的职业技能,提高中式烹饪师的整体素质和水平,促进中式烹饪行业的发展而设立的。
认定标准包括技能等级、考核内容和考核方式等方面的内容。
2. 技能等级的含义与要求中式烹调师国家技能等级认定标准将中式烹饪师的技能水平划分为技能等级Ⅰ至技能等级Ⅴ共5个等级。
其中,技能等级Ⅰ是指初级烹饪师,具备一定的烹饪基本知识和技能,能够独立完成一些简单菜品的制作;技能等级Ⅱ是指中级烹饪师,具备一定的烹饪技能和实际操作能力,能够独立完成较为复杂的菜品制作;技能等级Ⅲ是指高级烹饪师,具备较高的烹饪技能和创新能力,能够独立完成高难度的菜品制作;技能等级Ⅳ是指资深烹饪师,具备丰富的烹饪经验和创新能力,能够独立完成具有挑战性的菜品制作;技能等级Ⅴ是指大师级烹饪师,具备深厚的烹饪功底和创新能力,能够独立完成具有代表性和独创性的菜品制作。
3. 考核内容和方式中式烹调师国家技能等级认定标准的考核内容主要包括:中式烹饪基础知识、刀工技法、烹饪工艺、菜品制作等方面的内容。
考核方式分为理论考核和实际操作考核两个部分,其中理论考核主要测试考生对相关知识的掌握程度,实际操作考核主要测试考生的烹饪技能和实际操作能力。
4. 个人观点与理解我认为中式烹调师国家技能等级认定标准的制定对于提升中式烹饪师的整体素质和水平有着重要的意义。
通过统一的标准体系,可以规范中式烹饪师的职业技能,提高整个行业的专业水准,有利于用户对烹饪师的技能水平有一个客观的评价,也有利于烹饪师的职业发展和提升。
5. 总结与回顾中式烹调师国家技能等级认定标准是一项为中式烹饪师职业技能认定而设立的标准体系,其技能等级划分、考核内容和方式等方面都具有一定的权威性和客观性。
中式烹调师高级技师中国石油大庆职业技能鉴定中心考核内容层次结构表鉴定要素细目表行业:石油天然气工种:中式烹调师等级:高级技师鉴定方式:技能操作X—核心要素,掌握;Y—一般要素,熟悉;Z—辅助要素,了解中式烹调师高级技师试题目录试题一、宴席制作(10道菜肴)(宴席设与制作60%)试题二、现场理论教学(摸似教学40%)试题三、论文答辩(学术论文100%)试题一、BAA001宴席制作(10道菜肴)1、准备要求(1)原料准备:保鲜虾、鸡脯肉、鲜鸭子、草鱼或鳜鱼、水发蹄筋、时令蔬菜(任选)。
(其它用料考生自备)(2)工具、用具准备:(特殊工具、用具、餐具及盘具。
考生自备)(3)考场准备:双眼炉灶1个,大勺2把,手勺1把,油罐1个,漏勺1把,操作台1个,菜墩。
盐、味精、料酒、酱油、醋、白糖、淀粉、色拉油、葱姜蒜等特殊调料自备。
2、考核要求(1)必须按要求穿戴劳动保护用品;(2)宴席共计10道菜肴,2道冷菜8道热菜(其中包括一道汤),不包括配点心和主食;(3)就餐人数按8人设计,菜单要有宴席名称;(4)按着商务餐要求现场制作一桌宴席;(5)按着烹调要求进行加工和制作;(6)按着营养配餐设计菜肴;(7)按着烹饪美学来展现台面;(8)要突出新知识、新技术、新工艺;(9)坚决不许使用国家保护动物、植物,严禁使用人工合成色素;(10)考核站提供的6种原料,必须按主料使用;(11)菜肴装饰点缀用品考生自带;(12)成套器皿考生自备;(13)宴席规格元。
3、操作考核规定及说明:(1)操作程序:按正规烹调要求制做菜品。
(2)考核规定说明:1)如操作违章或未按操作程序执行操作,将停止考核;2)考核采用百分制,考核项目得分按鉴定比重进行折算;3)考核方式说明:该项目为实际操作结果型,考核结果按评分标准及操作过程进行评分;4)测量技能说明:本项目主要测量考生掌握对自选菜肴的熟练程度。
4、考核时限(1)准备时间:1 min(不计入考核时间)。
培训目标:1. 掌握中式烹饪的基本原理和技巧;2. 熟悉中式烹饪的主要菜系,如川菜、粤菜、鲁菜等;3. 学习中式厨房的操作流程和卫生标准;4. 培养热爱中式烹饪的专业精神和团队合作能力;5. 掌握一定的中式烹饪创新能力。
培训内容:一、中式烹饪基础知识1. 中式烹饪的历史与传统2. 食材的选择与贮藏3. 中式烹饪的基本调味与口味4. 厨房操作工具的使用与保养二、中式烹饪技巧1. 中式烹饪的刀工技巧2. 火候掌握与烹饪时间3. 蒸、煮、炖、炸等烹饪方式的技巧4. 老火、快火、煨火等烹饪方法三、中式烹饪菜系1. 川菜、粤菜、鲁菜、浙菜等主要中式菜系的特点与经典菜品制作2. 中式烹饪中的主菜热菜、冷菜、汤羹、点心等制作技巧四、中式烹饪的创新1. 学习中式烹饪创新的思维方式2. 利用现代化工具与材料进行中式烹饪创新3. 掌握中式烹饪与西式烹饪的融合1. 厨房卫生与清洁2. 食材的安全与检验3. 烹饪过程的安全防护培训流程:1. 第一阶段(入门级):学员将了解中式烹饪的基本概念和技能,如刀工、火候、蒸、煮、炒等基本技巧。
学习中式烹饪菜系的基本特点和经典菜品的制作。
2. 第二阶段(初级):学员将学会制作川菜、粤菜、鲁菜、浙菜等主要中式菜系的烹饪技巧和经典菜品。
同时,学习中式烹饪的创新思维和现代化工具的运用。
3. 第三阶段(中级):学员将学习并掌握中式烹饪的创新技术和方法,运用中式烹饪与西式烹饪的融合。
同时,加强对厨房卫生与安全的意识。
4. 第四阶段(高级):学员将进行综合实训,包括现场实习和模拟实训。
学员将全面掌握中式烹饪的技能,并积累实战经验。
5. 第五阶段(毕业级):学员将进行终期考核和评估,学员需完成一个中式烹饪项目,并进行综合评价。
合格后颁发中式烹饪师证书。
培训要求:1. 年龄在18岁以上,身体健康;2. 对厨艺有浓厚兴趣,愿意从基础学习,踏实肯干;3. 具备一定的团队意识和沟通能力;4. 需要有一定的烹饪基础和厨房实习经验者优先考虑。
《高级中式烹调师》知识要点解析第一节烹饪定义和要素一、烹调的定义在一般的语言习惯中,烹调和烹饪常常混用。
在最近的20年,烹饪学术语言日益走上规范化的道路,因此将烹饪定为一个专业学科名称,而烹调则仅指做菜的烹饪技术。
行业上把制作菜肴的工种叫红案,把制作面点的工种叫白案。
在国家劳动部门的正式法规中,红案厨师称为烹调师,白案的厨师称为面点师。
二、烹饪的要素决定菜品质量的8大要素1. 料。
好菜源于好料,用料必须筛选,恰当进行组合。
2. 刀。
刀的作用是对原料进行切削,使之变形。
同时,不同的刀法和刀口,不仅可以美化菜品,还会影响原料成熟的快慢。
3. 炉。
炉灶设计科学与否,往往会直接影响菜品质量。
做菜要先“试灶”。
4. 火。
火候的掌握是厨师的基本功之一。
用火与用刀、用勺、用味称为厨师的四大基本功。
5. 器。
炊具和餐具。
不同的炊具具有不同的效用和技法。
好的餐具给菜品增色。
6. 味。
味是中餐质量鉴定的主要指标。
7. 水。
水是烹饪的辅佐物,可以洗涤、涨发、传热、导味、保护营养素,还可以制约菜品的外观与口感。
8. 法。
烹调技法包括生烹和熟烹两大类。
三、烹饪的作用。
从饮食角度看表现在五个方面。
1. 去腥,除膻,解腻,增鲜。
2. 杀菌,消毒,防腐,抗病。
3. 借助高温中物理变化或化学反应,使原料养分分解,便于人体消化吸收。
4. 变单一口味为复合味,刺激食欲,增强口感。
5. 美化菜品,提高观赏价值,增添饮食情趣。
四、烹饪流派四大流派:1. 鲁菜。
偏于用酱、葱、蒜调味,善用清汤、奶汤增鲜,口味咸鲜比较明显。
2. 川菜。
善用小炒、干煸、干烧、烩等方法。
以鱼香、红油、怪味、麻辣较为突出。
3. 苏菜。
口味平和、清鲜而略带甜味。
4. 粤菜。
善用烧、煲、软炸等方法,口味清淡鲜和。
第二节烹饪刀工知识一、.刀工的定义刀工就是运用厨用刀具对烹饪原料进行切削或雕刻等加工,使之形成所需要形状的工艺。
刀工主要包括五种刀法:直刀法、平刀法、斜刀法、剞刀法、其他刀法。
深圳市职业技能鉴定《中式烹调师》考试大纲1.职业概况1.1 职业名称中式烹调师。
1.2 职业定义运用煎、炒、烹、炸、熘、爆、煸、蒸、烧、煮等多种烹调技法,根据成菜要求,对烹饪特别是对燕、鲍、翅等高档原料、辅料、调料进行加工,制作中式菜肴的人员。
1.3 职业等级初级、中级、高级、技师、高级技师,共 5 个职业等级。
1.4 职业环境室内、常温。
1.5 职业能力特征手指、手臂灵活,色、味、嗅等感官灵敏,形体感强。
1.6 基本文化程度初中毕业。
1.7 培训要求全日制职业学校教育,根据其培养目标和教学计划确定。
晋级培训期限:初级不少于 400 标准学时;中级不少于 350 标准学时;高级不少于 250 标准学时;技师不少于 150 标准学时;高级技师不少于 100 标准学时。
1.8 鉴定要求1.8.1 适用对象从事或准备从事本职业的人员。
1.8.2 申报条件——具备下列条件之一的,可申请报考初级工:(1)经本职业初级正规培训达到标准学时并取得毕(结)业证书;(2)在本职业连续见习工作 2 年以上;(3)本职业学徒期满。
——具备下列条件之一的,可申请报考中级工:( 1)取得本职业初级资格证书后,连续从事本职业工作 3 年以上,经本职业中级正规培训达到标准学时并取得毕(结)业证书;( 2)取得本职业初级工等级证书后,连续从事本职业工作 5 年以上;(3)取得经劳动和社会保障部门审核认定的,以中级技能为培养目标的中等以上职业学校本职业毕业证书。
——具备下列条件之一的,可申请报考高级工:( 1)取得本职业中级工等级证书后,连续从事本职业工作 4 年以上,经本职业高级正规培训达到标准学时并取得毕(结)业证书;1( 2)取得本职业中级工等级证书后,连续从事本职业工作7 年以上;( 3)取得本职业中级职业资格证书的大专以上毕业生,连续从事本职业工作 2 年以上。
(4)取得高级技工学校或经劳动和社会保障部门审核认定的,以高级技能为培养目标的职业学校本职业毕业证书。
1 职业概况1.1 职业名称中式烹调师1.2 职业编码4-03-02-01 1.3 职业定义中式烹调师国家职业技能标准运用刀法与烹调技法,对原材料进行加工.制作中式菜肴的人员。
1.4 职业技能等级本职业共设五个等级,分别为:五级/初级工、四级/中级工、三级/高级工、二级/技师、一级/高级技师1.5 职业环境条件室内、常温。
1.6 职业能力特征具有一定的学习和计算能力;具有一定的空间感和形体知觉;手指、手臂灵活.动作协调;无色盲,无嗅觉障碍和味觉障碍。
1.7 普通受教育程度初中毕业(或相当文化程度)1.8 申报条件具备以下条件者.可申报五级/初级工:(1)累计从事本职业或相关职业工作 1 年(含)以上。
(2)本职业或相关职业学徒期满。
具备以下条件之一者,可申报四级/中级工:(1)取得本职业或相关职业五级/初级工职业资格证书(技能等级证书)后,累计从事本职业或相关职业工作 4 年(含)以上。
(2)累计从事本职业或相关职业工作 6 年(含)以上。
(3)取得技工学校本专业或相关专业毕业证书(含尚未取得毕业证书的在校应届毕业生);或取得经评估论证、以中级技能为培养目标的中等及以上职业学校本专业或相关专业毕业证书(含尚未取得毕业证书的在校应届毕业生)。
具备以下条件之一者,可申报三级/高级工:(1)取得本职业或相关职业四级/中级工职业资格证书(技能等级证书)后,累计从事本职业或相关职业工作 5 年(含)以上。
(2)取得本职业或相关职业四级/中级工职业资格证书(技能等级证书)并具有高级技工学校、技师学院毕业证书(含尚未取得毕业证书的在校应届毕业生);或取得本职业或相关职业四级/中级工职业资格证书(技能等级证书),并具有经评估论证、以高级技能为培养目标的高等职业学校本专业或相关专业毕业证书(含尚未取得毕业证书的在校应届毕业生)。
(3)具有大专及以上本专业或相关专业毕业证书,并取得本职业或相关职业四级/中级工职业资格证书(技能等级证书)后,累计从事本职业或相关职业工作 2 年(含)以上。
中式烹调师五级考试科目一、综述中式烹调师五级考试科目旨在对考生的中式烹调知识与技能进行全面测试,包括理论知识和实际操作能力。
本文将按照考试科目的重要性和难度逐一介绍,供考生参考备考。
二、技能操作技能操作是中式烹调师五级考试的核心内容,此部分考察考生在实际操作中的烹调技巧和工艺。
1. 切配切配是烹调过程中十分重要的一环,考生需要熟练掌握不同原料的切割方法,并能在限定时间内完成。
不同种类的切法,如丝、丁、片、块等应灵活运用。
2. 烹饪法烹饪法包括炒、爆、炸、蒸、煮、炖等多种方法,考生需要根据不同原料的特点选择适合的烹饪方法,并掌握火候和调料的搭配和运用。
3. 色香味调配色香味调配是中式烹调的重要特点之一,考生需要掌握食材的搭配原则,能够根据不同原料的性质和需求合理调配色、香、味,做到味道鲜美,外观诱人。
4. 创意菜制作创意菜制作考察考生的创意和表现能力,考生需要根据特定要求,设计并展示具有新颖性和创新性的中式菜品,需要考生对菜品的原材料、烹饪工艺和摆盘等方面进行综合考虑。
三、理论知识除了技能操作,中式烹调师五级考试还涉及理论知识的考察,这部分内容考察考生对中式烹饪的了解和掌握程度。
1. 中式烹饪基础知识中式烹饪基础知识包括食材的分类与选购、烹调器具的使用与保养、调味品的种类与搭配等,考生需要掌握这些基础知识,并能在实际操作中正确应用。
2. 中式烹调历史与流派中式烹调历史悠久,流派众多,考生需要了解中式烹调的起源与发展,并学习不同流派的特点和代表作品,以提升对中式烹调艺术的理解和把握。
3. 中式烹饪文化与养生中式烹饪与中国传统文化紧密相连,了解中式烹饪的文化内涵和与传统医学的关系,有助于提高考生的综合素质和对中式烹调的认识。
四、模拟考试模拟考试环节是为了让考生熟悉真实考试环境,了解考试流程和要求,以便更好地应对考试。
1. 考试规则模拟考试将按照实际考试的规则进行,包括考试时间、考试科目、考试方式等。
考生需要按规定时间完成各项任务。