机械识图-项目1--抄画平面图形
- 格式:ppt
- 大小:2.24 MB
- 文档页数:35
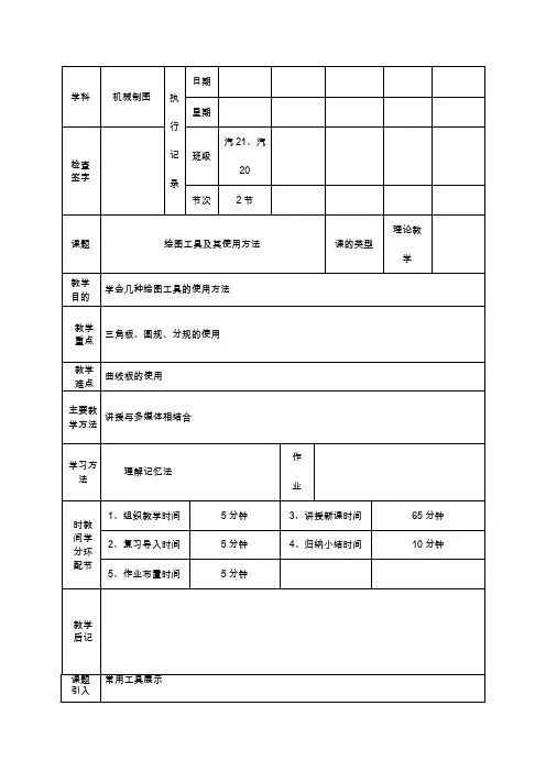
学科机械制图执行记录日期星期检查签字班级汽21、汽20节次2节课题绘图工具及其使用方法课的类型理论教学教学目的学会几种绘图工具的使用方法教学重点三角板、圆规、分规的使用教学难点曲线板的使用主要教学方法讲授与多媒体相结合学习方法理解记忆法作业时教间学分环配节1、组织教学时间5分钟3、讲授新课时间65分钟2、复习导入时间5分钟4、归纳小结时间10分钟5、作业布置时间5分钟教学后记课题引入常用工具展示教学步骤及主要内容—、常用绘图工具(1)(图板)画图时,需将图纸平铺在图纸上,所以,图板的表面必须平整、光洁、且富有弹性。
图板的左侧边称为导边,必须平直。
常用的图板规格有0号、1号和二号三种。
(2)丁字尺丁字尺主要用于画水平线,它由尺头和尺身组成。
尺头和尺身的连接处必须牢固,尺头的内侧边与尺身的上边(称为工作边)必须垂直。
使用时,用左手扶住尺头,将尺头的内侧边紧贴图板的导边,上下移动丁字尺,自左向右可画出一系列不同位置的水平线,如图1 – 18a所示。
(3)三角板三角板有45°- 90°角和30°- 60°- 90°角的各一块。
将一块三角板与丁字尺配合使用,自下而上可画出一系列不同位置的直线,如图1-18b 所示;还可画与水平线成特殊角度如30°、45°、60°的倾斜线,如图1-18c 所示将两快三角板与丁字尺配合使用,可画出与水平线成15°、75°的倾斜线,如图2所示。
两块三角板互相配合使用,可任画已知直线的水平线或垂直线,如图3所示。
图1 用丁字尺和三角板画线图2 画15度75度斜线图3 画已知直线平行线和垂直线二、分规、比例尺(1) 分规分规是用来量取尺寸、截取线段、等分线段的工具。
分规的两腿端部有钢针,当两腿合龙时,两针尖应重合于一点,如图4所示。
图5所示为用分规在比例尺上量取尺寸(图5a),然后在线上连续截取等长线段(图5b)的方法若欲将图5c所示的AB线段四等分,可先任凭自测估计,将分规的两针尖开到约为AB/4进行试分,如有剩余(或不足)时,再将针尖间的距离张大(或缩小)e/4,e为剩余或不足量,再进行试分,直到满意为止。
1.4 平面图形分析及尺寸标注复习:1、圆弧连接画法和步骤2、分析P6T4作图过程新课1.4 平面图形分析及尺寸标注 一、平面图形的尺寸分析1、定形尺寸 确定平面图形中各线段或线框形状大小的尺寸。
如下图,让学生指出其中的定形尺寸:Φ20、Φ12、8、34、R16、R12、R40。
2、定位尺寸 确定平面图形中线段或线框之间相对位置的尺寸。
让学生指出下图的定位尺寸:42、22、34、8。
有的定形尺寸也是定位尺寸。
如34、8。
3、尺寸基准:标注尺寸的起始点。
对平面图形而言,有长和宽两个不同方向的基准。
常见基准面有:对称中心线,较大 圆的中心线,较长的直线等。
二、平面图形的线段分析其实质是通过分析线段的尺寸情况来区分不同类型的线段,由此确定作图顺序。
按线段所给尺寸的数量是否齐全可分为已知线段、中间线段和连接线段。
1、已知线段:可直接画出的线段,作图时先画出这类线段。
2、中间线段:一般给出了定形尺寸,但缺少一个定位尺寸。
可用几何关系求作。
3、连接线段:缺少两个定位尺寸,要依据两端与之相接或相切的图线才能画出。
4、可用几何关系求作。
三、平面图形的画图步骤首先分析下图中的尺寸和基准,分析哪些是已知线段,哪是中间线段,哪是 连接线段。
3482012R=40-106R6R 408L=40R=12+6R=12+10R 121、画出作图基准线: 42、22,并根据定位尺寸确定有关的线框位置。
2、画出已知线段: Φ20、Φ12、34、8、R6。
3、画出中间线段: R40。
4、画出连接线段: R12。
5、标注,加深全图。
四、 平面图形的尺寸标注步骤:1、分析平面图形的各部分构成,确定尺寸基准。
2、注出各构成部分中图线的定形尺寸。
3、注出各已知线段和中间线段相应的定位尺寸。
下面为各种平面图形尺寸标注示例,主要分析基准和定位尺寸。
注意:1、所注尺寸正确、规范。
2、尺寸应注在图形的明显处,尺寸线不能和其它图线相交。
骤及主要内容1-18b所示;还可画与水平线成特殊角度如30°、45°、60°的倾斜线,如图1-18c所示将两快三角板与丁字尺配合使用,可画出与水平线成15°、75°的倾斜线,如图2所示。
两块三角板互相配合使用,可任画已知直线的水平线或垂直线,如图3所示。
图1 用丁字尺和三角板画线图2 画15度 75度斜线图3 画已知直线平行线和垂直线二、分规、比例尺(1) 分规分规是用来量取尺寸、截取线段、等分线段的工具。
分规的两腿端部有钢针,当两腿合龙时,两针尖应重合于一点,如图4所示。
图5所示为用分规在比例尺上量取尺寸(图5a),然后在线上连续截取等长线段(图5b)的方法若欲将图5c所示的AB线段四等分,可先任凭自测估计,将分规的两针尖开到约为AB/4进行试分,如有剩余(或不足)时,再将针尖间的距离张大(或缩小)e/4,e为剩余或不足量,再进行试分,直到满意为止。
用试分法也可等分圆或圆弧。
(2) 比例尺比例尺的三个棱面上有六种不同比例的刻度,如1:100、1:200等,可用于量取不同比例的尺寸。
图5 分规画法三、圆规圆规是用来画圆或圆弧的工具。
圆规固定腿上的钢针具有两种不同形状的尖端:带台阶的尖端是画圆货圆弧时定心用的;带锥形的尖端可作分规使用。
活动腿上有肘形关节,可随时装换铅芯插脚、鸭嘴脚及作分规用的锥形钢针插脚,如图6所示。
图6 圆规及附件画圆或圆弧时,要注意调整钢针在固定腿上的位置,使两腿在合龙时针尖比铅芯稍长些,以便将针尖全部扎入内,如图7a所示;按顺时针方向转动圆规,并稍向前倾斜,此时,要保证针尖和笔尖均垂直纸面,如图7b所示;画大圆时,可接上延长杆后使用,如图7c所示。
图7 圆规用法四、曲线板曲线板是绘制非圆曲线的常用工具。
画线时,先徒手将各点轻轻地连成曲线,如图8a所示;然后在曲线板上选取曲率相当的部分,分几段逐次将各点连成曲线,但每段都不要全部描完,至少留出后两点间的一小段,使之与下段吻合,以保证曲线的光滑连接,如图8b所示。
超详细机械制图教案模块绘制平面图形要点教案章节一:机械制图基本知识1.1 了解机械制图的发展历程和重要性1.2 掌握机械制图的国家标准和规范1.3 学习机械制图的基本原理和投影方法1.4 熟悉图纸的组成和标注方法教案章节二:平面图形的基本元素及绘制方法2.1 点、线、面的性质和绘制方法2.2 直线、射线、圆的方程和绘制方法2.3 平面图形的绘制步骤和技巧2.4 绘制常见平面图形(三角形、四边形、五边形等)的方法和要点教案章节三:机械制图中常见的视图和投影变换3.1 正投影、斜投影和透视投影的基本原理和绘制方法3.2 单一视图、二等轴测视图、三视图的绘制方法和步骤3.3 投影变换的基本原理和方法(旋转、平移、缩放等)3.4 熟悉不同视图在图纸上的表达方式和相互关系教案章节四:机械制图中尺寸标注和符号的应用4.1 尺寸标注的基本原则和规范4.2 线性尺寸、角度尺寸、径向尺寸的标注方法4.3 公差、极限、配合的标注方法和应用4.4 常见机械符号(如螺纹、齿轮、轴承等)的绘制方法和应用教案章节五:平面图形的分析和解读5.1 分析平面图形的形状、尺寸和特征5.2 解读平面图形的绘制方法和步骤5.3 熟悉平面图形在不同视图中的表达和变换5.4 提高对平面图形理解和应用能力,为后续机械制图打下基础。
教案章节六:立体图形的绘制与解读6.1 了解立体图形的基本组成和绘制方法6.2 掌握正等轴测图、斜二等轴测图的绘制方法和步骤6.3 学习立体图形的投影变换方法(如旋转、平移、缩放)6.4 熟悉常见立体图形的特征和表达方式(如箱体、圆柱体、球体等)教案章节七:零件图的绘制与解读7.1 了解零件图的基本概念和组成7.2 掌握零件图的绘制方法和步骤(如视图选择、尺寸标注、符号应用等)7.3 学习零件图的解读方法,包括形状分析、尺寸理解、工艺要求等7.4 熟悉不同类型零件图的特征和表达方式(如轴类零件、盘类零件、齿轮等)教案章节八:装配图的绘制与解读8.1 了解装配图的基本概念和作用8.2 掌握装配图的绘制方法和步骤(如组件布局、装配顺序、连接方式等)8.3 学习装配图的解读方法,包括组件分析、装配关系理解、功能要求等8.4 熟悉不同类型装配图的特征和表达方式(如机械设备、工具等)教案章节九:机械制图中的剖面图和断面图9.1 了解剖面图和断面图的基本概念和作用9.2 掌握剖面图和断面图的绘制方法和步骤(如剖切方向选择、剖切线表示等)9.3 学习剖面图和断面图的解读方法,包括剖切位置理解、内部结构分析等9.4 熟悉不同类型剖面图和断面图的特征和表达方式教案章节十:机械制图实际操作训练10.1 收集不同类型的机械制图案例,进行实际操作训练10.2 结合所学知识,独立完成平面图形、立体图形、零件图、装配图等的绘制10.4 提高机械制图的实际操作能力和解决实际问题的能力重点和难点解析1. 教案章节二中的点、线、面的性质和绘制方法。