制动气室-单腔式图表
- 格式:pdf
- 大小:166.80 KB
- 文档页数:1
双腔隔膜制动气室结构
及功能说明
HEN system office room 【HEN16H-HENS2AHENS8Q8-HENH1688】
附图1,30/30双膜片制动气室结构图:
附图2,30/24膜片弹簧制动气室结构图:
由图示结构可知,两种气室工作原理是一样的,前腔为行车制动工作腔,后腔为驻车制动工作腔,在进气口附近有“行车”或“11”及“停车”“12”字样,分别表示通向行车制动腔和驻车制动腔。
按以下几个工作状态说明其工作原理:
1、行车时,后腔充气解除驻车弹簧力,推杆退回0行程状态并解除制动,在行车过程中后腔保持充气;
2、行车制动时,前腔充气,前腔膜片推动推杆,产生制动力,制动力的大小与通入的气压成正比;
3、驻车制动时,前、后腔均通大气,后腔弹簧力传递至推杆产生制动力,制动力大小基本等于前后腔弹簧力之差。
两种气室对比如下:。
制动气室规格一、制动气室概述制动气室是汽车制动系统中的重要部件,它通过压缩空气来实现车辆制动的控制。
制动气室规格繁多,可以满足不同车型和制动系统的要求。
在选用制动气室时,需要了解其性能参数和适用场景,以确保制动系统的安全性和可靠性。
二、制动气室规格分类1.按制动气室工作压力分类制动气室可以根据工作压力分为高压制动气室和低压制动气室。
高压制动气室适用于制动力要求较高的场合,如大型货车和客车;低压制动气室适用于制动力要求较低的场合,如小型汽车。
2.按制动气室用途分类制动气室可根据用途分为通用制动气室和专用制动气室。
通用制动气室适用于多种车型和制动系统,具有较高的通用性;专用制动气室则针对特定车型和制动系统设计,性能参数更为优化。
3.按制动气室结构分类制动气室根据结构可分为膜片式制动气室和活塞式制动气室。
膜片式制动气室具有响应速度快、体积小等优点,适用于对制动响应速度要求较高的场合;活塞式制动气室具有制动力大、稳定性好等优点,适用于对制动力要求较高的场合。
三、制动气室规格选择要点1.制动气室工作压力选用制动气室时,应根据车辆制动系统的需求选择合适的工作压力。
一般来说,高压制动气室适用于大型车辆,低压制动气室适用于小型车辆。
2.制动气室容量制动气室容量与制动力成正比,容量越大,制动力越强。
在选择制动气室时,应根据车辆质量和制动系统要求选择合适的容量。
3.制动气室响应时间制动气室响应时间影响制动系统的制动效果。
选用响应时间较短的制动气室,可以提高制动系统的灵敏度和稳定性。
四、制动气室规格应用领域制动气室广泛应用于汽车、轨道交通、工程机械等领域。
不同领域的制动系统对制动气室的要求有所不同,选用合适的制动气室规格,可以提高制动系统的性能。
五、制动气室保养与维护为确保制动气室的性能和使用寿命,用户需定期进行保养和维护。
主要包括检查制动气室外观、清洁滤清器、检查制动气室工作压力和检查连接部件等。
及时发现和排除故障,有助于保障制动系统的安全运行。
制动系基本结构图12-1为六平柴汽车双管路制动系统示意图。
前轮鼓式制动器总成装在前轮轮毂中,后轮鼓式制动器总成装在后轮轮毂中。
制动踏板装在驾驶员右脚前方,手制动操纵阀装在驾驶员右手后方车身底板凸台上(九平柴汽车的手动阀装在驾驶员左手下方)。
空气压缩机装在发动机右侧,与燃油高压泵串接;储气筒装在汽车大梁上;感载比例阀装在汽车后桥上部的大梁上,下部的感载传动臂通过弹簧与后桥连接;制动管路沿车架大梁和横梁顺势走向,管路与制动气室用橡胶软管连接。
一、制动系统工作过程(1)驻车制动。
汽车驻车时,操纵手制动阀3,放掉驻车制动三通管6和快放阀4中的压缩空气,使弹簧储能式后制动气室中的储能弹簧释放,推动后轮鼓式制动器制动蹄片张开,摩擦片紧压在制动鼓的内圆面上,起驻车制动作用。
在制动中,制动三通管中压缩空气已全部流失,仍有驻车制动。
(2)解除驻车制动。
起动发动机,带动空气压缩机运转,使制动系统供气管路和两个储气筒中充满压缩空气,压缩空气的压力可由气压表12来指示。
此时接在驻车制动供气管路中的快放阀4和气压警报开关5无气压,气压警报开关控制警报器发响和警报灯亮,指示汽车处于驻车制动状态。
操纵手制动阀3至解除制动位置,气压较低时,气压警报灯仍然灯亮,表示制动气压不足;制动气压足够时,驻车制动供气管路通过快放阀4和三通管接头使驻车制动气室供气,压缩后轮制动气室储能弹簧,使后轮制动蹄片回位,后轮制动即处于非制动状态,气压警报灯熄灭,表示汽车制动气压足够,可以起步。
(3)行车制动。
行车中在制动系统供气管路气压足够的情况下,踏下行车制动(脚制动)踏板,使直踏式制动阀2动作,压缩空气通过四通接头21供至前制动气室,使前轮制动,此时前制动灯开关22接通,制动灯亮;压缩空气按比例通过感载阀8和三通管接头6供至后制动气室,使后轮制动,此时装在感载比例阀上的后制动灯开关9接通,制动灯亮。
汽车制动强度是由直踏式制动阀通过踏板控制的,踏板行程大制动强;踏板行程小制动弱。
第5章 制动系 147
4.制动气室
制动气室的作用是把压缩空气的压力转变为推动凸轮的机械力,使制动蹄摩擦片与制动鼓相互压紧,产生制动摩擦力。
如图5-63所示,制动气室的外壳3与盖1之间装有橡胶膜片,张力弹簧4使推杆5将膜片压向盖1,推杆右端用销钉与调整臂7连接,调整臂下端安装在制动凸轮轴的花键部位。
1—盖 2—橡胶膜片 3—外壳 4—弹簧 5—推杆 6—连接叉 7—调整臂 8—蜗杆 9—定位球
10—蜗杆轴 11—蜗轮 12—凸轮轴 13—螺塞 14—夹紧螺栓 15—卡箍
图5-63 制动气室和制动调整臂
当制动时,由制动控制阀过来的压缩空气进入膜片左侧,膜片连同推杆向右移动,使调整臂带动凸轮转动,张开制动蹄产生制动作用。
5.4.2 气压制动装置的检修
1.空气压缩机供气压力的调整
空气压缩机的最高供气压力是由与空气压缩机相连的调压器确定的。
空气压缩机的最高供气压力,东风EQ1090E 型汽车为548.8~725.2kPa ,解放
CA1091型汽车为784~813kPa 。
如图5-64所示,拧松锁紧螺母2,转动调整螺钉1。
将调
整螺钉旋进最高供气压力上升,旋出最高供气压力下降。
调整
至规定值后,将锁紧螺母紧固。
2.制动踏板自由行程的调整
① 解放CA1091型汽车制动踏板自由行程的调整。
如图
5-65所示,拧松锁紧螺母2,转动调整螺钉1。
旋进调整螺钉,
踏板自由行程变小,旋出变大。
② 东风EQ1090E 型汽车制动踏板自由行程的调整。
如图
1—调整螺钉 2—锁紧螺母 图5-64 气压调压器。
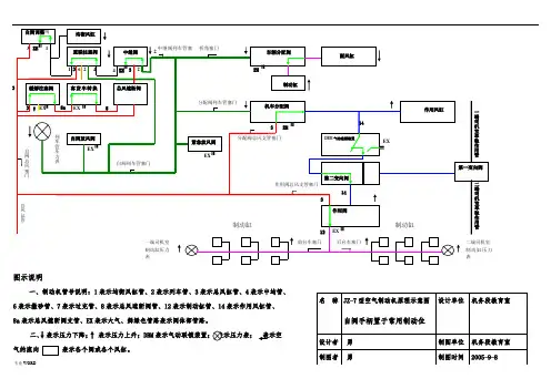
图示说明一、制动机管号说明:1表示均衡风缸管、2表示列车管、3表示总风缸管、4表示中均管、 6表示撒砂管、7表示过充管、8表示总风遮断阀管、12表示制动缸管、14表示作用风缸管、 8a 表示总风摭断阀支管、EX 表示大气、鲜绿色管路表示阀体部管路。
二、 表示压力下降; 表示压力上升;DBM表示空气的流向表示各个阀或各个风缸。
三、编者水平有限,如有错误请予指正。
图示说明一、制动机管号说明:1表示均衡风缸管、2表示列车管、3表示总风缸管、4表示中均管、 6表示撒砂管、7表示过充管、8表示总风摭断阀管、12表示制动缸管、14表示作用风缸管、 8a 表示总风摭断阀支管、EX 表示大气、鲜绿色管路表示阀体部管路。
二、 表示压力下降;表示压力上升;DBM表示空气的流向表示各个阀或各个风缸。
三、编者水平有限,如有错误请予指正。
图示说明一、制动机管号说明:1表示均衡风缸管、2表示列车管、3表示总风缸管、4表示中均管、 6表示撒砂管、7表示过充管、8表示总风摭断阀管、12表示制动缸管、14表示作用风缸管、 8a 表示总风摭断阀支管、EX 表示大气、鲜绿色管路表示阀体部管路。
二、 表示压力下降; 表示压力上升;DBM 表示空气的流向表示各个阀或各个风缸。
三、编者水平有限,如有错误请予指正。
图示说明一、制动机管号说明:1表示均衡风缸管、2表示列车管、3表示总风缸管、4表示中均管、 6表示撒砂管、7表示过充管、8表示总风摭断阀管、12表示制动缸管、14表示作用风缸管、 8a 表示总风摭断阀支管、EX 表示大气、鲜绿色管路表示阀体部管路。
二、 表示压力下降;表示压力上升;DBM表示空气的流向表示各个阀或各个风缸。
三、编者水平有限,如有错误请予指正。
图示说明一、制动机管号说明:1表示均衡风缸管、2表示列车管、3表示总风缸管、4表示中均管、 6表示撒砂管、7表示过充管、8表示总风摭断阀管、12表示制动缸管、14表示作用风缸管、 8a 表示总风摭断阀支管、EX 表示大气、鲜绿色管路表示阀体部管路。
厚螺母平垫圈前盖组
防尘套回位弹簧弹簧定位圈顶杆盘组件皮膜中体组件皮膜释放盘组件强力弹簧后盖组件释放螺栓组件件
锁紧螺母弹垫前盖组件防尘套矩形圈回位弹簧顶杆盘组件皮膜后盖组件单卡箍卡箍螺栓
锁紧螺母
锁紧螺母弹垫前盖组件回位弹簧
防尘套
单卡箍
顶杆盘组件
皮膜中体组件活塞组件缸体组件
内六角沉头螺
钉
释放螺栓组件
锁紧螺母弹垫前盖组件单卡箍
中体组件活塞组件强力弹簧释放螺栓组件缸体组件顶杆盘组件皮膜。
制动系主要机件的构造和识别制动系的主要功用是使行驶中的汽车减速甚至停车,使汽车下长坡时维持一定车速,使汽车可靠停放。
制动系包括行车制动系统(使行驶中的汽车减速甚至停车),驻车制动系统(使已停驶的汽车驻留原地不动),应急制动系统(在行车制动系统失效的情况下保证汽车仍能实现减速或停车)和辅助制动系统。
目前,汽车上一般都装有行车制动和驻车制动两套装置,有的牵引车上还装有应急制动以及排气辅助制动装置。
驻车制动(又叫手制动)装置采用机械式,而行车制动(又叫脚制动)装置采用气压式或液压式。
图3-61是解放CA1121J汽车气压制动、双管路制动系统示意图。
图3-61 解放CA1121J汽车双管路制动系统示意图1-前制动气室 2-直踏式制动阀 3-手制动阀 4-快放阀 5-气压警报开关 6-三通管 7-弹簧制动气室8-感载阀 9-后制动灯开关 10-贮气筒 11-四回路保护阀 12-气压表 13-三通管接头 14-空压机 15-气压调节阀 16-湿贮气筒 17-放气阀 18-安全阀 19-低压警报开关 20-双路阀 21-四通接头 22-前制动灯开关一、气压式制动装置(一)功用与组成1.功用气压式制动装置功用是:把压缩空气的压力转变为机械力量,使车轮产生制动力,迫使汽车减速或停车。
由于利用压缩空气的压力作为驱动力,因此操纵轻便,可减轻驾驶员劳动强度。
2.组成气压制动装置主要由空气压缩机、调压阀、贮气筒、气压表、制动气室、车轮制动器、制动控制阀等组成。
若是带拖挂的车辆,还增加分离开关、挂车分配阀及挂车车轮制动器等。
目前总质量在8吨以上的载重汽车,如东风EQ2102、EQ1141、EQ1108、、解放CA1092、CA1121J、CA1171J、斯太尔SX2190等汽车都采用气压式制动装置,其结构和原理都类似。
下面主要以东风EQ2102型汽车为例来介绍气压制动装置。
东风EQ2102型越野车是在EQ2100E基础上开发研制的东风汽车公司第二代越野车,其设计安全、实用、可靠,采用先进的系统及零部件,使制动系统具有较高的技术水平和优良的性能。