安全合规性评价表
- 格式:doc
- 大小:159.50 KB
- 文档页数:13
职业健康安全相关法律法规合规性评价表名称法律法规及其它要求现状符合性描述对应活动第四十一条中华人民共和国公民对于任何国家机关和国家工作人员,有提出批评和建议的权利;对于任何国家机关和国家工作人员的违法失职行为,有向有关国家机关提出申诉、控告或者检举的权利,但是不得捏造或者歪曲事实进行诬告陷害.对于公民的申诉、控告或者检举,有关国家机关必须查清事实,负责处理.任何人不得压制和打击报复。
由于国家机关和国家工作人员侵犯公民权利而受到损失的人,有依照法律规定取得赔偿的权利。
第四十二条中华人民共和国公民有劳动的权利和义务。
国家通过各种途径,创造劳动就业条件,加强劳动保护,改善劳动条件,并在发展生产的基础上,提高劳动报酬和福利待遇。
劳动是一切有劳动能力的公民的光荣职责。
国营企业和城乡集体经济组织的劳动者都应当以国家主人翁的态度对待自己的劳动。
国家提倡社会主义劳动竞赛,奖励劳动模范和先进工作者。
国家提倡公民从事义务劳动。
国家对就业前的公民进行必要的劳动就业训练。
第四十三条中华人民共和国劳动者有休息的权利。
国家发展劳动者休息和休养的设施,规定职工的工作时间和休假制度. 中华人严格按照宪法中有关条例执行,职第四十四条国家依照法律规定实行企业事业组织的职工和国家机关工作人员的退休制度。
退休民共和工在单位享受宪法中赋予公民的所符合人员的生活受到国家和社会的保障. 国宪法有权利第四十五条中华人民共和国公民在年老、疾病或者丧失劳动能力的情况下,有从国家和社会获得物质帮助的权利。
国家发展为公民享受这些权利所需要的社会保险、社会救济和医疗卫生事业。
国家和社会保障残废军人的生活,抚恤烈士家属,优待军人家属。
国家和社会帮助安排盲、聋、哑和其他有残疾的公民的劳动、生活和教育。
第四十六条中华人民共和国公民有受教育的权利和义务。
国家培养青年、少年、儿童在品德、智力、体质等方面全面发展。
第四十七条中华人民共和国公民有进行科学研究、文学艺术创作和其他文化活动的自由。
附录A 企业安全生产条件评价表
表E.0.1 安全生产管理制度及操作规程评分表
表E.0.2 安全生产资金投入评分表
表E.0.3 安全生产管理机构与人员配置评分表
表E.0.4 三类人员考核及任职使用评分表
表E.0.5 特种作业人员考核及持证上岗评分表
表E.0.6 全员安全教育培训评分表
表E.0.7 特种作业人员考核及持证上岗评分表
表E.0.8 安全生产管理制度及操作规程评分表
表E.0.9 职业危害防治与劳动防护用品评分表
表E.0.10 安全监控与技术措施管理评分表
表E.0.11 安全事故应急急救预案评分表
表E.0.12 法律法规的其他规定评分表
附录B 施工现场安全生产条件评价表
表F.0.1 安全生产管理制度及操作规程评分表
表F.0.2 安全生产资金投入评分表
表F.0.3 安全生产管理机构与人员配置评分表
表F.0.4 三类人员考核及任职使用评分表
表F.0.5 特种作业人员考核及持证上岗评分表
表F.0.6 全员安全教育培训评分表
表F.0.7 特种作业人员考核及持证上岗评分表
表F.0.8 安全生产管理制度及操作规程评分表
表F.0.9 职业危害防治与劳动防护用品评分表
表F.0.10 安全监控与技术措施管理评分表
表F.0.11 安全事故应急急救预案评分表
表F.0.12 法律法规的其他规定评分表
21/ 21。
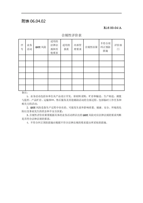
附表06.04.02
R16.00-04/A
合规性评价表
备注:
1、业务活动包括本单位从产品设计开发、原材料采购、贮存和输送、生产制造、测量与监控、产品贮存、运输和**、售后服务及其他辅助活动的全部过程,包括临时工作任务和相关方的活动;
2、QHSE风险是指生产过程中存在的、可能发生意外影响质量、健康、安全、环境的危险以及事故发生的状态和不安全因素;
3、合规性评价结果要根据具体的业务活动辨识出的QHSE风险对应法律法规的要求判断是否符合法律法规的要求;
4、不符合纠正预防措施应根据不符合法律法规的要求提出所采取的措施。
职业健康安全合规性评价表单位名称:序号分类重大风险监测(控)结果适应法律、法规名称相关条款合规性评价结果备注1 劳动保护高温施工未合理安排作业时间共计监测20次,其中不合格4次,整改后复查合格4次《防暑降温措施管理办法》安监总安健〔2012〕89号第八条符合高温作业无防护第七条符合高温作业现场茶水供应缺少第十一条符合未正确使用个人防护用品建筑施工作业劳防用品防护配备及使用标准JGJ184-2009第2.02条符合使用有害有毒材料无防护用品第符合防水作业区域未保证空气流畅《建设工程安全生产管理条例》第二十八条符合2消防在危险场所动火无专人监护、未配备有效的防火器材共计监测40次,其中不合格12次,整改后复查合格12次建设工程施工现场消防安全技术规范GB50720-2011第符合防火重点部位不配备消防器材第5条符合高空焊接作业未对地面易燃物进行保护第符合3 方案措无施工组织设计(方案)安全技术措施或未按方案实施共计监测20次,其中不合格5次,整改后复查合格5次《建设工程安全生产管理条例》第二十六条符合施工组织设计(方案)安全技术措施未经审批符合施高支模施工安全专项方案未经专家论证《危险性较大的分部分项工程安全管理办法》建质[2009]87号第九条符合高支模施工脚手架搭设未按方案实施第十六条符合4 人员教育、资质施工队伍和人员不具备相应资质共计监测15次,其中不合格3次,整改后复查合格3次《建设工程安全生产管理条例》第二十条符合特殊工种和机操人员未经培训合格,未做到持证上岗《建筑施工特种作业人员管理规定》建质[2008]75号第四条符合作业人员未按规定接受岗前安全教育、班前未接受安全交底《建设工程安全生产管理条例》第27条、第36条符合5 安全设施大临设施未进行验收投入使用共计监测16次,其中不合格2次,整改后复查合格2次《施工现场临时建筑物技术规范》JGJ/T 188-2009第10条符合支护设施已有变形未有措施调整《建筑施工土石方工程安全技术规范》JGJ180-2009符合作业时先挖后支护符合危险部位和区域缺乏安全防护设施和警示标志《安全生产法》第三十六条符合6 临时用电现场缺乏相应的专业电工,电工不掌握所有用电设备的性能共计监测85次,其中不合格32次,整改后复查合格32次《施工现场临时用电安全技术规范》(JGJ46-2005)第符合停用设备未拉闸断电,锁好开关箱第符合架设外电防护设施时无电气工程技术人员和专职安第符合全员负责监护在高低压线路下施工、搭设作业棚、建造生活设施或堆放构件,架体和材料。
采购部职业健康安全法律法规遵守情况评价1、劳动防护用品的管理▲公司安全生产部已经下发了《劳动防护用品管理程序》、《劳动防护用品配备标准》文件,为采购部员工提供了符合标准的劳动防护用品,并教育员工按照使用规则佩戴、使用,这些活动遵守了《劳动防护用品监督管理规定》。
2、女工保护▲公司工会已经下发了《女工保护管理办法》对女职工实行特殊劳动保护;采购部没有违反相关规定的事件发生。
此举遵守了《中华人民共和国妇女权益保障法》、《中华人民共和国劳动法》、《女职工劳动保护规定》、《女职工禁忌劳动范围的规定》、《女职工保健工作规定》、《安徽省人民代表大会常务委员会关于修改《安徽省劳动保护条例》的决定》、《中华人民共和国劳动法》。
3、相关方管理▲采购部共有供应商62家,为明确相互的厂区作业安全管理职责,与汽运送料进厂的供方和专门的运输车队签订了安全环保协议。
需要签订的共有27家,目前已经签了23家,其余4家从4月份以来没有开展业务。
对签订协议的单位由相应业务员每月对其进行检查、协调。
此举遵守了《中华人民共和国安全生产法》。
4、事故救援▲公司综合办公室已经下发了《芜湖新兴机关办公楼火灾扑救应急预案》,划定了采购部的防火区域,制定了预防措施和火灾扑救应急疏散措施,采购部严格按照相关规定执行,此举遵守了《中华人民共和国刑法》、《中华人民共和国消防法》、《机关、团体、企业、事业单位消防安全管理规定》。
5、比质比价议标采购▲采购部进行大宗原料采购时,严格按照《岗标》规定的程序执行。
此举遵守了《国有工业企业物资采购管理暂行规定》。
6、内部管理的信息化▲目前实现内部管理信息化的方面有:1)大宗原料采购中从合同签订到结算入账;2)内部网上办公(文件的发布和审批、邮件的传递);物资采购严格按照《岗标》规定的程序执行。
这些符合《国有大中型企业建立现代企业制度和加强管理基本规范(试行)》中的规定。
7、依照标准采购▲大宗原料的采购严格按照公司监控部下发的内控标准进行采购,此举遵守了《中华人民共和国标准化法》、《中华人民共和国产品质量法》、《中华人民共和国消费者权益保障法》。
序号它要求日期公布机关门类标准编号相关条款说明有效性评价途径适应部门安全生产法律1 中华人民共和国安全生产法2014/12/1第九届全国人大常务委员会安全生产主席令第13号全文:总则、生产经营单位的安全生产保障、从业人员的权利和义务、安全生产的监督管理、生产安全事故的应急救援与调查处理、法律责任、附则有效符合网络分公司2 中华人民共和国食品安全法2018/12/29第十三届全国人民代表大会常务委员会安全生产主席令第21号第3、12、45、102、108、120条有效符合网络分公司3 中华人民共和国职业病防治法2018/12/29第十三届全国人民代表大会常务委员会职业病防治主席令第24号全文:总则、前期预防、劳动过程中的防护与管理、职业病诊断与职业病病人保障、监督检查、法律责任有效符合网络分公司4 中华人民共和国消防法2019/4/23第十三届全国人民代表大会常务委员会应急管理主席令第29号全文:火灾预防、消防组织、灭火救援、法律责任有效符合网络分公司5 中华人民共和国道路交通安全法2011/5/1第十一届全国人大常委会交通运输主席令第47号第二章,第四章第一、二节,第五、七章有效符合网络分公司6 中华人民共和国环境保护法2015/1/1第十二届全国人民代表大会常务委员会环境保护主席令第9号第一章第6条、第四章-防治污染和其他公害有效符合网络分公司7 中华人民共和国劳动法2018/12/29第十三届全国人民代表大会常务委员会劳动用工主席令第24号全文:促进就业、劳动合同和集体合同、工作时间和休息休假、工资、劳动安全卫生、女职工和未成年工特殊保护、职业培训、社会保险和福利、劳动争议、监督检查、法律责任有效符合网络分公司8 中华人民共和国劳动合同法2013.1.7第十一届全国人民代表大会常务委员会劳动用工主席令第73号全文:为了完善劳动合同制度,明确劳动合同双方当事人的权利和义务,保护劳动者的合法权益,构建和发展和谐稳定的劳动关系有效符合网络分公司9 中华人民共和国宪法2018/3/11 第十三届全国人民代表大会第一次会议宪法/第42条中华人民共和国公民有劳动的权利和义务、43条中华人民共和国劳动者有休息的权利、46条有受教育的权利和义务、48条男女平等。
合规性评价表单位:绥满国道主干线牙海高速公路交通安全设施工程YHGLS标段项目经理部序号项目名称法规条文控制标准实测情况合规性评价职业健康安全一、员工权益1 劳动合同用人单位履行《中华人民共和国劳动法》第25、26、27、28、29、30条,个人应履行该法的第16、17、18、20、21、22、23、24、25、31、32条。
劳动合同内容以及要求用人单位个人达到的标准不能违背法律规定按照法律要求制定用人劳动合同符合2 职业培训(1)《特种作业人员安全技术培训考核管理办法》第3、4、5、13、14、15、16、18、19、20、21、23、25、26条(2)《中华人民共和国劳动法》第68条(3)《关于生产经营单位主要负责人、安全生产管理人员、其它从业人员培训考核工作的意见》第1、2、3、4、5、6、7、8、9、10、11、12、13、14、15、16、17、19条(4)《山东省生产经营单位安全生产主体责任规定》第24、25条。
应当有一定的职业培训制度和一定额度的培训经费,并有一系列的培训计划按照国家的有关规定,以及根据本单位工作实际情况,制定必要的职业再培训符合3 关于促进就业员工履行《中华人民共和国劳动法》第12、13条,用人单位执行该法的第15条不能设立歧视性政策,给予就业者以公平公正的就业机会严格执行国家法律要求符合4 关于工休制度执行《中华人民共和国劳动法》的第32、36、38、39、40、41、42条,用人单位履行该法的43、44条。
在工休制度上,充分考虑个人的正当权益,按照国家的标准要求根据本单位的实际情况,在法律许可范围内制定本单位的工休制度符合序号项目名称法规条文控制标准实测情况合规性评价职业健康安全5 社会保险和福利履行《中华人民共和国劳动法》第72、73条依法给职工缴纳应有的社会保险和发放必要的福利按照地方最新的社会保险规定缴纳,定期发放必要的福利符合6 职工的权利和义务履行《中华人民共和国劳动法》第3、7、8条,《中华人民共和国工会法》的第16、17、18、19、20、21、24、25、26、27、34、37、38、39条,《山东省生产经营单位安全生产主体责任规定》第13条,另外工会应履行该法的第4、5、6、7、8、9条。
用人单位要建立工会制度,要充分保证职工的正当权利。
在工会的指导下,积极执行法律要求,充分保证个人的权利符合7 关于保障女职工和未成年工的权益履行《中华人民共和国劳动法》第58、60、61、63条和《禁止使用童工规定》第1、2、3条,另外履行《妇女权益保障法》第13、20、22、23、24、25、26、48、49、50条。
按照法律规定的要求,不能雇佣未成年工;要保证妇女的正当权益没有雇佣未成年工,工作安排充分妇女的权益符合8 劳动防护用品履行《中华人民共和国安全生产法》第37条,《山东省生产经营单位安全生产主体责任规定》第21条按照法律的要求应定期发放劳保用品根据单位实际情况,定期发放必要的劳保用品符合9 关于工伤保险履行《工伤保险条例》第2、4、14-19、23-26、30-45、52-55、62、63条,事故处理履行《中华人民共产国安全生产法》第69、70、73、74、75条,以及《特别重大事故调查程序暂行规定》第6、7、21、22条。
企业必须按照国家和地方政府的规定给职工缴纳工伤保险;争议和事故处理严格执行国家的规定按照要求给职工缴纳了工伤保险符合10 关于劳动争议履行《中华人民共和国劳动法》第27、78条劳动争议应在法规要求得到处理按照法规要求处理劳动争议符合序号项目名称法规条文控制标准实测情况合规性评价职业健康安全二、安全生产11 安全保障履行《中华人民共和国劳动法》第4条,《中华人民共和国安全生产法》第3、4、5、6、7、10、16、17、18、19、20、21、22、23、24、28、29、30、32、33、36、37、39、40、42、43条,以及《内蒙古自治区安全生产条例》第8、9、10、11、12、13、14、15、16、17、18、19、20、22、23、25、27条。
劳动安全保障标准不能低于法规的标准按照规定制定了必要的劳动保障措施符合12 事故救援与调查处理履行《中华人民共和国安全生产法》第69、70、73、74、75条,以及《山东省安全生产监督管理规定》第22、23条,《山东省生产安全事故报告和调查处理办法》第6.10.11-15.21.37-41,《山东省生产经营单位安全生产主体责任规定》第32条,《内蒙古自治区安全生产条例》第33、34、35、36条事故救援和调查处理履行国家的有关规定配备了必要的应急救援器材,设立了专门的安全生产小组协调和处理安全工作符合13 关于安全事故的法律责任履行《中华人民共和国安全生产法》第80、81、82、83、85、87、88、89、91、93、95条,以及《中华人民共和国劳动法》第89、90、91、92、93、94、95、96、97、98、99、100、101、102、103、104、105条。
《内蒙古自治区安全生产条例》第37、38、39、43、49条安全事故法律责任的鉴定要按照法律规定设立了专门的安全生产小组协调和处理安全工作符合14 员工的安全方面的权利和义务履行《中华人民共和国安全生产法》第44、45、46、47、48、49、50、51、52条执行法律要求的标准根据工作实际情况制定安全生产规章制度和操作规程,对人员进行必要的安全培训,签定安全生产责任书符合序号项目名称法规条文控制标准实测情况合规性评价职业健康安全15 关于安全生产的监督管理履行《中华人民共和国安全生产法》第57、58条,《内蒙古自治区安全生产条例》第29条。
应积极配合安监部门的监督检察工作,不得隐瞒事故隐患和安全生产违法行为积极配合安监部门的工作符合16 关于安全检查履行《山东省生产经营单位安全生产主体责任规定》第27条,泰路安[2011]5号《关于进一步落实领导干部检查安全生产工作制度的通知》1-6条规定。
要求领导干部下基层进行安全检查并保存相关资料,形成制度公司已按照规定执行符合三、关于施工安全生产履行《中华人民共和国建筑法》第52、53、54、55、58、59、61、62、63条,另外施工安全法律责任履行该法的第64、66、68条,此外还应履行《建设工程施工安全管理条例》第20、21、22、23、24、25、26、27、28、29、2、30、31、32、34、35、36、38、48、49、50、51、62条,其中在该法中员工应履行第33、37条。
施工的质量必须符合国家有关建筑工程安全标准的要求,施工单位应该建立健全安全生产责任制度和教育培训制度,要有必要的安全资金投入。
施工质量严格按照国家的安全标准执行,建立了安全生产责任制和教育培训制度,制订了一系列的安全施工措施,设立了专门安全生产管理制度。
符合四、临时用电部分17 电工无证上岗;用电人员未经教育培训上岗《施工现场临时用电安全技术规范》(2005版)(以下简称《用电规范》)3.2.1电工必须经过考核合格后持证上岗。
用电人员通过安全教育培训和技术交底,考核合格后上岗电工持证上岗,并经过了安全教育培训符合18 电工作业时无人监护《用电规范》3.2.2电工在安装、巡检、维修或拆除临时用电设备和线路时,必须有人监护现场都有专人负责监护符合序号项目名称法规条文控制标准实测情况合规性评价职业健康安全19电工及用电人员在从事检查、维修线路或用电设备时未穿戴防护用品《用电规范》3.2.3电工及用电人员在从事检查、维修线路或用电设备时必须按规定穿、戴绝缘鞋、手套,使用电工绝缘工具严格按照规定穿戴绝缘防护用品符合20电气设备周围存放易燃易爆物、污源和腐蚀介质《用电规范》4.2.1电气设备周围不得存放易燃易爆物、污源和腐蚀介质,否则应予清除或做防护处置做到电器设备与易燃易爆物分离符合21 电缆线路未设短路和过载保护《用电规范》 7.2.11电缆线路必须安装短路保护和过载保护,并要灵敏可靠已按照规定要求进行电工作业符合22 室内配线不符合规定《用电规范》 7.3室内配线必须采用绝缘导线或电缆;采用瓷瓶、瓷(塑料)夹、嵌绝缘槽、穿管;主干线距地面≥2.5m;架空进户线的室外端应采用绝缘子固定,过墙处应穿管保护;采用铜线时截面≥1.5mm2铝线截面≥2.5mm2;必须有短路和过载保护已按照规定要求进行电工作业符合23分配电箱与开关箱,开关箱与其控制的固定式用电设备的距离太远《用电规范》 8.1.2分配电箱与开关箱的距离≤30m,开关箱与其控制的固定式用电设备的距离≤3m已按照规定要求进行电工作业符合序号项目名称法规条文控制标准实测情况合规性评价职业健康安全24 多台用电设备公用一个开关箱《用电规范》 8.1.3每台用电设备(含插座)必须有各自专用的开关箱,严禁两台及以上用电设备共用一个开关箱已按照规定要求进行电工作业符合25 动力和照明共用一个开关箱《用电规范》 8.1.4动力开关箱与照明开关箱必须分设已按照规定要求进行电工作业符合26 配电箱、开关箱装设在有严重损伤作用的瓦斯、烟气、潮湿、有害介质、宜受固体物撞击、强烈振动、液体浸溅及热源烘烤等场所《用电规范》 8.1.5配电箱、开关箱应装设在干燥、通风及常温场所已按照规定要求进行电工作业符合27 配电箱、开关箱装设不牢,中心点与地面的垂直距离不符合规定《用电规范》 8.1.8配电箱、开关箱应装设端正牢固;固定式配电箱、开关箱的中心点与地面的垂直距离应为1.4-1.6m,移动式配电箱、开关箱的中心点与地面的垂直距离应为0.8-1.6m已按照规定要求进行电工作业符合序号项目名称法规条文控制标准实测情况合规性评价职业健康安全28 配电箱、开关箱的进出线未加绝缘护套与箱体直接接触《用电规范》 8.1.16配电箱、开关箱的进出线应加绝缘护套并成束卡固定在箱体上不得与箱体直接接触,移动式的配电箱、开关箱的进出线应采用橡皮护套绝缘电缆,不得有接头已按照规定要求进行电工作业符合29 配电箱、开关箱未设防雨、防尘装置《用电规范》 8.1.17配电箱、开关箱外形结构应能防雨、防尘已按照规定要求进行电工作业符合30 配电箱、开关箱内的电器不合格《用电规范》 8.2.1配电箱、开关箱内的电器必须可靠、完好,严禁使用破损、不合格的电器已按照规定要求进行电工作业符合31 配电箱、开关箱的电源进线端采用插头或插座做活动连接《用电规范》 8.2.15配电箱、开关箱的电源进线端严禁采用插头或插座做活动连接已按照规定要求进行电工作业符合32 配电箱、开关箱未进行定期检查、维修《用电规范》 8.3.3配电箱、开关箱应进行定期检查、维修。