女裤纸样设计与应用
- 格式:ppt
- 大小:7.07 MB
- 文档页数:56
裤装基本纸样设计的原理及方法学习目标:了解人体结构与裤子结构的关系;掌握裤装基本知识和规格设置;熟练地掌握裤装基本纸样设计的原理和方法;能理解裙装和裤装结构的差异;能掌握裤装纸样的变化。
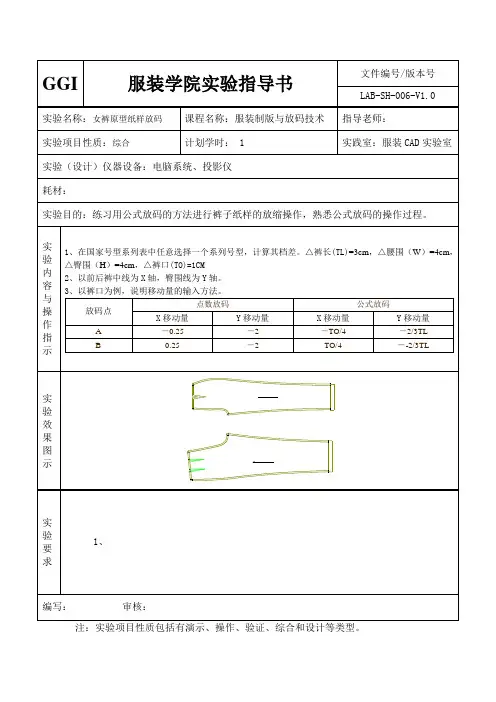
裤装基本知识一、裤装结构概述裤子是包覆人体臀、腹并区分两腿的基本着装形式;它与裙子最大的区别在于裤子有裤长、上裆、下裆,从围度上讲有腰围、臀围、横裆、中裆、裤口等。
1、裤子围度构成的基本因素腰围与臀围、臀围与横裆围中裆围(膝围)与裤口(踝围)2、裤子长度构成的基本因素裤长、上裆长与下裆长、前裆缝与后裆缝(注:上裆长即直裆,WL至横裆线距离)二、裤装种类1、按臀围宽松量分贴体类裤:裤臀围(H)的松量为0~6cm较贴体类裤;裤臀围的松量为6~12cm较宽松类裤:裤臀围的松量为12~8cm 宽松类裤:裤臀围的松量为18cm以上2、按裤长分:短裤、中裤、长裤。
3、按裤腰高低分类低腰裤:腰口线低于标准腰口线以下,腹围线以上。
中腰裤:日常裤装所表现的一种形式,其腰宽在3~4cm. 高腰裤:腰口线落在标准腰口线处,是腰头宽设计较高的。
4、按脚口造型分锥形裤:脚口<中裆宽喇叭裤:脚口>中裆宽直筒裤:脚口=中裆宽裤装式样三、裤装结构线名称备注:人体腰臀部体型特征人体后中心腰臀的倾斜度约10~13°,是裤子后上裆斜度(也称困势)的依据。
裤装原型纸样设计一、男裤原型纸样设计1、规格设计裤长:一般用号+2cm,也可以参照GB中控制部位数值表的腰围高。
腰围:一般用型+2cm臀围:一般净H*+8~12cm选用号型:170/74A 单位:cm裤长L:100 腰围W:76 臀围H:100中裆宽(膝围):24 脚口宽:23 腰头宽:42、裤装原型制图男裤原型完成图二、裤装原型款式变化1、男装休闲裤(一)款式介绍直筒型休闲裤,前片左右各有一个斜插袋,后片左右各有一个省,且右边有个双嵌线袋,前后袋口均缉明线迹,两片式直裤腰,五个裤耳。
女装纸样设计方法的研究与应用随着时尚行业的不断发展,女装设计越来越受到人们的关注。
在女装设计过程中,纸样设计是一个非常重要的环节。
纸样是将设计师的创意转化为现实的桥梁,准确的纸样设计能够保证服装的舒适度和完美度。
本文将探讨。
首先,了解女性身体形状是进行女装纸样设计的基础。
女性的身体形状多种多样,如梨形、苹果形、沙漏形等。
针对不同的身体形状,设计师需要进行详细的测量和分析,找出每个部位的尺寸和比例。
通过了解身体形状,可以根据不同的特点进行合理的纸样设计,以确保服装的贴合度和舒适度。
其次,根据设计需求进行纸样设计。
女装设计的风格和款式各不相同,因此纸样设计也需要根据设计需求进行调整。
根据设计师的创意,纸样设计师可以对服装的线条、剪裁和细节进行合理的处理。
例如,如果设计师想要设计出修身的连衣裙,纸样设计师可以在纸样上增加适当的收腰或拉长裙摆的部分,以达到修身效果。
另外,纸样设计师还需要考虑面料的特性和使用效果。
不同的面料具有不同的弹性和落体感,因此在纸样设计时需要考虑面料的特性,以确保服装的效果与设计师的意图相符。
例如,柔软的面料需要更多的空间来展现其落体感,而弹性较大的面料需要更多的收缩空间,纸样设计师需要根据面料的特性进行相应的调整。
最后,利用计算机技术进行纸样设计的应用已经成为女装设计的趋势。
借助计算机辅助设计软件,纸样设计师可以更加准确地进行纸样设计和调整。
计算机软件能够根据设计师的需求自动调整纸样尺寸和比例,提高设计效率和精确度。
此外,计算机软件还可以保存和管理纸样数据,方便设计师进行后续的修改和调整。
综上所述,女装纸样设计方法的研究与应用对于女装设计的质量和效果有着重要的影响。
通过了解女性身体形状、根据设计需求进行纸样设计、考虑面料特性和利用计算机技术进行纸样设计应用,可以实现更加精确和完美的女装设计。
希望本文的探讨能够为女装设计师提供一些有益的参考和启示,推动女装设计的发展和创新。
女裤原型(标准纸样)一、女裤相关尺寸的测量腰围:沿腰部最细处水平围量一周。
臀围:沿臀部最丰满处围量一周。
(注意精确量法)股上长(直裆长):自腰线至臀股沟随臀部体型测量。
由于测量不大方便,通常习惯于请被测者坐在凳子上(凳高在就座后大腿与地面持平最佳),并细带于腰线上,带至凳面的距离即直裆长。
基本裤长:从侧腰处量至脚踝部外侧凸点。
脚口:在脚踝处水平围量一周,并根据需要加放。
二、女裤标准纸样的绘制1、参考规格2、制图步骤(见资料)三、女裤标准纸样结构分析(一)裤子的结构根据人体腰部以下结构,裤子的长度由股上长和股下长两部分组成,而围度部分主要由五部分组成:腰围、臀围、横裆、中裆和脚口。
(二)线条名称(三)主要部位结构分析1、前后腰围线裤子的前后腰围线与其他服装的腰围线作用不同,如裙子的腰围线、衣片的腰围线等都趋于直线,并且前后腰围线结构相同。
而裤子前后不同,后腰围线由于后翘的影响而呈斜线,这是由于裤子的横裆影响所造成的。
2、臀围和腰围的放松量臀围的放松量是根据裤子的外形而定的。
通常合体裤为8-10cm,宽松裤为14-20,甚至更多,而紧身形的裤子为2-4cm左右,弹性面料的紧身裤甚至不加放松量。
腰围可以不加松量,若是秋冬季裤子,裤腰里腰塞入内衣的,则可放1-2cm松量。
3、前后裤片腰部省量的设置人体一般是臀围大腰围小。
为了使裤子显得合体,必须在腰部收省,腰部收省应遵循一个原则,即前片收省量小于后片,而不能相反。
这是因为臀凸大于腹凸所决定的。
由于每个人臀腰差不同,因此省量的大小应有所变化,一般臀围较大而腰围较小者省量应大点。
前片的省量也可以以褶裥的形式出现。
若臀腰差过大,还可以从前裆线适当多撇进些或将前腰省加大一些,进行调整,以避免因侧缝上端收拢太急而形成鼓包。
4、前后烫迹线裤子的烫迹线使确定和判断裤子造型和品质的重要依据。
其标准为:前后烫迹线在中裆和脚口均位于平分线上,必须与布丝的经向一致。
虽然在结构上不起甚么作用,但对裤子的造型的整体控制是很关键的。
基本尺寸:
臀围H=90cm 臀围松度=10cm腰围=74cm股上长=24cm股下长=
75.5cm前片画法:
(1)画一个矩形框,长=H/4+
2.5=25cm ,宽=股上长-3=21cm
(2)臀围线:
在横档线上方H/12=
7.5处确定臀围线
(3)前裤线:
在横档线等分点处,长度=股上长-3+股下长=
96.5cm
(4)小裆宽=H/18=5,连结横裆线与臀围线,得到一个直角三角形,作斜边的高线,取高线上距离斜边三等分点确定裆弯线
(5)腰线:
前中辅助线收腰
0.7cm,起翘
0.4cm;前侧辅助线收腰
1.5cm,起翘
0.7cm,顺序连结前中辅助线起翘点、前裤线、前侧辅助线起翘点得到腰线
(6)裤口宽=H/8-
0.25=11cm
(7)中裆线:
作直线垂直横裆线和裤口线,取其中点儿向上5cm处即为中裆线,中裆线裤口宽+1=12cm
(8)以平滑粗实线顺序连结各点,既得到H型裤前片纸样
后片画法:
(1)画一个矩形框,长=25cm,宽=21cm
(2)臀围线、后裤线:
位置计算xx前片
(3)大裆追加量=H/24=
3.75cm,横裆线下降
1.5cm,连结横裆线上距离后中辅助线1cm处的点和后中辅助线与后裤线的中点,取高线上距离顶点三等分的点确定后裆弯线
(4)后裤口宽前裤口宽+1=12cm
(5)后片横裆线位置同前片,后横裆线后裤口宽+1=13cm
(6)腰线:
将后裆弯线延长H/24=
3.75cm,连结横裆线与臀围线并延长与腰线辅助线的延长线相交,在交点处收腰1cm,起翘
0.7cm
(7)以平滑粗实线顺序连结各点既得到H型裤后片纸样。
版师必读内裤基本纸样的制图步骤与要领与文胸的纸样相似,各种内裤的基本纸样也可以从标准女裤基本纸样变化而来。
标准女裤基本纸样不仅适合中国乃至整个亚洲女性的体型,更重要的是,它的内限尺寸设定较小,如腰围无放松量,臀部放松量只有2cm。
因此,标准女裤基本纸样更加适合做内裤的基本型来源。
一、标准女裤的基本纸样标准女裤基本纸样的制图如下:1.标准裤子基本纸样的制作步骤(1)作基础线(图4-33)①.作长方形作宽为H/4 0.5cm,高为股上长的长方形,0.5cm是臀部的松量。
长方形的上边线是腰辅助线,下边线是横裆线,右边线是前后中辅助线,左边线是侧缝辅助线;②.作臀围线和挺缝线从横裆线向上取股上长的1/3等分点作水平线为臀围线。
把长方形中的横裆线分为四等份,每等份用“△”表示。
将中点靠右的一份再作三等份,在靠近中点的1/3等分点上引出垂线,上交腰辅助线,下至裤摆线,总长为裤长,该线是前后挺缝线;③.确定前后裆弯宽度在横裆线右边的延长线上取横裆线宽1/4-1cm,(△-1cm)为前裆弯宽,在此基础上追加△2/3为后裆弯宽。
分别作为前后裆弯的止点;④.确定髌骨线在横裆线与裤摆线之间的中点上移4cm作水平线为髌骨线。
(2)、前裤片完成线①.作前中线和裆弯线在臀围线与右边线的交点到前裆弯止点线,垂直于该线到裆弯夹角线段作三等分,靠外一等分点作为前裆弯中间轨迹。
然后用凹曲线画出前裆弯,沿此线向上到腰辅助线顺势收腰1cm画出前中线;②.作前腰线在腰辅助线上,从前腰点起取W/4 3cm,上翘0.7cm为侧腰点,从该点到腰辅助线用微凹线绘出腰线。
前腰线上多余的3cm为收省量,省位并入挺缝线,省长是11cm;③.完成前内缝线和侧缝线在裤摆线与挺缝的交点左右各取(裤口宽/2)-0.5cm为前裤口宽,前髌骨线是在前裤口宽的基础上两边各加1cm而得到的,臀围线与左边线交点为前侧缝线切点。
至此确定了前内缝线和侧缝线的轨迹。
然后用曲线连接,完成前裤片。
3款女士牛仔裤结构纸样高低腰女士牛仔裤的纸样推荐低腰牛仔裤规格:160/66AW=1650pxH=90+50pxBR=612.5pxSB=30~800pxTH=2450px前片制图:1、作矩形:股上长24.5,前腹围H/4-1=222、作臀围线:BR/33、作前小裆宽:0.04H≈3.74、作脚口:SB/4-1=75、作中裆:SB/4-1+1=86、作前中线:收50px省(极限),上抬0.2(画顺前中线)7、作腰:W/4+(1~1.5)=17.58、把BR去掉100px,画顺腰口,要宽3.5~4,作门襟,宽2.5,臀围线下来50px后片制图:1、作后裆宽H/10=9.2,作后中线结构线2、作臀围线:H/4+(1~1.5)=243、作后中基础线4、作后腰:W/4-1+3=18.55、作脚口:SB/4+1=96、作中裆SB/4+1+1=107、画顺内外侧缝线8、作腰面3.5~100px9、作育克3.5(侧)后中162.5px10、作省:省大75px,省长到育克线高腰裤规格:160/66AW:66+2H:90+16BR:625pxSB:550pxTH:2450px前片制图:1、作股上长:625px2、作前腹围:H净/4+7=29.53、作臀围线:BR/34、作小裆宽:0.4/10H=4.245、横裆线收17.5px,AB/2裤长98-3=2375px6、作脚口:SB/2-0.5=10.57、作中裆线:CD/2+2,中裆大SB/2-0.5+1=11.58、作腹撇:0.5~25px9、侧缝收50px10、作腰:W/4+0.5,其余作褶量11、作高腰后片制图:1、分别延长腰口线、臀围线、横裆线下落25px、中档线、脚口线2、作后裆宽:H/10=10.63、作臀宽H/4+1=23.5(注:宽松裤子前后片臀围一样大,腰围前片小于后片,脚口前后差调解量0.5)4、作臀撇:15:3,后中起翘50px5、作腰围:W/4-0.5+3(省)=19.56、作中脚口:SB/2+0.5=11.57、作中裆宽:SB/2+0.5+1=12.5牛仔裤的制版、推板及缝制工艺说明牛仔裤的规格尺寸及图示说明(单位:cm)▼缝制工艺说明1、三卷小表袋缉0.8cm单线,装表袋0.2+0.6cm双线;袋垫布拷边,绱袋垫布底线换袋布同色线,合翻袋布缉线0.6cm,上袋口缉0.2+0.6cm双线,袋布不能反吐。
内衣纸样女士平角内裤的结构制图一、普通短裤1.款式分析本款为平角裤中最基本的款式,平角裤侧缝相对较长,其重点是裆弯的取舍以及脚口的处理。
2.主要面、辅料普通弹力印花平纹布、平纹针织布。
3.制图要点①.腰头吃势按每11cm中缩1cm的比例计算,脚口的吃势与腰头近似。
②.注意腰头的制图与前面制图不同,于前中处加劈量,一般为1~2cm。
另外后片要翘起。
③.前后裆弯和与三角裤中底裆长相近。
4.结构制图(图3-23)二、连裁短裤1.款式分析本款为平角裤中前、后中连裁的款式,侧缝相对较长,其重点是前、后裆弯的处理以及底裆的处理。
2.主要面、辅料普通弹力平纹布、平纹针织布。
3.制图要点①.腰头吃势按每11cm中缩1cm的比例计算,脚口的吃势与腰头近似。
②.腰头的制图与三角裤相似,腰头起翘一般为1~2cm。
另外,底裆为了制作方便,前、后对称。
4.结构制图(图3-25)三、花边短裤1.款式分析本款为平角裤面料变化款式,侧缝处为花边幅宽的固定值,其重点是前、后中线的处理以及里裆的处理。
2.主要面、辅料花边(幅宽13.5cm)、平纹针织布。
3.制图要点①.腰头吃势按每11cm中缩1cm的比例计算,脚口的吃势与腰头近似。
②.腰线及脚口均沿花边波位走向。
另外里裆为了制作方便,采取菱形并且前、后对称。
4.结构制图(图3-27)四、比基尼式花边短裤1.款式分析本款为三角裤与平角裤的结合款式,侧缝较长。
由于面料和款式原因,前片花边面料的制图以平角裤的制图方式绘制。
2.主要面、辅料花边、普通弹力布、平纹针织布。
3.制图要点①.腰头吃势按每10cm中缩5cm的比例计算,脚口的吃势与腰头近似。
②.前片花边设计裆弯,脚口沿花波走向。
后片以及底裆与三角裤制图相同。
4.结构制图(图3-29)-END-。
[图解与教程]成人女裤纸样(前片)
注意:此款画法适合号型为160/68A(女性中间标准体),可以参考制图步骤,可以带入公式,具体数字请谨慎带入。
A:借来的大致款式图(合体款,微喇,一般低腰)
B:成衣规格(单位:厘米)
C:制图步骤(看红线)
1.画长方形,宽为前片臀围,长为上档长-腰头宽,2
2.5×20
2.画臀围线,距离长方形下口线8厘米画平行线。
3.定小裆宽:0.04H=3.8, 贴体款可以用净H.
4.定裤中线(烫迹线)位置,左边撇进量为0.6
4.画裤中线,画一条垂直线,长度为裤长-腰头宽=92厘米
5.定脚口大小,前片脚口为SB-2=19,把19平分到两边
6.定中裆线位置以及膝围尺寸。
找臀围线和脚口线中点并上提4厘米,膝围尺寸可以测量得到。
这里直接取17厘米。
7.到这里位置裤子框架已经画好,是不是很简单?
接着连好辅助线,全部连直线,如图。
8.把部分辅助线修改成圆顺的弧线。
10.画前中线,如图红线所示
11.把前中线低落1.5厘米
从该点向上平线作已知长度的线段。
线段长为W/4+0.5
得到红色线的左端点,即侧缝线端点
12.连接侧缝线在HL以上的部分。
13.修改腰围线和整条侧缝线为圆顺曲线。
侧缝线呈S形。
WL两端呈直角
14.完成图(可继续在裤片上设计口袋和门襟)
再次提醒:因为每个人身高体型各不相同,需要结合自己的尺寸来画图。
此图尚有不足之处,谨作为参考。
本图的部位代号如H,W等均为成衣尺寸(非人体净尺寸)。
后片画法待续…………。
⼲货22种⼥⼠裤⼦的打版及纸样图
昨天我们为⼤家整理了各种裙⼦的纸样图,结果反映还不错,除了裙⼦,裤⼦的种类及纸样也是学服装必备的⼀种服装类型。
今天服装云教育就接着为⼤家整理了各种裤⼦的打版及纸样图。
⾸先,我们还是先来看⼀看长裤的基础线名称:
合⾝长裤
⾼腰打褶裤
农夫裤
展褶变化裤
展褶变化裤左前⽚纸型展开图
⽜仔裤
直筒裤(裤⼝反褶)
低腰喇叭裤
松紧带裤
⼟⽿其裤
孕妇裤
变化裤(⼀)
变化裤(⼆)
马裤
低腰短裤
变化短裤(⼀)
变化短裤(⼆)
变化短裤(三)
变化短裤(四)
裤裙(⼀)
裤裙(⼆)
裤裙(三)
裤裙(四)
声
明
服装云教育账号部分信息转载⾃各类纸媒、⽹媒之所有作品,版权归作者本⼈所有,转载⽂章⽬的在于分享信息、提供阅读,不代表本平台赞同其观点和对其真实性负责!若作者或版权⼈不愿被使⽤,请与⼩编联系,如有侵权本账号将迅速给您回应并做处理。
服装云教育
ID:fuzhuangjiaoyu。