TDA2030双声道功放原理图及PCB图
- 格式:pdf
- 大小:59.70 KB
- 文档页数:2
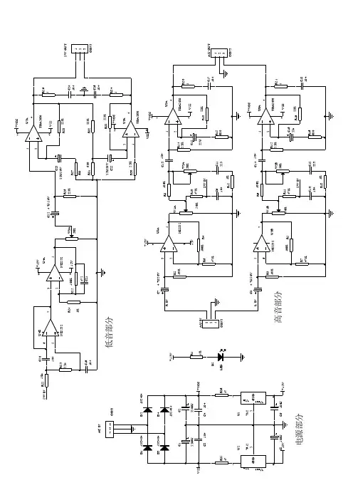
W 3A50KW 1A 50K W 2A 50KC 74.7U /50VC 17104C 9104R 1047KR 15680R 2322kR 1422KR 8100K R 4100K R 11KR 121KD 5L E DC 13104R 210K R 647K 567U 4B N E 5532S W -I N C 224.7U /50V C 20104C 19104R 2622KR 2210k R 291R 241KR 201C 11223C 21472R 25100K R 1822K123A C -I NC O N 3123A U -I N C O N 3123S W -O U TC O N 3+12V+12V-12VC 3104C 4104C 22200U C 12200U C 5100U C 6100UV i n1G N D 2V o u t3U 27912V i n1G N D2V o u t3U 17812-12VW 1B 50K W 2B 50KC 84.7U /50V C 18104C 10104R 1147KR 16680R 1522K R 9100K R 5100K R 131KC 14104R 310K R 747KL -I N R 211C 12223R 1922K+12V+12VC 26104R 31680R 341C 24104R 2822KR 27680C 2322U /50VC 2522U /50V R 3022K R 3322KR 3222KR -I N 123A U -O U TC O N 3S W -I N S W -I N12348U 3A N E 553212348U 4A N E 5532567U 3B N E 553241235U 6A T D A 203041235U 7A T D A 203041235U 5A T D A 203041235U 8A T D A 2030-12V +V C C+V C C+V C C+V C C+V C C-V S S-V S S-V S S-V S S-V S S D 11N 5404D 21N 5404D 31N 5404D 41N 5404C 1622uC 1522UR 3547R 3647电源部分低音部分高音部分2.1功放板元件明细品名型号数量备注金属膜电阻R1、R12、R13 1K 3 1/4WR2、R3、R22、R24 10K 4 1/4WR5、R4、R8、R9、R25 100K 5 1/4WR6、R7、R10、R11 47K 4 1/4WR14、R15、R18、R19、R23 22K 5 1/4WR26、R28、R30、R33、R32 22K 5 1/4WR16、R17、R27、R31 680 4 1/4WR20、R21、R29、R30 1 4 1/4WR35、R36 47 2 1/4WW1、W2、W3 50K 3 双联电位器无极电容C21 472 1 DIPC11、C12 223 2 DIPC17、C18、C19、C20、C24、104 6 DIP C26C3、C4、C10、C13、C14 104 6 DIP电解电容C1、C2 2200U/35V 2 DIPC5、C6 100U/16V 2 DIPC15、C16、C23、C25 22U/25V 4 DIPC7、C8、C22 4.7U/50V 3 DIP二极管D5 七彩灯 1 DIPD1、D2、D3、D4 1N5404 4 用1N4007代换集成块U1 7912 1 DIPU2 7812 1 DIPU5、U6、U7、U8 TDA2030 4 DIPU3、U4 NE5532 2 DIP其他AU-IN、AU-OUT、AC-IN、3位端子座 4SW-OUT散热片 4PCB板 1硅胶片 4胶粒 43X8镙钉 4铜柱+镙母3X8 4TDA2030A 2.1功放套件制作说明一、本套件核心采用4个TDA2030A功放IC,其中2个接成BTL电路作为低音使用,另个作为左右声道使用。
BTL的主要特点是:由两个相同的功放组成,输入信号互为反相。
实际采用放大器的同相输入与反相输入,以保证输入信号互为反相,同时还应使两输入信号的幅度相同,这样便可以满足BTL电路形式的基本要求。
电路图如图3所示,其中R7 (1 kΩ)与R8(33 Ω)电阻对信号分压后衰减的倍数与U1的放大倍数正好相同,衰减后的信号通过R5加在U2的反相输入端。
事实上是由两个运放完成了一路信号放大,实际测得输出电平高出用一个集成电路的1.5倍。
即原输出功率为20 W的运放,现输出功率约为50 W。
但由于BTL电路特点,选择集成电路时尽可能用参数一致的两个运算放大电路,调整输入信号幅度,可通过输入正弦波用示波器观察两输入信号的幅度,这时调整R7使两输入信号的幅度相同,以保证在提高功率的同时尽可能减小非线性对称性失真。
笔者曾见到与图3类似的电路,但其电路中没有R7, R8对信号分压后衰减的电阻,而U2的反相输入端R5(680 Ω)电阻仍接地。
表面看来它也满足BTL电路的特点,喇叭也能发声,但用一个集成电路U1也能发出同样响的声音(U1的④脚对地接喇叭),而U2的④脚对地接喇叭却无声,正常应该能发声。
事实上,原来由于信号通过U2的④脚与②脚相连的R4 (22 kΩ)电阻时,极大衰减了输入信号,再从680Ω与地之间加到U2的反相端,信号几乎为零。
用一个U1也能发出声响的原因是:U2在电源电压作用下对信号形成一个接地通路,与喇叭一端接地相同。
TDA2030A的BTL大功率功放电路原理图发布: | 作者:-- | 来源: -- | 查看:219次 | 用户关注:采用4个TDA2030A或LM1875组成双通道的BTL电路。
电阻为金属膜电阻,两个大滤波电容为6700U/25V(实测耐压可达40v左右)的红宝石或黑金刚(这两个品牌质量好一点)电解电容,其它电容采用CBB无极性电容。
TDA2030A是目前性价比最高的功放集成块之一,内部有完善的过载及过热保护,是入门级功放制作的绝佳选择。
TDA2030A BT大功率功放低音炮电路图此功放是以集成电路TDA2030为中心组成的功率放大器,具有失真小、外围元件少、装配简单、功率大、保真度高等特点,很适合无线电爱好者和音响发烧友自制!套件采用4个TDA2030A组成双通道的BTL电路。
套件所用的电阻为金属膜电阻,小电解电容使用22UF,两个大滤波电容为4700UF/25V(实测耐压可达40v左右)小体积电解电容,其它电容采用金属化CBB无极性电容。
电路板设计精良,噪音小,美观大方,一推出就得到广大网友的喜爱。
既然是DIY 产品,就存在升级的地方,比如说将TDA2030A代换成1875表现可能会更出众。
之所以本站没有选用1875的原因是它的成本太高啦!“不惜成本,只求效果”的烧友可以将本板继续DIY一套音响成百上千是很正常的事!TDA2030A是目前性价比最高的功放集成块之一,内部有完善的过载及过热保护,是入门级功放制作的绝佳选择。
TDA2030A的工作电压范围较广,从±6~±22V都可以正常工作。
今天就让我们用TDA2030A来做一款BTL功放。
BTL电路的特点就是在相同的供电电压下,可以得到较普通功放两倍以上的输出功率(这一点音响爱好者都是知道的)。
下图为TDA2030A BTL功放的电路图,在±16V供电的时候可输出34W的功率,想获得更大的输出功率可提高供电电压,但最高不可超过±22V。
TDA2030A BTL电路套件实物图及原理图和电源电路:其中的一个通道,立体声只需做两个同样的电路就可以了。
制作过程:只要跟着一步一步将所需元件装上去,保管一装就OK,无需任何的调试。
先安装电阻和跳线,电阻全部为金属膜电阻。
接着是四个22U/25V和两个10U/50V的电容,电容为电解电容。
还有四个0.1U 以及两个1U的汤姆逊金属化CBB无极性电容。
虽然这些电容较普通电容贵上不少,但高品质的电容换来的是稳定的性能以及较高的信噪比,声音更加圆润顺耳,到主角TDA2030A上场了,一共用了四个TDA2030A,每两个组成一个通道的BTL电路。
BTL的主要特点是:由两个相同的功放组成,输入信号互为反相。
实际采用放大器的同相输入与反相输入,以保证输入信号互为反相,同时还应使两输入信号的幅度相同,这样便可以满足BTL电路形式的基本要求。
电路图如图3所示,其中R7 (1 kΩ)与R8(33 Ω)电阻对信号分压后衰减的倍数与U1的放大倍数正好相同,衰减后的信号通过R5加在U2的反相输入端。
事实上是由两个运放完成了一路信号放大,实际测得输出电平高出用一个集成电路的1.5倍。
即原输出功率为20 W的运放,现输出功率约为50 W。
但由于BTL电路特点,选择集成电路时尽可能用参数一致的两个运算放大电路,调整输入信号幅度,可通过输入正弦波用示波器观察两输入信号的幅度,这时调整R7使两输入信号的幅度相同,以保证在提高功率的同时尽可能减小非线性对称性失真。
笔者曾见到与图3类似的电路,但其电路中没有R7, R8对信号分压后衰减的电阻,而U2的反相输入端R5(680 Ω)电阻仍接地。
表面看来它也满足BTL电路的特点,喇叭也能发声,但用一个集成电路U1也能发出同样响的声音(U1的④脚对地接喇叭),而U2的④脚对地接喇叭却无声,正常应该能发声。
事实上,原来由于信号通过U2的④脚与②脚相连的R4 (22 kΩ)电阻时,极大衰减了输入信号,再从680Ω与地之间加到U2的反相端,信号几乎为零。
用一个U1也能发出声响的原因是:U2在电源电压作用下对信号形成一个接地通路,与喇叭一端接地相同。
TDA2030优质扩音机功放电路一、集成电路简介TDA2030是应用普及的集成功率放大器,其频率响应为10-14000Hz,适用于高保真立体声扩音机及收录机中作音频功率放大器。
输出功率P=14W(VCC=±14V,R1=4Ω,谐波失真=0.5%时),若用两块TDA2030接成BTL放大器,其输出功率P=28W。
该集成块的输出电流峰值最大可达3.5A,其内部电路包括输入级、中间级和输出级,且有短路保护和过热保护,可确保电路工作安全可靠。
TDA2030的使用很方便,只须在其外部接入少量元器件。
二、功率放大电路下图是功放电路原理图。
图中RP是音量电位器.C1是输入耦合电容,Rl是TDA2030同相输入端偏置电阻。
R2、R3决定了该电路交流负反馈的强、弱及闭环增益,该电路的闭环增益为(R2+R3)/R2=(0.68+22)/0.68=333倍。
C2起隔直流作用,以使电路有100%直流负反馈,静态工作点稳定性较好。
C4、C5为电流高频旁路电容,防止电路产生自激振荡;R4、C3为一茹贝尔网络,用以在电路接有感性负载扬声器时,保证高频稳定性;D1,D2是保护二极管,防止输出电压峰值损坏集成块TDA20300。
三、供电电源电路下图为±12V输出的直流稳压电源。
电路中使用目前常见的三端稳压器7812和7912.构成具有±12V输出的直流稳压电源。
变压器T 降压,初级接交流220V,次级绕组中间有抽头,为双15V输出。
二极管D1-D4和电容Cl、C2组成桥式整流电容滤波电路,在C1、C2两端有18V左右不稳定的直流电压,经三端集成稳压器稳压,在7812输出端有+12V的稳定直流电压,在7912集成稳压器的输出端有-12V 的稳压直流电压。
该电路可用作集成运算放大器电路、OCL功率放大电路的电源。
四、元器件选择功放电路中C1、C2为电解电容器,耐压为16V:C3、C4、C5为瓷片电容;D1、D2为1N4001小功率整流二极管;B为4Ω8Ω、15W 全频扬声器;R1、R2、R3、R4为一般1/4或1/8W碳膜电阻即可。
TDA2030A BT大功率功放低音炮电路图此功放是以集成电路TDA2030为中心组成的功率放大器,具有失真小、外围元件少、装配简单、功率大、保真度高等特点,很适合无线电爱好者和音响发烧友自制!套件采用4个TDA2030A组成双通道的BTL电路。
套件所用的电阻为金属膜电阻,小电解电容使用22UF,两个大滤波电容为4700UF/25V(实测耐压可达40v左右)小体积电解电容,其它电容采用金属化CBB无极性电容。
电路板设计精良,噪音小,美观大方,一推出就得到广大网友的喜爱。
既然是DIY 产品,就存在升级的地方,比如说将TDA2030A代换成1875表现可能会更出众。
之所以本站没有选用1875的原因是它的成本太高啦!“不惜成本,只求效果”的烧友可以将本板继续DIY一套音响成百上千是很正常的事!TDA2030A是目前性价比最高的功放集成块之一,内部有完善的过载及过热保护,是入门级功放制作的绝佳选择。
TDA2030A的工作电压范围较广,从±6~±22V都可以正常工作。
今天就让我们用TDA2030A来做一款BTL功放。
BTL电路的特点就是在相同的供电电压下,可以得到较普通功放两倍以上的输出功率(这一点音响爱好者都是知道的)。
下图为TDA2030A BTL功放的电路图,在±16V供电的时候可输出34W的功率,想获得更大的输出功率可提高供电电压,但最高不可超过±22V。
TDA2030A BTL电路套件实物图及原理图和电源电路:其中的一个通道,立体声只需做两个同样的电路就可以了。
制作过程:只要跟着一步一步将所需元件装上去,保管一装就OK,无需任何的调试。
先安装电阻和跳线,电阻全部为金属膜电阻。
接着是四个22U/25V和两个10U/50V的电容,电容为电解电容。
还有四个0.1U 以及两个1U的汤姆逊金属化CBB无极性电容。
虽然这些电容较普通电容贵上不少,但高品质的电容换来的是稳定的性能以及较高的信噪比,声音更加圆润顺耳,到主角TDA2030A上场了,一共用了四个TDA2030A,每两个组成一个通道的BTL电路。
TDA2030音频功率放大器电路工作原理本文介绍的音频功率放大器是用集成功放TDA2030为主的电路,其制作简单,价格低廉,输出功率大,保真性好,适合初学者和大、中专学生。
一、电路工作原理图1所示电路为音频功率放大器原理图,其中TDA2030是高保真集成功率放大器芯片,输出功率大于10W,频率响应为10~1400Hz,输出电流峰值最大可达3.5A。
其内部电路包含输入级、中间级和输出级,且有短路保护和过热保护,可确保电路工作安全可靠。
TDA2030使用方便、外围所需元器少,一般不需要调试即可成功。
RP是音量调节电位器,C1是输入耦合电容,R1是TDA2030同相输入端偏置电阻。
R2、R3决定了该电路交流负反馈的强弱及闭环增益。
该电路闭环增益为(R2+R3)/R2=(0.68+22)/0.68=33.3倍,C2起隔直流作用,以使电路直流为100%负反馈。
静态工作点稳定性好。
C4、C5为电源高频旁路电容,防止电路产生自激振荡。
R4、R5称为茹贝网路,用以在电路接有感性负载扬声器时,保证高频稳定性。
VD1、VD2是保护二极管,防止输出电压峰值损坏集成块TDA2030。
二、元器件的选择集成功率放大器TDA2030。
RP为碳膜电位器。
C1、C2为电解电容器,耐压为16V,C3、C4、C5为瓷介电容。
R1、R2、R3为碳膜电阻,额定功率为1/8W。
R4为碳膜电阻,额定功率为1/4W。
VD1、VD2为IN4007小功率整流二极管。
B为4Ω或8Ω、15W全频扬声器。
三、电路制作图2是本电路印制电路板图及TDA2030管脚图。
由于TDA2030输出功率较大,因此需加散热器。
而TDA2030的负电源引脚(3脚)与散热器相连,所以在装散热器时,要注意散热器不能与其他元器件相接触。
本文摘自IC网络超市_第一价值网更多IC产品信息、资料查询尽在IC网络超市_第一价值网;情感语录1.爱情合适就好,不要委屈将就,只要随意,彼此之间不要太大压力2.时间会把最正确的人带到你身边,在此之前,你要做的,是好好的照顾自己3.女人的眼泪是最无用的液体,但你让女人流泪说明你很无用4.总有一天,你会遇上那个人,陪你看日出,直到你的人生落幕5.最美的感动是我以为人去楼空的时候你依然在6.我莫名其妙的地笑了,原来只因为想到了你7.会离开的都是废品,能抢走的都是垃圾8.其实你不知道,如果可以,我愿意把整颗心都刻满你的名字9.女人谁不愿意青春永驻,但我愿意用来换一个疼我的你10.我们和好吧,我想和你拌嘴吵架,想闹小脾气,想为了你哭鼻子,我想你了11.如此情深,却难以启齿。
2030电路图2009-11-09 11:38TDA20302008-08-21 08:51性能主要指标:TDA2030简介:TDA 2030 是一块性能十分优良的功率放大集成电路,其主要特点是上升速率高、瞬态互调失真小,在目前流行的数十种功率放大集成电路中,规定瞬态互调失真指标的仅有包括TDA 2030 在内的几种。
我们知道,瞬态互调失真是决定放大器品质的重要因素,该集成功放的一个重要优点。
TDA2030 集成电路的另一特点是输出功率大,而保护性能以较完善。
根据掌握的资料,在各国生产的单片集成电路中,输出功率最大的不过20W,而TDA 2030的输出功率却能达18W,若使用两块电路组成BTL电路,输出功率可增至35W。
另一方面,大功率集成块由于所用电源电压高、输出电流大,在使用中稍有不慎往往致使损坏。
然而在TDA 2030集成电路中,设计了较为完善的保护电路,一旦输出电流过大或管壳过热,集成块能自动地减流或截止,使自己得到保护(当然这保护是有条件的,我们决不能因为有保护功能而不适当地进行使用)。
TDA2030 集成电路的第三个特点是外围电路简单,使用方便。
在现有的各种功率集成电路中,它的管脚属于最少的一类,总共才5端,外型如同塑封大功率管,这就给使用带来不少方便。
TDA2030 在电源电压±14V,负载电阻为4Ω时输出14瓦功率(失真度≤0.5%);在电源电压±16V,负载电阻为4Ω时输出18瓦功率(失真度≤0.5%)。
该电路由于价廉质优,使用方便,并正在越来越广泛地应用于各种款式收录机和高保真立体声设备中。
该电路可供低频课程设计选用。
输出功率:10 ~ 20W(额定功率);频率响应:20Hz ~ 100kHz(≤3dB)谐波失真:≤1% (10W,30Hz~20kHz);输出阻抗:≤0.16Ω;输入灵敏度:600mV(1000Hz,额定输出时)双电源供电BTL音频功率放大器工作原理:用两块TDA2030 组成如图1所示的BTL功放电路,TDA2030(1)为同相放大器,输入信号V in通过交流耦合电容C1馈入同相输入端①脚,交流闭环增益为K VC①=1+R3 / R2≈R3 / R2≈30dB。
TDA2030双声道功放摘要功放在现实生活中很常见,几乎是有音乐的地方都会看到功放的身影。
功放有很多种,可以是用分立原件做的,也可以是用集成快来做的。
一般用分立原件做的比较难匹配,所以难度比较大,但是分立原件可以把放大倍数做得大一些。
用集成块做功放优势也很明显,除了好匹配外它还以电路简单的特点,所以适合初学者。
现在市场上有很多种功放集成块,比如LM1875,TDA2030。
本作品是用TDA2030制作。
TDA 2030 是一块性能十分优良的功率放大集成电路,其主要特点是上升速率高、瞬态互调失真小,在目前流行的数十种功率放大集成电路中,规定瞬态互调失真指标的仅有包括TDA 2030 在内的几种。
TDA2030 集成电路的另一特点是输出功率大,而保护性能以较完善。
根据掌握的资料,在各国生产的单片集成电路中,输出功率最大的不过20W,而TDA 2030的输出功率却能达18W,若使用两块电路组成BTL电路,输出功率可增至35W。
另一方面,大功率集成块由于所用电源电压高、输出电流大,在使用中稍有不慎往往致使损坏。
然而在TDA 2030集成电路中,设计了较为完善的保护电路,一旦输出电流过大或管壳过热,集成块能自动地减流或截止,使自己得到保护。
TDA2030是ETC的一款20W中功率高保真功率放大集成电路,年代已相当久远,但至今还有不少厂家出的电脑有源音箱中采用此IC,爱好都对此IC也是极有追捧。
这足以证明TDA2030的性价比是相当好。
TDA2030 集成电路的第三个特点是外围电路简单,使用方便。
在现有的各种功率集成电路中,它的管脚属于最少的一类,总共才5端,外型如同塑封大功率管,这就给使用带来不少方便。
相对而言,TDA2030被广泛应用也比LM1875早也比较廉价,功放效果也很好,噪声小。
TDA2030单级放大一般是33倍左右,如果放大倍数没有达到要求,可以加前置放大,这样可以大大提高放大倍数。
引言音频功率放大器是一个技术已经相当成熟的领域,几十年来,人们为之付出了不懈的努力,无论从线路技术还是元器件方面,乃至于思想认识上都取得了长足的进步。
以TDA2030为核心的双声道功放电路的焊接与调试功率放大器,简称“功放”,功放的主要作用就是放大音频信号,在整个音响系统中起到了“组织、协调”的枢纽作用,主宰着整个系统能否提供良好的音质输出。
TDA2030双声道功率放大电路所需元件少,制作简单,效果良好,具有失真小、功率大、开机冲击极小、内含各种保护电路、保真度高等优点。
标签:功率放大器TDA2030 焊接与调试在古代,人们听到好的音乐演奏,一旦演奏结束,声音就永远消失了,只能发出“此曲只应天上有,人间能得几回闻”的感叹,而且好的演奏只有几十人在现场能够听到。
自从1877年爱迪生发明留声器以后,一百多年来电声技术发展很快,广播、电视、家庭影院、馆场厅堂,文化娱乐等各个领域音响设备的使用无处不在。
从广场舞大妈使用的便携式音响,到跨年演唱会几万人同时嗨翻现场的音响,都离不开功率放大器。
高保真音频放大设备已经进入了千家万户,随着音频放大技术的普及,作为机电农电类中职学生,有必要对音频功率放大器基本概念和组成有所了解,并且能够焊接制作、调试、维修功放电路板。
一、TDA2030双声道功放电路特点[1]1.外接元件少。
2.输出功率大。
3.可以采用超小型封装。
4.开机冲击极小。
5.TDA2030集成电路管脚少,总共才5个端子。
焊接时不容易出错。
二、电路构成及各部分作用整机由以下几个部分组成:电源电路、左声道功率放大器和右声道功率放大器以及音频输入部分。
电路主要构成框架如图1:1.电源电路:为2块TDA2030提供±18V工作电压。
2.TDA2030集成功放电路:将外来的音频信号进行功率放大,推动扬声器发声。
3.音频输入:可以是任何外来的音频信号,也可以经过前置放大器放大后送入功率放大器,前置放大器还可以对信号频率进行调节和控制(本文不加讨论,读者可以参阅相关文章)。
三、典型应用以TDA2030为核心组成的双声道功放典型电路如图2(图中只画出一个声道)。
TDA2030A功放電路圖,引腳圖,電路圖TAG:TDA2030A功放電路圖TDA2030A引腳圖TDA2030A電路圖一、用TDA2030A做成的OTL形式的功放OTL功放的形式:採用單電源,有輸出耦合電容。
如圖1所示電路中的R5 (150 kΩ)與R4 (4.7 kΩ)電阻決定放大器閉環增益,R4電阻越小增益越大,但增益太大也容易導致信號失真。
兩個二極體接在電源與輸出端之間,是防止揚聲器感性負載反沖而影響音質。
C3(0.22 uF)電容與R6(1 Ω)的電阻是對感性負載(喇叭)進行相位補償來消除自激,該電路採用36V單電源,輸出功率約20 W。
二、用TDA2030A做成的OCL形式功放OCL功放的形式是採用雙電源,無輸出耦合電容,如圖2所示,由於無輸出耦合電容低頻回應得到改善,屬於高保真電路。
雙電源採用初級線圈中間點接地、上下電壓對稱相等的變壓器,經過整流濾波後構成±18 V的雙電源,輸出功率為20 W。
三、用TDA2030A做成的BTL形式功放BTL的主要特點是:由兩個相同的功放組成,輸入信號互為反相。
實際採用放大器的同相輸入與反相輸入,以保證輸入信號互為反相,同時還應使兩輸入信號的幅度相同,這樣便可以滿足BTL電路形式的基本要求。
電路圖如圖3所示,其中R7 (1 kΩ)與R8(33 Ω)電阻對信號分壓後衰減的倍數與U1的放大倍數正好相同,衰減後的信號通過R5加在U2的反相輸入端。
事實上是由兩個運放完成了一路信號放大,實際測得輸出電平高出用一個積體電路的1.5倍。
即原輸出功率為20 W的運放,現輸出功率約為50 W。
但由於BTL 電路特點,選擇積體電路時盡可能用參數一致的兩個運算放大電路,調整輸入信號幅度,可通過輸入正弦波用示波器觀察兩輸入信號的幅度,這時調整R7使兩輸入信號的幅度相同,以保證在提高功率的同時盡可能減小非線性對稱性失真。
筆者曾見到與圖3類似的電路,但其電路中沒有R7, R8對信號分壓後衰減的電阻,而U2的反相輸入端R5(680 Ω)電阻仍接地。
tda2030低音炮电路?TDA2030的BTL电路怎么接啊?发布时间:2010-05-13 11:37 | 人气:304 | 来源:互联网| tda btl btl电路我是按上图接了一个电路,但是每次都烧保险,是不是这个电路的有问题?图中的两个滤波电容C6和C7 的负端我都接了地线,这样接对吗?会分析电路的帮我分析一下,工作原理.哪位帮忙解决一下,谢谢了......,你上面的图就是BTL形式的。
双电源供电BTL音频功率放大器工作原理: 用两块TDA2030 组成如图1所示的BTL功放电路,TDA 2030(1)为同相放大器,输入信号Vin通过交流耦合电容C1馈入同相输入端①脚,交流闭环增益为KVC①=1+R3 / R2≈R3 / R2≈30dB。
R3 同时又使电路构成直流全闭环组态,确保电路直流工作点稳定。
TAD 2030(2)为反相放大器,它的输入信号是由TDA 2030(1)输出端的U01 经R5、R7分压器衰减后取得的,并经电容C6 后馈给反相输入端②脚,它的交流闭环增益KVC ②=R9 / R7//R5≈R9/R7≈30dB。
由R9=R5,所以TDA 2030(1)与TDA 2030(2)的两个输出信号U01 和U02 应该是幅度相等相位相反的,即:U01≈Uin·R3 / R2 U02≈-U01·R9 / R5∵R9=R5 ∴U02 =-U01因此在扬声器上得到的交流电压应为:êUY?=U01 -(-U02)=2U01 =2U02扬声器得到的功率PY 按下式计算:PY ===4=4 PMONOBTL 功放电路能把单路功放的输出功率(PMONO)扩展4倍,但实际上却受到集成电路本身功耗和最大输出电流的限制,该电路若在VS=±14V工作时,PO=28W。
若在VS=±16V或±18V(TDA 2030A)工作时,输出功率会增加,但调试中应密切注视两块电路输出端(④脚)的直流电平,它们对地的电平都近似为零,为了保护扬声器不被烧坏,通常要在扬声器回路中串联快速熔断丝。
TDA2030A2.1BTL设计原理图99格式本帖最后由 niuyite 于 2013-6-13 14:54 编辑TDA2030A 2.1 BTL设计2.1-BTL.rar(9.65 KB, 下载次数: 101)TDA2030A 2.1 低音炮功放板,全新电路(和传统的电路大有不同)设计,考虑了桌面功放的使用的特点设计中考虑了稳定美观、方便实用、操作简单、接线方便、散热良好、电路电源冗余等因素在内,功放IC确保原装进口正品IC,必要电阻全部采用高精度(1%)贴片电阻(使零件管脚之间的距离更近)!电源上采用了3A整流二极管,信号耦合部分电容使用优质进口CBB电容,电源的滤波采用独石电容使电源更加纯净确保音质的高保真!低音部分采用2只原装TDA2030A所组成 BTL电路(经测试功率连续输出可达36W,峰值60W),使输出低炮功率更强劲,足以满足家庭用户的使用要求!在音量控制上低音炮单独控制,除此之外一个总音量,一个中高音控制,外加了人性化的左右声道平衡控制。
在输入接口采用RCA和3.5立体声接口方便用户选用连接方式!输出接口采用优质纯铜金属接线排方便连接降低接触损耗!在指示灯方面采用2只低功耗卵白暖色(类似白炽灯光)草帽LED,这是本板设计的一大亮点。
在散热片设计上采用了4片 47 X 35.5 X 17MM 的优质电子散热器,每个功放IC用一片,足以满足IC散热要求。
在低音前级采用原装NE5532作为低频分频输出(分频点120HZ)!经测试通电无交流噪声!低音强劲,中高音清晰!板材采用的是1.6MM FR4 玻璃纤维板,强度高,抗干扰能力强,用料足,是工薪阶层的理想选择!默认配送4个塑胶旋钮:红黄绿蓝各一只!需要发货时装好的请说明,默认是需要用户自己安装!图片 015.jpg(19.46 KB, 下载次数: 74)图片 016.jpg(17.71 KB, 下载次数: 51)图片 017.jpg(20.75 KB, 下载次数: 60)图片 018.jpg(22.03 KB, 下载次数: 43)图片 019.jpg(20.88 KB, 下载次数: 55)图片 020.jpg(27.72 KB, 下载次数: 45)。
W 3A50KW 1A 50K W 2A 50KC 74.7U /50VC 17104C 9104R 1047KR 15680R 2322kR 1422KR 8100K R 4100K R 11KR 121KD 5L E DC 13104R 210K R 647K 567U 4B N E 5532S W -I N C 224.7U /50V C 20104C 19104R 2622KR 2210k R 291R 241KR 201C 11223C 21472R 25100K R 1822K123A C -I NC O N 3123A U -I N C O N 3123S W -O U TC O N 3+12V+12V-12VC 3104C 4104C 22200U C 12200U C 5100U C 6100UV i n1G N D 2V o u t3U 27912V i n1G N D2V o u t3U 17812-12VW 1B 50K W 2B 50KC 84.7U /50V C 18104C 10104R 1147KR 16680R 1522K R 9100K R 5100K R 131KC 14104R 310K R 747KL -I N R 211C 12223R 1922K+12V+12VC 26104R 31680R 341C 24104R 2822KR 27680C 2322U /50VC 2522U /50V R 3022K R 3322KR 3222KR -I N 123A U -O U TC O N 3S W -I N S W -I N12348U 3A N E 553212348U 4A N E 5532567U 3B N E 553241235U 6A T D A 203041235U 7A T D A 203041235U 5A T D A 203041235U 8A T D A 2030-12V +V C C+V C C+V C C+V C C+V C C-V S S-V S S-V S S-V S S-V S S D 11N 5404D 21N 5404D 31N 5404D 41N 5404C 1622uC 1522UR 3547R 3647电源部分低音部分高音部分2.1功放板元件明细品名型号数量备注金属膜电阻R1、R12、R13 1K 3 1/4WR2、R3、R22、R24 10K 4 1/4WR5、R4、R8、R9、R25 100K 5 1/4WR6、R7、R10、R11 47K 4 1/4WR14、R15、R18、R19、R23 22K 5 1/4WR26、R28、R30、R33、R32 22K 5 1/4WR16、R17、R27、R31 680 4 1/4WR20、R21、R29、R30 1 4 1/4WR35、R36 47 2 1/4WW1、W2、W3 50K 3 双联电位器无极电容C21 472 1 DIPC11、C12 223 2 DIPC17、C18、C19、C20、C24、104 6 DIP C26C3、C4、C10、C13、C14 104 6 DIP电解电容C1、C2 2200U/35V 2 DIPC5、C6 100U/16V 2 DIPC15、C16、C23、C25 22U/25V 4 DIPC7、C8、C22 4.7U/50V 3 DIP二极管D5 七彩灯 1 DIPD1、D2、D3、D4 1N5404 4 用1N4007代换集成块U1 7912 1 DIPU2 7812 1 DIPU5、U6、U7、U8 TDA2030 4 DIPU3、U4 NE5532 2 DIP其他AU-IN、AU-OUT、AC-IN、3位端子座 4SW-OUT散热片 4PCB板 1硅胶片 4胶粒 43X8镙钉 4铜柱+镙母3X8 4TDA2030A 2.1功放套件制作说明一、本套件核心采用4个TDA2030A功放IC,其中2个接成BTL电路作为低音使用,另个作为左右声道使用。