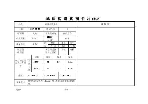
地质素描卡片
- 格式:doc
- 大小:38.50 KB
- 文档页数:1
附件4:开拓准备巷道地质素描卡片编制要求(试行)1、开拓巷道、准备巷道、穿层巷道,都必须及时绘制地质素描卡片。
2、地质素描卡片按1:200比例尺绘制,以剖面图为主,在测点、构造发育、巷道交岔处加画同比例尺平面图;在剖面图每隔30—50米绘制巷道顶底板小柱状,小柱状左侧写分层厚度,右侧写岩石名称及主要岩性描述;剖面图内容包括岩性分层及编号、测点、标志层、构造、陷落柱等;素描卡片清绘上墨,构造及陷落柱上红色。
3、素描卡片首页附工程平面示意图,示意图要按比例绘制,并注明工程名称、方位及与相邻工程连接关系、巷道长度、断面等主要参数。
4、素描卡片每隔20米标注里程,并和导线点的里程相符;剖面图的标高线10m 一条,左右两边相对应。
5、导线点的注记,按测点的编号、标高、碎部,标记在剖面和平面图点号位置上。
剖面上用三角形和横线表示,平面上用圆点表示,并注明与巷道左右帮间距、坐标参数,两个导线点间标注顶板坡度(标注在剖面图下方两测点中间位置),精确到分,如下图(单位:mm )。
剖面图上导线点的表示平面图上导线点的表示两导线点间顶板坡度的表示6、断层在剖面上的表示,按断层上下盘错动方向,用箭头表示,箭头线条长10mm ,产状要素注记在断层的上盘,用横线分开,线条长15mm ,如:0.1454305=︒︒∠H 断层产状在平面图上平行走向线注记在下盘一侧,断层符号按图例要求标注。
7、岩层按《煤矿地质测量图例》规定的符号填绘,在剖面上按顺序编序号,岩层编号及岩性描述标注在卡片的合适位置,如有过渡性岩性变化,可用二种不同的岩性符号表示,加注文字说明。
8、顶底板邻近有煤层时,要将探测煤层厚度、间距标注在卡片上;上下间距小于20米巷道、采空区等工程要填绘到平、剖面图上,并标注层间距、范围等参数。
9、按图例要求标注涌水点、含水层等水文地质资料。
10、素描卡片每页编写剖面图名称、比例尺、巷道方位、页码。
11、地质素描卡片每月补充完善一次,工程完工后及时审核、整理、装订、存档。
掌子面地质素描记录表
施工里程:k0+426 地质预报单位:
编写:复核:监理:日期:
掌子面地质素描记录表
施工里程:k0+430 地质预报单位:
编写:复核:监理:日期:
掌子面地质素描记录表
施工里程:k0+435 地质预报单位:
编写:复核:监理:日期:
掌子面地质素描记录表
施工里程:k0+440 地质预报单位:
编写:复核:监理:日期:
掌子面地质素描记录表
施工里程:k0+445 地质预报单位:
编写:复核:监理:日期:
掌子面地质素描记录表
施工里程:k0+450 地质预报单位:
编写:复核:监理:日期:
掌子面地质素描记录表
施工里程:k0+455 地质预报单位:
编写:复核:监理:日期:
掌子面地质素描记录表
施工里程:k0+460 地质预报单位:
编写:复核:监理:日期:
掌子面地质素描记录表
施工里程:k0+465 地质预报单位:
编写:复核:监理:日期:
掌子面地质素描记录表
施工里程:k0+470 地质预报单位:
编写:复核:监理:日期:
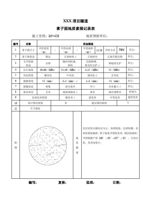
XXX项目隧道
掌子面地质素描记录表
施工里程:k0+475 地质预报单位:
编写:复核:监理:日期:。
2段地质素描记录卡施工阶段素描地质素描记录卡注:1、每一循环进尺填写一次,水量>125 L/min,填写具体数据。
兴工街站(竖井)隧道地质素描表竖井(基坑)地质素描图区间隧道地质素描图掌子面地质素描图图例图例掌子面图例图。
兴工街站(竖井)隧道地质素描表竖井(基坑)地质素描图区间隧道地质素描图掌子面地质素描图图例图例掌子面图例图。
兴工街站(竖井)隧道地质素描表竖井(基坑)地质素描图区间隧道地质素描图掌子面地质素描图图例图例掌子面图例图。
兴工街站(竖井)隧道地质素描表竖井(基坑)地质素描图区间隧道地质素描图掌子面地质素描图图例图例掌子面图例图。
图例图例掌子面图例图。
图例图例掌子面图例图。
图例图例掌子面图例图。
图例图例掌子面图例图。
图例图例掌子面图例图。
兴工街站(竖井)隧道地质素描表竖井(基坑)地质素描图区间隧道地质素描图掌子面地质素描图图例图例掌子面图例图。
施工阶段素描地质素描记录卡兴工街站(竖井)隧道地质素描表竖井(基坑)地质素描图区间隧道地质素描图掌子面地质素描图图例图例掌子面图例注:按照规定比例作图,掌子面地质素描图按照20米3次作图,如遇特殊地质必须进行掌子面地质素描图。
绝美的地质素描图,重温地学的基本功!各种地质现象千姿百态,⾯对丰富多彩的地质现象,我们必须仔细观察,透彻了解。
⽽作为描绘地质构造的重要⼿法——地质素描,却越来越陌⽣。
野外地质现象繁杂纷乱,地质摄影虽然也能获得这种效果,但往往由于镜头所向便⼀览⽆余,有时繁杂纷乱、主次不明;⽽且常常受光线、⽓候等条件限制,不如地质素描重点突出、形象鲜明、概念清晰、应⽤简便。
有些冗长的⽂字还⽆法叙述清楚的地质现象,通过地质素描便可⼀⽬了然。
成为野外地质⼯作中获取原始资料的⼀种⼿段,也是野外地质⼯作者必须掌握的⼀种基本技能。
以⽢肃⽟门⽼君庙⽯油河为例:⽢肃⽟门⽼君庙⽯油河的三级阶梯下⾯就让我们⼀起来欣赏⼀组绝美的地质素描图,重温地学的基本功:河南偃师五佛⼭群马鞍⼭组与葡峪组之间的滑动断层⾯岩壁上的倒转背斜⼴西阳朔穿岩岩溶地貌⼴西阳朔穿岩为背景题材的风景速写⼴东三⽔⽲⽣坑风⼭泥盆纪灰岩中发育的逆断层及褶皱黄陵背斜西翼冀家湾⼀九曲脑间震旦系剖⾯素描图湖北秋千坪区⽥家坪---母猪峡间震旦系剖⾯河南登封嵩⼭构造素描新疆孚远三台南烧房沟缘倾斜岩层形成的地貌湖北宜恩长潭河由古⽣界地层组成的向斜远景西藏曲松县布余地区雅鲁藏布江断裂景观河南登封远古界嵩⼭群之⾓度不整合接触安徽黄⼭由黄⼭花岗岩形成的⽟屏峰云南丽江⽯⿎⾦沙江河曲⽢肃东部的黄⼟塬⼴西桂林岩溶地貌云南路南⽯林珠穆朗玛峰地区新疆博格达⼭北麓平坡⼭的冰川⾆湖北建始凉风槽直⽴的云台观⽯英砂岩层由黄盖峰西望嵩⼭之远古界⽯英岩组成的同斜倒转褶皱辉绿岩中的球状风化云南路南岩溶⽯柱⼴东三⽔灰岩中形成的向斜构造北京三家店侏罗系砂岩中斜列的剪节理(A处)⼴东英德波罗坑由变质砂岩组成的倾伏背斜⼴东马坝⽯灰系泥质岩中倒转背斜内发育的轴⾯劈理张家⼝珍珠岩和⼤同第四纪⽕⼭的纺锤形⽕⼭弹河北滦平岔道⼝⽔下凝灰岩磨光⾯构造标本正长⽯晶形⼴东阳春⼆叠纪龙潭煤系中的化⽯北京房⼭下中院震旦纪硅质岩中的压性断层破碎带⼜华阳南望华⼭块⾯分割线条⽢肃北⼭侏罗系地层风蚀地貌新疆⿇札塔克的风蚀蘑菇⽯湖北咸丰背柴沟北东断裂构造湖北巴东新家⼆叠系灰岩沿节理风化地貌平卧褶曲好像⼏层迭在⼀起的曲板河流侧⽅侵蚀形成的淘蚀崖⽢肃敦煌⽔电站南沙⼭新疆准格尔盆地乌尔砾岩风蚀现象辽宁朝阳北票西⽞武岩组成的⽕⼭颈安徽省繁昌黄慕渡灰岩形成的褶皱北京房⼭上中院,见到的缘倾斜岩层和远景由单斜岩层组成的单斜地形砾岩形成短轴背斜的形态像个椭圆形的勺南⽅⼆叠纪龙潭煤系地层形成的馒头状丘陵地形像鞍、像圆顶笠岩溶塌陷好⽐⼀块平板上钻穿的园洞⼭脉、转向的块⾯关系河流延伸及转向的块⾯关系⽢肃婆娑泉侏罗系地层风蚀塔长江巫峡湖北建始凉风槽直⽴岩层云南路南⽯林的溶蚀⾯⼴东丹霞盆地姐妹⼭第三系砾岩江西⼽阳红⾊砾岩形成的⽯柱花岗岩球状风化岩溶⽯林、⼭坡、海底喷发的⽞武岩枕状构造、花岗岩球状风化纹沟发育的缓坡地形岩溶峰林⽢肃敦煌鸣砂⼭⽉⽛泉侵⼊岩脉西藏妥坝西的⽯灰岩因寒冻风化形成的锯齿状⼭脊⼴西漓江两岸岩溶峰林河北涞⽔⽔平产状的震旦纪硅化灰岩形成的柱状⽯峰湖北宜恩晚⽩垩鄂系紫红⾊砂砾岩形成的地貌⼴东坪⽯由第三系红⾊钙质砾岩形成的丹霞地貌泥林深切河曲⽢肃北⼭第四系泥岩风蚀地貌⽢肃肃南祁连冰碛巨砾河北涞⽔庄户村东震旦纪硅化灰岩形成的单⾯陡⾯⼴西兴坪泥盆纪⽯灰岩形成的岩溶峰林地貌交错层理⽯灰岩形成的岩溶⽯峰岩层出露北京西⼭军庄奥陶系灰岩构成的背斜⼀翼湖北合丰廖家坡东⼭峰背斜北西翼的缓倾斜地层⽢肃肃南观⼭河奥陶系灰岩形成的单斜⼭⽢肃祁连⼭⾦龙河由奥陶系板岩、千枚岩组成的⾼⾓度倾伏背斜河南嵩⼭⽼王庙由元古界⽯英组成的倾伏背斜河北迁安宫店⼦向斜北京⼤灰⼚奥陶系⽩云岩⼩褶皱组成的窗棂构造河南⽅城震旦系硅质条带状⼤理岩中的相似褶皱蠕动构造旋卷构造湖北巴东新家拖扒⼦灰岩垂直节理风化形成的地貌河南嵩⼭五指岭组⽯英岩及千枚岩背斜中的正扇形霹雳西藏萨迦县⽇喀则群砂质板岩的斜歪背斜中的轴⾯劈理⽢肃阿克塞东第四系砂砾岩a与古⽣代⽕⼭岩b断层接触河北兴隆砂岩中断层⾯附近的帚状节理⽢肃祁连青稞地奥陶系板岩内蒙乌拉尔⼭⼭前断层崖河南偃师五佛⼭断层形成的断层三⾓⾯⽢肃肃北某矿点碳酸盐脉⽢肃当⾦⼭⼀带的断层三⾓⾯⽢肃马鬃⼭北坡斜长花岗岩体中的基性岩脉⽢肃北⼭沙井西南⼤理岩中顺层贯⼊的辉绿岩脉⽢肃酒泉车站南侧祁连⼭⾼⼭地貌云南东川的粘性泥⽯流⽢肃武都的⼤型滑坡湖北巴东由⼆叠纪⽯灰岩形成的地貌巫⼭神⼥峰⽢肃窟窿⼭⽟门砾岩⽢肃⽟门市西窟窿⼭饼状钙质结核风化露头⽢肃敦煌西湖红柳灌丛沙丘新疆托克逊风蚀蜂窝⽯⼽壁滩花岗岩风蚀地貌⽢肃陇东黄⼟滑坡⽢肃北⼭沙婆泉上侏罗统页岩侵蚀地貌新疆雅丹的风蚀雅丹地貌宁夏中卫腾格⾥沙漠的东南⾓风蚀塔周⼝店龙⾻⼭鸽⼦堂准葛尔盆地德伦⼭岗风蚀⽯柱⽢肃酒泉北⼤河蛇曲云南丽江⽯⿎镇附近长江上游河曲长江翟塘峡海南岛某地⽞武岩海岸及海蚀柱⼴东⾼鹤花岗岩丘陵间的⼩⽚沼泽⿊龙江“五⼤连池”绳状构造熔岩碳磷铀矿聚集与岩层层理关系河南嵩⼭变质岩褶皱构造标本河北迁安磁铁⽯英岩叠加构造标本来源:《野外地质素描》。
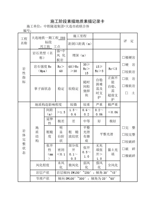
施工阶段素描地质素描记录卡施工单位:中铁隧道集团-大连市政联合体兴工街站(竖井)隧道地质素描表图例图例掌子面图例地质必须进行掌子面地质素描图。
兴工街站(竖井)隧道地质素描表围岩稳定性评价本段岩层介于强风化和中风化之间,除局部4m左右岩层较破碎外,其余稳定性均比较好驻地监理签字:日期:技术负责人:日期:编制:日期:竖井(基坑)地质素描图区间隧道地质素描图掌子面地质素描图图例图例掌子面图例地质必须进行掌子面地质素描图。
兴工街站(竖井)隧道地质素描表竖井(基坑)地质素描图区间隧道地质素描图掌子面地质素描图图例图例掌子面图例地质必须进行掌子面地质素描图。
兴工街站(竖井)隧道地质素描表围岩稳定性评价本段岩层介于强风化和中风化之间,除局部4m左右岩层较破碎外,其余稳定性均比较好驻地监理签字:日期:技术负责人:日期:编制:日期:竖井(基坑)地质素描图区间隧道地质素描图掌子面地质素描图图例图例掌子面图例地质必须进行掌子面地质素描图。
兴工街站(竖井)隧道地质素描表竖井(基坑)地质素描图区间隧道地质素描图掌子面地质素描图图例图例掌子面图例地质必须进行掌子面地质素描图。
兴工街站(竖井)隧道地质素描表围岩稳定性评价本段岩层介于强风化和中风化之间,除局部4m左右岩层较破碎外,其余稳定性均比较好驻地监理签字:日期:技术负责人:日期:编制:日期:竖井(基坑)地质素描图区间隧道地质素描图掌子面地质素描图图例图例掌子面图例地质必须进行掌子面地质素描图。
兴工街站(竖井)隧道地质素描表竖井(基坑)地质素描图区间隧道地质素描图掌子面地质素描图图例图例掌子面图例地质必须进行掌子面地质素描图。
兴工街站(竖井)隧道地质素描表围岩稳定性评价本段岩层介于强风化和中风化之间,除局部4m左右岩层较破碎外,其余稳定性均比较好驻地监理签字:日期:技术负责人:日期:编制:日期:竖井(基坑)地质素描图区间隧道地质素描图掌子面地质素描图图例图例掌子面图例地质必须进行掌子面地质素描图。