隧道掌子面地质素描
- 格式:pptx
- 大小:279.73 KB
- 文档页数:16
掌子面地质素描记录表
施工里程:k0+426 地质预报单位:
编写:复核:监理:日期:
掌子面地质素描记录表
施工里程:k0+430 地质预报单位:
编写:复核:监理:日期:
掌子面地质素描记录表
施工里程:k0+435 地质预报单位:
编写:复核:监理:日期:
掌子面地质素描记录表
施工里程:k0+440 地质预报单位:
编写:复核:监理:日期:
掌子面地质素描记录表
施工里程:k0+445 地质预报单位:
编写:复核:监理:日期:
掌子面地质素描记录表
施工里程:k0+450 地质预报单位:
编写:复核:监理:日期:
掌子面地质素描记录表
施工里程:k0+455 地质预报单位:
编写:复核:监理:日期:
掌子面地质素描记录表
施工里程:k0+460 地质预报单位:
编写:复核:监理:日期:
掌子面地质素描记录表
施工里程:k0+465 地质预报单位:
编写:复核:监理:日期:
掌子面地质素描记录表
施工里程:k0+470 地质预报单位:
编写:复核:监理:日期:
XXX项目隧道
掌子面地质素描记录表
施工里程:k0+475 地质预报单位:
编写:复核:监理:日期:。
山西省左权至黎城高速公路项目
掌子面地质素描记录表
施工单位:中铁三局集团公司 标段:ZL2
施工里程: 编号:
记录制表: 复核: 现场负责人:
编号 名称 故驿隧道出口 1
掌子面 尺寸 开挖 宽度 (m)
12.7 开挖高度 (m)
6.4 开挖面积 (㎡)
63.5 开挖方式
三台阶留核心土法
其他
2 掌子面 状态 稳定 正面掉块 正面挤出 正面不能自稳 其他:
3 毛开挖面状态 自稳 随时间松弛、
掉块 自稳困难、要不及时支护
要超前 支护 其他: 4 岩石强度 (Mpa) 30~60 15~30 5~15 <5 其他: 5 风化程度 微风化 弱风化 中风化 强风化 其他: 6 裂隙宽度 (mm ) >5 3~5 1~3 <1 其他: 7 裂隙形态 密集 部分张开 开口 夹有粘土 其他: 8 涌水状态 无水 渗水
整体湿润
涌出或喷出
特别大
9
围岩级别划分
V 级
附 图
描述:。
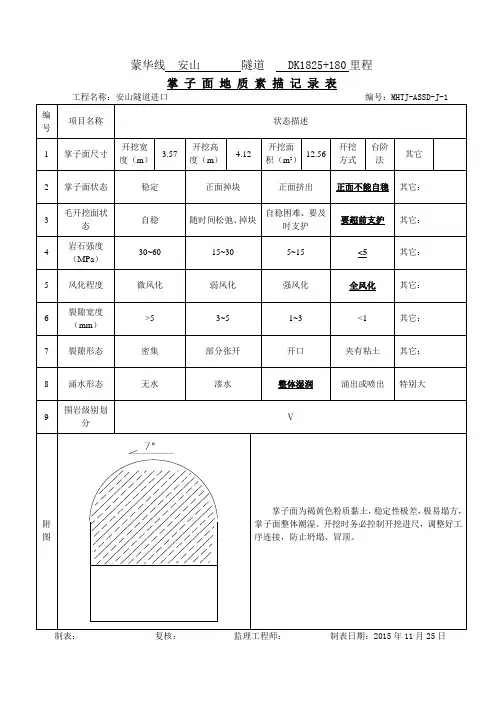
掌子面地质素描记录表工程名称:安山隧道进口编号:MHTJ-ASSD-J-1编号项目名称状态描述1 掌子面尺寸开挖宽度(m)3.57开挖高度(m)4.12开挖面积(m²)12.56开挖方式台阶法其它2 掌子面状态稳定正面掉块正面挤出正面不能自稳其它:3 毛开挖面状态自稳随时间松弛、掉块自稳困难、要及时支护要超前支护其它:4 岩石强度(MPa)30~60 15~30 5~15 <5 其它:5 风化程度微风化弱风化强风化全风化其它:6 裂隙宽度(mm)>5 3~5 1~3 <1 其它:7 裂隙形态密集部分张开开口夹有粘土其它:8 涌水形态无水渗水整体湿润涌出或喷出特别大9 围岩级别划分Ⅴ附图掌子面为褐黄色粉质黏土,稳定性极差,极易塌方,掌子面整体潮湿。
开挖时务必控制开挖进尺,调整好工序连接,防止坍塌、冒顶。
掌子面地质素描记录表工程名称:安山隧道进口编号:MHTJ-ASSD-J-2编号项目名称状态描述1 掌子面尺寸开挖宽度(m)3.45开挖高度(m)4.23开挖面积(m²)12.71开挖方式台阶法其它2 掌子面状态稳定正面掉块正面挤出正面不能自稳其它:3 毛开挖面状态自稳随时间松弛、掉块自稳困难、要及时支护要超前支护其它:4 岩石强度(MPa)30~60 15~30 5~15 <5 其它:5 风化程度微风化弱风化强风化全风化其它:6 裂隙宽度(mm)>5 3~5 1~3 <1 其它:7 裂隙形态密集部分张开开口夹有粘土其它:8 涌水形态无水渗水整体湿润涌出或喷出特别大9 围岩级别划分Ⅴ附图掌子面为褐黄色粉质黏土,硬塑,局部含块石风化不均。
掌子面潮湿,整体稳定性差,易塌方。
开挖时务必控制开挖进尺,调整好工序连接,防止坍塌、冒顶。
掌子面地质素描记录表工程名称:安山隧道进口编号:MHTJ-ASSD-J-3编号项目名称状态描述1 掌子面尺寸开挖宽度(m)4.51开挖高度(m)4.31开挖面积(m²)12.68开挖方式台阶法其它2 掌子面状态稳定正面掉块正面挤出正面不能自稳其它:3 毛开挖面状态自稳随时间松弛、掉块自稳困难、要及时支护要超前支护其它:4 岩石强度(MPa)30~60 15~30 5~15 <5 其它:5 风化程度微风化弱风化强风化全风化其它:6 裂隙宽度(mm)>5 3~5 1~3 <1 其它:7 裂隙形态密集部分张开开口夹有粘土其它:8 涌水形态无水渗水整体湿润涌出或喷出特别大9 围岩级别划分Ⅴ附图掌子面为褐黄色粉质黏土,硬塑,局部含角砾土、块石风化不均。
软弱围岩隧道掌子面地质素描作业指导书新建铁路成都至兰州线CLZQ-6标段隧道掌子面地质素描作业指导书编制:复核:审核:中铁五局成兰铁路工程茂县指挥部二○一四年四月目录1、适用范围.............................................................. 错误!未定义书签。
2、作业准备.............................................................. 错误!未定义书签。
2.1内业技术准备................................................ 错误!未定义书签。
2.2外业技术准备................................................ 错误!未定义书签。
3、现场素描.............................................................. 错误!未定义书签。
4、掌子面地质素描记录表基本内容....................... 错误!未定义书签。
4.1、掌子面状态................................................. 错误!未定义书签。
4.2、毛开挖状态................................................. 错误!未定义书签。
4.3、岩石强度(MPa)...................................... 错误!未定义书签。
4.4、风化程度 .................................................... 错误!未定义书签。
4.5、裂隙间距(mm) ...................................... 错误!未定义书签。
关于老中铁路Ⅳ标一分部隧道掌子面地质素描记录表填写说明为了规范隧道地质素描资料填写,现对隧道地质素描资料填写做以下说明,请各隧道技术员按照本说明填写,本表填写过程中如有疑问,请咨询预报组人员。
该表格从2017年7月11日起开始执行,2017年7月11日之前按原预报组发的的表格填写,各工区技术负责人收到后将本说明及时下发,各隧道口技术员及时填写,并找相关人员签字,在地质素描实施过程中发现异常及时和预报组联系。
填写说明:工程名称:新建铁路磨丁至万象线第IV标编号:SLBTYC-001(填写样表以沙拉巴土一号隧道出口为例)SLBTYC为隧道名称首字母大写组合(以沙拉巴土一号隧道出口为例)项目名称:按照各隧道名称填写(填写样表以沙拉巴土一号隧道出口为例)掌子面状态:描述掌子面地层岩性,岩石完整程度开挖面状态:描述开挖面岩体的稳定性风化程度:岩石的风化程度一般划分为,全风化、强风化、弱风化、微风化等四级。
其中,全风化:岩石呈土状或土柱状;或者大部分呈土状或土柱状手可搓碎;强风化:岩石呈块状、碎块状;手不可掰开或者用力才能掰开锤击声闷;弱风化、微风化:岩石颜色新鲜,很少矿物质多呈块状锤击声脆。
在现场对裂隙产状进行测量记录(裂隙面倾向倾角),将裂隙在掌子面出露情况进行简单素描。
倾向测量:倾向是指岩层向下最大倾斜方向线(真倾向线)在水平面上投影的方位。
测量时将罗盘北端指向岩层向下倾斜的方向,以南端短棱靠着岩层层面,当圆形水准器气泡居中时,读指北针所指度数即所求。
岩层倾角测量:倾角是指层面与假想水平面间的最大夹角,称真倾角。
真倾角可沿层面真倾斜线测量求得,若沿其他倾斜线测得的倾角均较真倾角小,称为视倾角。
测量时将罗盘侧立,使罗盘长边紧靠层面,并用右手中指拨动底盘外之活动扳手,同时沿层面移动罗盘,当管状水准器气泡居中时,测斜指针所指最大度数即岩层的真倾角。
岩层产状记录方法:如用方位角罗盘测量,测得某地层走向是330°、倾向为240°、倾角为50°,记做330°/SW∠50°,或记做240°∠50°(即只记倾向与倾角即可)。
沪昆铁路CKTJ-6标隧道掌子面地质素描作业指导书1、准备工作进洞进行地质素描工作前,应做好如下准备工作:1)熟悉了解已有勘察资料,掌握掌子面所处地段的地层岩性、构造特征、不良地质及水文地质特征;2)熟悉了解其他预报手段探测成果,分析判断掌子面所处地段工程地质与水文地质特征可能出现的差异(与勘察成果比较);3)准备好洞内素描所需要的工具:外业包、罗盘、地质锤、笔记本、数码相机等;2、现场素描现场素描,首先应对掌子面及掌子面附近开挖段进行详细观察。
首先从岩性、岩体完整性、出水量大小等方面进行大范围、前后左右对比,宏观把握地层岩性等的变化。
对于地层颜色、软硬程度、节理裂隙发育状况、出水量与周围岩体发生明显差异的部位,进行重点详细观察,通过手触、锤击、采集样本详细观察查明差异的性质,分析造成差异的原因。
地质素描应记录以下信息:1)工程地质信息①地层岩性:描述地层时代、岩性、产状、层间结合程度、风化程度等。
②地质构造:描述褶皱、断层、节理裂隙特征等。
断层的发育位置、产状、性质、破碎带的宽度、物质成分、含水情况以及与隧道的关系;褶皱的性质、形态、地层的完整程度等;节理裂隙的组数、产状、间距、充填物、延伸长度、张开度及节理面特征,分析组合特征、判断岩体完整程度。
节理裂隙的描述首先应根据其产状特征进行分组归类,一般产状差异不大的节理应划分为一组。
对于成组出现的节理,应示意性地标示在图纸上,图纸采用的节理倾角应为换算的视倾角,标注的产状为真实产状,图示节理间距应能表明其真实发育程度(即不同发育程度的节理组,在图纸上显示节理间距应不同)。
对于零星发育的节理应作为随机节理描述,贯通性好、对岩体稳定性影响大的随机节理(包括岩脉)应重点描述,并按其实际出露位置标示在图纸上。
③岩溶:描述岩溶规模、形态、位置、所属地层和构造部位,充填物成分、状态,以及岩溶展布的空间关系。
④特殊地层:煤层、沥青层、含膏盐层、膨胀岩和含黄铁矿层应单独描述。
隧道掌子面地质素描相关概念及具体实施简介1岩石分类1.1 岩石一级分类即按成因进行分类,可以划分为三类:岩浆岩(火成岩)、沉积岩和变质岩。
岩浆岩是上地幔或地壳深部产生的炽热粘稠的岩浆冷凝固结形成的岩石,如花岗岩、闪长岩、玄武岩等。
沉积岩是成层堆积的松散沉积物固结而成的岩石。
在地壳表层,母岩经风化作用、生物作用、火山喷发作用而形成的松散碎屑物及少量宇宙物质经过介质(主要是水)的搬运、沉积、成岩作用形成沉积岩,如灰岩、白云岩、砂岩等。
变质岩是由于地质环境和物理化学条件的改变,使原先已形成的岩石的矿物成分、结构构造发生改变所形成的岩石,如片麻岩、大理岩等。
1.2 地质年代与地层单位的概念地质年代按照宙、代、纪、世表示,具体可参见“表1.1 地质年代表”。
地层单位按照宇、界、系、统、组等表示。
如,我国辽西的寒武系、第四系地层分组可参见图1.1、图1.2。
对于第四系黄土,Q1、Q2为老黄土,Q3、Q4为新黄土。
新黄土一般有湿陷性。
古生界Pz图1.1 寒武系地层示意新生界Kz图1.2 第四系地层示意1.3 地质符号参见“表1.2 部分地质符号简表”及表1.3。
表1.3 第四系地层成因及符号Q al冲积层Q dl 坡积层Q pl洪积层Q el 残积层Q l 湖积层Q eal风积层Q n 沼泽堆积Q eol 崩塌堆积Q del滑坡堆积2 岩层产状2.1 产状要素任何面状构造或地质体界面的产状均以其走向、倾向和倾角的数据表示,参见图2.1。
走向,倾斜平面与水平面的交线叫走向线(图2.1中AOB)。
倾向,倾斜平面上与走向线相垂直的线叫倾向线(图2. 1中OD)。
图2. 1 倾斜平面的产状要素图示图2. 2 真倾角与视倾角的关系图示α-真倾角;β、β-'视倾角;ω-二者夹角倾角,倾斜平面上的倾斜线与其在水平面上的投影线之间的夹角(图2.1及图2. 2中之α角),即在垂直倾斜平面走向的直立剖面上该平面与水平面间的夹角。
掌子面素描地质描述:【玄武岩】==== ================颜色:未风化的玄武岩主要呈黑色和灰色,也有黑褐色、暗紫色和灰绿色的构造:绳状构造、气孔状、杏仁状构造、块状构造也具有明显的似层状特征,这可能是岩浆喷发间歇造成的结构:块石结构、碎石镶嵌结构、斑状结构节理:齿状节理(上部)、板状节理(中部)、柱状节理(底部)柱状、板状、齿状节理均与岩流冷却状态有关,多在较厚的岩流单元中严格地受相带部位的制约。
岩流单元上部冷却快,且均匀性差,形成齿状节理,其密度大,形态和方向不规则; 岩流单元中下部带冷却均匀、缓慢,形成规则到次规则的多边形柱状节理。
裂隙和空洞:玄武岩内孔、洞、缝形态与成因方式极为多样,查明其成因类型及其在岩流单元岩相带、不同岩相构造内的组合网络,按成因与形态将其分为6 类:1) 与岩流中出溶气体有关:气孔、气孔洞;2) 与次生化学作用有关:溶蚀洞(溶解洞) ;3) 与岩流正常冷缩有关:柱状节理、板状节理、齿状节理;4) 与岩流表壳自碎或岩流淬火碎裂有关:自碎裂缝、淬碎裂缝;5) 与次生风化或构造作用有关:风化节理缝、构造节理;6) 与复成因有关的微孔隙或微裂隙。
气孔、气孔洞与溶蚀洞气孔或气孔洞是低粘度玄武岩浆在一定深度下出溶气体留下的,因体积小,没有构成岩浆的破裂而发生爆发,经流动后缓慢冷却,导致玄武岩内形成气孔,其形态、大小、分布特点与面积比明显地服从于其所处的岩流单元部位。
溶蚀洞是指较大的空洞,形态极不规则,于岩流单元上部带和古风化剥蚀面最为发育。
有4 种产出形式: (1) 由气孔或气孔洞经水化学作用溶蚀原有的充填物,且溶解气孔壁岩石矿物,特别是橄榄石而成为不规则的空洞;(2) 裂缝与气孔的交汇部位溶蚀而成与缝相连的空洞; (3) 在两组裂缝与气孔复合部位溶蚀而成较大的空洞; (4) 沿节理缝经局部溶蚀,形成沿节理呈串珠状分布的小型空洞。
风化裂隙出现在古风化剥蚀面及岩流单元上部带,它是地表物理化学作用在原生节理的基础上扩大的不规则缝,多数经溶蚀形成不规则的洞缝组合。
新建铁路成都至兰州线CLZQ-6标段隧道掌子面地质素描作业指导书编制:复核:审核:中铁五局成兰铁路工程茂县指挥部二○一四年四月目录1、适用范围 (1)2、作业准备 (1)2.1内业技术准备 (1)2.2外业技术准备 (1)3、现场素描 (1)4、掌子面地质素描记录表基本内容 (2)4.1、掌子面状态 (2)4.2、毛开挖状态 (3)4.3、岩石强度(MPa) (4)4.4、风化程度 (4)4.5、裂隙间距(mm) (5)4.6、裂隙形态 (5)4.7、涌水状态 (5)4.8、围岩级别划分 (5)4.9、描述的基本内容 (5)4.10、产状要素的确定 (8)5、地质素描示例 (10)6、分析判断 (11)隧道掌子面地质素描作业指导书1、适用范围本作业指导书适用于成兰铁路CLZQ-6标隧道掌子面地质素描。
2、作业准备2.1内业技术准备1)熟悉了解已有勘察资料,掌握掌子面所处地段的地层岩性、构造特征、不良地质及水文地质特征;2)熟悉了解其他预报手段探测成果,分析判断掌子面所处地段工程地质与水文地质特征可能出现的差异(与勘察成果比较)2.2外业技术准备准备好洞内素描所需要的工具:外业包、罗盘、地质锤、笔记本、数码相机等。
3、现场素描现场素描,首先应对掌子面及掌子面附近开挖段进行详细观察。
首先从岩性、岩体完整性、出水量大小等方面进行大范围、前后左右对比,宏观把握地层岩性等的变化。
对于地层颜色、软硬程度、节理裂隙发育状况、出水量与周围岩体发生明显差异的部位,进行重点详细观察,通过手触、锤击、采集样本详细观察查明差异的性质,分析造成差异的原因。
地质素描应记录以下信息:1)工程地质信息(1)地层岩性:描述地层时代、岩性、产状、层间结合程度、风化程度等。
(2)地质构造:描述褶皱、断层、节理裂隙特征等。
断层的发育位置、产状、性质、破碎带的宽度、物质成分、含水情况以及与隧道的关系;褶皱的性质、形态、地层的完整程度等;节理裂隙的组数、产状、间距、充填物、延伸长度、张开度及节理面特征,分析组合特征、判断岩体完整程度。
隧道地质素描记录
施工单位:合同号:
监理单位:编号:xx-236-□- □□
编
里程桩号
号
1掌子面尺寸
开挖开挖开挖
宽度(m)高度( m)面积(m2)
2掌子面状态稳定正面掉块正面挤压
3毛开挖面状
自稳随时松弛、掉块
自稳困难要态及时支护
4地层岩性□□ - □□□□□□
开挖
其它:方式
正面不能稳其它:
要超前支护其它:
5风化程度微风化弱风化强风化全风化其它:
6节理(裂隙)
1 ~
2 2 ~
3 3 ~ 5> 5其它:密度(条 / 米)
7节理(裂隙)
< 1 1 ~ 3 3 ~ 5> 5其它:
张开度( mm)
节理(裂隙)
充填物:无充填
8紧闭微张张开宽张泥质岩屑状态
钙(硅)质9结构体形态随机、方形柱状层状、片理土砂状、细片状其它:
10涌水状态无水渗水整体湿润涌出或喷出特别大洞内(已支护
11段)外观察情
况
左壁底板右壁
附
图
1:2001:400
填表:审核:日期:年月日。