TBQZ系列智能气体涡轮流量计
- 格式:ppt
- 大小:4.86 MB
- 文档页数:57
气体涡轮流量计K-qv曲线特性研究陈文琳;刘敦利【摘要】通过对1台DN80气体涡轮流量计在1m3/h~1.5qmax流量范围内进行实验,得出气体涡轮流量计的仪表系数K与流量qv之间的特性曲线,表明在0.8qmin以下仪表系数不稳定,流量计超差;在qmax~1.5qmax范围内仪表系数稳定性最好,流量计准确度最高.由此说明实验所选型号的气体涡轮流量计,仪表系数在标称流量范围以外仍有可能满足计量要求,特别是大于标称流量上限后仪表系数仍然稳定,在学术研究领域扩展了思路,也为选型应用提供了借鉴的经验.【期刊名称】《石油工业技术监督》【年(卷),期】2014(030)007【总页数】3页(P39-40,55)【关键词】气体涡轮流量计;仪表系数;流量;特性曲线;标称流量【作者】陈文琳;刘敦利【作者单位】新疆维吾尔自治区计量测试研究院,新疆乌鲁木齐830011;新疆维吾尔自治区计量测试研究院,新疆乌鲁木齐830011【正文语种】中文气体涡轮流量计具有精度高、测量范围宽、重复性好、压力损失小、耐高压、多种显示方式、安装维修方便、耐腐蚀等优点[1],已被广泛应用于天然气贸易结算计量,甚至还作为量值传递的标准仪表[2]。
根据其计量原理,流量计的传感器应有一个经标准装置检定给出的仪表系数,其精度和流量范围必须满足流量计技术规范的要求,正确的仪表系数值是保证流量计计量精度的最基本保证。
在理想状态下,也就是假定涡轮处于匀速运动的平衡状态,机械摩擦阻力矩和流体阻力矩都足够小甚至可以忽略不计的状态,仪表系数与流量的关系为(1)式[3]:式中:f为脉冲频率;qv为流体体积流量;Z为涡轮叶片数;θ为叶片结构角;A为流通截面积;r为叶片平均半径。
可见,理想特性仅与涡轮流量计的结构参数有关,与流体的流动状况无关,仪表系数为一个常数,在K-qv图上为一平行于横轴的直线。
在已报道的很多文献及书籍中,作者都通过建立数学模型来对气体涡轮流量计的工作特性进行较为详细地分析与描述[1,3-4]。
TBQZⅡ/TBQZ/TBQ型气体涡轮流量计一、概述TBQZⅡ/TBQZ/TBQ型为不带机械计数器的两大系列气体涡轮流量计,因配置流量积算仪型号不同,分TBQ型气体涡轮流量计和TBQZ型智能气体涡轮流量计。
其工作原理是:当气流进入流量计时,首先经过特殊结构的整流器并加速,在流体的作用下,涡轮克服阻力矩和磨擦力矩开始转动。
当力矩达到平衡时,转速稳定,涡轮的转速与气体流量成正比,并通过旋转的发讯盘上的磁体周期性地改变传感器磁阻,从而传感器输出与流体成正比的脉冲信号。
TBQ型直接显示工况流量和体积总量;TBQZ型和TBQZⅡ型流量计带温度、压力修正功能,将工况流量和体积总量直接转换成标准状态下的流量和总量。
流量计采用功能强大的新型微处理器,运算精确度高,性能可靠,微功耗,内外电源自动切换工作,锂电池供电可使用五年以上。
产品主要性能指标达到国际先进水平,是石油、化工、电力、冶金工业与民用锅炉等燃气计量和城市天然气、燃气调压站计量及燃气贸易计量的理想仪表。
当TBQZⅡ型配置TFC型修正仪时,可实现GPRS 或短程无线数据传输,组网方便。
产品主要性能参数符合GB/T1894-2003/ISO9951:1993标准,产品荣获国家级新产品称号。
产品执行国家检定规程JJG 1037-2008《涡轮流量计检定规程》和企业标准Q/TX11-2008《气体涡轮流量计》。
(照片)TBQ TBQZ TBQZIITBQZII-TFC-B TBQZII-TFC-G二、特点●采用德国进口仪表专用精密轴承,准确度高,稳定性好,范围度宽(20:1)。
●精心设计的流道结构,避免了气流在轴承间的流动,提高了涡轮流量计的介质适应性。
●独特的反推结构和密封结构设计,确保轴承长期可靠运行。
●采用新型检测元件来代替磁敏感线圈,既避免了磁吸力的存在,且提高了检测灵敏度,进一步降低了始动流量,并提高了产品的稳定性和可靠性。
●独立式机芯设计,互换性好、维护方便。
详细阐述TZ93-TBQZ系列智能气体涡轮流量计气体涡轮流量计因配置流量积算仪型号不同,有两大系列产品,即TZ93-TBQ系列智能气体涡轮流量计和TZ93-TBQZ系列智能气体涡轮流量计。
TBQ系列直接显示工况流量和累积量;TZ93-TBQZ系列流量计考虑到气体的可压缩性,体积量与介质的温度、压力密切相关,所以该系列产品增加了温度、压力传感器,跟踪介质的温度和压力变化,将工况流量直接转换成标准状态下的流量。
可广泛用于贸易计量。
流量计采用功能强大的新型微处理器,运算精确度高,性能可靠,微功耗,内外电源自动切换工作。
锂电池供电可使用五年以上。
采用E2PROM技术,累积量、仪表参数和多种历史数据记录均可长期保存,功能强大,输出接口齐全,可满足用户的多种需要。
本系列产品主要性能指标符合ISO9951国际标准,产品荣获国家级新产品称号。
本系列产品执行国家JJGl98—1994《速度式流量计检定规程》和Q/ZTX 11-2004《气体涡轮流量计》产品企业标准。
◆产品特点:1、精心设计的流道结构,避免了气流在轴承间的流动,提高了涡轮流量计的介质适应性。
2、独特的反推结构和密封结构设计,确保轴承长期可靠运行。
3、独立式机芯设计,互换性好、维护方便。
4、设计有性能优良的整流器,前后直管段要求很低(前≥2DN,后≥1DN)。
5、表头可180°自由旋转。
6、TZ93-TBQZ系列系列流量计采用四通阀门设计,便于压力保护和在线对压力精度进行调校。
技术参数:1、城市天然气计量2、输配气管网天然气计量3、石油、化工、电力工业与民用锅炉等燃气计量4、燃气调压站计量5、流量范围:600m3/h,通径DN150mm6、压力范围:0--1.6Mpa(其它压力按用户要求)7、介质温度:-20℃--+80℃8、环境温度:-30℃--+60℃9、防爆等级:ExdIIBT4 ExiaIICT4(TBQZ)10、防护等级:IP65。
HLQZ型系列气体智能罗茨流量计1 概述HLQZ型系列智能气体罗茨流量计是我公司向用户提供的一种高精度、高可靠性的精密计量仪表,以其精度高、量程范围宽、体积小、重量轻、安装维修方便、使用可靠及耐久的使用寿命等特点,广泛应用于天然气、煤制气、惰性气体、空气等气体的流量计量,是国内外城市燃气、石油、化工、电力、冶金、科学研究等行业气体计量的理想配套仪表。
HLQZ系列智能罗茨流量计具有优良的低压和高压计量性能,特别适用于测量大流量气体尤其是天然气等气体的精确计量,根据用户的不同需求,我公司可提供不同精度等级、不同性能的罗茨流量计。
2 主要特征2.1 流通能力大,压损小,精度高,重复性好,量程比宽;2.2 转子、壳体经特殊表面处理,硬度高,不会轻易卡表;2.3严格的动平衡测试,确保产品的稳定性和使用寿命;2.4 使用自润滑轴承和不锈钢加油轴承,可满足客户的不同需求;2.5 流量计的智能体积修正仪可自由转动约340°,在各种安装方式下都可方便读数;2.6 采用先进的微电子技术与高性能CPU,功能强大,性能优越。
电路系统为微功耗设计,内置电池可长期供电运行,也可由外电源供电运行;2.7 集高精度温度、压力、流量传感器于一体,可检测被测气体的温度、压力和流量,并进行流量自动跟踪补偿和压缩因子的修正运算;2.8 采用液晶显示器,可显示标准累计流量、标准体积流量、工况体积流量、介质温度、压力值和电池容量百分值,并带有中英文提示符号;2.9 具有三种历史数据记录:启停记录、状态记录、日记录。
方便用户统计各种数据;2.10 具有实时数据存储功能,可防止更换电池或突然掉电时数据丢失。
在停电状态下,内部参数、历史数据记录可永久性保存;2.11 通过RS-485接口和上位机进行通讯,便于数据的集中采集和实时管理;2.12 按流量频率信号,可将仪表系数分五段自动进行线性修正,具备故障自诊断和报警功能;2.13 仪表具有防爆功能,防爆标志为ExibⅡCT4。
TBQZ / TBQZⅡ型气体涡轮流量计1、概述产品集气体涡轮流量传感器和体积修正仪于一体,能直接检测显示工况体积流量、标准体积流量和总量。
其工作原理是:当气流进入流量计时,首先经过特殊结构的整流器并加速,在流体的作用下,涡轮克服阻力矩和磨擦力矩开始转动。
当力矩达到平衡时,转速稳定,涡轮的转速与气体流量成正比,并通过旋转的发讯盘上的磁体周期性地改变磁场,从而使脉冲发生器输出频率与流速成正比的脉冲信号。
体积修正仪中的微处理器对脉冲信号进行计数和计算处理得到工况流量,同时检测介质的温度和压力,按体积修正模型将工况体积流量转换为标准体积流量并进行累积得到标准体积总量。
流量计采用功能强大的新型微处理器,运算精确度高,性能可靠,微功耗,内外电源自动切换工作,锂电池供电可使用五年以上。
产品主要性能指标达到国际先进水平,是石油、化工、电力、冶金工业与民用锅炉等燃气计量和城市天然气、燃气调压站计量及燃气贸易计量的理想仪表。
TBQZⅡ型是TBQZ型的改进型产品,当TBQZⅡ型配置TFC型修正仪时,可实现GPRS或短程无线数据传输,组网方便。
产品主要性能参数符合GB/T1894-2003/ISO9951:1993标准,产品荣获国家级新产品称号。
产品执行国家检定规程JJG 1037-2008《涡轮流量计检定规程》和企业标准Q/TX11-2010《气体涡轮流量计》。
TBQZ TBQZIITBQZII-TFC-B TBQZII-TFC-G图1 外观图2、 特点z集数字温度传感器、压力、流量传感器和体积修正仪于一体,可对被测气体温度、压力和压缩因子自动跟踪修正,直接计量气体的标准体积流量和总量。
z数字温度和压力传感器外置,并以I2C接口与修正仪进行数据通信,测量精度与修正仪无关,同规格直接互换,并带三通阀门和保护套,可对传感器进行在线拆卸、更换和检定,使用方便。
z数字压力传感器在-15℃~+65℃下进行调试,传感器内置数字温度芯片和温度修正表格,测量精度高,温漂小。
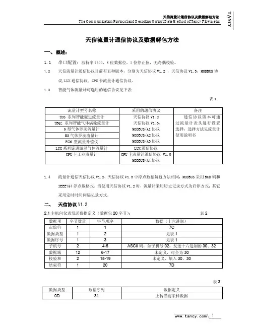
天信流量计通信协议及数据解包方法一、概述:1.1串口配置:波特率9600,8位数据位,1位停止位,无奇偶校验。
1.2天信流量计通信协议目前有五种版本,分别为天信协议V1.2 ,天信协议V1.3,MODBUS 协议,LUX 通信协议, CPU 卡流量计通信协议。
1.3 智能气体流量计可选用的通信协议见下表表11.4流量计通信天信协议V1.2、天信协议V1.3中浮点数据解包方法相同,MODBUS 采用BCD 码和IEEE754浮点数格式。
当使用天信协议V1.2时,流量计采用历史记录方式为启停方式;其它采用定时时间间隔记录方式。
二、 天信协议V1.22.1主机向仪表发送数据定义(数据包20字节): 表2 数据项 字节数量字节顺序数据(十六进制)起始符 1 1 7C 数据类型 1 2 见表1 数据序号 1 3 见表1子机号 2 4-5 ASCII 码,如子机号02,发送十六进制的30、32数据域 12 6-17 未定义,可全为30 校验和 2 18-19 未定义,填入30、30结束符1207D表3数据类型 数据序列 数据定义 0D 31上传当前采样数据流量计型号名称 采用的通信协议 备注TDS 系列智能旋进流量计 TBQZ 系列智能气体涡轮流量计G 型气体罗茨流量计 B3气体罗茨流量计 FCM 型流量补偿仪 天信协议V1.2 天信协议V1.3, MODBUS/A1协议 MODBUS/A2协议 MODBUS/A3协议 通信协议版本可通过流量计表头进行设置选择,选择方法见流量计使用说明书LUX 系列旋进漩涡气体流量计LUX 通信协议CPU 卡工业流量计CPU 卡流量计通信协议 V1.0MODBUS/A4协议2.2仪表向主机回送数据定义:表4数据项字节数量字节顺序数据(十六进制)起始符 1 1 7C子机号 2 2-3 ASCII码,如子机号02,发送十六进制的30、32 数据序列 1 4 见表1数据域见表2 见表2 见表2校验和 2 未启用,填入30、30结束符 1 7D表5 上传数据定义字节数量字节顺序数据(十六进制)备注5-12 当前流量浮点数格式13-24 总量14-17为BCD码18-25为浮点数格式25-32 温度浮点数格式33-40 压力浮点数格式41-48 工况瞬时流量浮点数格式当前数据4649-50 FLAG标志(未定义)2.3 举例:设仪表表头的通信地址(默认子机号)为02当前显示为:总量8700标况30.93 工况30.97温度20.0 压力101.19上传当前参数主机发送的数据:7C 0D 31 30 32 30 30 30 30 30 30 30 30 30 30 30 30 30 30 7D主机接受的数据:7C 30 32 31 30 35 37 3B 3B 3D 30 30 30 30 30 30 30 3E 34 33 3F 38 30 31 30 35 3530 30 30 30 30 30 37 36 35 32 3F 38 30 30 35 37 3B 3E 39 38 30 30 30 30 30 7D其中:7C ;起始位30 32 ;仪表子机号31 ;数据序列30 35 37 3B 3B 3D 30 30 ;瞬时流量,浮点数为057BBD00,解包后十进制数为30.935浮点数解包方法见下面所述。
智能气体涡轮流量计使用说明书目录一、概述 (1)二、主要特征 (1)三、技术性能 (1)四、选型与安装 (3)五、安装注意事项 (7)注意!●安装使用前,请仔细阅读本说明书理解各项内容,以便能正确的安装、电路连接、运行操作和保养维护等。
●本说明书应保存在实际最终使用人的手中。
●本说明书保存到流量计报废为止。
●本产品技术规范可能发生变化,恕不另行通知。
一、概述LWQ型气体涡轮流量计是一种精确测量气体流量的速度式流量仪表,具有结构简单轻巧、计量精度高、重复性好、测量范围宽、安装维修方便等优点。
广泛应用于石油、化工、冶金、航空、科研等部门及工业领域中多种气体,如天然气、城市煤气、丙烷、丁烷、空气、氮气等气体的测量。
由于仪表精度高、重复性好,故适用于贸易计量及工业过程检测。
气体涡轮流量计在线测量时,其介质密度随温度和压力变化而变化,为精确测量,必须同时跟踪检测介质的温度和压力,并将不同工况下的体积流量换算成标准状态或约定状态下的体积流量。
由于该型流量计集温度、压力、流量传感器于一体,在线跟踪检测介质温度和压力并进行自动补偿、压缩因子修正运算,因此具有优良的低压和高压计量性能,特别适用于各种单相气体的测量,如天然气等气体的精确计量。
根据用户的不同要求,共公司客提供不同精度等级的涡轮流量计。
二、主要特征a)精度高、重复性好、压力损失小、抗震性能好;b)采用优质轴承,摩擦阻力小,密封性好,手名称;c)集微处理器、流量传感器、高精度温度、压力传感器于一体,直接测量被测气体的流量、温度、压力,并自动进行流量跟踪补偿和压缩因子修正运算;d)仪表具有脉冲信号、模拟信号输出,可通过RS485通讯接口或采用GPRS系统,直接实现计算机数据的集中采集和实时管理;e)功耗低,可用内电池供电,也可外接电源;f)具有实时数据存储功能,可防止更换电池或突然掉电时数据丢失,在停电状态下,内部数据可永久保存;g)可与IC卡预付费系统配套使用,便于贸易结算;h)防爆产品其防爆标志位ExibIIBT4,ExibIIBT6三、技术性能3.1执行标准GB/T18940-2003《封闭管道中气体流量的测量涡轮流量计》3.2精度等级1.0级:Qmax-0.2max±1.0%0.2Qmax-min±2.0%1.5级:Qmax-0.2max±1.5%0.2Qmax-min±3.0%未特殊注明产品,按照1.5级精度出厂,其余精度,订货时,需要特殊说明定制。
最近,一个偶然的机会,接到了一个调试流量计的活,目标是两台涡轮流量计,一台天信的TBQZ,另一台是苍南的LWQZ。
这两种表,对于我来说都不陌生,经常在一些天然气的场站里见到,而且两年前还亲手做过这两种表和s7200的通讯。
当时给我的感觉就是挺费劲的(清楚记得带电接了一台天信的表,24v+刚插入端子,眼看着主板就冒烟了,幸而现地显示还正常,通信是没法做了,-_-!),由于当时第一次接触类似的流量计,光研究怎么设置和能不能通讯的问题,就用了一两天,打了很多电话,流量计后盖拆到手软(螺丝很多,注:需要4个的内六角)。
好不容易数据上来了,却是一堆45CAH之类的数(当时真的很菜)。
你承诺的担架呢?浮点数呢!?还得自己计算?呵呵就这样在原计划第二天就要返回400公里以外的家乡上班的情况下,我又坐了回去,(题外话:简直没有办法集中精神,这个旅馆的隔音效果太差,隔壁好销魂)点开那些看了就想骂人的说明书和协议(其实现在想想还好,至少是中文的),又用了一天,终于完成。
所以,这次来之前我是很有信心的,想着一天搞定的,可事实是又用了两天。
究其原因,主要还是很多细节忘了。
为保证这样问题尽可能不再发生,我决定还是写点什么,记录一下。
如能偶然帮到某位同行,缩短他与家人离别的时日,鄙人甚感欣慰。
以上皆属废话,可以不看,重点在下面。
本次调试是基于AB1756冗余系统的,MODBUS模块是PROSOFT的MVI56-MCMPLC方面的问题不是本次重点,我会另外写一篇与大家分享,在此不做赘述。
有问题的话可以把右上角的16进制数转成10进制,大家一起讨论。
天信TBQZ设置:INC+SET密码:0168(按的不正确也会进入某个页面)改nod地址rec 历史记录改为5即modbus-rtu96008n1命令:起始地址2长度11功能码3内部地址:总量40002~40004标况瞬时40005~40006工况瞬时40007~40008温度4000940010压力40011~40012解码:1、把读上来的每个字节按16进制显示2、把40001~40011每个字节用BCD命令转成10进制数(转换后10进制显示应与步骤1的显示数值相等)存在一个数组里,如INT[0]~INT[10]3、分别运算总量=INT[0]*1000000+INT[1]*100+INT[2]/100标况瞬时=INT[3]*100+INT[4]/100工况瞬时=INT[5]*100+INT[6]/100If INT[7]=0THEN温度=INT[8]/100ELSE温度=-INT[8]/100压力=INT[9]*100+INT[10]/100实例:rec历史记录改为4交换浮点数40004总量40006标瞬40008工瞬40010温度40012压力苍南LWQZ设置:SET密码:8888(从右到左4位)SET改COD为0(无校验)改CDR (从站地址)即modbus-rtu96008n1命令:起始地址5长度12功能码3内部地址:总量40005~40008工况瞬时40009~40010标况瞬时40011~40012温度40013~40014压力40015~40016解码:1、把读上来的每个字节存在一个数组里,如INT[0]~INT[11]3、分别运算总量=INT[1]*65536+INT[2]+INT[3]/65536工况瞬时=INT[4]*255+INT[5]/255标况瞬时=INT[6]*255+INT[7]/255温度=INT[9]/255压力=INT[10]*255+INT[11]/255实例:总量:121+19502/65536=121.29757标况瞬时:0工况瞬时:0温度:9298/255=36.46压力:10*255+9478=2587.1686。
TBQZ系列智能气体涡轮流量计立项投资融资项目可行性研究报告(典型案例〃仅供参考)广州中撰企业投资咨询有限公司地址:中国〃广州目录第一章TBQZ系列智能气体涡轮流量计项目概论 (1)一、TBQZ系列智能气体涡轮流量计项目名称及承办单位 (1)二、TBQZ系列智能气体涡轮流量计项目可行性研究报告委托编制单位 (1)三、可行性研究的目的 (1)四、可行性研究报告编制依据原则和范围 (2)(一)项目可行性报告编制依据 (2)(二)可行性研究报告编制原则 (2)(三)可行性研究报告编制范围 (4)五、研究的主要过程 (5)六、TBQZ系列智能气体涡轮流量计产品方案及建设规模 (6)七、TBQZ系列智能气体涡轮流量计项目总投资估算 (6)八、工艺技术装备方案的选择 (6)九、项目实施进度建议 (6)十、研究结论 (7)十一、TBQZ系列智能气体涡轮流量计项目主要经济技术指标 (9)项目主要经济技术指标一览表 (9)第二章TBQZ系列智能气体涡轮流量计产品说明 (15)第三章TBQZ系列智能气体涡轮流量计项目市场分析预测 (15)第四章项目选址科学性分析 (15)一、厂址的选择原则 (15)二、厂址选择方案 (16)四、选址用地权属性质类别及占地面积 (17)五、项目用地利用指标 (17)项目占地及建筑工程投资一览表 (17)六、项目选址综合评价 (18)第五章项目建设内容与建设规模 (19)一、建设内容 (19)(一)土建工程 (20)(二)设备购臵 (20)二、建设规模 (20)第六章原辅材料供应及基本生产条件 (21)一、原辅材料供应条件 (21)(一)主要原辅材料供应 (21)(二)原辅材料来源 (21)原辅材料及能源供应情况一览表 (21)二、基本生产条件 (23)第七章工程技术方案 (24)一、工艺技术方案的选用原则 (24)二、工艺技术方案 (25)(一)工艺技术来源及特点 (25)(二)技术保障措施 (25)(三)产品生产工艺流程 (25)TBQZ系列智能气体涡轮流量计生产工艺流程示意简图 (26)三、设备的选择 (26)(一)设备配臵原则 (26)(二)设备配臵方案 (27)主要设备投资明细表 (28)第八章环境保护 (28)一、环境保护设计依据 (29)二、污染物的来源 (30)(一)TBQZ系列智能气体涡轮流量计项目建设期污染源 (30)(二)TBQZ系列智能气体涡轮流量计项目运营期污染源 (31)三、污染物的治理 (31)(一)项目施工期环境影响简要分析及治理措施 (31)1、施工期大气环境影响分析和防治对策 (32)2、施工期水环境影响分析和防治对策 (35)3、施工期固体废弃物环境影响分析和防治对策 (37)4、施工期噪声环境影响分析和防治对策 (38)5、施工建议及要求 (39)施工期间主要污染物产生及预计排放情况一览表 (41)(二)项目营运期环境影响分析及治理措施 (42)1、废水的治理 (42)办公及生活废水处理流程图 (42)生活及办公废水治理效果比较一览表 (43)生活及办公废水治理效果一览表 (43)2、固体废弃物的治理措施及排放分析 (43)3、噪声治理措施及排放分析 (45)主要噪声源治理情况一览表 (46)四、环境保护投资分析 (46)(一)环境保护设施投资 (46)(二)环境效益分析 (47)五、厂区绿化工程 (47)六、清洁生产 (48)七、环境保护结论 (48)施工期主要污染物产生、排放及预期效果一览表 (50)第九章项目节能分析 (51)一、项目建设的节能原则 (51)二、设计依据及用能标准 (51)(一)节能政策依据 (51)(二)国家及省、市节能目标 (52)(三)行业标准、规范、技术规定和技术指导 (53)三、项目节能背景分析 (53)四、项目能源消耗种类和数量分析 (55)(一)主要耗能装臵及能耗种类和数量 (55)1、主要耗能装臵 (55)2、主要能耗种类及数量 (55)项目综合用能测算一览表 (56)(二)单位产品能耗指标测算 (56)单位能耗估算一览表 (57)五、项目用能品种选择的可靠性分析 (58)六、工艺设备节能措施 (58)七、电力节能措施 (59)八、节水措施 (60)九、项目运营期节能原则 (60)十、运营期主要节能措施 (61)十一、能源管理 (62)(一)管理组织和制度 (62)(二)能源计量管理 (62)十二、节能建议及效果分析 (63)(一)节能建议 (63)(二)节能效果分析 (64)第十章组织机构工作制度和劳动定员 (64)一、组织机构 (64)二、工作制度 (64)三、劳动定员 (65)四、人员培训 (66)(一)人员技术水平与要求 (66)(二)培训规划建议 (66)第十一章TBQZ系列智能气体涡轮流量计项目投资估算与资金筹措 (67)一、投资估算依据和说明 (67)(一)编制依据 (67)(二)投资费用分析 (69)(三)工程建设投资(固定资产)投资 (69)1、设备投资估算 (69)2、土建投资估算 (69)3、其它费用 (70)4、工程建设投资(固定资产)投资 (70)固定资产投资估算表 (70)5、铺底流动资金估算 (71)铺底流动资金估算一览表 (71)6、TBQZ系列智能气体涡轮流量计项目总投资估算 (72)总投资构成分析一览表 (72)二、资金筹措 (72)投资计划与资金筹措表 (73)三、TBQZ系列智能气体涡轮流量计项目资金使用计划 (74)资金使用计划与运用表 (74)第十二章经济评价 (75)一、经济评价的依据和范围 (75)二、基础数据与参数选取 (75)三、财务效益与费用估算 (76)(一)销售收入估算 (76)产品销售收入及税金估算一览表 (76)(二)综合总成本估算 (77)综合总成本费用估算表 (77)(三)利润总额估算 (78)(四)所得税及税后利润 (78)(五)项目投资收益率测算 (78)项目综合损益表 (79)四、财务分析 (80)财务现金流量表(全部投资) (82)财务现金流量表(固定投资) (83)五、不确定性分析 (84)盈亏平衡分析表 (85)六、敏感性分析 (86)单因素敏感性分析表 (87)第十三章TBQZ系列智能气体涡轮流量计项目综合评价 (87)第一章项目概论一、项目名称及承办单位1、项目名称:TBQZ系列智能气体涡轮流量计投资建设项目2、项目建设性质:新建3、项目承办单位:广州中撰企业投资咨询有限公司4、企业类型:有限责任公司5、注册资金:100万元人民币二、项目可行性研究报告委托编制单位1、编制单位:广州中撰企业投资咨询有限公司三、可行性研究的目的本可行性研究报告对该TBQZ系列智能气体涡轮流量计项目所涉及的主要问题,例如:资源条件、原辅材料、燃料和动力的供应、交通运输条件、建厂规模、投资规模、生产工艺和设备选型、产品类别、项目节能技术和措施、环境影响评价和劳动卫生保障等,从技术、经济和环境保护等多个方面进行较为详细的调查研究。
涡轮流量计(气体)仪表系数测量结果的不确定度评定Turbine flow meter coefficient (gas) the uncertainty of measurement results isevaluated张奇 高继实(新疆独山子石化公司计量检测中心,新疆 克拉玛依 独山子 833600)摘要:本文就本所使用的不确定度U =0.3% k =2音速喷嘴法气体流量标准装置,JJG1037-2008《涡轮流量计检定规程》的要求,按照JJF1059《测量不确定度评定与表示》技术规范的要求,对气体涡轮流量计的仪表系数测量结果的不确定度进行评定。
关键词:涡轮流量计;不确定度1、概述1.1 测量依据:JJG1037-2008《涡轮流量计检定规程》 1.2 环境条件:温度:(5~35)℃,大气相对湿度为(45~85)% ,大气压力为(86~106)kPa 1.3 测量标准:音速喷嘴法气体流量标准装置的不确定度U =0.3% k =2 ,测量范围:(5~4000)m 3/h,检定介质空气;;1.4 被测对象:TBQZ-150BI2涡轮流量计(DN150),编号:11075063 准确度等级1.5级1.5 测量过程:将被检流量计与音速喷嘴法气体流量标准装置串联,在规定的环境条件下,按JJG1037-2008《涡轮流量计检定规程》检定,以空气为介质,根据被检流量计的流量,选择音速喷嘴。
将在第i 点第j 次测得的被检流量计脉冲信号与标准气体流量装置在该点该次测得的标准体积流量之比作为第i 点第j 次测量的仪表系数。
1.6 评定结果的使用,在符合上述条件下的测量结果,可直接用于本不确定度的评定结果。
对于其它流量计可根据流量计的类型和测量范围,可采用本不确定度的评定方法给出相应的评定结果。
2、建立数学模型 2.1数学模型ij ij ijN K =V (1)式中ij K —— 第i 检定点第j 次检定的系数;ij N —— 第i 检定点第j 次检定时流量计显示仪表测得的脉冲数; ij V —— 第i 检定点第j 次检定时测得的标准器处流体标准体积。