01-IIIa级围岩初期支护技术交底
- 格式:doc
- 大小:229.53 KB
- 文档页数:4
Ⅲ级围岩初期支护技术交底1、适用范围Ⅲ级围岩开挖断面共648米,里程分两段ZK27+669—ZK27+580,ZK27+540—ZK27+035,ZK26+941—ZK27+892。
2、主要施工方法喷射砼采用湿喷方式,喷射厚度Ⅳ类为12CM,系统锚杆为Φ22mm早强砂浆锚杆,L=2.5M,Ⅳ类间距为120CM,Ⅳ类钢筋网Φ6.5mm,间距为25×25CM。
喷射砼采用湿喷方式,喷射过程中掺入一定量的速凝剂,以提高喷射砼的早期强度。
3、施工图纸O112692581391968334010324033行车道中线隧道中线1178Ⅲ级围岩初期支护断面图4、质量要求4、1.每一开挖面施工现场,承包人应始终最少拥有一台可正常操作的喷浆机组,在使用前应经检查并批准。
承包人还应有备用设备,当出现故障时,能立即投入使用。
4、2.喷射砼须先选定配合比,并应通过试验合格和监理的认可后,方可投入施工。
施工中,喷射砼配料严格按照配合比进行。
4、3.喷射混凝土前,应埋设标志或利用锚杆外露长度以控制喷射砼的厚度。
4、4.喷射作业区的气温不应低于+5℃,混合料进入喷射机的温度不应低于+5℃。
4、5.混凝土喷射作业要求:1)、隧道开挖后应立即对岩面喷射砼,以防岩体发生松弛。
2)、按施工前试验所取得的方法与条件进行喷射砼作业,在喷射砼达到初凝后方能喷射下一层。
首次喷射混凝土的厚度应分层喷射,喷射砼厚度应用获准的方式测定。
在隧道全长内每隔10~20至少要取一处试件,从拱中心向两侧边墙每2米取样用以确定强度是否符合要求,取样时要注意不要在有水的部位取样。
3)、喷射砼的回弹物不得重复利用,所有的回弹砼应从工作面清除。
4)、当受喷应与受喷面保持垂直,同时与受喷面保持一定的距离,一般可取0.6~1.0米。
5)、开挖断面周边有金属杆件和钢支撑时,应保证将其背面喷射填满,粘结良好。
6)、新喷射的砼应按规定洒水养护。
4、6.钢架支护1)、钢架支护的设计与制造应符合《钢结构工程施工及验收规范》(GB50205-95)的要求。
初期支护技术交底第一章编制依据1、《公路隧道施工技术规范》JTG B60—20092、《公路工程质量检验评定标准》JTG F80/1-20043、《锚杆喷射混凝土支护技术规范》GB 50086—20014、《公路工程施工安全技术规程》JTJ076-955、本标段施工招标文件、技术设计图纸、设计说明等6、国家的法律、法规及地方有关施工安全、工地保安、人员健康、劳动保护、土地使用与管理、环境保护与文明施工方面的具体规定和技术标准。
第二章工程简介及技术要求本交底编制范围为林长高速06标段隧道工程,包括尖庄隧道、摩寺迪隧道、和白家庄隧道,本标段双线隧道工程总计860.5m/3座(长度按整幅计、半幅折算),隧道限界高度为5m、限界宽度为10.25m,洞内围岩类型主要为Ⅲ级、Ⅳ级及Ⅴ级围岩。
地质情况为石英砂岩,岩质破碎,水平夹层多,层间节理与竖向裂隙发育呈块状镶嵌结构.全隧采用锚喷支护、复合式衬砌。
尖庄隧道工程,起讫里程为左线ZK32+670~ZK32+838,全长168m;右线YK32+800~YK32+935,全长135m。
摩寺迪隧道工程,起讫里程为左线ZK34+260~ZK34+672,全长412m;右线YK34+336~YK34+606,全长270m。
白家庄隧道工程,起讫里程为左线ZK34+930~ZK35+268,全长338m;右线YK34+970~YK35+362,全长392m。
隧道按新奥法施工,Ⅲ级围岩地段采用全断面法开挖,Ⅳ级围岩地段采用台阶法开挖,Ⅴ级围岩地段采用台阶法中间预留核心土法施工。
采用湿式风枪钻孔,光面爆破,非电毫秒雷管网络起爆;装载机装碴,自卸汽车运输;湿喷机喷射砼支护。
本隧道衬砌支护参数表如下第三章总体操作细则第一节开挖超前支护1超前小导管施工围岩等级为Ⅴq型,围岩破碎、自稳能力差,根据施工图纸要求,设计采用拱部Ф42超前小导管。
超前小导管施工应符合下列规定:1。
1 超前小导管沿隧道拱部均应布置,环向间距35cm、每环47根.1.2 用YT-28 风钻开孔,钻机以10°—15°外插角钻孔完成1。
安全技术交底书
交底单位:中国铁建二十一局集团丽香铁路项目经理部
主送单位架子六队工程名称美全隧道
交底内容:
初期支护
1、施工期间,应对支护的工作状态进行定期和不定期的检查,在不良地质地段应由专人每班检查,当发现支护变形或损坏时,应立即修整加固。
2、构件支撑的立柱不得置于虚碴和活动石块上,在软弱围岩地段,立柱底面应加设垫板或垫梁。
3、暂停施工时"应将支护直抵开挖面。
正洞与辅助坑道的连接处,应加强支护。
4、喷锚支护应符合下列规定:
4.1、在碴堆上作业时,应避免踩踏活动的岩块;
4.2、在梯、架上作业时,安置应稳妥,应有专人监护。
4.3、清除开挖面上的松动岩体、开裂的喷混凝土时,人员不得处于被清除物的正下方。
4.4、作业中如发生风、水、输料管路堵塞或爆裂时,必须依次停止风、水、料的输送。
5、钢架及钢筋网的安装、作业人员之间应协调动作,在本排钢架或本片钢筋网未安装完毕,并与相邻的钢架和锚杆连接稳妥之前,不得擅自取消临时支撑。
6、对锚喷支护体系的监控量测中发现支护体系变形、开裂等险情时,应采取补救措施。
当险情危急时,应将人员撤出危险区。
交底:复核:审核:接收:日期:。
一、交底说明1. 交底目的:为了确保初期支护作业的安全,提高施工人员的安全意识和操作技能,特制定本安全技术交底。
2. 交底对象:所有参与初期支护作业的施工人员。
3. 交底内容:包括作业环境安全检查、操作规程、防护措施、应急处理等内容。
二、作业环境安全检查1. 进入工作面前,必须检查作业环境是否安全,确保无安全隐患。
2. 检查作业台车的安全设施是否符合相关要求,移动时不得载人,就位后应刹车,并经过计算,确保强度、刚度安全储备。
3. 检查围栏设置是否符合规定,操作平台应满铺,确保作业人员安全。
4. 作业人员必须服从现场负责人的统一安排,各班组长在施工前对作业人员进行安全技术交底及坚持班前安全讲话制度。
三、操作规程1. 不许穿拖鞋及赤膊上班,作业时根据作业要求佩戴好防护用品。
2. 必须按安全技术交底的程序进行作业,施工中发现问题及时报告现场领导。
3. 施工所用各种机具设备和劳动保护用品应定期进行检查和必要的验收,保证其经常处于良好状态。
不合格的机具设备和劳动保护用品严禁使用。
四、防护措施1. 专人负责安全防护监控,对四周围岩密切关注,发现异常情况立即组织施工人员撤离。
2. 隧道初期支护针对性交底:一、洞身锚杆施工。
施工前首先检查锚杆施工操作平台,确保平台稳固可靠。
3. 在进行锚杆钻孔、注浆、锚杆安装等作业时,必须遵守相关操作规程,确保施工安全。
五、应急处理1. 发现异常情况,立即停止作业,并向上级领导报告。
2. 根据事故情况,采取相应的应急措施,确保人员安全。
3. 事故发生后,立即启动应急预案,按照预案要求进行救援和处理。
六、交底签字1. 施工单位负责人、项目管理人员、施工人员对本交底内容进行签字确认。
2. 交底双方各执一份交底记录,作为施工过程中的安全依据。
初期支护作业安全技术交底模板旨在提高施工人员的安全意识和操作技能,确保初期支护作业的安全进行。
各施工人员应认真学习并严格遵守本交底内容,共同营造安全、有序的施工环境。
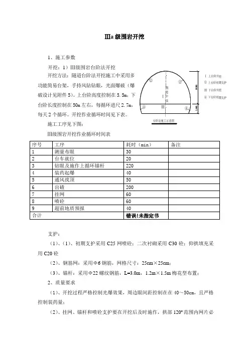
隧道中线160550台阶法施工示意图ⅠⅢ④②②④Ⅰ 上台阶开挖② 上台阶初期支护④ 下台阶初期支护Ⅲ 下台阶开挖Ⅲa 级围岩开挖1、施工参数开挖:1)Ⅲ级围岩台阶法开挖 开挖方法:隧道台阶法开挖施工中采用多功能简易台架,手持风钻钻眼,光面爆破(爆破设计见附件5)。
上台阶高度控制在5.5m ,下台阶长度控制在50m 左右,每循环进尺2.7m ,每天2个循环。
开挖作业循环时间见下表。
施工工序见下图:Ⅲ级围岩开挖作业循环时间表序号 工序耗时(min ) 备注 1 测量布眼 30 2 台车就位20 3 钻眼及施作上循环锚杆 220 4 装药起爆 40 5 通风找顶 50 6 出碴 200 7 挂网 60 8 喷砼60 9 超前地质预报40合计错误!未指定书支护:(1)、(1)、初期支护采用C25网喷砼;二次衬砌采用C30砼;仰拱填充采用C20砼(2)、钢筋网:采用Φ6钢筋,网格尺寸:25cm ×25cm ;(3)、锚杆:采用Φ22螺纹钢筋,L=3.0m ,1.2m ×1.5m 梅花型布置; 2、质量要求(1)、开挖过程严格控制光爆效果,周边眼间距控制在在40~50cm ,且严格控制装药量;(2)、挂网、锚杆和喷砼支护要在开挖后及时施作,拱部120o 范围内网片必须全部铺挂,且保证搭接不小于一个网格,边墙本着保证施工安全的原则铺挂;(3)、锚杆施工严格按照交底要求的环、纵间距布施,且保证锚杆安装的长度、方向及注浆密实度,保证锚杆质量满足要求。
(4)、软弱围岩地址地段,视情况加强支护措施,必要时立架,并及时上报。
3、安全要求作业人员在施工过程中要注意施工安全,注意施工用电线路的检查、高位物品的摆放以及特殊机械的操作等,做好防触电、防高空坠物伤人和机械伤人的措施,时刻提高安全意识,保证施工过程中不伤害他人、不伤害自己、不被他人伤害,确保施工安全有序进行。
安全技术交底记录交底单位:*标项目经理部
交底级别:三级交底交底编号
交底人:复核:
初期支护作业安全技术交底
一、交底范围
本交底适用于*标项目经理部管段内初期支护作业施工。
二、本工序存在的危险源
本工序作业中主要安全风险包括:找顶不彻底;围岩变形超限失稳、上一循环支护强度不足工作面坍塌;临时用电不符合要求、照明光照度不足;高空作业台(支)架失稳、安全防护失效;施工机具失稳及安全性能缺失、降低;空气污染;违章作业、管理缺失等。
三、交底内容
1.隧道支护每项工序施工前均应对作业面进行检查,清除松动的岩石和喷射混凝土块。
2.隧道初支施工作业面用电应符合临时用电的要求,其照明应采用36V以下安全电压。
3.支护作业现场施工机械、料物堆放、防尘设施布置应符合安全施工要求。
施工场地应平整,排水通畅,应做到文明施工。
4.加强作业区的通风、照明、采取防尘措施降低粉尘浓度。
5.机具设备应置于安全地段。
喷射机、灌浆机、水箱必须装置压力表和安全阀,定期进行耐压检测,合格方可使用。
6.突然断水或断料时,喷头应迅速移离受喷面。
7.发生堵管时,应尽快疏通。
处理堵管时喷嘴前严禁站人。
8.洞内污水须做到净化达标排放,保持机具的整洁,喷射作业完毕后应及时清洗。
安全技术交底记录资料编号:工程名称交底日期交底级别三级项目或工序名称初期支护施工交底人接受交底班组交底内容:初期支护施工安全技术交底一、安全要求:1、隧道各部开挖后,必须根据围岩情况、施工设计采取有效的支护。
2、施工期间,现场施工负责人应会同有关人员对支护各部定期进行检查。
在不良地质地段每班应设专人随时检查,当发现支护变形或损坏时,应立即整修和加固;当变形或损坏情况严重时,应先将施工人员撤离现场,再行加固。
3、洞内支护,宜随挖随支护,支护至开挖面的距离一般不得超过4m,如遇石质破碎、风化严重和土质隧道时,应尽量缩小支护工作面。
当短期停工时,应将支撑直抵工作面。
4、不得将支撑立柱置于废碴或活动的石头上。
软弱围岩地段的立柱应加设垫板或垫梁,并加木楔塞紧。
7、钢支架安装,宜选用小型机具进行吊装,并应遵守操作规程“起重吊装”的规定。
8、喷锚支护时,危石应先清除干净,脚手架应牢固可靠,喷射手应配戴防护用品;机械各部应完好正常,压力应保持在0.2MPa左右;注浆管喷嘴严禁对人放置。
9、当发现已喷锚区段的围岩有较大变形或锚杆失效时,应立即在该区段增设加强锚杆,其长度应不小于原锚杆长度的 1.5 倍。
如喷锚后发现围岩突变或围岩变形量超过设计允许值时,宜用钢支架支护。
10、当发现测量数据有不正常变化或突变,洞内或地表位移值大于允许位移值,洞内或地面出现裂缝以及喷层出现异常裂缝时,均应视为危险信号,必须立即通知作业人员撤离现场,待制定处理措施后才能继续施工。
二、事故应急处置措施1、事故应急的报告事故发生后,当事人或目击者要立即将情况向现场技术员、工班长汇报,也可拨打项目部安全科电话进行汇报(电话号码:)。
2、救援措施(1)当施工现场出现险情时,要立即停止作业,并将情况向现场技术员或工班长汇报,待险情排除后方可继续施工。
(2)发生事故时,要引导现场作业人员从安全的位置疏散。
(3)对受伤人员进行营救至安全地带。
(4)对受伤人员进行简易的抢救和包扎工作。
技术交底书交底编号:YGYN-4-3-工程名称施工部位III级围岩段施工单位交底日期天星隧道进口III级围岩开挖支护技术交底交底内容:1、技术交底范围本交底适用于XX隧道III级围岩段开挖及初期支护施工。
2、编制依据及设计情况2.1编制依据:(1) 云桂隧参04-01、04-07(2)《铁路隧道工程施工质量验收标准》(3)《铁路隧道工程施工安全技术规程》(4)《爆破安全规程》2.2设计参数:(1)III级A型复合衬砌(无砟),初期支护预留变形量为8cm。
采用台阶加法开挖,每循环进尺为3m。
(2)支护参数:a、拱墙喷12cm的C25素砼;拱墙设置钢筋网,采用HPB235钢筋,直径φ6,网格尺寸25×25cm,点焊连接,搭接长度1~2个网格。
b、拱部采用φ25中空锚杆(9.67根/延米),边墙采用φ22砂浆锚杆(4.96根/延米),各锚杆每根长均为3m,环向间距均为1.2m,纵向间距均为1.5m;锚杆用砂浆或水泥浆的强度等级均得不低于M20,且所有锚杆均设置垫板,垫板采用A3钢,尺寸为150mm×150mm×6mm。
3、施工的条件及施工准备工作3施工准备:(1)材料准备: HRBφ22带肋钢筋、HPBφ6钢筋、焊条、水泥、φ25组合中空锚杆、速凝剂、减水剂、粉煤灰、砂、碎石等(所有进场材料必须检验合格后方可使用)。
(2)施工机具:装载机、挖掘机、出渣车、工字钢弯曲机、喷浆机、钢筋切割机、钢筋调直机、交流电焊机以及常规的小型工具等。
4、施工方案及施工注意事项:4.1施工方案:(1)本段采用台阶法开挖,用浅眼小台阶爆破法及机械辅助开挖。
(2)施工工艺流程:a、爆破开挖上台阶→施作上台阶周边的初期支护:初喷混凝土,铺设钢筋网,并钻设径向锚杆复喷混泥土至设计厚度。
b、爆破开挖下台阶→施作边墙初期支护:初喷混凝土,铺设钢筋网,并钻设径向锚杆复喷混凝土至设计厚度。
c、弱爆破开挖仰拱。
技术交底记录
e、将锚杆插入注浆完的锚杆孔,锚杆插入的过程中砂浆被挤压溢出,说明砂浆饱满,密实度合格,注意锚杆要用力快速插入直达孔底,必要时用大锤打击,最后堵塞孔口。
如锚杆插入时没有砂浆溢出,必须用高压风或高压水将锚杆孔冲洗干净后再注浆。
(图一)
2. 钢筋网片安装
1)钢筋网在锚杆施作后安设,钢筋类型及网格间距按设计要求施作。
钢筋网根据被支护岩面的实际起伏状况铺设,并在初喷砼后进行,与与锚杆连接用细铁丝绑扎或点焊在一起,使钢筋网在喷射时不易晃动。
2)钢筋网安设时应注意:施作前,初喷4cm厚砼形成钢筋保护层;制作前进行校直、除锈及油污等,确保施工质量。
3)喷射中如有脱落的石块或被支护岩面间隙约4cm,钢筋网连接处,混凝土块被钢筋网卡住时,应及时清除。
钢筋网需预留下循环搭接长度1-2个网格长度。
3.喷射混凝土施工
喷射C25砼厚度不小于8cm。
1)掌握好喷嘴与岩面距离为0.8-1.2m,喷嘴与受喷面垂直,并微偏向刚喷射的部位。
对于岩面凹陷处先喷,凸出处后喷。
2)喷射时对受喷面作均匀的顺时针方向的螺旋移动,一圈压半圆的横向移动,螺旋直径为20cm-30cm。
3)喷射应分层,一次厚度不宜太厚或太薄,一般一次喷射4~6cm。
4)喷射砼应在终凝1~2h后洒水养护,养护时间大于7天。
编号:编号:技术交底记录编号:实用文档三.钢筋网1.设计参数:采用Φ6的钢筋网片。
网格间距:III级围岩,25cm*25cm,IV、V级围岩,20cm*20cm。
安装部位:拱墙。
2.钢筋网施工要符合以下要求:2.1.钢筋网片要按设计网格尺寸在加工场集中制作,钢筋网片考虑方便运输和安装,网片尺寸采用1.1m*1.5m。
2.2.钢筋网片要在喷射混凝土后铺挂,使其与喷射混凝土形成一体。
2.3.采用双层钢筋网时,第二层钢筋网要在第一层钢筋网被混凝土覆盖后铺设,其覆盖厚度不小于3m。
2.4.网格间距要符合要求,网格尺寸允许偏差±10mm。
钢筋网搭接长度为1~2个网格,允许偏差±50mm,要与锚杆或其他固定装置连接牢固。
2.5.钢筋保护层厚度不得小于2m。
四.钢架1.钢架施工安装:钢架施工工艺流程:施工准备→开挖面超欠挖处理→初喷混凝土→测定钢架位置→去除拱〔柱〕脚底浮渣→铺设钢筋网、架立钢架→安装纵向钢筋连接筋→安装质量检验〔合格〕→锚杆固定、打锁脚锚杆→喷混凝土→结束。
本隧道各段钢架支护情况说明见表1.1.钢架由A、E单元3个,B、C、D各2个,共12个单元组成,各单元由工20a工字钢、连接钢板焊接成型,钢架在现场预制,单元间由螺栓连接,钢架尽量减少接头个数,接头处焊缝要严格按照钢结构的有关要求进行。
〔图4-1〕图4-1.钢架组装示意图交底人签字:复核人签字:监理签字:日期:日期:日期:技术交底记录编号:工程名称吉图晖JSHI标三工区北茨沟隧道施工班组隧道队分项工程初期支护交底施工图号2.格栅钢架由A单元3个,2个B单元、2个C单元共7个单元组成,各单元由主筋、加强筋、连接角钢焊接成型、钢架宜现场预制,单元间由螺栓连接,边墙脚垫钢板,接头处焊缝应严格按照钢结构的有关要求进行。
施工过程中单元长度可根据施工工法做相应调整。
3.钢架在初喷4cm混凝土后架设,架设完毕后须立即喷混凝土。
〔图4-2〕图.4-24.相邻钢架间采用Φ22钢筋连接,环向间距1.0m,内外交错布置,防止拱墙坍塌。
初期支护施工技术交底一、喷射砼喷射混凝土采用湿喷工艺。
喷射混凝土在洞外拌和站集中拌和,由混凝土搅拌运输车运至作业地点,采用湿喷机进行喷射作业.在隧道开挖完成后,先初喷4cm厚混凝土封闭岩面,然后打设锚杆、架立钢架、挂钢筋网,复喷至设计厚度.喷射混凝土施工工艺流程见下图。
喷射混凝土施工工艺框图(一)喷射作业1、喷射操作程序应为:打开速凝剂辅助风→缓慢打开主风阀→启动速凝剂计量泵、主电机、振动器→向料斗加混凝土。
2、喷射混凝土作业应采用分段、分片、分层依次进行,喷射顺序应自下而上,分段长度不宜大于6m.喷射时先将低洼处大致喷平,再自下而上顺序分层、往复喷射.3、喷射速度要适当,以利于混凝土的压实。
风压过大,喷射速度增大,回弹增加;风压过小,喷射速度过小,压实力小,影响喷混凝土强度。
因此在开机后要注意观察风压,起始风压达到0。
5MPa后,才能开始操作,并据喷嘴出料情况调整风压。
一般工作风压:边墙0.3~0。
5MPa,拱部0。
4~0.65MPa。
4、喷射时使喷嘴与受喷面间保持适当距离,喷射角度尽可能接近90°,以使获得最大压实和最小回弹.喷嘴与受喷面间距宜为1.5~2。
0m;喷嘴应连续、缓慢作横向环行移动,一圈压半圈。
若受喷面被钢架、钢筋网覆盖时,可将喷嘴稍加偏斜,但不宜小于70°。
如果喷嘴与受喷面的角度大小,会形成混凝土物料在受喷面上的滚动,产生出凹凸不平的波形喷面,增加回弹量,影响喷混凝土的质量.(二)施工控制要点⑴喷射混凝土原材料经检验合格后才能使用,喷射混凝土严禁选用具有潜在碱活性骨料,速凝剂应妥善保管,防止受潮变质。
严格控制拌合物的水灰比,经常检查速凝剂注入环的工作状况。
喷射混凝土的坍落度宜控制在8~13cm,过大混凝土会流淌,过小容易出现堵管现象.喷射过程中应及时检查混凝土的回弹率和实际配合比.⑵喷射混凝土拌合物的停放时间不得大于30min。
⑶隧道开挖后及时进行施作.预埋厚度控制标志,严格控制喷射砼的厚度。
璧山隧道Ⅲ级围岩初期支护施工技术交底一、交底说明本交底适用于中铁二局成渝客运专线经理部第五分部璧山隧道暗洞Ⅲ级围岩地段初期支护施工。
二、施工概况璧山隧道Ⅲ级围岩初期支护施工主要包括初喷混凝土、安设锚杆、架立钢架(Ⅲ级Ⅰ型复合式衬砌)、挂设钢筋网以及复喷混凝土等。
在上一工序施工结束后,应立即施作初期支护,约束围岩变形。
璧山隧道Ⅲ级围岩初期支护参数见下表2-1:衬砌类型Ⅲ级Ⅲ级Ⅰ型Ⅲ级Ⅱ型预留变形量(cm)5~8喷射混凝土规格拱部、边墙C25仰拱/ / C25设置部位及设置厚度拱墙:12cm拱180°:21cm边墙:12cm拱墙:15cm仰拱找平:10cm钢筋网钢筋规格(HPB235)φ6设置部位拱部开挖边缘线上部180 拱部网格间距(cm)25×25锚杆规格拱部Φ25普通中空锚杆(L=3m)边墙Φ22砂浆锚杆(L=3m)设置部位及间距(环×纵m)拱部:1.2×1.5 拱部:1.2×1.5 拱部:1.2×1.5边墙:1.5×1.5 / 边墙:1.5×1.5钢架类型/ 四肢格栅(高140)/表2-1 Ⅲ级围岩初期支护参数三、施工工艺工序1、施工工序(超欠挖处理完毕后)第一次初喷砼→施作拱顶普通中空锚杆及边墙砂浆锚杆→铺挂钢筋网→安装锚垫板→立钢拱架(Ⅲ级Ⅰ型复合式)→施作锁脚锚杆(Ⅲ级Ⅰ型复合式)→复喷砼至设计厚度图3-1 初期支护施工流程图2、施工工艺喷射混凝土采用湿喷工艺,利用湿喷台车或湿喷机械手施作。
安装锚杆时采用YT-28气腿式风钻钻孔后,将锚杆打入孔内并注浆和施作钢垫板。
钢架在洞外加工成型并试拼装后运输进洞,利用装载机配合人工架立,及时加设锁脚锚杆和纵向连接筋。
钢筋网片在洞外加工成1.5m2片状,运进洞内进行铺设,搭接1~2个网格。
最后必须复喷混凝土至设计厚度。
四、初期支护喷射混凝土施工1、喷射混凝土原材料 ①水泥设置部位 / 开挖边缘线上部180 /纵向间距(m ) / 1.2~1.5 /钢材规格 / Φ22、Φ14、φ6 /超欠挖处理第一次初喷锚杆施作钢筋网安设安装锚垫板架设钢拱架施作锁脚锚杆复喷砼至设计厚度喷射机就位喷射材料准备喷射砼采用P042.5R普通硅酸盐水泥。