由实验到邓肯-张模型的参数
- 格式:pdf
- 大小:218.15 KB
- 文档页数:6
可编辑修改精选全文完整版3.Duncan-Chang 模型参数的确定实验目的:Duncan 双曲线模型是一种建立在增量广义虎克定律基础上的非线性弹性模型,它在岩土工程界为人们所熟知和广泛应用。
这一类模型可以反映应力应变关系的非线性,参数的物理意义明确和易于确定, 本实验通过对不同围压的控制来模拟模型并确定其参数。
实验原理:点绘()a εσσ~31-曲线,如图3-1所示,Kondner 等人发现,可以用双曲线来拟和这些曲线。
对某一3σ,()a εσσ~31-关系可表示成:aab a εεσσ+=-31 (3-1)渐近线σ3=常量E iE tσ1-σ3(σ1-σ3)uεa 0εa /(σ1-σ3)uεa ba图 3-1 ()a εσσ~31-关系曲线 图3-2 ()a a εσσε--31/关系曲线式中:a 和b 为试验常数。
上式也可以写成:a ab a εσσε+=-31 (3-2)以()31/σσε-a 为纵坐标,a ε为横坐标,构成新的坐标系,则双曲线转换成直线。
见图3-2。
其斜率为b ,截距为a 。
有增量广义虎克定律,如果只沿某一方向,譬如Z 方向,给土体施加应力增量ΔZσ,而保持其他方向的应力不变,可得:E zx σεΔΔ=(3-3) Ev zx σεΔΔ-= (3-4)则 xzE εσΔΔ= (3-5)zxv εεΔΔ-= (3-6)邓肯和张利用上述关系推导出弹性模量公式。
由式(3-5)得:()()aa E εσσεσσεσ∂-∂=-==313111ΔΔΔ (3-7)由此可见虎克定律中所用的弹性模量实际上是常规三轴试验()a εσσ~31-曲线的切线斜率。
这样的模量叫做切线弹性模量,可用t E 表示,见图3-1。
将式(3-1)代入式(3-7),得到:()2a tb a aE ε+= (3-8)由式(3-2)可得:ba a --=311σσε (3-9)式(3-9)代入式(3-8),得: ()[]23111σσ--=b a E t (3-10)由式(3-2)可得:当0→a ε时31→⎪⎪⎭⎫⎝⎛-=a aa εσσε(3-11)而双曲线的初始切线模量i E 为: 031→⎪⎪⎭⎫⎝⎛-=a a i E εεσσ (3-12) 见图3-1。
土体邓肯—张非线性弹性模型参数反演分析土体邓肯弹性模型是一种广泛用于土木工程力学分析中的非线性参数弹性模型,其最大特点是考虑了土体的非线性特性和不同尺度影响下的弹性行为。
然而,在经典的邓肯弹性模型中,参数的确定长期以来一直是困扰工程师的核心问题,尤其是在复杂土体中。
本文针对这一问题,提出了一种新的参数反演分析方法,即将非线性弹性参数和粒径参数两个不同尺度做联合反演,实现参数的精确定量。
首先,本文将萨德安努庞-普罗博模型和费拉基夫-文森模型相结合,建立完整的非线性弹性模型;其次,本文提出了基于拟合度的不确定度量最小化算法。
最后,通过实验数据的反演,进一步验证了上述方法的有效性,并讨论了实际工程中的可行性。
【引言】随着土木工程规模的扩大,以及各种新型土体的开发,针对土体的力学分析模型的研究也不断深入。
非线性弹性模型是研究土体力学性质的重要分支之一,它具有考虑不同尺度影响的能力,以及准确反映不同土体种型的稳定性和弹性变化规律。
邓肯弹性模型是土体非线性弹性分析中应用最广泛的模型,它能够表达土体受力过程中持续变形和弹性恢复的特征,从而反映出复杂土体行为的多样性。
然而,在此模型中,参数的定量一直是研究者所面临的困难之一。
【参数反演本文提出的参数反演方案基本思路是在建立完整的非线性弹性模型的基础上,采用拟合度最小化算法,开展土体非线性参数和粒径参数的联合反演。
首先,本文建立土体非线性弹性模型,采用萨德安努庞-普罗博模型和费拉基夫-文森模型两个不同尺度的模型,综合考虑土体对不同级别(宏观和微观)的受力反应,从而构建出一个完整的土体非线性弹性模型。
模型的改进结果表明,在考虑不同尺度的受力影响后,模型的精度有了显著提高。
其次,本文提出了基于拟合度的不确定度量最小化算法,用来解决参数反演问题。
该算法既能满足参数反演的精确要求,也保证其计算速度,从而有效减少计算成本。
最后,本文对实测数据进行反演,验证了上述方法的有效性。
基于三轴试验的邓肯—张模型参数的确定方法李萼怀;管为华【摘要】Through inducing Duncan-Chang hyperbolic model,the paper obtains the relationship among material parameters.By analyzing triaxial test data,it determines parameters of Duncan-Chang hyperbolic model,which has provided kind of thought for inducing Duncan-Chang model.%通过对邓肯—张双曲线型模型的推导,获取材料参数之间的关系,通过三轴试验数据的分析,确定邓肯—张双曲线模型的参数,为邓肯—张双曲线模型的推导提供了一种思路。
【期刊名称】《山西建筑》【年(卷),期】2012(038)002【总页数】2页(P60-61)【关键词】邓肯—张模型;材料参数;三轴试验【作者】李萼怀;管为华【作者单位】中电投云南国际电力投资有限公司,云南昆明650224;中电投云南国际电力投资有限公司,云南昆明650224【正文语种】中文【中图分类】TU411目前土体的应力和应变分析中,主要有双曲线模型、流变模型、弹塑性模型等,在工程中广泛采用双曲线模型。
该模型理论成熟,应用简便,有较多的实践经验可供参考。
1 双曲线型模型简介[1]图1 双曲线应力应变关系双曲线模型是把三轴压缩试验所得到的应力应变关系近似地认为是双曲线,如图1a)所示。
即在试样的周围压力σ3不变时:其中,a为初始切线模量Ei的倒数;b为主应力差渐近值(σ1-σ3)的倒数;εa为轴向应变。
如果将图1a)的纵轴改为,则双曲线变为直线,如图1b)所示。
从该直线上很容易确定a和b的数值,得到σ3为某一值时的Ei和(σ1-σ3)u。
式(1)可改写为:其中,(σ1-σ3)f为试样破坏时的主应力差;Rf为破坏比,其值小于1,其定义如下:式(2)对轴向应变εa求导数,得到曲线上任一点的切线模量为:式(2)可改写为:由式(4),式(5)得到:其中,s为应力水平,即实际主应力差与破坏时主应力差的比值,反映抗剪强度发挥的程度根据压缩试验研究,初始切线模量Ei与固结压力σ3的关系可表示如下:其中,k,n均为由试验确定的参数,可从Ei与σ3的关系求得,如图2所示,k 值反映材料的可压缩性;Pa为大气压力,单位与Ei相同,以便使k值成为无因次的数,一般取其近似值为0.1 MPa。
课程名称: 岩土工程测试技术课程编号: S021D05 课程类型: 非学位课考核方式:学科专业: 岩土工程年级: 2007研姓名: 学号:河北工程大学2007~2008学年第二学期研究生课程论文报告三轴压缩试验测定邓肯张模量参数实验报告一. 实验内容测定试样密度、含水量、界限含水率;采用静三轴仪不固结不排水剪试验测不排水强度参数及定邓肯张模量参数。
二. 实验原理1不排水强度参数以主应力差为纵坐标, 轴向应变为横坐标, 绘制主应力差与轴向应变关系曲线。
取曲线上主应力差的峰值作为破坏点, 无峰值时, 取15%轴向应变时的主应力差值作为破坏点。
以剪应力为纵坐标, 法向应力为横坐标, 在横坐标轴以破坏时的应力平面上绘制破损应力圆, 并绘制不同周围压力下破损应力圆的包线(破损应力圆的公切线), 求出不排水强度参数。
-模型)参数2邓肯张模量(Eν详见《三轴试验原理与应用技术》P117-P122(朱思哲等, 中国电力出版社2003年6月第一版)三. 仪器设备1应变控制式三轴仪: 由压力室、轴向加压设备、周围压力系统、反压力系统、孔隙水压力量测系统、轴向变形和体积变化量测系统组成。
2 附属设备: 包括压样器;环刀、饱和器、切土器、原状土分样器、切土盘、承膜筒和对开圆膜。
3 天平: 称量200g,最小分度值0.01g;称量1000g,最小分度值0.1g。
4 橡皮膜: 弹性乳胶膜, 厚度0.1-0.2mm。
5 透水板:直径与试样相等, 其渗透系数大于试样的渗透系数, 使用前在水中煮沸并泡于水中。
四. 实验步骤1试样制备本试验采用的原状土样, 试样制备, 步骤如下:⑴将土样筒按标明的上下方向放置, 剥去蜡封和胶带, 开启土样筒取出土样。
检查土样结构, 当确定土样已受扰动或取土质量不符合规定时, 舍弃此组土样。
⑵用环刀切取试样时, 在环刀内壁涂一薄层凡士林, 刃口向下放在土样上, 将环刀垂直下压, 并用切土刀沿环刀外侧切削土样, 边压边削至土样高出环刀, 采用钢丝锯或切土刀整平环刀两端土样, 擦净环刀外壁, 称环刀和土的总质量。
研究生课程作业邓肯张模型参数计算学生姓名李俊学科专业岩土工程学号201420105614任课教师周小文教授作业提交日期2014年12月1.计算轴向应变ch h∆∑=1ε式中 1ε-轴向应变;h ∆∑-固结下沉量,由轴向位移计测得0h -土样初始高度c h —按实测固结下沉的试样高度c h ∆—试样固结下沉量2.计算按实测固结下沉的试样高度,面积:式中 Ac -按实测固结下沉的试样面积0V -土样初始体积3.计算剪切过程中试样的平均面积:式中 a A -剪切过程中平均断面积c V -按实测固结下沉的试样的体积i V ∆-排水剪中剪切时的试样体积变化 按体变管或排水管读数求得1h ∆-固结下沉量,由轴向位移计测得 3. 计算主应力差cic h V V A ∆-=01h h V V A c i c a ∆-∆-=Cc c A h V ⨯=1031⨯=-aA CR σσ 式中 31σσ- - 主应力差 1σ―大主应力 3σ-小主应力 C -测力计率定系数 R -测力计读数2 数据处理2.1 3σ=100kPa 数据初步计算当3σ=100kPa 时,各数据初步计算如表1所示。
围压100kPa 数据初步计算表 表12.1.1 由切线模量计算数据 对公式)(311σσε-=a +b 1ε进行直线拟合,如图1所示。
图11131/()~εσσε-拟合曲线 a =0.0002,1i E a==5000kPa b ==0.0028,()131ult bσσ-==263.16kPa ()13f σσ-=204.26kPa ,()()1313f fultR σσσσ-=-=0.77622.1.2 由泊松比计算数据对公式()313/f D εεε-=+-进行直线拟合,如图2所示。
图2 313/~εεε--拟合曲线f=i ν=0.2122 D=2.72972.2 3σ=200kPa 数据初步计算当3σ=200kPa 时,各数据初步计算如表2所示。
土体邓肯—张非线性弹性模型参数反演分析《土体邓肯张非线性弹性模型参数反演分析》是一项重要的科学研究,在这项研究中,研究人员将利用非线性弹性模型的参数反演分析技术,来研究土体的张拉性能。
对于土体的张拉性能,其抗拉强度、塑性性能和力学特征都具有较强的不确定性。
为了克服这种不确定性,非线性弹性模型的参数反演分析技术提供了一种有效的手段,可以在试验过程中获取到准确的参数模型,并进一步深入研究土体的张拉性能。
一、非线性弹性模型的概述非线性弹性模型是一种利用实验测量的参数,结合物理模型的理论模型,用来研究弹性反应的内部结构和行为的模型。
它可以用来描述弹性物质的非线性物性,以及土体张拉时的力学特性。
典型的非线性弹性模型包括邓肯张模型、兰氏莫尔斯模型、HarrisYarwood模型、RiceVangenuchten模型等,其中邓肯张模型是最常用也是最具代表性的模型。
邓肯张模型是一种非线性弹性模型,其物理模型以弹性超塑性为基础,以土体张拉过程中的变形量、压实率及应力量的关系为参数,描述土体张拉过程中的行为特性。
二、参数反演分析技术参数反演分析技术是一种基于回归模型的参数估计的数学方法,可以利用与实验数据相关的模型参数,经过迭代优化,最终得到最佳匹配的参数模型。
非线性弹性模型的参数反演分析技术由实验中获取的非线性参数和迭代优化模型结合而成,可以对非线性弹性模型的参数进行更为准确的反演分析,实现对土体张拉特性和参数之间联系的准确描述。
三、土体邓肯张非线性弹性模型参数反演分析非线性弹性模型的参数反演分析,可以通过试验确定土体张拉过程中的力学特性,并反演出最佳的张拉参数,以深入了解土体的张拉性能。
本文以著名的邓肯张非线性弹性模型为例,通过实验过程,获取相关参数,建立非线性弹性模型,并以最小二乘法、Simplex法等为基础,进行参数反演分析。
经过迭代优化,最终获取到准确的非线性弹性模型参数,从而对土体的张拉性能更为准确的描述。
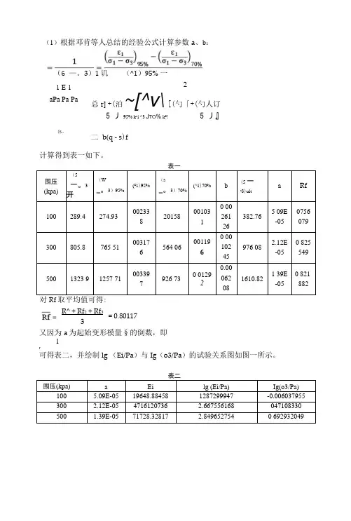
(1)根据邓肯等人总结的经验公式计算参数a 、b :总r] +(泊~[^v\[(勺「+(勺人订5 丿95% k a i ^3 J TO % k 0!5 丿』计算得到表一如下。
表一围压(kpa)(5一。
3开(W_。
3)95%(£1)95%(5_。
3)70%(^1)70%b (5 一a3)ulta Rf100289.4274.9300233 8 2015800103 1 0 00 261 26 382.765 09E -05 0756 079300 805.8 765 51 00317 6 564 060011960 00 102 45 976 082.12E -05 0 825 549500 1323 9 1257 71 00339 7926 730 0129 20.00 062 081610.821 39E -05 0 821882对Rf 取平均值可得:又因为a 为起始变形模量§的倒数,即1r可得表二,并绘制lg (Ei/Pa )与Ig (o3/Pa )的试验关系图如图一所示。
表二围压(kpa)a Eilg (Ei/Pa) Ig(o3/Pa) 100 5.09E-05 19648.88458 1287299947 -0.006037955 3002.12E-054716120736 2.667556168 047108330 500 1.39E-0571728.328172.8496527540 692932049(5 -二 b(q - s )f1 E 1 aPa Pa PaR^ + Rf 2 + Rf 33 = 0.80117(6 —。
3)1讥 (^1)95% 一(“)70%2At对图一中的试验点进行拟合,得到lg (Ei/Pa)与Ig(o3/Pa)的直线关系: 尸0.8033X+2.2914.根据公式:E=5③可知K、n分别代表lg (Ei/Pa)与lg(a 3/Pa)直线的截距和斜率,故可得K=2.2914: n=0.8033oE-v 法在常规三轴试验中,轴向应变£ 1与侧向应变一£ 3之间也存在双曲线关系,经 变换之后可得如下公式:由上式知一£ 3/8 1与一£ 3为直线关系,但实际上,二者并不是严格的直线关 系,需先对试验结果进行収舍,然后选取某一区间进行拟合。
土体邓肯—张非线性弹性模型参数反演分析土壤是一种自然界中拥有各种复杂性质的混合性介质,具有不同程度的弹性行为。
这一性质与土壤结构、特性有关,可以表现为弹性参数,而这些参数的准确估计,对于土体力学的研究和应用至关重要。
传统的方法,通常是在实验室对土样进行各种测试,以获得其参数。
但是,这种方法的弊端包括检测手段的局限性、实验现场偏差等,因此,这种方法往往会出现一定的偏差,从而影响土体力学分析结构的准确性。
为了解决这一问题,很重要的一个方法是通过反演分析来估计弹性参数,其主要思想是利用测量到的数据,拟合出一个统一的弹性模型,从而得出弹性参数,从而获得准确的弹性参数估计值。
以邓肯张非线性弹性模型为例,它是一种单质点弹性模型,通常用于描述土壤(和其他各种介质)的弹性行为。
由于弹性建模的复杂性和模型参数对反演分析的影响,反演分析也就显得愈发重要。
一般来说,针对邓肯张模型,使用最小二乘反演分析方法时,必须假设材料的弹性参数是常量,只有这样,才能够获得较为合理的结果。
而这种准确性的提高,就得益于反演分析。
在反演分析研究中,有许多不同的算法,如模糊度法、遗传算法、模糊C步骤径向基函数神经网络法等。
它们的差别在于根据测量结果拟合出的模型参数是否满足实际情况,以及最终估计出的模型参数与实际参数之间的误差大小。
在实践中,一般情况下,遗传算法在速度和准确性方面都优于其他算法。
实际中,反演分析对于统计混合性土壤的参数估计有广泛的应用,如获得土壤弹性模型参数,应用于基坑和隧道开挖预测,以及应用于混凝土桩变形和结构衰减等。
反演分析的分析结果反映的是弹性参数的变化规律,为实际工程中的土体力学分析和设计提供了更为准确的依据。
因此,针对土体邓肯张非线性弹性模型参数反演分析,除了使用常规的测试实验方法外,还可以使用反演分析方法,这样就可以更好地获得土体的弹性参数,从而提高研究的准确性。
当掌握反演分析的原理,并使用正确的算法时,反演分析对估计弹性参数有很大的帮助,它为土体力学的研究和应用开辟了一条崭新的道路。
土体邓肯—张非线性弹性模型参数反演分析邓肯张(DunkerleyYounger)非线性弹性模型是用来模拟土壤的表观弹性模型,是一个描述土壤的不对称力学行为的经典模型。
土壤的弹性模型是土力学领域中最重要的研究之一,它是分析土壤属性和结构,了解土壤反应和用途性质,以及预测地质工程地基力学特性的基础。
邓克里扬格尔非线性弹性模型是土力学中经典模型,它能有效地描述土壤层中不同程度的弹性和非弹性,以及非线性和微非线性,这些都是土壤变形和破坏的重要参数。
本文研究了基于邓克里扬格尔非线性弹性模型的参数反演分析方法,旨在解决邓克里扬格尔非线性弹性模型参数反演分析的问题。
首先,本文介绍了邓克里扬格尔非线性弹性模型的基本结构和参数,以及如何估算参数;然后,介绍了两种反演分析方法,一种基于最小二乘法和另一种基于贝叶斯技术,它们可以用来确定邓克里扬格尔非线性弹性模型的参数。
最后,本文介绍了邓克里扬格尔非线性弹性模型的参数反演分析的应用,以期为地质工程领域提供一种有效的解决方法。
研究表明,邓克里扬格尔非线性弹性模型参数可以通过最小二乘法或贝叶斯方法来反演,但是,这些方法都需要大量的实验数据,而这些数据容易受环境因素和取样等因素的影响,这导致反演出来的参数有极大的不确定性。
因此,有必要对反演中的实验数据进行详细的讨论和分析,以确保反演结果的可靠性。
在地质工程领域,邓克里扬格尔非线性弹性模型参数反演分析可以帮助研究人员有效地了解地基土的弹性特性和结构,从而为后续工程设计提供有效的指导。
本文尝试利用最小二乘法和贝叶斯技术,应用于邓克里扬格尔非线性弹性模型参数反演分析,以获得有效的解决方案。
不仅如此,研究结果表明,实验数据受到了环境和取样因素的影响,因此,有必要对反演结果进行详细的分析和讨论,以确保反演结果的可靠性。
本文已经为邓克里扬格尔非线性弹性模型参数反演分析提供了一种有效的解决方案,为地质工程领域提供了一种有效的参考。
总之,本文采用最小二乘法和贝叶斯技术,研究了邓克里扬格尔非线性弹性模型参数反演分析,并在实践中获得了有效的解决方案。
基于三轴试验红层泥岩的邓肯-张模型参数研究罗崇亮;余云燕;包得祥;王鹏【摘要】兰州地区红层泥岩形成于干旱、半干旱环境,其物理力学特性与其他地区的红层泥岩不同。
以G6京藏高速兰海养护维修工程的红层泥岩路基填料为研究对象,通过大量的常规三轴试验,研究含水率对其力学特性及邓肯-张模型参数的影响。
结果表明:在不同含水率下兰州地区红层泥岩的应力-应变曲线关系符合双曲线模型。
含水率小于最优含水率时,破坏形式为剪切破坏;含水率大于最优含水率,破坏形式为鼓状破坏;随着含水率的增加,黏聚力和内摩擦角逐渐减小,内摩擦角减小的幅度更大,究其原因是含水率对黏聚力和内摩擦角的影响机理不同而导致。
采用数学模型进行拟合发现:黏聚力、内摩擦角与含水率分别呈二次抛物线与对数曲线关系。
不同含水率下邓肯-张模型参数破坏比Rf在区间(0.869,0.984)内波动,K值随含水率增大而减小呈负线性关系,n值随含水率的增大而增大呈线性关系。
【期刊名称】《地震工程学报》【年(卷),期】2019(041)002【总页数】9页(P436-444)【关键词】红层泥岩;常规三轴试验;含水率;应力-应变关系;邓肯-张模型参数【作者】罗崇亮;余云燕;包得祥;王鹏【作者单位】[1]兰州交通大学土木工程学院,甘肃兰州730070;[1]兰州交通大学土木工程学院,甘肃兰州730070;[2]兰州交通大学甘肃省轨道交通力学应用工程实验室,甘肃兰州730070;[1]兰州交通大学土木工程学院,甘肃兰州730070;[3]甘肃省交通规划勘察设计院股份有限公司,甘肃兰州730030;[1]兰州交通大学土木工程学院,甘肃兰州730070;【正文语种】中文【中图分类】TU4110 引言红层泥岩在我国西南、西北、华东、中南、华北及东北等地区均有广泛分布[1],就西北、西南地区约有46.516×104 km2。
而甘肃是我国西北红层泥岩的主要分布地区,其红层面积约7.956×104 km2,占甘肃省面积的19.23%[2]。
非饱和红土邓肯-张模型参数的试验研究刘星志;刘小文;张占磊;周龙【摘要】According to the derivation method of nonlinear constitutive model for unsaturated soil,the Duncan-Chang parameters(Es,Bst,Kw)of unsaturated laterite under the compaction degree of 0. 9 were deduced by GDS triaxial consolidated drained tests. At the same time,combined with the GDS triaxial instrument for wetting deforma-tion test of gradually increasing humidity under different stress levels,the soil tangent bulk modulus associated with the matrix suction( Hs )and the bulk modulus of water( Hw )in Duncan-Chang were obtained. Then,the related parameters of nonlinear constitutive model for unsaturated laterite were proposed,which provided a basis for the non-linear constitutive relation of Duncan-Chang model for unsaturated laterite.%根据Fredlund D等提出的非饱和土的非线性本构模型推导方法,通过GDS三轴固结排水试验推导出了压实度为0.9下非饱和红土的邓肯-张Es、Bst、Kw参数,同时结合GDS三轴仪进行不同应力水平下的逐渐增湿湿化变形试验,得到邓肯-张模型中与基质吸力相关的土切线体积模量Hs和水的体积模量Hw.由此提出了非饱和红土的非线性本构模型的相关参数,为扩展的非饱和红土邓肯-张模型的非线性本构关系的有限元编程提供了依据.【期刊名称】《南昌大学学报(工科版)》【年(卷),期】2016(038)004【总页数】7页(P347-353)【关键词】非饱和红土;邓肯-张模型;GDS三轴试验;参数【作者】刘星志;刘小文;张占磊;周龙【作者单位】南昌大学建筑工程学院,江西南昌330031;南昌大学建筑工程学院,江西南昌330031;南昌大学建筑工程学院,江西南昌330031;南昌大学建筑工程学院,江西南昌330031【正文语种】中文【中图分类】TU411红土在江西地区分布十分广泛,道路路基、房屋地基、河流堤坡等很多实际工程都位于红土地区,且这些红土地区的土大多处于非饱和状态,因此对江西非饱和红土的力学特性及本构关系研究非常有必要[1]。
以土的常三轴实验学习Duncan-Chang本构关系模型一、实验过程1、试样制备试验土样取自于南水北调焦作段一处工程,取回后,人工制成含水量15%的土体。
在实验制样过程中,由于含水量较高,所以在通过制样器后,土柱未能成型,于是在原来土样基础上,添加了较干的土,再在制样器侧壁涂抹凡士林。
最后制成高度7厘米,直径3.5厘米的土柱实验样品2、不固结不排水(UU)剪切试验试验是在土木工程学院深部矿井重点实验室进行的,试验装置如图1所示。
图1 常三轴实验仪主要试验步骤为(1)记录体变管的初始读数;(2)对试样加周围压力,并在周围压力下固结。
当孔隙水压力的读数接近零时,说明固结完成,记下排水管的读数;(3)开动马达,合上离合器,按0.0065%/min的剪切应变速率对试样加载。
按百分表读数为0,30,60,90,120,150,180,210,240,300,360,420,480,540,600,660,⋯,的间隙记读排水管读数和量力环量表读数,直到试样破坏为止。
二、邓肯张双曲线模型到目前为止,国内外学者提出的土体本构模型不计其数,但是真正广泛用于工程实际的模型却为数不多,邓肯-张模型为其中之一。
该模型是一种建立在增量广义虎克定律基础上的非线性弹性模型,可经反映应力~应变关系的非线性,模型参数只有8个,且物理意义明确,易于掌握,并可通过静三轴试验全部确定,便于在数值计算中运用,因而,得到了广泛地应用。
1、邓肯-张双曲线模型的本质邓肯-张双曲线模型的本质在于假定土的应力应变之间的关系具有双曲线性质,见图2(a)。
图2(a ) 12()~a σσε- 双曲线图2(b) 1131/()~εσσε-关系图2 三轴试验的应力应变典型关系理论图1963年,康纳(Kondner )根据大量土的三轴试验的应力应变关系曲线,提出可以用双曲线拟合出一般土的三轴试验13()~a σσε-曲线,即aab a εεσσ+=-31 (1)其中,,a b 为试验常数。