邓肯-张模型参数求取
- 格式:docx
- 大小:52.04 KB
- 文档页数:5
土体邓肯—张非线性弹性模型参数反演分析邓肯张非线性弹性模型是一种用于描述弹性材料反应的普遍通用的模型,它适用于许多矿物组成的各种材料,如金属、合金、复合材料、多孔介质、矿物质等。
土体及其它各种介质的相关研究,借助邓肯张非线性弹性模型表达材料性能,曾在国内外受到广泛关注。
反演分析作为实验室微观及宏观材料特性参数确定的技术工具,也被广泛应用到各类固体中。
由于土体及其它介质微观结构的复杂性,传统的正演分析法在反演其变形特性参数时具有相当的局限性。
由于邓肯张非线性弹性模型的普遍性,它被认为是反演土体与其它介质的理想模型。
然而,由于邓肯张非线性弹性模型的复杂性,无法通过简单的正演分析方法来确定相关模型参数。
为了能够准确描述土体及其它介质的变形特性,本文对邓肯张非线性弹性模型参数反演分析进行了一系列研究。
首先,根据实验测量所得的弹性模量和泊松比数据,建立了解析解的求解过程,以解决邓肯张非线性弹性模型参数反演的问题;其次,利用最小二乘法的概念,对解析解式做进一步优化处理,以期达到更高的拟合准确度;最后,利用数值拟合算法(二次函数拟合、三次样条拟合及支持向量机方法),对反演得到的数据进行多次拟合优化。
本文通过研究邓肯张非线性弹性模型参数的反演分析,实现了土体及其它介质变形特性参数的智能识别。
结果表明:经过解析解与数值拟合过程的叠加,该方法能够极大地提高参数的反演精度,从而大大降低了反演变形特性参数时的误差。
本文反演分析的结果表明,邓肯张非线性弹性模型尤其适合于反演土体及其它介质变形特性参数,这可以为后续研究工作提供很好的基础。
未来,可以继续研究其它的介质及反演方法,以进一步提高变形特性参数反演的准确性及效率。
总之,本文将邓肯张非线性弹性模型应用于反演土体及其它介质变形特性参数,研究结果证明了该模型在反演方面的可行性和有效性,为土体及其它介质物理性能参数确定提供了一种有效的方法。
可编辑修改精选全文完整版3.Duncan-Chang 模型参数的确定实验目的:Duncan 双曲线模型是一种建立在增量广义虎克定律基础上的非线性弹性模型,它在岩土工程界为人们所熟知和广泛应用。
这一类模型可以反映应力应变关系的非线性,参数的物理意义明确和易于确定, 本实验通过对不同围压的控制来模拟模型并确定其参数。
实验原理:点绘()a εσσ~31-曲线,如图3-1所示,Kondner 等人发现,可以用双曲线来拟和这些曲线。
对某一3σ,()a εσσ~31-关系可表示成:aab a εεσσ+=-31 (3-1)渐近线σ3=常量E iE tσ1-σ3(σ1-σ3)uεa 0εa /(σ1-σ3)uεa ba图 3-1 ()a εσσ~31-关系曲线 图3-2 ()a a εσσε--31/关系曲线式中:a 和b 为试验常数。
上式也可以写成:a ab a εσσε+=-31 (3-2)以()31/σσε-a 为纵坐标,a ε为横坐标,构成新的坐标系,则双曲线转换成直线。
见图3-2。
其斜率为b ,截距为a 。
有增量广义虎克定律,如果只沿某一方向,譬如Z 方向,给土体施加应力增量ΔZσ,而保持其他方向的应力不变,可得:E zx σεΔΔ=(3-3) Ev zx σεΔΔ-= (3-4)则 xzE εσΔΔ= (3-5)zxv εεΔΔ-= (3-6)邓肯和张利用上述关系推导出弹性模量公式。
由式(3-5)得:()()aa E εσσεσσεσ∂-∂=-==313111ΔΔΔ (3-7)由此可见虎克定律中所用的弹性模量实际上是常规三轴试验()a εσσ~31-曲线的切线斜率。
这样的模量叫做切线弹性模量,可用t E 表示,见图3-1。
将式(3-1)代入式(3-7),得到:()2a tb a aE ε+= (3-8)由式(3-2)可得:ba a --=311σσε (3-9)式(3-9)代入式(3-8),得: ()[]23111σσ--=b a E t (3-10)由式(3-2)可得:当0→a ε时31→⎪⎪⎭⎫⎝⎛-=a aa εσσε(3-11)而双曲线的初始切线模量i E 为: 031→⎪⎪⎭⎫⎝⎛-=a a i E εεσσ (3-12) 见图3-1。
邓肯模型参数k、n、R f整理方法研究张波(西安地质矿产勘查开发院,陕西,西安710100.)摘要:对四种石渣料进行三轴CD试验,采用全部法(全部试验点)、70~95法(应力水平70~95%的试验点)及分段法(小应变试验点求参数k、n,应力水平70~95%的试验点求参数R f)三种方法来求取Duncan-Chang模型参数k、n、R f,并采用三种方法求取的参数拟合应变应变曲线与试验曲线对比,研究了不同求取方法的优劣。
结果表明:三轴试验应力应变曲线并不完全符合双曲线关系,ε1/(σ1-σ3)~ε1关系曲线表现出明显的双线性,转折点应变约为1%;石渣料虽然是无粘性土,但其粘聚力并不为零,在工程中应予适当考虑;全部法和70~95法求取的参数拟合曲线与试验曲线较为吻合,拟合效果较好,但考虑到应力应变软化问题,70~95法求取的参数能较好的模拟试验曲线,分段法求取的参数虽然符合物理力学意义,但由于求取参数k、n仅采用小应变的试验点,拟合曲线与试验曲线差别较大,建议采用应力水平70~95%的试验点求取Duncan-Chang 模型参数k、n、R f。
关键词:三轴试验;石渣料;Duncan-Chang模型;应力-应变Duncan model parameters k, n, Rf sorting method/Zhang Bo,(Xi’an Institute of Geological And Mineral exploration,Xi’an Shannxi710100,China)Abstract: The four kinds of gravel material for triaxial CD tests, using all methods (all test points), 70 - 95 method (stress level 70 ~ 95% of test points) and section method (small strain test point demand parameter k , n, the stress level of 70 to 95% of the test points request parameter Rf) are three ways to strike a Duncan-Chang model parameters k, n, Rf, and the use of three methods of parameter fitting to strike a strain-strain curves and test curves comparative study of the pros and cons of different methods to strike.The results showed that: Triaxial stress-strain curve does not fully comply with the h yperbolic relationship, ε1 / (σ1-σ3) ~ ε1 curve showed a clear bilinear, the turning point is about 1% strain; carbide material although no viscous soil, but its cohesion is not zero, the project should be properly taken into account; all law and to strike the law from 70 to 95 parameter fitting curve is more consistent with the experimental curve, fit better, but considering the stress strain-softening problems, 70 to 95 law parameters can strike a better simulation curve, although the parameters of sub-strike law in line with the physical and mechanical sense, but to strike a parameter k, n using only a small strain of test points, the proposed curve together with the experimental curves vary greatly, the stress level is recommended 70 to 95% of the test points to strike Duncan-Chang model parameters k, n, Rf.Keywords: triaxial tests; carbide material; Duncan-Chang model; stress - strain1 引言土的本构模型研究是目前岩土工程的重要课题之一,目前主要有非线性弹性模型及弹塑性模型[1]。
在ansys中导入自定义本构模型---邓肯-张模型(转载)邓肯-张模型的关键点是材料的弹性模量随大小主应力差及小主应力(围压)的变化而变化,用APDL实现之的基本思路是:给每个单元定义一个材料号,分级施加荷载,在每个荷载步结束时提取出各单元的大小主应力,据此计算出下个荷载步的弹性模量Et,修改各单元之MP,用于下一步计算。
以下是一个简单算例,copy出去可直接运行。
常规三轴试验模拟by taomingxing,NWPU2003.7.16FINISH/CLEAR/TITLE,Numerical Simulation of three axes testing of soils /PREP7*dim,SUy,array,50 !Settlement records*dim,MaxPs,array,120 !Max history p1-p3*dim,MaxDs,array,120 !Max history Ds!*dim,EEt,array,50 !Et of elememtDuncan-Chang ModelSymbols:c-粘滞力,Fai-内摩擦角,Sf-破坏强度(p1-p3)f,Ds-应力水平,Pa-大气压,P3-围压*CREATE,Duncan-Chang !Creat Macro file*afun,deg !Unit of angle*set,Pa,1e5*set,P1,-ArrS3(i) !注意:岩土工程中应力为拉负压正*set,P3,-ArrS1(i)*if,P3,LT,0.1*Pa,thenP3=0.1*Pa !围压最小取值*endifSf=2*(c*cos(Fai)+P3*sin(Fai))/(1-sin(Fai)) !Mohr-Coulomb破坏强度(p1-p3)fDs=(P1-P3)/Sf !应力水平,*if,Ds,GT,0.95,thenDs=0.95 !应力水平最大取值*endif!判断加卸荷,如果(P1-P3)小于历史最大值视为卸荷-再加荷过程 *if,MaxPs(i),LT,P1-P3,thenEi=k*Pa*(P3/Pa)**nEt=Ei*(1-Rf*Ds)**2 !加荷情况的切线模量MaxPs(i)=P1-P3 !保存历史最大应力*elseif,MaxPs(i),GE,P1-P3Et=Kur*Pa*(P3/Pa)**n !卸荷模量*endifmp,ex,i,Et !修改单元i的Etmp,nuxy,i,Mu*END单元类型et,1,42 !平面四节点单元KEYOPT,1,3,2 !平面应变以下定义材料初始模量mp,ex,1,3.728e7 !砂土的弹性模量mp,nuxy,1,0.33mp,dens,1,1800建立几何模型blc4,0,0,0.08,0.15 !8cm X 15cm /PNUM,AREA,1/REPLOT网格划分aesize,all,0.01mat,1amesh,all边界条件nsel,s,loc,y,0d,all,Uy !底边界竖向约束nsel,s,loc,x,0d,all,Ux !左侧边界水平向约束nsel,all/replotfini/SOLUtime,0.01 !施加围压sfl,all,pres,2e5 !200kPasolve分级施加荷载,实现非线性计算荷载增量10kPa,共50级*DO,ti,1,50取出计算结果,修改弹性模量 /POST1*get,SUy(ti),node,29,u,y !Settlement record of time ti ETABLE,EtabS1,S,1 !取各单元第一主应力ETABLE,EtabS3,S,3 !取各单元第三主应力*dim,ArrS1,array,120*dim,ArrS3,array,120*do,Num,1,120 !Num为单元编号*get,ArrS1(Num),elem,Num,etab,EtabS1 !将单元结果存入数组*get,ArrS3(Num),elem,Num,etab,EtabS3*enddo/PREP7!^^修改砂土单元的Et,单元号1-120c=0 $Fai=35 $Rf=0.7 $k=400 $n=0.6 $Mu=0.33 $Kur=326.7 *do,i,1,120 !各单元循环计算*use,Duncan-Chang,c,Fai,Rf,k,n,Mu,Kur !调用Duncan-Chang宏文件*enddo!EEt(ti)=ET !保存第120单元之ET/SOLUtime,tisfl,3,pres,2e5+1e4*ti !施加荷载,增量1e4solve !对ti级荷载情况求解*ENDDO。
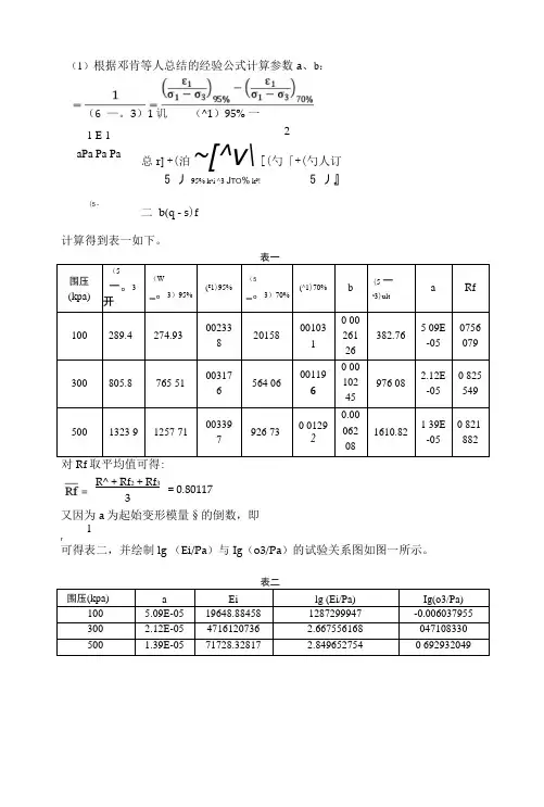
(1)根据邓肯等人总结的经验公式计算参数a 、b :总r] +(泊~[^v\[(勺「+(勺人订5 丿95% k a i ^3 J TO % k 0!5 丿』计算得到表一如下。
围压(kpa)(5一。
3开(W_。
3)95%(£1)95%(5_。
3)70%(^1)70%b (5 一a3)ulta Rf100289.4274.9300233 8 2015800103 1 0 00 261 26 382.765 09E -05 0756 079300 805.8 765 51 00317 6 564 060011960 00 102 45 976 082.12E -05 0 825 549500 1323 9 1257 71 00339 7926 730 0129 20.00 062 081610.821 39E -05 0 821882对Rf 取平均值可得:又因为a 为起始变形模量§的倒数,即1r可得表二,并绘制lg (Ei/Pa )与Ig (o3/Pa )的试验关系图如图一所示。
表二围压(kpa)a Eilg (Ei/Pa) Ig(o3/Pa) 100 5.09E-05 19648.88458 1287299947 -0.006037955 3002.12E-054716120736 2.667556168 047108330 500 1.39E-0571728.328172.8496527540 692932049(5 -二 b(q - s )f1 E 1 aPa Pa PaR^ + Rf 2 + Rf 33 = 0.80117(6 —。
3)1讥 (^1)95% 一(“)70%2At对图一中的试验点进行拟合,得到lg (Ei/Pa)与Ig(o3/Pa)的直线关系: 尸0.8033X+2.2914.根据公式:E=5③可知K、n分别代表lg (Ei/Pa)与lg(a 3/Pa)直线的截距和斜率,故可得K=2.2914: n=0.8033oE-v 法在常规三轴试验中,轴向应变£ 1与侧向应变一£ 3之间也存在双曲线关系,经 变换之后可得如下公式:由上式知一£ 3/8 1与一£ 3为直线关系,但实际上,二者并不是严格的直线关 系,需先对试验结果进行収舍,然后选取某一区间进行拟合。
应用MATLAB确定邓肯-张双曲线模型中的K,n参数简介:接合承德中密砂常规三轴试验数据,介绍应用Matlab语言编写计算及绘图程序来处理试验数据的方法,可显著提高试验研究的数据处理效率和结果的可视化程度。
关键字:Matlab 三轴试验邓肯-张模型1 前言基于广义胡克定律的线弹性理论形式简单,参数少,物理意义明确,而且在工程界有广泛深厚的基础,得以应用于许多工程领域中。
早期土力学中的变形计算主要是基于线弹性理论的,只有在计算机得到迅速发展之后,非线性理论模型才得到较广泛的应用。
邓肯-张模型是建立在增量广义胡克定律基础之上的变模量的弹性模型,可以反映土变形的非线性,并在一定程度上反映土变形的弹塑性,很容易为工程界所接受,加之所用参数和材料参数不多,物理意义明确,只需用常规三轴压缩试验即可确定这些参数及材料常数适应的土类比较广,所以该模型为岩土工程界所熟知,并得到了广泛的应用,成为土的最为普及的本构模型之一。
本文主要是应用MATLAB编写计算及绘图程序来处理承德中密砂常规三轴试验数据。
2 基于MATLAB的计算过程实现现场的观测数据经过采集和整理后,按照一定的格式把数据存储在数据文件中,然后可以使用MATLAB丰富的数值运算功能可以非常容易地编制出数据处理程序,先用函数fope n()打开数据文件,fid=fopen(‘filename’,’r’)再用fscanf 函数依次从文件中读取格式化数据来完成对各变量地赋值,其使用语法为:matrix=fscanf(fid,format)。
本文由于数据不是太多,所以在计算过程中没有采取调用存储文件地形式。
直接在计算过程中输入试验数据计算。
2.1 数据的处理对第一组数据,通过编写Matlab语言,由轴向应变和应力差的试验数据可以作出~()和~双曲线关系图形,主要用到的MATLAB命令为:plot(x1,y1);axis([0 0.04 0 3]) ;hold on%(1)plot(x1, x1./y1);a=polyfit(x1, x1./y1,1);t1=0:0.001:0.07;plot(x1, x1./y1,'.',t1,a(1)*t1 +a(2))%(2)其中x1代表第一组轴向应变,x2代表第一组应力差。
研究生课程作业邓肯张模型参数计算学生姓名李俊学科专业岩土工程学号201420105614任课教师周小文教授作业提交日期2014年12月1.计算轴向应变ch h∆∑=1ε式中 1ε-轴向应变;h ∆∑-固结下沉量,由轴向位移计测得0h -土样初始高度c h —按实测固结下沉的试样高度c h ∆—试样固结下沉量2.计算按实测固结下沉的试样高度,面积:式中 Ac -按实测固结下沉的试样面积0V -土样初始体积3.计算剪切过程中试样的平均面积:式中 a A -剪切过程中平均断面积c V -按实测固结下沉的试样的体积i V ∆-排水剪中剪切时的试样体积变化 按体变管或排水管读数求得1h ∆-固结下沉量,由轴向位移计测得 3. 计算主应力差cic h V V A ∆-=01h h V V A c i c a ∆-∆-=Cc c A h V ⨯=1031⨯=-aA CR σσ 式中 31σσ- - 主应力差 1σ―大主应力 3σ-小主应力 C -测力计率定系数 R -测力计读数2 数据处理2.1 3σ=100kPa 数据初步计算当3σ=100kPa 时,各数据初步计算如表1所示。
围压100kPa 数据初步计算表 表12.1.1 由切线模量计算数据 对公式)(311σσε-=a +b 1ε进行直线拟合,如图1所示。
图11131/()~εσσε-拟合曲线 a =0.0002,1i E a==5000kPa b ==0.0028,()131ult bσσ-==263.16kPa ()13f σσ-=204.26kPa ,()()1313f fultR σσσσ-=-=0.77622.1.2 由泊松比计算数据对公式()313/f D εεε-=+-进行直线拟合,如图2所示。
图2 313/~εεε--拟合曲线f=i ν=0.2122 D=2.72972.2 3σ=200kPa 数据初步计算当3σ=200kPa 时,各数据初步计算如表2所示。
土体邓肯—张非线性弹性模型参数反演分析近年来,非线性弹性模型在土体力学方面发挥了重要作用,可以提供可靠的分析结果,其中最有代表性的就是邓肯张模型(DuncanZhang model)。
它是由美国土木工程师Duncan和中国科学家Zhang于2003年共同提出的,用于解释和描述土壤弹性行为的力学模型,特别是一维和二维土体行为分析,已经广泛应用于地震工程、地下工程,墙壁结构等领域的研究和实践中。
邓肯张模型的特点是具有更高的非线性程度,而且在模拟分析中具有很高的精度,因此被广泛使用。
土体的非线性弹性参数的反演是土体力学和地质力学分析的基础,如果能够精确地反演出土壤的非线性弹性参数,就能够更加准确地分析出地基土壤的力学性质。
以邓肯张模型为例,参数反演在许多实际应用中发挥了重要作用,但是在参数反演的过程中,由于土壤的非线性性质,传统的拟合方法及其约束条件在反演中往往受到影响,从而导致最终反演精度不高。
为了提高土体邓肯-张模型参数反演的精度,把反演分析模型划分为四个环节:模型选择、模型参数反演、模拟验证和优化调整。
首先,在模型选择环节中,从各种非线性弹性模型中选定最适合当前问题的邓肯-张模型,以保证最终预测精度。
其次,在模型参数反演环节中,采用单级优化的方法进行参数调整,以达到最优的实验结果。
然后,在模拟验证环节中,根据实验结果,采用简单推理和比较分析等方法,对所得模型参数进行检验和验证,以确定模型有效性。
最后,在优化调整环节中,调整模型参数,以便获得准确的模型结果。
通过以上步骤,能够有效地进行邓肯张模型参数反演,提高模型的精确度,使土壤弹性分析的结果更加可靠。
在实践中,采用单级及多级优化的方法可以有效提高邓肯张模型参数反演的精度,使最终的计算结果更加准确,满足实际工程需求。
总之,邓肯张模型具有较高的非线性程度,模拟分析精度较高,广泛应用于地震工程、地下工程、墙壁结构等领域,但其参数反演的过程中受到模型约束条件的影响,反演状态精度不高。
土体邓肯—张非线性弹性模型参数反演分析近年来,土体的力学性能研究得到了广泛的关注。
地基施工领域的应用特别多,在安全把控、运维监测、环境研究等方面都有重要的作用。
土体力学性能除了受到地质环境的影响,还受到应变能力和流变性能的影响。
其中最经典的力学模型是邓肯张非线性弹性模型,该模型是一个可以用于近似土体变形特性的典型模型,可以较好的拟合实验数据,有着重要的实用价值。
然而,模型参数的精确确定是对土体变形特性的有效描述,而传统的参数反演方法要求实验数据量过大,耗时长,难以实施。
本文针对上述问题,提出了一种新的土体邓肯张非线性弹性模型参数反演方法。
首先,根据若干份土体试件的实验数据,通过邓肯张非线性弹性模型画出土体的变形分布曲线,确定拟合精度。
随后,将邓肯张非线性弹性模型参数视为一个多元系统的解,利用光滑雅可比特征分析法,建立参数反演模型,实现参数估计。
最后,采用正交试验法,根据模型估计值,建立实验设计,以提高拟合精度,完成参数反演。
本文进行了三个实验,以模拟真实土体试验,以验证参数反演方法的有效性。
实验一是静载荷载荷压缩试验,实验二是多次加载荷压缩试验,实验三是恒定强度断裂试验。
实验研究结果表明,所提出的土体邓肯张非线性弹性模型参数反演方法可以有效拟合实验结果,具有较高的实用价值。
此外,本文探讨了参数反演的精度改进方法。
通过多次反复的参数反演,比较不同参数估计值,利用正交试验法,进一步提高参数反演的准确率,达到精确估计参数的目的。
以上是本文关于土体邓肯张非线性弹性模型参数反演分析的全部内容,本研究可以为进一步研究土体力学性能提供理论指导和实用工具,为地基施工及土体变形特性模拟提供有效的参考。
土体邓肯—张非线性弹性模型参数反演分析邓肯张(DunkerleyYounger)非线性弹性模型是用来模拟土壤的表观弹性模型,是一个描述土壤的不对称力学行为的经典模型。
土壤的弹性模型是土力学领域中最重要的研究之一,它是分析土壤属性和结构,了解土壤反应和用途性质,以及预测地质工程地基力学特性的基础。
邓克里扬格尔非线性弹性模型是土力学中经典模型,它能有效地描述土壤层中不同程度的弹性和非弹性,以及非线性和微非线性,这些都是土壤变形和破坏的重要参数。
本文研究了基于邓克里扬格尔非线性弹性模型的参数反演分析方法,旨在解决邓克里扬格尔非线性弹性模型参数反演分析的问题。
首先,本文介绍了邓克里扬格尔非线性弹性模型的基本结构和参数,以及如何估算参数;然后,介绍了两种反演分析方法,一种基于最小二乘法和另一种基于贝叶斯技术,它们可以用来确定邓克里扬格尔非线性弹性模型的参数。
最后,本文介绍了邓克里扬格尔非线性弹性模型的参数反演分析的应用,以期为地质工程领域提供一种有效的解决方法。
研究表明,邓克里扬格尔非线性弹性模型参数可以通过最小二乘法或贝叶斯方法来反演,但是,这些方法都需要大量的实验数据,而这些数据容易受环境因素和取样等因素的影响,这导致反演出来的参数有极大的不确定性。
因此,有必要对反演中的实验数据进行详细的讨论和分析,以确保反演结果的可靠性。
在地质工程领域,邓克里扬格尔非线性弹性模型参数反演分析可以帮助研究人员有效地了解地基土的弹性特性和结构,从而为后续工程设计提供有效的指导。
本文尝试利用最小二乘法和贝叶斯技术,应用于邓克里扬格尔非线性弹性模型参数反演分析,以获得有效的解决方案。
不仅如此,研究结果表明,实验数据受到了环境和取样因素的影响,因此,有必要对反演结果进行详细的分析和讨论,以确保反演结果的可靠性。
本文已经为邓克里扬格尔非线性弹性模型参数反演分析提供了一种有效的解决方案,为地质工程领域提供了一种有效的参考。
总之,本文采用最小二乘法和贝叶斯技术,研究了邓克里扬格尔非线性弹性模型参数反演分析,并在实践中获得了有效的解决方案。
邓肯-张EB模型参数求解的二次优化法陈立宏【摘要】邓肯-张非线性弹性模型是土石坝工程中最常用的本构模型.水利行业《土工试验规程》中根据应力水平75%和90%两点法进行计算时,得到的结果往往并不合理,有时n值还可能出现负数.一般的适线法仅仅对单个试样结果进行优化,而并不是针对整组试验结果,因此无法得到最优结果.提出了一种二步优化的参数计算方法,首先对每级围压下单个试样的试验成果采用适线法优化,得到每级围压下的参数a、b.在此基础上,计算得到参数K、n、Rf的初值.然后以邓肯-张理论为基础,根据获得的参数初值针对整组试验成果进行二次优化,以理论计算与试验的应力应变曲线差的平方和最小为目标函数,从而得到EB模型的主要参数.该方法简单实用,能够快速和准确地获得邓肯-张模型参数,并结合糯扎渡大坝堆石料三轴试验数据,对方法进行了验证.%Duncan-Chang nonlinear elastic constitutive model is the most used one in embankment dam engineering.The Specification of Soil Test in hydraulic industry proposes a computational method based on the values of two points from the stress-axial strain curve of the triaxial testing results.The stress levels of these two points are 75% and 90%respectively.However the proposed method cannot obtain reasonable results all the times,and sometimes even the parameter n maybe negative.Curve fitting methods make some progress,but still could not gain the optimal value for the parameters because these methods only based on single sample result.A two step optimization method for acquiring the optimal values of Duncan-Chang model is presented herein.First,the traditional curve fitting method is adopted to obtain thevalues of parameters a and b under each confining pressure.Then the parameters K,n and Rf are ing these parameters as initial values,a second optimization procedure is carried out to fit all the resultsof triaxial test to gain the parameters of Duncan-Chang model,in which,the minimum square sum of the differences of stress and strain curves of theoretical calculation and experiment is taken as the objectivefunction.The method is simple and practical,and can quickly and accurately obtain the parameters of DuncanZhang model.The method is validated based on the triaxial test data of Nuozhadu Dam.【期刊名称】《水力发电》【年(卷),期】2017(043)008【总页数】5页(P52-55,75)【关键词】堆石料;邓肯-张模型;优化方法;土石坝【作者】陈立宏【作者单位】北京交通大学土建学院,北京100044【正文语种】中文【中图分类】TU413堆石料作为高土石坝工程的主体填料,其工程特性和本构模型参数一直为大家所关注。
邓肯-张模型公式推导 高土邓肯-张模型是一个非线性本构模型,既然是一个本构模型,可想而之他反应的是应力与应变之间的关系。
说它是非线性的,那么反映应力应变关系的模量就不是一个常数E那么简单。
在介绍该模型之前,先要介绍一个概念,就是反映非线性关系的增量广义胡克定律: 1123()tt tv d d d d E E σεσσ=-+ (1)1963年,康纳(Kondner )根据大量土的三轴试验的应力应变关系曲线,提出可以用双曲线拟合出一般土的三轴试验13()~a σσε-曲线,即:13aaa b εσσε-=+(2)其中,a 、b 为试验常数。
对于常规三轴压缩试验,1a εε=。
邓肯等人根据这一双曲线应力应变关系提出了一种目前被广泛的增量弹性模型,一般被称为邓肯-张(Duncan-Chang )模型。
在常规三轴压缩试验中,13aaa b εσσε-=+可以写成:1113a b εεσσ=+-(3)将常规三轴压缩试验的结果按1113~εεσσ-的关系进行整理,则二者近似成线性关系(见图1)。
其中,a 为直线的截距;b 为直线的斜率。
在常规三轴压缩试验中,由于230d d σσ==,所以切线模量为ε1/(σ1-σ3)-σ3)ult图11113~εεσσ-线性关系图13211()()t d aE d a b σσεε-==+ (4)在试验的起始点,10ε=,t i E E =,则:1i E a=,这表明a 表示的是在这个试验中的起始变形模量E i 的倒数。
如果1ε→∞,则:131()ult bσσ-=(5)由此可以看出b 代表的是双曲线的渐近线所对应的极限偏差应力13()ult σσ-的倒数。
在土的试样中,如果应力应变曲线近似于双曲线关系,则往往是根据一定的应变值(如115%ε=)来确定土的强度13()f σσ-,而不可能在试验中使1ε无限大,求取13()ult σσ-;对于有峰值点的情况,取1313()()f σσσσ-=-峰,这样1313()()f σσσσ--ult <。
(1) 根据邓肯等人总结的经验公式计算参数a 、b :
b =1(σ1−σ3)ult =(ε1σ1
−σ3)95%−(
ε1σ1−σ3)70%(ε1)95%−(ε1)70%
()()111195%70%13131395%70%112
a 1i a a a ult
E p p p εεεεσσσσσσ==
⎛⎫⎛⎫⎛⎫
⎡⎤+-+ ⎪ ⎪ ⎪⎣⎦
---⎝⎭⎝⎭⎝⎭
()131313ult
()()-f
f f
R b σσσσσσ-=
=-
计算得到表一如下。
f 80117.03
3
21=++=
Rf Rf Rf Rf
又因为a 为起始变形模量E i 的倒数,即
E i =1a
可得表二,并绘制lg (Ei/Pa) 与lg(σ3/Pa)的试验关系图如图一所示。
表二
图一:承德中密砂lg (Ei/Pa) 与lg(σ3/Pa)的试验关系图
对图一中的试验点进行拟合,得到lg (Ei/Pa) 与lg(σ3/Pa)的直线关系:y=0.8033x+2.2914.
根据公式:
E i=Kp a(σ3 p a )
n
可知K、n分别代表lg (Ei/Pa) 与lg(σ3/Pa)直线的截距和斜率,故可得K=2.2914;n=0.8033。
E-ν法
在常规三轴试验中,轴向应变ε1与侧向应变—ε3之间也存在双曲线关系,经
变换之后可得如下公式:
−ε3
ε1
=f−Dε3
由上式知—ε3/ε1与—ε3为直线关系,但实际上,二者并不是严格的直线关系,需先对试验结果进行取舍,然后选取某一区间进行拟合。
本文中选取试验曲线的后半部分进行拟合,得到不同围压下相应的拟合曲线,如下图所示。
图二:—ε3/ε1与—ε3关系曲线
对应不同围压下的拟合曲线分别为:
σ3=100kpa时,y=2.8211x+0.4719;
σ3=300kpa时,y=2.8809x+0.4381;
σ3=500kpa时,y=3.258x+0.4177.
f和D分别为—ε3/ε1与—ε3直线的截距和斜率,结果如下表所示。
又因为νi=f=G -Flg (σ3/Pa )
故可做νi—lg (σ3/Pa )关系曲线如下所示。
图三:νi—lg (σ3/Pa )关系曲线
G 和F 分别为νi—lg (σ3/Pa )线性关系曲线的截距和斜率绝对值,由上图可知: G=0.4721;F=0.0765.
E-B 法:
E-B 法中引入体变模量B 代替切线泊松比νt ,即
B =E t
3(1−2νt )
根据邓肯等人的经验公式:
B =
∆p ∆εv =(σ1−σ3)70%
3(εv )70%
其中,(σ1−σ3)70%与εv70%为(σ1−σ3)达到70%(σ1−σ3)f 时的偏差应力和体应变
的试验值.计算结果如下.
3
B =K b p a (σ3p a
)m
变换之后有:
lg (B p a ⁄)=lgK b +mlg (σ3p a ⁄)
其中, lgK b 和m 分别为lg (B p a ⁄)与lg (σ3p a ⁄)直线关系的截距和斜率.由lg (B p a ⁄)与
lg (σ3p a ⁄)关系曲线(图四)拟合得到拟合直线为y=1.5089x —3.723. 进而可得:
m=1.5089;K b =0.000189.
图四:lg (B p a ⁄)与lg (σ3p a ⁄)关系曲线。