绘制活塞连杆总成装配图
- 格式:ppt
- 大小:3.13 MB
- 文档页数:10
八、活塞及连杆总成的拆卸及安装一、拆卸拆卸次序:如图2-5-5-11、气环7、连杆体2、刮油环8、上连杆轴瓦3、油环部件9、下连杆轴瓦4、挡圈10、连杆盖5、活塞销11、连杆螺栓6、活塞注意:(1)拆下的活塞连杆组按缸套打好标记安放。
(2)连杆螺栓及连杆盖和连杆瓦按原来装配形式拧装在一起。
(3)为避免损伤连杆螺栓螺纹,请不用气动扳手拆卸。
活塞连杆总成解体图拆卸准备工作:(1) 拆除缸盖前确保须清理外表面灰尘及油泥,以免拆装过程中污染各装配表面;拆卸活塞和连杆以前,用刮刀去除掉气缸壁上部的积碳。
注意:不要用金刚砂布或砂纸去除缸套里的积碳,金刚砂布或砂纸里的氧化铝或砂粒会造成发动机严重损坏。
不要在活塞环运动区域里使用任何产生磨损的东西,否则会损坏缸套。
(2) 盘转曲轴,将需拆的活塞连杆总成转到下止点。
拆卸连杆螺栓 11、连杆盖 10 用力矩扳手和套筒交叉分步拆掉连杆螺栓及连杆盖。
注意:如果拆下连杆轴瓦打算要重装, 请在每个轴瓦上挂上标签,标记拆卸时的气缸序号及安装位置。
拆卸活塞总成用软金属(如铜、铝)托扳或干净木板把连杆大头托起,再用软金属棒或手锤木柄推出连杆总成。
注意:在操作过程中小心,以免碰伤曲 轴连杆颈及缸套孔。
拆卸气环 1 拆卸刮油环 2拆卸油环部件 3用活塞环扩张器拆下各道活塞环。
按气缸序号安放好拆下的活塞环。
告诫:不要试图用其它的工具去拆卸活塞环,活塞环的过分拉伸将减少活塞环的弹力。
连杆小头孔内径mm52.020 最小 52.035最大连杆大头孔内径 mm92.046 最小 92.088最大清洗:活塞1、使用热肥皂液和非金属刷去除活塞活塞环槽上部及活塞环槽的积炭,活塞内腔机油冷却油孔积碳。
注意:确保清洗液合用于铝制品,否则 会造成活塞损坏。
将活塞放在盛有适于铝制品的清洗剂的容器中最少30 分钟。
注意:不要使用金属刷子,金属刷会损坏活塞环槽。
不要使用玻璃,胡桃壳粉或塑料喷丸来清洗活塞环槽或销孔。
6.3
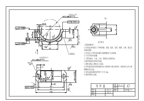
与连杆体配对加工
2x45°
D
测量硬度处
去重用,最小可至43
装配后加工要求
D向
连 杆 盖
审核
制图描图45
比例重量
件数A3
1:1
材料
技术要求1.锻造抽模角7°。
2.连杆盖全部表面上不得有裂缝、迭缝、痕皮、发裂、碰痕、毛刺、氧化皮及腐蚀现象。
3.连杆盖上不得有因金属未充满锻模而产生的缺陷。
4.不允许用焊补修整。
5.不得有缩孔、气泡、分层、裂缝及非金属夹渣。
6.锻件需经磁力探伤并退磁。
7.调质处理后,硬度223-262HB。
8.连杆盖成品的金相显微组织应为细致均匀索氏体组织,铁素体仅允许以细微颗粒状态存在。
9.连杆盖表面脱炭层厚度不大于0.4mm。
10.锻件需喷丸处理。
2012.42012.4。
3.3 活塞的创建1. 进入软件,拉伸活塞本体在桌面双击图标(CATIA),或者从[开始] →[程序]中点击CATIA软件,进入CATIA软件。
选择[开始] →[机械设计] →[part design] 命令,进入零件模块设计。
左键单击左边模型树中的xy plane 参考平面,或在窗口中央选择三平面中的xy平面。
再单击一下右边工具栏中的sketch(草图设计)图标,即进入草图绘制模式。
单击工具栏中的Circle (圆)图标,绘制一个圆,圆心在原点。
单击constraint(尺寸限制) 图标,标注出圆的直径为50,修改尺寸后如图3.1所示。
图3.1绘制完草图之后,单击工具栏中的退出工作台图标,进入零件实体设计模式。
在工具栏中单击pad(拉伸成形)图标,弹出对话框,提供拉伸成形参数的设定。
如图3.2所示。
图3.2在Type 一栏中选择Dimension,指定尺寸为44 mm ;在Selection一栏中选择刚才绘制的草图;点击确定。
生成的模型如图3.3所示。
图3.32.旋转切除活塞内部左键单击左边模型树中的yz plane 参考平面,或在窗口中央选择三平面中的yz平面。
再单击一下右边工具栏中的sketch(草图设计)图标,进入草图绘制模式。
单击工具栏中Axis (轴)图标,先绘制一轴线,为下一步的旋转切除作准备,再单击工具栏中Profile (自由折线)图标,绘制草图,双击草图的终点即结束自由折线。
绘制的草图如图3.4所示。
图3.4鼠标左键单击工具栏中Corner(倒圆角)图标,在草图上倒圆角,双击圆角尺寸的数值,修改圆角值为R5。
双击constraint(尺寸限制) 图标,标注草图上所需尺寸。
之后在工具栏中单击(选择)图标,进行尺寸编辑。
最后完成草图的绘制和修改。
修改尺寸后的草图如图3.5所示。
图3.5鼠标左键单击工具栏中的退出工作台图标,退出草图模式,进入零件实体设计模式。
在工具栏中单击Groove (旋转切除)图标,弹出对话框,提供旋转切除参数的设定。