各接口类型和部分技术参数.
- 格式:ppt
- 大小:1009.50 KB
- 文档页数:18
(一)主要技术规格及参数要求辅助配件线材台式6电脑8 )级联数量:时序器模式时可无限级联,电源控制器模式时可7台级联;9 )时序延时时间:0.5S-3.5S (可设定);10)尺寸(WX D X H): 488mr A< 260mrr X 66mm11)重量:6.2Kg。
注:一年保修1)音响线:规格: 4.2MM (322芯/0.10MM无氧铜)*2支;2)音响臂托架:产品性能:.可左右调节角度;可上下调节角度;.中间连接杆可伸缩调节;.用料扎实,稳定性强;调整角度:士15°中间连接杆可伸缩调节;用料扎实,稳定性强;3)信号跳线线:采用软橡胶皮等材料制造,线身柔软、弯曲性好,信号无任何衰减;采用高纯度无氧铜(OFQ导体、高屏蔽芯隔离音频线;防干扰电缆结构设计、最大限度的屏蔽一切干扰杂波和优质多层屏蔽线材素材构成;4)全铜地插电源、信号插座。
所以配件需达到国标要求。
显示器尺寸23.6英寸核心/线程数六核心/十二线程制程工艺14nm商用技术In tel 博锐技术存储设备内存容量16GB内存类型DDR4内存插槽4个DiMM插槽最大内存容量32GB硬盘容量512GB+仃B硬盘描述混合硬盘(SSD+HDD光驱类型蓝光刻录机光驱显卡/声卡显卡类型独立显卡显卡芯片NVIDIA GeForce GT 1050显存容量2GBDirectX DirectX 12显示器网络通信无线网卡支持802.11a/b/g/n/ac 无线协议有线网卡1000Mbps以太网卡I/O 接口数据接口2X USB2.0, 6X USB3.0音频接口耳机输岀接口,麦克风输入接口笔记7 本电脑视频接口VGA HDM, Displayport网络接口RJ45 (网络接口)其它接口电源接口其它参数电源280W电源机箱类型立式机箱颜色银黑色键鼠特性有线鼠标,有线键盘PC电脑附件主机x1显示器x1保修卡x1 包装清单说明书x1电源x1键鼠套装x1保修信息保修政策全国联保,享受三包服务质保时间2年1、处理器:英特尔双核i7-85002、内存:双通道DDR4内存8GB ;双内存插槽、单根最大支持16GB DDR43、硬盘:主512GSSD固态硬盘,;专属可拆卸后盖,可以非常方便地升级机械硬盘、固态硬盘和内存;支持双硬盘,支持M.2 SSD + 2.5 寸机械4、无线局域网卡:内置In tel 802.11bg n/ac 无线局域网卡,支持2x2 MIMO技术5、显示屏:14.0英寸全高清雾面防眩光超薄型液晶显示屏。
计算机常见接口参数计算机常见接口参数1、PS/2接口:这是广为人知的接口,是用来连接键盘和鼠标的接口,其引脚定义是:1脚:DATA;2脚:NC;3脚:GND;4脚:VCC;5脚:CLOCK;6脚:NC。
2、COM串行接口:是用来连接MODEM等外设的接口,一般的电脑COM口有两个,分别是COM1和COM2,COM1口的I/O地址是03F8H-03FFH,中断号是IRQ4;而COM2口的I/O地址是02F8H-02FFH,中断号是IRQ3;可见COM2口比COM1口的响应具有优先权。
3、LPT并行接口:其默认的中断号是IRQ7,这个接口一般用来连接打印机或扫描仪,采用25脚的DB-25接头与之相接。
LPT接口用来连接打印机或扫描仪时必须要设置好其工作模式,否则外设有可能不正常工作。
并口的工作模式主要有如下几种:SPP标准工作模式,SPP数据是半双工单向传输的,传输速率仅为150Kb/s,速度较慢,但几乎可以支持所有的外设,一般设为默认的工作模式;EPP增强型工作模式,EPP采用双向半双工数据传输,其传输速度比SPP高,可达2MB/s。
EPP可细分为EPP1.7和EPP1.9两种模式,目前较多外设使用此工作模式;ECP扩充型工作模式,ECP采用双向全双工数据传输,传输速率比EPP要高。
实际设置时,可在BIOS中的Chipset Features Setup项中进行设置,使其工作模式与外设所要求的模式相一致,以达到最佳的传输速度。
将一台计算机的串口和另一台计算机的并口通过电缆连接起来,这样就可以使两台计算机相互交换数据进行通讯。
如有A、B两台计算机,如果要进行通讯可这样连接:若A 机用的是9脚COM口,B机用的是25脚LPT口,则A机的5脚“信号地”对B机的7脚“信号地”;A机的3脚“数据发送”对B机的3脚“数据接收”;S机的7脚“请求发送”对B机的5脚“清除发送”;A机的6脚的“数据准备就绪”对B机的20脚“数据终端就绪”;A机2脚“接收数据”对B机2脚的“发送数据”;A机8脚的“清除发送”对B机4脚“请求发送”;A机4脚的“数据终端就绪”对B机6脚的“数据准备就绪”。
多种接口简介及图示VGA接口(D-Sub接口) (1)HDMI (3)RS-232接口 (3)YPbPr接口: (4)BNC接头 (4)S-VIDOE 接口 (7)VGA接口(D-Sub接口)VGA(Video Graphics Array)即视频图形阵列,640×480的分辨率。
是IBM在1987年随PS/2机一起推出的一种视频传输标准,具有分辨率高、显示速率快、颜色丰富等优点,在彩色显示器领域得到了广泛的应用。
XGA (Extended Graphics Array,扩展图形阵列),XGA较新的版本XGA-2以真彩色提供800×600象素的分辨率或以65536种色彩提供1024×768象素的分辨率。
UVGA(Ultra Video Graphics Array,极速扩展图形阵列):支持最大1600×1200分辨率。
HVGA,Half-size VGA,意思是VGA分辨率的一半,为480×320像素,宽高比为3:2。
目前这种分辨率的屏幕大多用于PDA。
QVGA(Quarter VGA)。
顾名思义,QVGA即VGA分辨率的四分之一,亦即分辨率是240×320像素。
SVGA(Super Video Graphics Array,高级视频图形阵列):VGA由于良好的性能迅速开始流行,厂商们纷纷在VGA基础上加以扩充,如将显存提高至1M并使其支持更高分辨率如800X600或1024X768。
SXGA(Super Extended Graphics Array,高级扩展图形阵列):一个分辨率为1280x1024的既成事实显示标准。
这种被广泛采用的显示标准的纵横比是5:4而不是常见的4:3。
SXGA+(Super Extended Graphics Array):作为SXGA的一种扩展,SXGA+是一种专门为笔记本设计的屏幕。
其显示分辨率为1400×1050。
常用连接器及参数一览表1. USB (通用串行总线)- 描述:USB是一种用于连接设备和计算机的通用接口标准。
- 参数:速度、版本、插头类型。
2. HDMI (高清晰度多媒体接口)- 描述:HDMI是一种用于高清晰度音视频传输的接口标准。
- 参数:版本、分辨率、带宽。
3. Ethernet (以太网)- 描述:Ethernet是一种用于局域网数据传输的标准。
- 参数:速度、类型、长度限制、传输介质。
4. Bluetooth (蓝牙)- 描述:蓝牙是一种用于短距离无线通信的技术标准。
- 参数:版本、范围、速率。
5. Wi-Fi- 描述:Wi-Fi是一种用于无线网络连接的技术标准。
- 参数:频段、速度、安全性。
6. VGA (视频图形阵列)- 描述:VGA是一种用于连接计算机和显示器的模拟视频接口。
- 参数:分辨率、带宽、颜色深度。
7. DVI (数字视像接口)- 描述:DVI是一种用于连接计算机和显示器的数字视频接口。
- 参数:分辨率、带宽、类型。
8. DisplayPort- 描述:DisplayPort是一种用于高分辨率音视频传输的接口标准。
- 参数:版本、分辨率、带宽、插头类型。
9. SATA (串行ATA)- 描述:SATA是一种用于连接存储设备和计算机的接口标准。
- 参数:速度、版本、插头类型。
10. Thunderbolt (雷雳接口)- 描述:Thunderbolt是一种高速数据传输和视频输出的接口标准。
- 参数:版本、速度、带宽、插头类型。
以上是一份常用连接器及其参数的一览表,可以根据不同的需求选择适合的连接器进行设备和计算机的连接。
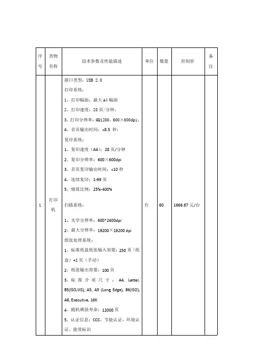
序号货物
名称
技术参数及性能描述单位数量控制价
备
注
1
打印
机接口类型:USB2.0
打印系统:
1、打印幅面:最大A4幅面
2、打印速度:28页/分钟;
3、打印分辨率:HQ1200,600×600dpi;
4、首页输出时间:<8.5秒;
复印系统:
1、复印速度(A4):28页/分钟
2、复印分辨率:600×600dpi
3、首页复印输出时间:<10秒
4、连续复印:1-99页
5、缩放比例:25%-400%
扫描系统:
1、光学分辨率:600*2400dpi
2、最大分辨率:19200×19200dpi
纸张处理系统:
1、标准纸盘纸张输入容量:250页(纸
盒)+1页(手动)
2、纸张输出容量:100页
3、标准介质尺寸:A4,Letter,
B5(ISO/JIS),A5,A5(Long Edge),B6(ISO),
A6,Executive,16K
4、随机硒鼓寿命:12000页
5、认证信息:CCC,节能认证,环境认
证、能效标识
台601666.67元/台。
主要技术参数范文以下是一个关于主要技术参数的简要概述,包括共性技术参数和特定领域的技术参数。
1.共性技术参数1.1外观尺寸:描述产品或设备的外观尺寸和形状,通常包括长度、宽度和高度。
1.2重量:描述产品或设备的重量,通常以千克或磅为单位。
1.3功率:描述产品或设备的功率需求或输出,通常用瓦特或千瓦表示。
1.4工作温度:描述产品或设备的正常工作温度范围,通常以摄氏度或华氏度表示。
1.5工作湿度:描述产品或设备的正常工作湿度范围,通常以百分比表示。
1.6储存温度:描述产品或设备的长期储存温度范围,通常以摄氏度或华氏度表示。
1.7储存湿度:描述产品或设备的长期储存湿度范围,通常以百分比表示。
1.8供电要求:描述产品或设备的供电要求,例如电压、频率和功率因数。
1.9连接接口:描述产品或设备的连接接口类型和数量,例如USB、HDMI、VGA等。
1.10通信协议:描述产品或设备支持的通信协议和接口标准,例如WiFi、蓝牙、以太网等。
2.特定领域的技术参数2.1电子设备:电子设备的主要技术参数包括处理器类型和速度、内存容量、存储容量、显示屏分辨率、电池续航时间等。
2.2机械设备:机械设备的主要技术参数包括功率输出、转速、推力、扭矩、工作精度、噪音水平、机械可靠性等。
2.3汽车:汽车的主要技术参数包括发动机功率、最高车速、加速性能、燃油经济性、乘坐舒适度、安全性能等。
2.4电力设备:电力设备的主要技术参数包括额定功率、电压、电流、频率、功率因数、效率、谐波畸变等。
2.5通信设备:通信设备的主要技术参数包括信号覆盖范围、接收灵敏度、发射功率、带宽、数据传输速率、可靠性等。
2.6医疗设备:医疗设备的主要技术参数包括诊断精度、治疗效果、安全性、工作噪音、辐射水平等。
3.其他考虑因素除了以上列举的主要技术参数外,还应考虑以下因素:3.1产品质量和可靠性:产品的质量和可靠性是衡量产品性能和性价比的重要指标。
3.2节能环保:产品的能源效率和环保性能是现代社会对产品的重要要求之一3.3安全性:产品的安全性能是评估产品是否符合安全标准和法规要求的重要依据。
视频接口大全(HDMI、DVI、VGA、RGB、分量、S端子、USB接口) 2010-07-03 09:241.S端子标准S端子标准S端子连接线音频复合视频S端子色差常规连接示意图S端子(S-Video)是应用最普遍的视频接口之一,是一种视频信号专用输出接口。
常见的S端子是一个5芯接口,其中两路传输视频亮度信号,两路传输色度信号,一路为公共屏蔽地线,由于省去了图像信号Y与色度信号C的综合、编码、合成以及电视机机内的输入切换、矩阵解码等步骤,可有效防止亮度、色度信号复合输出的相互串扰,提高图像的清晰度。
一般DVD或VCD、TV、PC都具备S端子输出功能,投影机可通过专用的S端子线与这些设备的相应端子连接进行视频输入。
显卡上配置的9针增强S端子,可转接色差S端子转接线欧洲插转色差、S端子和AV与电脑S端子连接需使用专用线,如VIVO线2.VGA接口DVI接口正在取代VGA,图为DVI转VGA的转接头VGA是Video Graphics Adapter的缩写,信号类型为模拟类型,视频输出端的接口为15针母插座,视频输入连线端的接口为15针公插头。
VGA端子含红(R)、黄(G)、篮(B)三基色信号和行(HS)、场(VS)扫描信号。
VGA 端子也叫D-Sub接口。
VGA接口外形象“D”,其具备防呆性以防插反,上面共有15个针孔,分成三排,每排五个。
VGA接口是显卡上输出信号的主流接口,其可与CRT显示器或具备VGA接口的电视机相连,VGA接口本身可以传输VGA、SVGA、XGA等现在所有格式任何分辨率的模拟RGB+HV信号,其输出的信号已可和任何高清接口相貔美。
VGA转DVI线,可用在没有VGA接口的设备上目前VGA接口不仅被广泛应用在了电脑上,投影机、影碟机、TV等视频设备也有很多都标配此接口。
很多投影机上还有BGA输出接口,用于视频的转接输出。
3.分量视频接口3RCA连接线标准的3RCA线头分量视频接口也叫色差输出/输入接口,又叫3RCA。
计算机用连接器计算机连接器是一种用于连接各种设备和部件的电子组件。
它们起着桥梁的作用,使得计算机内部的不同部件能够互相通信和传输数据。
连接器的种类繁多,每一种连接器都有其特定的功能和用途。
一、USB连接器USB(通用串行总线)是一种普遍使用的连接器类型,它是连接外部设备和计算机之间的主要接口之一。
USB连接器具有热插拔功能,它可以连接设备,如鼠标、键盘、打印机、摄像头等,方便用户进行数据传输和设备控制。
USB连接器还可以通过高速传输数据,例如,USB 2.0允许最高传输速度达到480Mbps,而USB 3.0可以达到5Gbps。
二、HDMI连接器HDMI(高清多媒体接口)是一种数字音视频接口,用于将计算机或其他设备连接到高清电视、显示器或投影仪上。
HDMI连接器可以提供高质量的音频和视频传输,支持多通道音频和高分辨率图像。
由于其广泛的使用和兼容性,HDMI连接器已成为家庭影音娱乐系统和电脑游戏等领域的标准接口。
三、VGA连接器VGA(视频图形阵列)连接器是一种模拟视频连接器,常用于连接计算机和显示器之间的视频传输。
尽管VGA连接器在数字化时代逐渐被替代,但它仍然广泛应用于老旧的计算机和显示设备。
VGA连接器通常以蓝色的15针D形接头为特征,它可以传输分辨率为640x480至1920x1080的图像信号。
四、RJ45连接器RJ45连接器是用于计算机网络的最常见的连接器之一。
它是一种8针的连接器,通常用于连接计算机、路由器、交换机和调制解调器等网络设备。
RJ45连接器支持以太网标准,可以传输数据信号和网络协议,如TCP/IP。
由于其稳定性和易用性,RJ45连接器成为了家庭和办公网络中的标配。
五、音频连接器音频连接器用于连接计算机和音频设备,如扬声器、麦克风和耳机。
常见的音频连接器类型包括3.5mm耳机插孔和RCA插孔。
3.5mm耳机插孔通常用于连接耳机或扬声器,而RCA插孔则常用于连接音响系统和家庭影院设备。
3m9888t技术参数
摘要:
一、3M9888T简介
二、技术参数详解
1.分辨率
2.帧率
3.传输距离
4.接口类型
5.功率
6.工作温度
7.存储温度
8.湿度
9.抗摔性
10.防护等级
正文:
【3M9888T简介】
3M9888T是一款由知名科技公司3M推出的产品,其在分辨率、帧率、传输距离等方面表现出色,被广泛应用于各种领域。
【技术参数详解】
1.【分辨率】
3M9888T的分辨率高达1920x1080,为用户提供了清晰、细腻的画质。
2.【帧率】
该产品支持高达60帧每秒的帧率,使画面流畅无卡顿。
3.【传输距离】
3M9888T的传输距离最远可达70米,满足大部分应用场景的需求。
4.【接口类型】
该产品具备HDMI和USB接口,方便用户连接各种设备。
5.【功率】
3M9888T的功率仅为5W,节能环保。
6.【工作温度】
该产品适用于的工作温度范围为-10°C至+40°C,适应性强。
7.【存储温度】
3M9888T的存储温度范围为-20°C至+60°C,保证产品在各种环境下的稳定性。
8.【湿度】
该产品适用于5%至95%的湿度环境,具有良好的防潮性能。
9.【抗摔性】
3M9888T具有较高的抗摔性,能够应对一定程度的意外摔落。
10.【防护等级】
3M9888T的防护等级达到IP54,具有一定的防尘和防水性能。
技术参数汇总范文技术参数是指描述和评估技术产品、设备或系统性能的数据和指标。
这些参数通常用于比较不同产品之间的优劣和选择最适合的解决方案。
以下是一些常见的技术参数的汇总,供参考。
1.处理器参数:- 处理器型号:指处理器的型号和系列,如Intel Core i7-9700K。
-处理器核心数:指处理器中的物理或逻辑核心数量。
-处理器频率:指处理器的时钟频率,如3.6GHz。
-处理器架构:指处理器的架构设计,如x86、ARM等。
- 缓存大小:指处理器内的缓存大小,如L1、L2、L3 Cache。
2.存储器参数:-内存容量:指计算机系统中的内存容量,如8GB、16GB等。
-存储类型:指存储器的类型,如DDR4、SSD、HDD等。
-存储容量:指存储媒体(硬盘、固态硬盘等)的容量,如500GB、1TB等。
-存储速度:指存储器的读写速度,如传输速率、响应时间等。
3.显卡参数:- 显卡型号:指显示适配器的型号和系列,如NVIDIA GeForce GTX 1080。
-显存容量:指显卡中的显存容量,如4GB、8GB等。
- 显卡频率:指显卡的工作频率,如基础频率、Boost频率等。
- 显卡接口:指显卡的接口类型,如HDMI、DisplayPort等。
4.显示器参数:-屏幕尺寸:指显示器的对角线尺寸,如27英寸。
-分辨率:指显示器的像素数量,如1920x1080、4K等。
-刷新率:指显示器更新图像的速率,如60Hz、144Hz等。
-面板类型:指显示器的面板技术,如TN、IPS、VA等。
- 亮度:指显示器的最大亮度,通常以cd/m²为单位。
5.无线与有线通信参数:-网络类型:指设备支持的网络类型,如4G、5G、Wi-Fi等。
-频段范围:指设备支持的无线通信频段范围。
-最大传输速率:指设备支持的最大数据传输速率。
- 接口类型:指设备的有线通信接口类型,如USB、Ethernet等。
6.电池参数:-电池容量:指电池储存电能的容量,单位通常为mAh(毫安时)。
附件2:需求明细及技术参数标段一:(一)省法院通讯安全设备(1)单向光闸硬件形态:标准机架式3U机箱,专用安全加固Linux操作系统,冗余电源。
硬件配置:由单向光闸一台设备组成。
单向光闸内外网接口:各必配1个100/1000M Base-TX管理接口,5个100/1000M Base-TX网络接口,2个1000M Base-FX网络接口。
软件系统:必配设备管理系统;(2)请求服务系统服务器硬件形态:标准机架式2U机箱,专用安全加固Linux操作系统,冗余电源。
内网接口:标配1个100/1000M Base-TX管理接口,3个100/1000M Base-TX网络接口。
外网接口:标配1个100/1000M Base-TX管理接口,3个100/1000M Base-TX网络接口。
软件系统:标配设备管理系统。
(3)防火墙(防病毒模块)标准2U机箱,双电源,4个10/100/1000MBase-T电口,一扩展槽位(可根据业务需要扩展光口或者电口),并含2个高速USB2.0接口,可接移动存储进行日志存储;整机吞吐率(bps)≥6G,最大并发连接数≥230万,每秒新建连接数≥4万,包含防病毒模块和病毒库升级服务。
(4)备份服务器标配1颗英特尔至强处理器 2620V4(2.1GHz/8核/20MB/85W),最多支持2颗;标配16GB RD DR 2400MHz (1x16GB)内存, 最大支持24个DDR4内存插槽;标配1个2G FBWC缓存阵列控制器,支持RAID 0/1/5/6;主板集成HDM管理工具(带独立管理端口);标配3个PCIe 扩展插槽及1个FLOM扩展插槽,最多可支持8个标准PCIe3.0插槽;标配8个SAS 2.5英寸热插拔SFF硬盘槽位,支持支持SAS/SATA HDD/SSD硬盘(最高支持前部25个SFF,后部扩展2个LFF加4个SFF);标配4端口千兆网络适配器;标配1个550W通用插槽热插拔高效铂金电源(94%转化率),可选冗余;标配简易机架导轨;可选内置光驱(24 SFF时不可选);2U高度;2.1GHz/8核/20MB/85W CPU模块 *1;DDR4-2400P内存模块-国内版 *7;550W电源 *1;600GB 12G SAS 10K 2.5in EP 512n HDD通用硬盘模块 *3;FHHL 转接卡(支持3个X8 FHHL) *1。
光纤收发器单模单枪技术参数
光纤收发器的技术参数主要包括以下几个方面:
1. 接口类型:光纤收发器有多种接口类型,例如SC、ST、FC等,选择时应根据实际需求选择合适的接口类型。
2. 传输速率:光纤收发器的传输速率从100Mbps到100Gbps不等,应根据实际需求选择合适的传输速率。
3. 传输距离:光纤收发器的传输距离也有多种选择,例如2km、5km、10km等,应根据实际需求选择合适的传输距离。
4. 光波长:光纤收发器的光波长主要有1310nm、1550nm等,应根据实际需求选择合适的光波长。
5. 传输协议:光纤收发器支持多种传输协议,例如TCP/IP、UDP等,应根据实际需求选择合适的传输协议。
6. 工作温度:光纤收发器的工作温度范围一般在-20℃~+60℃之间,可以根据实际工作环境选择合适的工作温度范围。
7. 电源要求:光纤收发器的电源要求一般为直流电源或交流电源,应根据实际供电条件选择合适的电源。
8. 网管功能:一些高端光纤收发器支持网管功能,可以远程管理、控制和监测光纤收发器的运行状态和故障情况。
总的来说,选择光纤收发器时,应综合考虑接口类型、传输速率、传输距离、光波长、传输协议、工作温度、电源要求和网管功能等因素,以确保选择的收发器能够满足实际应用的需求。