杂货船积载
- 格式:pdf
- 大小:1.57 MB
- 文档页数:22
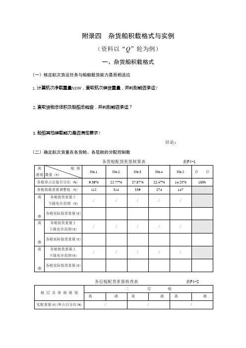
附录四杂货船积载格式与实例(资料以“Q”轮为例)一、杂货船积载格式(一)核定航次货运任务与船舶载货能力是否相适应1.计算航次净载重量NDW,查取航次装货重量,并判别能否承运?2.查取货物总体积及船舶总舱容,并判别能否承运?3.船舶其他装载能力是否满足要求?结论:(二)确定航次货重在各货舱、各层舱的分配控制数各货舱配货重量核算表表F4-1各层舱配货重量核查表表F4-2(三)确定货物的舱位和货位(货物初步配舱)货物配舱的基本要求:(供参考)1.为满足稳性、纵强度和吃水差的要求,各舱实配货物重量应在上、下限范围内,上、下层舱配货重量比应保持在30% ~ 35%;65% ~ 70%;2.合理确定不同货物的舱位和货位;3.忌装货物之间应进行妥善隔离;4.无重货压轻货,易碎品受压现象;5.各舱室实际配货体积至少需小于该舱舱容20m3;6.满足装卸顺序要求,先卸港货不被后卸港货堵住;7.各卸港货物的装载左右均衡,船舶无初始横倾角。
(四)对初配方案进行全面核查各货舱配货容积核查表表F4-3(五)离始发港状态下船舶的稳性、纵向受力和吃水差的核查与调整船舶载荷力矩计算表表F4-5续表F4-5从船舶资料中查取: F4-61.1计算离 港(出发港)时的吃水差t :调整(若需要):1.2 核算船舶离 港(出发港)时的纵强度: 查船舶强度曲线图,船舶处于 状态 调整(若需要):1.3 计算船舶离 港(出发港)时GM 值,判别稳性是否符合要求:结论:调整(若需要):1.4 横摇周期计算:T θ = 0.58 fGMKG B224+ (s)2.1 计算到 港(中途港)时的吃水差t (油、水消耗方案自己拟定,以下同):调整(若需要):2.2 核算船舶到 港(中途港)时的纵强度: 查船舶强度曲线图,船舶处于 状态=∑i i X P20.0GMGM2.0GMGMKG KM GM GMZ P KGCCffii 0+=+=δ--==δ=∆∑==∆∑=ii g X P X =-∆=MTC100)X X (t b g =∑i i X P =∆∑=X P X=-∆=MTC 100)X X (t b g调整(若需要):2.3 计算船舶到 港(中途港)时GM 值,判别稳性是否符合要求:结论:调整(若需要):2.4 横摇周期计算:T θ = 0.58fGMKG B224+ (s)3.1 计算离 港(中途港)时的吃水差t :调整(若需要):3.2 核算船舶离 港(中途港)时的纵强度: 查船舶强度曲线图,船舶处于 状态调整(若需要):3.3 计算船舶离 港(中途港)时GM 值,判别稳性是否符合要求:结论:调整(若需要):3.4 横摇周期计算:20.0GMGM2.0GMGMKG KM GM GMZ P KGCCffii 0+=+=δ--==δ=∆∑==∑i i X P 20.0GMGM2.0GMGMKG KM GM GM Z P KG CCff ii 0+=+=δ--==δ=∆∑= =∆∑=ii g X P X =-∆=MTC 100)X X (t b gT θ = 0.58fGMKG B224+ (s)4.1 计算到 港(目的港)时的吃水差t :调整(若需要):4.2 核算船舶到 港(目的港)时的纵强度: 查船舶强度曲线图,船舶处于 状态 调整(若需要):4.3 计算船舶到 港(目的港)时GM 值,判别稳性是否符合要求:结论:调整(若需要):4.4 横摇周期计算:T θ = 0.58fGMKG B224+ (s)(六)绘制正式积载图二、杂货船积载实例“Q ”轮第038航次计划于11月10日在上海港拟承运下列“装货清单”(表F4-7)所列货物,经苏伊士运河开往英国的伦敦和德国的汉堡港。
一、引言随着我国航运业的快速发展,杂货船作为货物运输的重要工具,其在航运市场中的地位日益重要。
为了提高杂货船的运输效率和安全性,合理进行配积载成为关键。
本次实训旨在通过对杂货船配积载的学习和实践,提高我们对船舶配积载理论知识的掌握程度,并锻炼实际操作能力。
二、实训目的1. 掌握杂货船配积载的基本原理和计算方法;2. 学会运用船舶配积载软件进行实际操作;3. 培养团队合作精神,提高解决实际问题的能力;4. 为今后从事航运相关工作奠定基础。
三、实训内容1. 杂货船配积载基本原理(1)船舶稳性原理:船舶在航行过程中,必须保持一定的稳性,以确保船舶安全。
船舶稳性主要包括初稳性、抗沉性和抗翻性。
(2)船舶配积载计算方法:主要包括船舶重心计算、稳性计算、载重线计算等。
2. 船舶配积载软件操作(1)船舶配积载软件简介:以常见的船舶配积载软件为例,介绍软件的基本功能和使用方法。
(2)软件操作步骤:包括船舶参数输入、货物参数输入、配积载计算、稳性计算、载重线计算等。
3. 实际案例分析(1)选择一个实际杂货船案例,分析其配积载过程。
(2)分析配积载过程中遇到的问题及解决方法。
四、实训过程1. 理论学习通过查阅相关资料,了解杂货船配积载的基本原理和计算方法,为实际操作做好准备。
2. 软件学习熟悉船舶配积载软件的使用方法,掌握软件的基本功能。
3. 案例分析选择一个实际杂货船案例,运用所学知识进行配积载计算和分析。
4. 团队合作分组进行实训,互相交流学习心得,共同解决实际问题。
五、实训成果1. 掌握了杂货船配积载的基本原理和计算方法;2. 熟练运用船舶配积载软件进行实际操作;3. 提高了团队合作能力和解决实际问题的能力;4. 为今后从事航运相关工作奠定了基础。
六、总结本次杂货船配积载实训使我受益匪浅。
通过理论学习、软件操作和案例分析,我对船舶配积载有了更深入的了解。
在实训过程中,我学会了如何运用所学知识解决实际问题,提高了自己的实际操作能力。
3.1杂货船积载3.1.1核算船舶载货能力船舶载货能力是指船舶在具体航次中所能承运的货物数量的最大限额以及承运特殊货物或忌装货物的可能条件和数量限额。
一.船舶载货能力包括: 1.载重能力载重能力是指船舶在具体航次中所能承运货物重量的最大限额,用净载重量表示。
2.容量能力容量能力是指船舶所能容纳货物体积的最大限额。
3.其他载货能力指对特种货的隔离、承载能力。
二.船舶载货能力核算(1)核算目的。
是比较航次货运任务与船舶载货能力是否相适应,以便判明船舶能否接受该航次装货清单中所列的货物品种和数量,如出现船舶的载货重量能力和容量能力均未得到充分利用,即亏舱、亏载过多,应及时联系,尽量争取追加货载,以免造成运力浪费;若货物数量过多,在重量、体积、件数及特殊要求等方面有一项或数项超出船舶相应能力,致使货物不能全部装船,则应及早退掉部分货载,以免影响船舶装载和开航。
(2)核算方法包括计算航次净载重量、确定船舶的特殊载货能力和了解船舶特殊载货能力三方面。
本航次计划所运载的货物能否被船舶全部接受,应满足以下条件: 如有特殊货物,则对船舶结构、设备等方面要求应得到满足。
式中:cchdQ NDWV V V≤'≤+∑∑∑∑Q ∑ --航次货运量(t );cV '∑ --包括亏舱的航次货物体积(m3);VdV --甲板可用载货空间容积(m3)。
3.1.1.1船舶的载重能力一.船舶载重线的确定如果航路上的水深足够,在始发港确定航次最大总载重量时,只须保证船舶在该航次的任一航段、任何时间,船舶两舷相应于所在区带、区域和季节期的载重线上缘不被水淹没即可。
方法如下:(1)整个航次都在同一载重线海区时,按规定的载重线确定DW max ; (2)由低载重线海区驶往高载重线海区时,按低载重线确定DW max ; (3)由高载重线海区驶往低载重线海区时,按下列规则确定DW max :a )当高载重线航段油水消耗量大于等于高、低载重线的排水量之差时,按高载重线确定DW max ;b )当高载重线航段油水消耗量小于高、低载重线的排水量之差时,按低载重线排水量加高载重线航段油水消耗量确定DW max 。
船舶积载第七章 杂货运输上海海事大学商船学院第一节 普通杂货的配积载要求 一、普通杂货的分类 杂货(general cargo)是指各种以包装形式运输的货物。
根据货物在运输、装卸和储存过程中是 否存在特殊危险性,将件杂货分为包装危险货物和一 般件杂货,而件杂货按货物的理化性质和装运要求, 一般可以分为:1)包装液体货(Liquid cargo) :指非危险品的包装液体或半流质货,多以桶装形式运输,如桶装的酒 类、动植物油、蜂蜜、肠衣、化工产品、酱菜等。
该 类货物的包装有大、小铁桶、木桶、塑料桶、鼓形桶 等,单件重量不一,在运输中会发生渗漏,若垛形系 固不牢及堆垛不紧凑将会发生倒塌和移动。
第一节 普通杂货的配积载要求 一、普通杂货的分类 2)气味货(Smelly cargo)指能散发某种异味的货物。
气味货有的是货物自身具 有强烈的气味,如烟叶、辣椒干、棕榈粉、樟脑、化 妆品、香料等;有的是因含其他成分而有特殊异味, 如各种皮类、丝绸等内含樟脑,以防虫害。
3)扬尘污染货(Dusty and dirty cargo)指能散扬粉尘并使其他货物受到污染的货物,如水 泥、石墨、炭黑、颜料等,通常为纸袋、塑料袋等软 包装。
4)易碎货物(Fragile cargo)指受挤压、撞击而易于破碎的货物,如玻璃及其制品、 陶瓷制品、各种瓶装或罐装货物等,通常为箱装。
第一节 普通杂货的配积载要求 一、普通杂货的分类5)食品类货物(Food stuffs)指各种食品、谷物及饲料,如糖果、奶粉、花 生、瓜子、茶叶、调味品、罐头、粮食、药品 等。
由于本类多为供人食用的食品及原料,因 而无论是舱位的卫生条件还是与其他货物的相 容关系都应予以充分考虑。
6)清洁货物(Clean cargo)指不允许混入杂质或被沾染的货物,如滑石粉、 焦宝石、纸浆、镁砂、生丝等。
本类货物一般 对其他货物不会造成危害,但应防止被其他货 物所沾染或掺混。
关于杂货船配积载若干问题的探讨如何确保货物安全的从始发港到达目的港是海运业一致关注的问题,其中涉及到如何对货物进行适当和谨慎的配积载和中途保管;而杂货船的配积载是在众多种类船舶积载中较为复杂的问题,文中通过对杂货船配积载的系列问题阐述,总结如何从理论上编制出一张完整的积载图,从而确保航次任务得以合理和顺利的实施。
标签:货物;杂货船;积载如何确保船舶的每一个航次任务圆满完成是船长和大副特别关注的问题,对于一艘营运的船舶来说,除了确保航行安全外,营运的经济效益是船公司和租船方最为关注的方面。
所以通常在船长接到一个新的航次任务时通常都要仔细的阅读和研究航次任务,在装货之前需要编制出一张合理的积载图。
在工作实践中,许多值班驾驶员不善于把书本上所学的理论知识与实践经验相结合,在积载过程中容易造成一些失误。
一张正确的积载图对于指导码头工人和驾驶员装货过程中的安全和快速性有着重要的意义。
一张完整的积载图应包含以下内容:船舶舱室的装载能力得到充分利用;船体强度和稳性符合规定要求,船舶吃水差符合要求,满足船舶挂港口的装卸顺序,最大限度的缩短船舶在港停留时间,并且能够充分保证货物运输的质量。
以上是对一张正确积载图的几点要求,船舶大副和船长应根据本船的船舶资料和实际情况合理编制货物积载图,以确保航次任务的安全实施[1]。
杂货船的货物积载是在船舶货运积载中难度较大的,这主要是由于杂货船的船体结构以及所承运货物的多样性所决定的。
杂货船(General cargo ship)结构特点主要有一下几个方面1.一般货舱结构分为底舱和二层舱,并且有双层底。
2.有的舱室设置有贵重舱、冷藏舱、深舱等特殊货舱;3.船舶自身配备有克令吊设备;4.装货多样性,装卸货物挂靠港口的数量较多,并且装卸效率较低。
综合以上一些问题,笔者根据多年在远洋船舶上的工作经验,探讨一下杂货船积载图编制的一些若干注意事项。
1核定航次货运任务与船舶载货能力是否相适应。
散杂货物配积载须知1.目的2.适用范围3.职责4.配积载要求5.配积载实施6.船舶吃水7.船舶稳性8.船舶强度9.散货计量10.安全管理记录编写:海务经理审核:指定人员批准:总经理1 目的旨在规范船舶散、杂货物的配载,使船舶保持良好的稳性、适当的吃水和足够的船舶强度,确保船舶航行安全。
2适用范围适用公司散、杂货的配积载。
3职责3.1船长负责对大副编制的《货物配(积)载图》的审批。
3.2大副根据业务部下达的《航次指令》和船舶资料及技术状况,负责《货物配(积)载图》的编制和货物积载工作的实施。
3.3值班驾驶员按照《货物配(积)载图》和大副的要求,监督装卸工人安全作业。
4配积载要求4.1充分利用船舶的舱容和额定的载重量。
4.2确保船体总纵强度和局部强度不受破坏,多层甲板不超过负荷,无严重中垂中拱。
4.3保证船舶具有足够的稳性和适当的吃水差。
4.4合理配载,便于装卸,满足中途港装卸货顺序要求。
5配积载实施5.1受载前,大副应根据业务部下达的航次生产任务,港方(代理)提供的配载方案和装货清单结合本船干舷,稳性资料和设备的技术状况及船舶强度,并根据货物的性质特点编制《货物配(积)载图》,经船长审批签字后组织实施。
5.2大副根据船长审批的《货物配(积)载图》,将装舱顺序、要求和注意事项,明确批注在《货物配(积)载图》上,值班驾驶员应按大副要求认真执行,监督和指导装卸工人严格按“配载图”进行装舱。
装舱计划未经大副同意,不得随意变更。
在执行过程中如有不妥情况或货源变动,大副应会同港方合理调整配载方案。
5.3装卸货结束,大副要仔细阅签相关货运单证,及时处理货损货差,必要时报公司。
5.4船舶遇特殊货种和积载难度大的货物,要及时向海务部汇报。
海务部获悉后严格把关,必要时进行现场指导,防止因积载不当,危及船、货安全。
5.5船舶发生积载质量事故时,海务部应及时进行分析处理,以免扩大损失。
6船舶吃水6.1船舶总载重量必须符合海区季节满载吃水要求,严禁超载。
实验一杂货船配载一、船、港、航线和航次货运任务简介1.船舶选用“Q”轮资料:(舱容系数约为0.619m3/t)(1)教材附录二,P221-228,主要参数、静水力性能表、货舱容积表等;(2)船舶卡片,P126-127,图8-7,8-8;(查舱高、起货设备负荷等)(3)强度曲线图(P59)和最小许用初稳性高度曲线图(P39)。
2.港口和航线全航程中无水深限制,始发港为上海,目的港:题卡1为英国伦敦港,题卡2和3为阿联酋迪拜港,题卡4和5为比利时安特卫普港。
可使用的载重线按评估当日日期查“载重线海图”确定。
(一般都取夏季载重线)。
*6月5日从上海港出发,此时我国沿海南北两个季节热带区域均处于热带季节,到西贡进入赤道海域,又是热带区带,都可以使用热带载重线;然后,不论是到伦敦、安特卫普(均走苏伊士运河)或迪拜,都要进入阿拉伯海季节热带区域,此时(6月1日起)该区域处于夏季,应使用夏季载重线。
对于去伦敦和安特卫普,最终要进入北大西洋冬季季节区带II,此时(4月16日至10月31日)该区域处于夏季,使用夏季载重线。
对于去迪拜,最终进入阿曼湾,又为热带区域。
总之,各航次全航线船舶载重线要求只有热带和夏季两种,不使用冬季载重线。
故都可以使用夏季载重线。
(载重线由热带(高)变到夏季(低),通常可使用夏季载重线加高段油水消耗或直接使用热带载重线)。
3.航次货运任务本航次拟承运题卡中装货清单所列的6票货物。
二、积载步骤和要求1.核定航次货运任务与船舶载货能力是否相适应(1)校核重量,判别能否承运?NDW=∆-∆L-∑G-C根据本轮开航日期和航线以及载重线海图,本航次本轮可使用夏季载重线。
即:∆=∆S=19710t,∆L=5565t(查P211Q轮主要参数)∑G=G1+G2=(1480+322)+28=1830t(查答题卷表5)C=220t(查答题卷表5)所以:NDW=19710-5565-1830-220=12095t从题卡装货清单中查取∑Q,例如:1号题卡,∑Q=5504t当满足:NDW>∑Q时,结论:航次净载重量NDW大于航次装货重量∑Q。
评估项目“货物积载与系固——杂货船配积载”参考答案 题 卡 号:O —gen--1 编 号:JF211题 目:编制杂货船的配积载计划 评估时间:180分钟 评估方式:实操一、 核定航次货运任务与船舶载货能力是否相适应?1. 核定航次净载重量NDW ,查取航次装货重量,并判别能否承运?船舶计划于11月1日在上海港装货后开航去厦门,经查船舶使用夏季载重线,满载排水量为:Δs =19710t 。
t C G NDW L 12095220)283221480(556519710=-++--=-∑-∆-∆=本航次装货重量Q=6832t 结论:航次净载重量大于航次装货重量。
2. 查取货物总体积及船舶总舱容,并判别能否承运?查取货物总体积=∑V14116m 3,船舶总舱容ch V ∑=19591m 3。
结论:船舶总舱容大于航次货物总体积。
3. 船舶其他装载能力是否满足要求?本航次货载任务中有一票“S/O1丝绸”为贵重货,其所需舱容为180m 3,“Q ”轮NO5舱中有一贵重舱,共有舱容259m 3,而且无其他特殊货载。
结论:船舶的承运条件满足航次货载的要求,船舶能够承运载货清单上的所有货物。
二、 确定航次货重在各货舱、各层舱的分配控制数 1. 航次货载在各货舱的分配控制数表2.各层舱配货重量核查表三、确定货物的舱位和货位 (不要做)1. 货物在各货舱的实配货物重量如上表,均在允许装货上下限范围。
二层舱分配货重1904t ,底舱分配货重3600t ,分别保持在30%~35%和65%~70%。
应能满足船舶对稳性、纵强度和吃水差要求。
2. 合理确定不同货物的舱位和货位:(1) “S/O3中国茶叶”安排在NO1和NO2货舱,满足远离热源的要求;(2) “S/O2日用品”为普通货物,安排在NO2的二层舱,与“S/O3中国茶叶”同一室;“S/O4棉纺织品”为清洁货物,“S/O6搪瓷制品”为易碎品;“S/O5大豆”为食品,“S/O6搪瓷制品”为易碎品;它们共一舱室时,不会相互作用而发生货损。
3.1杂货船积载3.1.1核算船舶载货能力船舶载货能力是指船舶在具体航次中所能承运的货物数量的最大限额以及承运特殊货物或忌装货物的可能条件和数量限额。
一.船舶载货能力包括: 1.载重能力载重能力是指船舶在具体航次中所能承运货物重量的最大限额,用净载重量表示。
2.容量能力容量能力是指船舶所能容纳货物体积的最大限额。
3.其他载货能力指对特种货的隔离、承载能力。
二.船舶载货能力核算(1)核算目的。
是比较航次货运任务与船舶载货能力是否相适应,以便判明船舶能否接受该航次装货清单中所列的货物品种和数量,如出现船舶的载货重量能力和容量能力均未得到充分利用,即亏舱、亏载过多,应及时联系,尽量争取追加货载,以免造成运力浪费;若货物数量过多,在重量、体积、件数及特殊要求等方面有一项或数项超出船舶相应能力,致使货物不能全部装船,则应及早退掉部分货载,以免影响船舶装载和开航。
(2)核算方法包括计算航次净载重量、确定船舶的特殊载货能力和了解船舶特殊载货能力三方面。
本航次计划所运载的货物能否被船舶全部接受,应满足以下条件: 如有特殊货物,则对船舶结构、设备等方面要求应得到满足。
式中:cchdQ NDWV V V≤'≤+∑∑∑∑Q ∑ --航次货运量(t );cV '∑ --包括亏舱的航次货物体积(m3);dV d V--甲板可用载货空间容积(m3)。
3.1.1.1船舶的载重能力 一.船舶载重线的确定如果航路上的水深足够,在始发港确定航次最大总载重量时,只须保证船舶在该航次的任一航段、任何时间,船舶两舷相应于所在区带、区域和季节期的载重线上缘不被水淹没即可。
方法如下:(1)整个航次都在同一载重线海区时,按规定的载重线确定DW max ; (2)由低载重线海区驶往高载重线海区时,按低载重线确定DW max ; (3)由高载重线海区驶往低载重线海区时,按下列规则确定DW max :a )当高载重线航段油水消耗量大于等于高、低载重线的排水量之差时,按高载重线确定DW max ;b )当高载重线航段油水消耗量小于高、低载重线的排水量之差时,按低载重线排水量加高载重线航段油水消耗量确定DW max 。
杂货船配载货物积载与系固是海上货物安全运输的重要环节,稍有不慎即会酿成大祸。
我国某远洋运输公司“龙须口”号船在配载时,将漂粉精(含氯量在39%以上的固体漂白剂次氯酸钙)与脂肪酸放在同一舱内积载,结果船舶通过马六甲海峡行驶到印度洋时发生爆炸,整个船舶沉没。
因此,承运人应谨慎合理地履行管理货物的责任和义务,避免货运事故的产生,确保货运质量及船舶安全,并尽可能取得良好的营运效益。
本章主要叙述杂货船配载的基本原则和常规方法,通过本章的学习和实际操作,应能较熟练的掌握杂货船的配载知识,并能合理编制配载计划,熟悉货物积载的基本方法。
为了能够有效地组织好装货工作,船舶在装载前,需根据货清单所列航次运载货物拟定一货物配载计划,该计划称配载图(积载图)。
下面首先介绍杂货船配载图的编制方法。
第一节船舶载货能力的核算充分利用船舶载货能力是运输船舶达到最大营运效果﹑取得最好营运效益的基本要求之一。
在拟定货物装载计划时,首要问题就是要对船舶载货能力予以核算。
不同种类的船舶,其载货能力的核算方法也不尽相同,一般核算方法如下:1. 核算航次净载重量根据本航次的具体航行情况,如港口﹑航道水深情况,船舶航经的海区和所处的季节期及航程长短等因素,首先确定船舶的总载重量DW,方法是如果航线水深不受限,则根据出发港、航行日期和航线确定。
如果航行自我国沿海出发,则应考虑我国1973年参加了1966年《国际载重线公约》,但同时声明中国沿海区域的划分,不受该公约有关规定的约束。
1975年我国制定的《海船载重线规范》中把香港以北的沿海划为热带季节区域(1966年《国际载重线公约》划为夏季区带);香港以南的沿海仍划为热带季节区域,但使用热带载重线的时间比原国际公约规定的时间多了四个月,具体为:我国国际航行船舶,以香港至苏阿尔港的连线为界:自北纬10O以北至连线:热带:自1月21日至9月30日;夏季:自10月1日至1月20日。
连线东北部沿海:热带:自4月16日至9月30日;夏季:自10月1日至4月15日。
“货物积载与系固”评估规范(适用对象:无限、近洋、沿海航区3000总吨及以上船舶二副/三副)1.评估目的通过评估,检验被评估者掌握货物积载与系固基础知识的能力,满足中华人民共和国海事局海员适任考试和评估大纲的有关要求。
2.评估内容2.1杂货船积载2.2非标准货物积载与系固3.评估要素及标准3.1 杂货船配载(70分/120分钟)3.1.1 载货能力的核算(8分)3.1.1.1核算船舶的载重能力(3分)(1)评估要素:①根据航线所经海区确定可使用的载重线;②计算航次净载重量并核算船舶的载重能力。
(2)评估标准:计算完全正确得该项满分,否则不得分。
3.1.1.2核算船舶的容量能力(3分)(1)评估要素:由装货清单所列货物总体积及船舶货舱资料核算船舶的容量能力。
(2)评估标准:核算正确者得该项满分,否则不得分。
3.1.1.3核算特殊载货能力(2分)(1)评估要素:根据船舶条件和航次特殊货物的种类,核算船舶的特殊载货能力。
(2)评估标准:核算正确者得该项满分,否则不得分。
3.1.2分配各舱货物重量(5分)(1)评估要素:按舱容比分配各舱货物重量,并计算出相应各舱装货重量的上下限。
(2)评估标准:计算完全正确者得该项满分,每错一个计算数据扣1分,直至0分。
3.1.3向各舱配装货物(27分)(1)评估要素:向各舱配装货物时应考虑以下因素:①不同种类货物的舱位合理选择;②不同种类货物间的隔离;③货物装卸及安全作业的考虑;④各货舱配货重量和体积的考虑;⑤船舶性能的考虑。
(2)评估标准:①完全符合以上原则得27分;②较小错误每一处扣2分;③一般性错误每一处扣4分;④较严重性错误每处扣8分;⑤货物整体配装较差者,以本项目评估成绩不及格论。
3.1.4全面检查初配方案(5分)(1)评估要素:按上述货物配装所考虑的因素对初配方案进行核查;①填写重量、体积核查表,核查其各货舱配货重量及体积的可靠性、准确性;②校核实际负荷较大处的甲板局部强度。
五、离始发港状态下船舶的稳性、纵向受力和吃水差的核查与调整舯前+舯后-舯前+舯后-No.1二层舱32511.8553.183851.317283.5 底 舱424 6.9752.382955.322209.1No.2二层舱22411.4232.182558.17208.3 底 舱1580 5.5131.308705.849454.0No.3二层舱78011.188.008720.46240.0 底 舱1240 5.357.856634.09734.0No.4二层舱35111.1713.873920.74868.4 底 舱950 5.3713.795101.513100.5No.5二层舱40011.5455.554616.022220.0 底 舱5007.2454.253620.027125.0小 计677450683.0112128.967313.9货物船舶载荷力矩计算表项目重量p i (t)重心高度Z i (m)重心距舯距离X i (m)垂向重量力矩P i Z i(t.m)纵向重量力矩P i X i (t.m)重量p i (t)重心高度Z i (m)垂向重量力矩P i Z i (t.m)No.1燃油舱(左)2030.777.61156.31544.8No.1燃油舱(右)2530.767.61192.31925.3No.2燃油舱(左)1640.7713.88126.32276.3No.2燃油舱(右)2060.7613.95156.62873.7燃油深舱(左)83 6.2543.81518.83636.2燃油深舱(右)83 6.2543.81518.83636.2燃油沉淀舱(左)49.57.1243.85352.42170.6燃油沉淀舱(右)49.57.1243.85352.42170.6燃油日用柜(左)2510.7613.85269.0346.3燃油日用柜(右)2110.6444.00223.4924.0柴油舱(左)94 1.0130.7894.92893.3柴油舱(右)1161.0232.57118.33778.1柴油日用柜(左)1210.7039.35128.4472.2柴油日用柜(右)1210.7039.35128.4472.2柴油沉淀柜3310.7341.51354.11369.8滑油循环柜20 1.3237.6026.4752.0滑油储存柜1710.7043.29181.9735.9气缸油柜(左)7.510.7043.8580.3328.9气缸油柜(右) 6.510.6243.9569.0285.7污滑油舱250.6734.5016.8862.5小计14804064.73470.229984.5饮水柜6011.1025.50666.01530.0淡水舱(左)101 3.3250.80335.35130.8淡水舱(右)129 3.2750.69421.86539.0锅炉水舱19 1.0740.3120.3765.9气缸冷水舱130.9227.4012.0356.2小计3221455.414321.9粮食810.8034.0086.4272船员和行李1015.5030.00155.0300备品1013.0015130.0150船舶常数22010.800.002376.0其他项目重心距舯距离X i (m)纵向重量力矩P i X i (t.m)油淡水小计2482747.4150********.078.63504754802614389########115749.1160218.3从船舶资料中查取1.计算离港时的吃水差,(要求t =-0.3~-0.5m )X g =-3.1t =-2.2调整方法:KM(m)8.71143897.06-0.139190.00MTC(t.m/cm)他空船合计查表引数(排水量)d m (m)X b (m)2.核算船舶离港时的纵强度2236105.134|ΣPiXi| =查船舶强度曲线状态图,船舶处于调整方法:3.计算船舶离港时GM值,判别稳性受否符合要求:KG =7.6δGM f =0.0GM = 1.1GM c+0.2 =0.35GM>GM c+0.217283.522209.17208.349454.06240.09734.04868.413100.522220.027125.0179442.8载荷对舯弯矩|P i X i |(t.m)自由液面倾侧力矩ρi x (t.m)载荷对舯弯矩|P i X i| (t.m)自由液面倾侧力矩ρi x(t.m)备注1544.8 1925.3 2276.3 2873.7 3636.2 3636.2 2170.6 2170.6 346.3 924.0 2893.3 3778.1 472.2 472.2 1369.8 752.0 735.9 328.9 285.7 862.533454.71530.0 5130.8 6539.0 765.9 356.2 14321.9 272.0 300.0 150.00.0722.0227941.4KM(m)GM c(m) 8.710.150。
实验一杂货船配载一、船、港、航线和航次货运任务简介1.船舶选用“Q”轮资料:(舱容系数约为0.619m3/t)(1)教材附录二,P221-228,主要参数、静水力性能表、货舱容积表等;(2)船舶卡片,P126-127,图8-7,8-8;(查舱高、起货设备负荷等)(3)强度曲线图(P59)和最小许用初稳性高度曲线图(P39)。
2.港口和航线全航程中无水深限制,始发港为上海,目的港:题卡1为英国伦敦港,题卡2和3为阿联酋迪拜港,题卡4和5为比利时安特卫普港。
可使用的载重线按评估当日日期查“载重线海图”确定。
(一般都取夏季载重线)。
*6月5日从上海港出发,此时我国沿海南北两个季节热带区域均处于热带季节,到西贡进入赤道海域,又是热带区带,都可以使用热带载重线;然后,不论是到伦敦、安特卫普(均走苏伊士运河)或迪拜,都要进入阿拉伯海季节热带区域,此时(6月1日起)该区域处于夏季,应使用夏季载重线。
对于去伦敦和安特卫普,最终要进入北大西洋冬季季节区带II,此时(4月16日至10月31日)该区域处于夏季,使用夏季载重线。
对于去迪拜,最终进入阿曼湾,又为热带区域。
总之,各航次全航线船舶载重线要求只有热带和夏季两种,不使用冬季载重线。
故都可以使用夏季载重线。
(载重线由热带(高)变到夏季(低),通常可使用夏季载重线加高段油水消耗或直接使用热带载重线)。
3.航次货运任务本航次拟承运题卡中装货清单所列的6票货物。
二、积载步骤和要求1.核定航次货运任务与船舶载货能力是否相适应(1)校核重量,判别能否承运?NDW=∆-∆L-∑G-C根据本轮开航日期和航线以及载重线海图,本航次本轮可使用夏季载重线。
即:∆=∆S=19710t,∆L=5565t(查P211Q轮主要参数)∑G=G1+G2=(1480+322)+28=1830t(查答题卷表5)C=220t(查答题卷表5)所以:NDW=19710-5565-1830-220=12095t从题卡装货清单中查取∑Q,例如:1号题卡,∑Q=5504t当满足:NDW>∑Q时,结论:航次净载重量NDW大于航次装货重量∑Q。
(2)校核容积,判别能否承运?从答题卷表3中查取船舶总舱容(包装舱容)∑Vc ch =19591m 3从题卡装货清单中查取货物总体积∑V C ,例如:1号题卡,∑V C =13194m 3当满足:∑V ch >∑V C 时,结论:船舶总舱容大于货物总体积。
(3)船舶其他装载能力是否满足要求?1号和4号题卡有贵重货丝绸,体积分别为180m 3和200m 3,Q 轮有贵重舱,其舱容为259m 3(查答题卷表3)。
贵重舱容大于贵重货体积,此外,无其他特殊货。
2号、3号和5号题卡:本航次无特殊货。
(总)结论:船舶装运条件能满足本航次货运要求,能够承运。
2.确定航次货重在各货舱、各层舱的分配控制数填写各货舱配货重量核算表(答题卷表1)中各舱装货重量上下限值。
注意:离港填上海港,其他数据待各舱配货完成后再填写。
3.熟悉航次货物并进行分类(1)航次货物概况(共20种货物,没有危险品和扬尘货):1号题卡:丝绸,ctns,纸箱装,贵重货,有轻微气味。
日用品,c/s,箱装,普通货;茶叶,ctns,纸箱装,食品,极怕潮湿和气味,怕热,怕压和污染。
棉纺织品,ctns,纸箱装,普通货,(也有人认为有轻微的樟脑味)。
大豆,bgs,袋装,食品,潮湿货,怕气味、怕污染。
搪瓷制品,ctns,纸箱装,怕压货。
其中,大豆是大票货。
2号题卡:(大豆已述)大米,bags,即bgs,袋装,食品,潮湿货,怕气味、怕污染。
tQ%V V i V V t i P 1461P t i Q V V P chi chi chi chi ichichii 为航次载货总重量,的比值,占全船货舱的总容积舱舱容为第下限取,上限取,舱应分配的货物重量,为第式中:)式()(舱调整量第∑∑∑-+-±∑⨯∑=tNDW t %10NDW V Vi maxmax chi chi 为航次净载重量,)(舱调整量第算法为:例,取自教材附录七积载实,表中各舱调整量已列出⨯⨯∑=文具用品,c/s,箱装,普通货。
纺织品,ctns,纸箱装,普通货。
荞麦,bgs,袋装,食品,潮湿货,怕气味、怕污染。
钢丝网,cls,盘,轻度污染货,一般打底,也怕潮湿。
其中,荞麦是大票货。
3号题卡:(钢丝网、中国茶叶、纺织品已述)卫生纸,rls,卷,极怕潮湿,清洁货。
钢管,bdls,捆,轻度污染货,一般打底,也怕潮湿。
罐头,ctns,纸箱装,食品,极怕潮湿,怕气味、怕污染、怕热。
其中,罐头和纺织品(体积大)是大票货。
4号题卡:(丝绸、中国茶叶、罐头已述)陶瓷制品,ctns,纸箱装,易碎品。
桐油,d/s,铁桶装液体货,污染货,有毒,易挥发,可燃。
桐油的色、味与食用植物油相似,误食会引起中毒。
新闻纸,rls,卷,极怕潮湿,清洁货。
其中,新闻纸和罐头是大票货。
5号题卡:(罐头、搪瓷制品、日用品已述)兔毛,b/s,包,强烈气味货。
塑料制品,c/s,箱装,怕压,怕热。
编织草毯,bls,包或捆,普通货,轻泡货。
其中,罐头和日用品(体积大)是大票货。
(2)这20种货物可分为以下9类:①桶装液体货:桐油;要求配于中部大舱作打底货。
*桐油有4260桶,共重900吨,平均每桶211kg,查教材P121表8-2,一般限高5层。
按桶高1m测算占地面积,若堆5层,堆高5m,货物体积为2070m3,则需占地面积414m2。
Q轮中3号舱底舱容积最大,为3830m3,底舱高7.9m,则底舱面积为485m2,可以装下。
用帆布隔离后,其上还可以装轻泡货或怕压货。
②食品货:中国茶叶,大豆,罐头,大米和荞麦;食品货都怕气味、怕污染,尽量远离热源。
其中,茶叶极怕气味,茶叶和罐头不应配置在靠近机舱的第4、5舱;大米、大豆和荞麦如果必须在第4、5舱配置,则应在积载图的备注栏中注明在靠近机舱舱壁一侧应留出通风通道(图中用垂直虚线表示)。
③强烈气味货:兔毛;要求与食品货等怕气味货分舱室积载;④易碎、怕压货或轻泡货:陶瓷制品,塑料制品,搪瓷制品和编织草毯;陶瓷制品应在二层舱单独积载,其他可配于顶层。
⑤潮湿货(吸收和散发水分货):大米、荞麦和大豆;大票货,应在中部大舱底舱积载,应与怕潮货不同舱。
⑥怕潮货:茶叶、罐头、新闻纸和卫生纸;(钢管和钢丝网)要求与潮湿货严格分舱配装。
钢管和钢丝网也尽量不与潮湿货同舱室。
应尽量避开舱内易产生汗水部位(如露天甲板下、水线附近等)。
⑦贵重货:丝绸;应配载在贵重舱,与贵重舱相邻的5号二层舱不应配置茶叶、罐头等怕气味的货物。
⑧清洁货:新闻纸和卫生纸与污染货分室或不相邻或用帆布隔离。
⑨污染货:桐油、钢管和钢丝网;与食品货分室配置,与清洁货分室或不相邻或用帆布隔离。
⑩其他普通货:日用品,棉纺织品,纺织品和文具用品。
4.拟定配货指导思想和初配方案(1)配载一般原则①先远后近;本航次没有中途挂港,故没有港序问题。
②先特殊后一般;特殊货包括危险品、冷藏货及忌装要求高的货。
③先大票后小票;拆票原则:拆大不拆小。
大票货可拆票,但不宜拆得过散,货物拆票后的总重量、总体积和总件数不应被改变。
④垂向:全船二层舱货重与底舱货重之比应为30-35%:65-70%。
配货时应做到:重不压轻,即:轻、清、易碎货在上层,重、污、耐压货在下层。
按包装形式由上而下一般顺序为:易碎货、纸箱货、木箱货、袋装货、捆装货、大桶货(或耐压的裸装货)。
⑤纵向:各舱配货重量(二层舱+底舱)应在允许配货重量上下限范围内。
⑥横向:横向配货应均衡,两种货同舱室配装应上下铺装,尽量避免左右扎堆,造成船舶横倾。
(2)拟定初配方案①根据配载原则,按货物性质、数量和忌装要求,拟定配货指导思想;②根据指导思想拟定初配方案,注意各舱配货应同时展开,通盘考虑后确定各票货物的舱位和货位;③在积载草图上用铅笔作好各货位数据标注,包括各舱室的容积(应减去20m3)、应配货物重量的上下限等。
5.对初配方案进行全面核查(1)“装货清单”上所列货物是否有重配、漏配?(2)各舱室所配货物是否装得下?(要求每室有20m3的富裕舱容。
)(3)货物纵向和垂向所配货物重量是否满足要求?(4)各舱室所配货物是否互抵?舱位选定是否合适?6.表格计算与填写(1)统计各货舱实际装货重量(二层舱+底舱),填入答题卷表1;(2)统计全船二层舱配货重量及占货物总重量的百分比,填入答题卷表2;(3)统计各舱室实际装货体积,填入答题卷表3。
(4)填写答题卷表5。
分评估和练习两种情形。
评估时,从5份题卡中随机抽一份题卡来做,其中,凡是带*号的项目(管理级要求)都不做。
做练习时,5份题卡都要做。
每人按学号尾数1-5或6-0对应卡号1-5,做一份完整的计算,其余4份按评估方法做。
完整的计算包括:①填写表中货物栏内各舱室货物重量;②计算垂向重量力矩P i Z i (tm)、纵向重量力矩P i X i (tm)和载荷对中弯矩∣P i X i ∣(tm);自由液面倾侧力矩均填0。
③计算合计,只需将货物、油、淡水和其他等栏内小计值及空船值累加得出。
注意,重心高度(第2列)、重心距中距离(第3、4列)小计已涂黑,不计算合计。
④根据排水量(第1列重量的合计值)从船舶资料(教材P221表F2-2)中查取平均吃水d m 、浮心纵坐标X b 、厘米纵倾力矩MTC、稳心距基线高度KM 和最小许用初稳性高度GM C ,并填入表5后的表中。
注意,如果不刚好,可按线性插值取得。
例如,1号题卡,计算得排水量为Δ=13119t,处于表F2-2中排水量Δ1=12820t 至Δ2=13280t 之间,对应的吃水为d 1=6.40m 和d 2=6.60m,则该排水量时的平均吃水为(其他项目插值方法类似):⑤计算离港时船舶重心纵向坐标X g 和吃水差t 并判断,写结论;⑥核算船舶离港时的纵强度,以平均吃水为引数查教材P59图4-5Q 轮强度曲线图(不必查P225数据表),并判断,写结论;⑦计算船舶离港时GM 值(自由液面影响修正值为0)并判别,写结论;当船舶稳性、纵强度和吃水差不满足要求值时,仅要求用文字定性说明拟采用的调整方法。
精度要求:①长度以“m”为单位,精度取2位小数;②件数和力矩精度取整数位;③其他数据(重量、容积等)精度取1位小数。
7.绘制正式积载图(1)积载图标示方法二层舱:以俯视图方式显示(可见舱口形状);底舱:以正视图表示(教材P129错写成侧视图);积载方式标示方法如教材P130图8-9所示。
本航次货票较少,一个舱室一般都只装一票货,m53.640.6)40.660.6(12820132801282013119d )d d (d 112121m =+-⨯--=+-⨯∆-∆∆-∆=所以不必标示积载方式;如果个别舱室要装载2票货,宜上下两层铺装,标示方法:二层舱用左上到右下的斜虚线标示;底舱用水平虚线标示,注意两票货的体积比例。