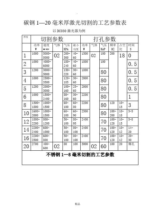
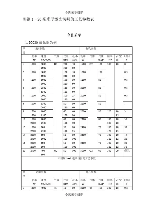
激光切割工艺参数表
- 格式:docx
- 大小:29.43 KB
- 文档页数:3
激光切割机工艺参数表
激光切割技术是一种高效精密的材料加工方法,广泛应用于金属加工、电子器件制造、汽车零部件生产等领域。
激光切割机的工艺参数对加工效果起着至关重要的作用,不同的材料、厚度和要求都需要相应的设置工艺参数。
下面是一份典型的激光切割机工艺参数表,供参考:
工件材料分类:
•金属材料:不锈钢、铝合金、铜等
•非金属材料:有机玻璃、亚克力、木材等
工艺参数表:
参数名称参数数值
最大切割速度30 m/min
光斑直径0.15 mm
切割厚度范围0.5-25 mm
激光功率1000-6000 W
辅助气体种类氮气、氧气、氩气等
辅助气体压力0.5-2.5 Mpa
聚焦镜焦距100 mm
切割质量要求±0.1 mm
切缝宽度控制±0.05 mm
辅助气体流量5-15 L/min
工件温度要求< 60℃
切割边缘粗糙度≤ 12.5 μm
设备功耗15-50 kW
辅助气体纯度> 99.5%
光斑位置精度±0.03 mm
以上参数表仅为参考值,具体的工艺参数还需根据实际情况进行调整和优化。
在使用激光切割机进行材料加工时,操作人员应根据工件要求和材料特性来合理设置工艺参数,以达到最佳的加工效果和质量。
激光切割技术的不断发展和应用将为现代制造业带来更高效、更精密的加工解决方案,激光切割机的工艺参数表也将随之不断优化和完善,以适应各种不同材料和加工需求的应用场景。
激光切割机工艺参数表大全
1. 工艺参数表格式说明
在使用激光切割机进行加工时,合理设置工艺参数是确保切割质量和效率的重
要因素。
下面是一个激光切割机工艺参数表的大全,我们将按照以下格式进行展示:•参数名称:列出各种工艺参数的名称,如切割速度、切割厚度等。
•参数描述:简要说明该参数的作用和影响。
•推荐数值范围:合理的参数取值范围,以便用户根据具体情况进行设置。
2. 激光切割机工艺参数表
2.1 切割速度
•参数描述:切割速度是指激光束在工件表面移动的速度,直接影响切割质量和效率。
•推荐数值范围:50mm/s - 200mm/s
2.2 激光功率
•参数描述:激光功率决定激光束的能量大小,直接影响切割的深度和速度。
•推荐数值范围:1000W - 4000W
2.3 切割厚度
•参数描述:切割厚度是指材料能够有效切割的最大厚度。
•推荐数值范围:0.5mm - 25mm
2.4 激光波长
•参数描述:激光波长是激光束的波长大小,不同波长激光适用于不同材料的切割。
•推荐数值范围:1064nm
2.5 激光介质
•参数描述:激光介质通常为二氧化碳,在工件切割过程中起到传导激光的作用。
•推荐数值范围:二氧化碳
3. 总结
通过合理设置激光切割机的工艺参数,可以有效提高切割质量和生产效率。
对于不同材料和切割要求,需要针对性地调整工艺参数,以获得最佳的加工效果。
希望以上激光切割机工艺参数表的大全能够为您的加工工作提供参考,提高工作效率和产品质量。
激光切割工艺发表于 2009-10-26 20:50 | 只看该作者发表的帖子1#本文章共4286字,分3页,当前第1页,快速翻页:123激光切割工艺激光切割的工艺参数(1)光束横模① 基模又称为高斯模,是切割最理想的模式,主要出现在功率小于1kW的激光器。
② 低阶模与基模比较接近,主要出现在1~2kW的中功率激光器。
③ 多模是高阶模的混合,出现在功率大于3kW的激光器。
切割速度与横模及板厚的关系见图1。
由图可以看出,300W的单模激光和500W的多模有同等的切割能力。
但是,多模的聚焦性差,切割能力低,单模激光的切割能力优于多模。
常用材料的单模激光切割工艺参数见表1,多模激光切割工艺参数见表2。
表1 常用材料的单模激光切割工艺参数材料厚度/mm辅助气体切割速度/cmmin-1切缝宽度/mm功率/W低碳钢3.0O2600.2250不锈钢1.0O21500.140.0O2503.5钛合金10.0O22801.5有机透明玻璃10.0N2800.7氧化铝1.0O23000.1聚酯地毯N22600.5棉织品(多层)15.0N2900.5纸板0.5N23000.4波纹纸板8.0N23000.4石英玻璃1.9600.2聚丙烯5.5N2700.5聚苯乙烯3.2N24200.4硬质聚氯乙烯7.0N21200.5纤维增强塑料3.0N20.3木材(胶合板)18.0N2200.7低碳钢1.0N2450-5003.0N21506.0N2501.2O20.15 2.0O2 400 0.15 3.0O2 250 0.2 不锈钢1.0O2 300 -3.0O2 120 胶合板18.0 N2表2 常用材料的多模激光切割工艺参数材料板厚/mm切割速度/cmmin-1切缝宽度/mm功率/kW铝12230115碳钢6230115304不锈钢4.61302硼/环氧复合材料8165115纤维/环氧复合材料124600.620胶合板25.41501.58有机玻璃25.41501.589.4150120混凝土38568(2)激光功率激光切割所需要的激光功率主要取决于切割类型以及被切割材料的性质。
3000w激光切割机工艺参数表一、激光切割机概述激光切割技术是一种以高能密度激光束进行聚焦,使被加工物产生熔化和汽化,通过激光束与工件相对运动,以实现切割的加工方法。
3000w激光切割机是激光切割领域中常用的设备之一,具有高精度、高效率的特点。
二、激光切割机工艺参数表1. 光学部件参数•激光功率: 3000w•激光类型:光纤激光•波长: 1070nm•光束质量: <2•调制频率: 1-1000Hz2. 加工范围参数•切割速度: 0-20m/min(具体根据不同材料而定)•最大加工尺寸: 3000mm × 1500mm•最大加工厚度:碳钢20mm,不锈钢16mm,铝合金10mm3. 控制系统参数•数控系统: Cypcut•定位精度: ±0.03mm•重复定位精度: ±0.02mm•支持文件格式: AI、DXF、PLT、Gerber等4. 辅助气体参数•辅助气体类型:氮气、氧气、惰性气体等•气体压力: 0.8-2.5MPa•气体流量:根据材料要求进行调整三、操作注意事项1.切勿在无人情况下操作激光切割机。
2.要根据不同的材料选择合适的加工参数,以获得最佳加工效果。
3.定期检查激光器光路是否清洁,确保激光功率稳定。
4.注意保养光学部件,保持其表面清洁,以免影响切割质量。
5.在使用气体时,确保气源充足、稳定,并根据材料要求进行调整。
四、总结3000w激光切割机是一种高效精密的切割设备,具有广泛的应用领域。
合理设置工艺参数,正确操作激光切割机,可以获得高质量的加工效果。
希望通过本文的介绍,能够帮助读者更好地了解3000w激光切割机的工艺参数表及操作技巧。