计算机辅助设计中级级绘图员技能鉴定试题(电路类)
- 格式:doc
- 大小:70.00 KB
- 文档页数:2
Cad考试样题计算机辅助设计绘图员(中级)技能鉴定试题(机械类)题号:M_cad_mid_07考试说明:1.本试卷共6题;2.考生须在考评员指定的硬盘驱动器下建立一个以自己准考证号后8位命名的文件夹作为考生文件夹;3.考生在考评员指定的目录下,查找"Test_07.exe"文件,并双击文件,将文件解压到考生文件夹中,解压密码为abcde(注意字母大小写);4.然后依次打开相应的6个图形文件,按题目要求在其上作图,完成后仍然以原来图形文件名保存作图结果,确保文件保存在考生已建立的文件夹中;5.考试时间为180分钟。
一、基本设置(8分)打开图形文件A1.dwg,在其中完成下列工作:1. 按以下规定设置图层及线型,并设定线型比例;绘图时不考虑图线宽度。
二、用比例1:1作出下图,不标注尺寸。
(10分)绘图前先打开图形文件A2.dwg,该图已作了必要的设置,可直接在其上作图,作图结果以原文件名保存。
三、根据立体已知的2个投影作出第3个投影。
(10分)绘图前先打开图形文件A3.dwg,该图已作了必要的设置,可直接在其上作图,作图结果以原文件名保存。
四、把下图所示立体的主视图画成全剖视图,左视图画成半剖视图。
(10分)绘图前先打开图形文件A4.dwg,该图已作了必要的设置,可直接在其上作图,左视图的右半部分取剖视。
作图结果以原文件名保存。
五、画零件图(附图1)。
(50分)具体要求:1.画3个视图。
绘图前先打开图形文件A5.dwg,该图已作了必要的设置,可直接在其上作图;2.按国家标准有关规定,设置机械制图尺寸标注样式(样式名为“M_cad”);3.标注主视图的尺寸与表面粗糙度代号(表面粗糙度代号要使用带属性的块的方法标注,块名Block Name为“RA”,属性标签Tag 为“RA”,提示Prompt为“RA”);4.不画图框及标题栏,不用标注右上角的表面粗糙度代号及“未注圆角。
”等字样);5. 作图结果以原文件名保存。
《计算机辅助设计师》中级考试试题(理论D卷)基本信息:[矩阵文本题] *1.AutoCAD中不可以设置“自动隐藏”特性的对话框是() [单选题] *A.“选项”对话框(正确答案)B.“设计中心”对话框C.“特性”对话框D.“工具选项板”对话框2.在AutoCAD中设置文字样式可以有很多效果,除了() [单选题] *A.垂直B.水平(正确答案)C.颠倒D.反向3.系统变量“mirrtext”控制镜像文字的可读性,取值为() [单选题] *A.0 保持文字方向(正确答案)B.1 保持文字方向C.0 镜像显示文字D.2 用户自定义4.CAD软件对计算机的硬件要求很高,特别是() [单选题] *A.内存B.显卡和显示器C.硬盘(正确答案)D.软驱5.AutoCAD种CAD标准文件扩展名为() [单选题] *A.dwgB.dxfC.dwtD.dws(正确答案)6.联机设计中心可以浏览计算机、网络、甚至是Internet上各种图形信息,以下哪项是其不能浏览查看的() [单选题] *A.标准部件块B.零部件制造工艺(正确答案)C.CAD库和产品信息D.制造商目录7.有关AutoCAD幻灯片论述不正确的是() [单选题] *A.幻灯片是图形的快照B.幻灯片是一个图形文件C.可以查看幻灯片D.可以在对话框中创建图像控件菜单(正确答案)8.在一个图形文件中布局的个数() [单选题] *A.只能1个B.必须等于模型空间个数(正确答案)C.不超过5个D.根据用户需求设定9.一条直线通过两点(0,0,0)和(1,1,0),另外一条直线通过两点(1,1,1)和(1,0,0),两条直线间的最短距离是() [单选题] *A.0.6124B.0.5774C.0.6014(正确答案)D.0.562410.AutoLISP基于简单易学而又功能强大的LISP编程语言,它是一种() [单选题] *A.自然语言B.需要编译的计算机语言C.表处理语言(正确答案)D.面向对象的编程语言11.应用对象编组进行构造选择集时() [单选题] *A.组内的对象必须多于一个B.必须填写组说明C.如果编组为可选择,则选择该编组中的一个对象将会选择整个编组D.分解编组将删除组内对象(正确答案)12.在图形文件的一个布局中,视口的个数() [单选题] *A.只能1个B.不超过4个C.不超过5个D.根据用户需求设定(正确答案)13.下列哪个项目不能用块属性管理器进行修改() [单选题] *A.属性的可见性B.属性文字如何显示C.属性所在的图层和属性行的颜色、宽度及类型D.属性的个数(正确答案)14.“清除屏幕”会隐藏窗口中除绘图区域、菜单栏和命令行以外的任何内容,在当前用户界面和清除屏幕之间切换的方法是() [单选题] *A.按 CTRL+0(零)组合键(正确答案)B.激活“视图”|“清除屏幕”选项C.按 CTRL+2组合键D.F5功能键15.在AutoCAD中,构造选择集非常重要,以下哪个不是构造选择集的方法()[单选题] *A.按层选择(正确答案)B.对象选择过滤器C.快速选择D.对象编组16.在AutoCAD中使用ActiveX 接口最主要的优点是() [单选题] *A.易于与其他 Windows 应用程序共享数据(正确答案)B.简单易学C.运行速度快D.易于保护源代码17.使用极轴追踪绘图模式时,必须指定() [单选题] *A.增量角(正确答案)B.附加角C.基点D.长度18.可以在布局中指定打印区域相对于图纸左下角的偏移量以调整打印区域相对图纸的位置() [单选题] *A.偏移量必须是正B.偏移量可以是正值也可以是负值(正确答案)C.必须设定偏移量D.偏移量单位是毫米19.创建对象编组和定义块的不同在于() [单选题] *A.是否定义名称B.是否选择包含对象C.是否有基点(正确答案)D.是否有说明20.相对于复制对象,定义并插入块最主要的优点是() [单选题] *A.速度快B.数据结构优化C.便于编辑管理(正确答案)D.可以任意缩放21.Autodesk公司推出AutoCAD 1.0版本的时间是() [单选题] *A.1977B.1982(正确答案)C.1988D.199722.命名打印样式表使用直接指定给对象和图层的打印样式,可以使图形中的每个对象以不同颜色打印,其扩展名为() [单选题] *A.bp3B.stb(正确答案)C.ctbD.pcp23.从选择的选择集中去除对象,可以按住以下哪个键进行去除对象选择() [单选题] *A.EscB.Shift(正确答案)C.CtrlD.Alt24.用旋转命令“rotate”旋转对象时() [单选题] *A.必须指定旋转角度B.必须指定旋转基点(正确答案)C.必须使用参考方式D.可以在三维空间旋转对象25.应用圆角命令“offset”对一条多段线进行圆角操作是() [单选题] *A.可以一次指定不同圆角半径B.如果一条弧线段隔开两条相交的直线段,将删除该弧线段而替代指定半径的圆角(正确答案)C.必须分别指定每个相交处D.圆角半径可以任意指定26.在审阅草图时不需要精确的比例() [单选题] *A.随意指定打印比例B.用1:1打印C.使用“按图纸空间缩放”选项打印(正确答案)D.系统自定义打印比例27.在AutoCAD中应用文字查找和替换功能,确定查找范围不能包括() [单选题] *A.文字对象B.块属性值C.图形文件名称(正确答案)D.超链接28.AutoCAD VBA和VB(Visual Basic) 的主要区别在于() [单选题] *A.VB是Microsoft开发的B.VBA与AutoCAD在同一操作空间运行(正确答案)C.VBA运行速度更快D.VB是可视化编程环境29.在对三维实体进行圆角操作时,如果希望同时选择一组相切的边进行圆角,应该选择以下哪个选项() [单选题] *A.半径(R)B.链(C)(正确答案)C.多段线(P)D.修剪(T)30.应用延伸命令“extend”进行对象延伸时() [单选题] *A.必须在二维空间中延伸B.可以在三维空间中延伸(正确答案)C.可以延伸封闭线框D.可以延伸文字对象31.在AutoCAD中默认存在的命名图层过滤器不包括() [单选题] *A.显示所有图层B.显示所有使用图层C.显示所有打印图层(正确答案)D.显示所有依赖于外部参照的图层32.作为绘制圆弧的选项,“S,C,E”的含义是() [单选题] *A.起点、圆心、端点B.第2点、继续,延伸(正确答案)C.第2点、圆心、终点D.起点、继续、终点33.为了切换打开和关闭正交模式,可以按功能键() [单选题] * A.F8(正确答案)B.F3C.F4D.F234.定义文字样式时,符合国标“GB”要求的大字体是() [单选题] * A.gbcbig.shx(正确答案)B.chineset.shxC.txt.shxD.bigfont.shx35.不是环形阵列定义阵列对象数目和分布方法的是() [单选题] * A.项目总数和填充角度B.项目总数和项目间的角度C.项目总数和基点位置(正确答案)D.填充角度和项目间的角度36.用干涉命令“interfere”可以创建实体的公共部分,如果希望同时检查多个实体,最好() [单选题] *A.把所有实体对象选成单个选择集(正确答案)B.把所有实体对象选成两个选择集C.逐个选择每个实体对象D.两两选择实体对象37.拉伸命令“stretch”拉伸对象时,不能() [单选题] *A.把圆拉伸为椭圆(正确答案)B.把正方形拉伸成长方形C.移动对象特殊点D.整体移动对象38.圆环是填充环或实体填充圆,即带有宽度的闭合多段线,用圆环命令“donut”创建圆环对象时() [单选题] *A.必须指定圆环圆心(正确答案)B.圆环内径必须大于0C.外径必须大于内径D.运行一次圆环命令只能创建一个圆环对象39.AutoCAD 2004在网络方面有很多改进,以下哪个不是() [单选题] *A.许可证借用B.许可证超时C.网络会议(正确答案)D.网络展开40.在AutoCAD中用椭圆命令“ellipse”确定以下参数不能创建椭圆对象的是() [单选题] *A.中心点、一个轴端点和另一半轴长度B.中心点、一个轴端点和旋转角度C.中心点、一个轴端点和离心率(正确答案)D.等轴测圆心和其半径1.用拉伸命令“extrude”创建拉伸实体时,关于路径和倾斜角度论述正确的是()*A.路径和倾斜角度可同时应用B.倾斜角度可以是负值(正确答案)C.倾斜角度必须是正值D.选用路径选项时不能设置倾斜角度(正确答案)2.不同的三维模型类型之间能进行转换,包括() *A.从实体到曲面(正确答案)B.从曲面到线框(正确答案)C.从线框到曲面D.从曲面到实体3.Web图形格式(dwf)文件中控制显示的功能为() *A.打开和关闭图层(正确答案)B.激活命名视图(正确答案)C.冻结和解冻图层D.锁定和解锁图层4.在AutoCAD中可以通过以下方法改变一个系统变量的值() *A.在命令行输入系统变量名,然后键入新的值(正确答案)B.右击,从快捷菜单中选择系统变量,然后键入新的值C.在某些对话框中改变复选框的状态(正确答案)D.在下拉菜单中,选择“工具”|“查询”|“设置变量”进行变量设置(正确答案) 5.透视图和平行投影之间的差别是() *A.透视图取决于相机和目标点之间的距离(正确答案)B.透视图中不能进行平移和缩放视图操作(正确答案)C.平行投影不能进行平移和缩放视图操作D.实际平行线在平行投影中还保持平行,而在透射图中可能不再平行(正确答案) 6.线框模型描绘三维对象的骨架,其包括以下模型信息() *A.点(正确答案)B.线(正确答案)C.面D.体7.发布图形集(Design Publisher)具有以下功能() *A.将图形直接发布到 dwf文件(正确答案)B.可以实时更新外部参照C.可以将设计文件传递个客户D.可以在每个页面设置中指定打印机(正确答案)8.可以缩放视图的显示范围而有不改变图形中对象实际大小的方法是() * A.绘图区域右击选“缩放”选项实时缩放(正确答案)B.缩放命令“zoom”(正确答案)C.缩放命令“sCAle”D.缩放AutoCAD文件窗口9.选用路径创建拉伸实体时,对路径对象有很多限制,包括() *A.路径不能与轮廓共面(正确答案)B.路径不能具有太高的曲率区域(正确答案)C.路径的一个端点必须在轮廓平面上D.路径的一个端点处必须与轮廓所在的平面垂直10.使用“revolve”命令创建旋转实体时,定义旋转轴的方法包括() * A.X轴或A轴(正确答案)B.直线(正确答案)C.多段线(正确答案)D.两个指定的点(正确答案)11.在AutoCAD中可应用面域/质量特性命令“mAssprop”进行查询的对象包括()*A.三维线框模型B.三维表明模型C.三维实体模型(正确答案)D.面域(正确答案)12.在AutoCAD中激活帮助系统的方法有() *A.按F1键(正确答案)B.在命令行中输入“?”然后Enter键(正确答案)C.在命令行中输入“help”然后Enter键(正确答案)D.对话框中单击“帮助”按钮(正确答案)13.有关电子传递功能论述正确的是() *A.不能创建dxf文件的传递集(正确答案)B.自动包含所有相关文件(正确答案)C.自动生成报告文件(正确答案)D.将传递集在Internet上发布(正确答案)14.为了创建一个封闭的多段线线框,可以用以下方法() *A.用多段线命令“pline”直接绘制(正确答案)B.用多段线编辑命令“pedit”把已经存在的线框转换为多段线(正确答案)C.把一个面域分解成多段线线框D.用边界命令“boundrA”创建多段线线框(正确答案)15.在布局空间中创建的对象() *A.仅在布局空间显示(正确答案)B.仅在模型空间显示C.当从布局访问模型空间时,可创建模型空间对象(正确答案)D.不能创建对象1.布尔运算(并集、差集和交集)只能应用于三维实体。
计算机辅助设计绘图员:CAD中级考试题库考点三1、单选直线的投影变换中,平行线变换为投影面()时,新投影轴的设立原则是新投影轴垂直于反映直线实长的投影。
A、倾斜线B、垂直线C、一般位置线D、平行线答(江南博哥)案:B2、单选对计算机绘制的图形,系统可使用()命令得到封闭图形的面积。
A、手工计算B、查询命令C、绘图关系D、计算公式正确答案:B3、单选直线的投影变换中,一般位置线变换为投影面()时,新投影轴的设立原则是新投影轴平行直线的投影。
A、垂直线B、平行线C、倾斜线D、侧平线正确答案:A4、单选画(),可先画物体完整的正等轴测图。
A、三视图B、正等轴测剖视图C、全剖视图D、半剖视图正确答案:B5、单选凡是与轴测轴()的线段,画在三视图上一定与投影轴平行。
A、垂直B、倾斜C、平行D、交叉正确答案:C6、单选零件图上,对铸造圆角的()可在技术要求中用“未注铸造圆角R ×~R×”方式标注。
A、形成原理B、绘制方式C、尺寸标注D、加工方法正确答案:C7、单选AutoCAD用于实心体之间对齐的命令是()。
A.MOVEB.ALIGNC.3DARRAYD.MIRROR3DN正确答案:B8、单选三维实心体面域的编辑命令是()。
A.PEDITB.SPLINEDITC.SOLIDEDITD.DDEDIT正确答案:C9、判断题正等轴测图上的椭圆可用任意四段圆弧来完成。
正确答案:错10、判断题计算机绘图的方法分为屏幕绘图和绘图机绘图两种。
正确答案:错11、单选AutoCAD中,可用()消隐操作将隐藏被前景对象遮掩的背景对象,从而使图形的显示更加简洁,设计更加清晰。
A.变量ISOLINESB.变量FACETRESC.变量DISPSILHD.命令HIDE正确答案:D12、单选投影面垂直线平行于()投影面。
A、二个B、一个C、三个D、四个正确答案:A13、单选画圆锥台的正等轴测图,必须先知()。
A、顶圆直径B、底圆直径C、高D、两端面圆直径和高正确答案:D14、单选形成面域的命令是()。
计算机辅助设计高级绘图员理论试题(电子类DXP高级)(第1套)姓名_______ ___ 准考证号__________ 成绩___________一、单选题(共70题,每题1分。
)1.Protel DXP是用于()的设计软件。
A电气工程 B电子线路 C机械工程 D建筑工程2.Protel DXP原理图文件的格式为()。
A.SchlibB.SchDocC.SchD.Sdf3.Protel DXP原理图设计工具栏共有()个。
A. 5B. 6C. 7D. 84.执行()命令操作,元器件按水平中心线对齐。
A.CenterB.Distribute HorizontallyC.Center HorizontalD.Horizontal5.执行()命令操作,元器件按垂直均匀分布。
A.VerticallyB.Distribute VerticallyC.Center VerticallyD.Distribute6.执行()命令操作,元器件按顶端对齐。
A.Align RightB.Align TopC.Align LeftD.Align Bottom7.执行( )命令操作,元器件按低端对齐.A.Align RightB.Align TopC.Align LeftD.Align Bottom8.执行( )命令操作,元器件按左端对齐.A.Align Right B.Align Top C.Align Left D.Align Bottom风嗯9、测试点报表的功能有()。
A.搜集钻孔孔径B.搜集测试点的坐标C.搜集测试点名称D. 以上都是10.原理图设计时,按下( )可使元气件旋转90°。
A.回车键B.空格键C.X键D.Y键11、原理图设计时,实现连接导线应选择( )命令.A.Place/Drawing Tools/LineB.Place/WireC.WireD.Line12、要打开原理图编辑器,应执行( )菜单命令.A.PCB ProjectB.PCBC.SchematicD.Schematic Library13、在原理图设计图样上放置的元器件是()。
江苏省职业技能统一鉴定计算机辅助设计绘图员(电子类)中级试卷(样卷)考生姓名准考证号(后八位)机位号初评考评员签字复评考评员签字总分考试时间120分钟一、建立工程设计文件(5分)在本考场指定的盘符下,新建一个以学号后三位取名的考生文件夹。
在上述所建的文件夹中建立一个以考生姓名的拼音首位字母命名的工程设计文件(数据库)。
如:“李明”,命名为“LM.ddb”。
二、建立原理图文件(8分)在第一题中所建立的工程设计文件(XXX.ddb)的Documents下新建一个原理图文件,取名为“KKG..sch”。
文件设置:图纸大小为A4,标准格式,捕捉栅格为5mil,可视栅格为10mil;系统字体为黑体、字号10;标题栏格式为Standard;用“特殊字符串”设置标题为“可控硅电原理图”;用“特殊字符串”设置制图者为考生姓名(汉字)。
三、原理图库操作(10分)1.在第一题中建立的工程设计文件(XXX.ddb)的Documents下新建一个原理图库文件,命名为“X2-20B.lib”。
2.在“X2-20B.lib”中建立下图所示的新元件,命名为X2-10A和X2-10B。
四、原理图绘制(15分)在第一题中建立的工程设计文件(XXX.ddb)的Documents下导入考试素材库中Unit3\Y3-05.sch文件,并改名为“X3-05.sch”。
要求:按(附图:X3-05)图样绘制原理图并保存;所有元件名称的字体为华文细黑、大小为10;所有元件类型的字体为华文细黑、大小为12;输入文本“电路图305”字体为华文细黑、大小为14。
五、检查原理图(8分)在第一题中建立的工程设计文件(XXX.ddb)的Documents下导入考试素材库中Unit4\Y4-10.sch文件,并改名为“X4-10.sch”,对该图进行电气规则检查。
1.针对检查报告中的错误修改原理图,直到无错误为止。
2.将最终的电气规则检查文件保存到(XXX.ddb)的Documents中,命名为X4-10.erc.六、PCB图库操作(12分)1.在第一题中建立的工程设计文件(XXX.ddb)的Documents下新建一个PCB库文件,命名为“X6-1.lib”。
计算机辅助设计绘图员:CAD中级考试考试题五1、判断题用EXTRUDE命令拉伸的长方体可以用FILLET命令倒圆角。
正确答案:对2、单选在()中,坐标面与轴测投影面平行,凡与坐标面平行的平面上的圆,轴测投影(江南博哥)仍为圆。
A、正等轴测图B、斜二等轴测图C、正二等轴测图D、三视图正确答案:B3、单选叉架类零件一般需要两个以上基本视图表达,常以工作位置为主视图,反映主要形状特征。
连接部分和细部结构采用局部视图或斜视图,并用剖视图、断面图、局部放大图表达OOA、主要结构B、局部结构C、内部结构D、外形结构正确答案:B4、单选目前,在机械图样中仍采用GB4457.4-84中规定的()种线型。
A、4B、6C、8D、10正确答案:C5、单选点的投影变换中,O到新坐标轴的距离等于旧投影到旧坐标轴的距离。
A、旧投影B、新投影C、正投影D、侧投影正确答案:B6、判断⅛零件按结构特点可分为轴套类、盘盖类、叉架类、箱壳类和薄板类。
正确答案:对7、单选、尺寸线不能用其他图线代替,一般也O与其他图线重合或画在其延长线上。
A、不得B、可以C、允许D、必须正确答案:A8、单选用EXTRUDE命令生成三维实心体时,可以设定拉伸斜度,该角度OOA.必须大于零或小于零B.只能大于零C.在0~90°内可以变化D.数值可正可负,拉伸高度越大相应的角度越小正确答案:D9、单选正垂线平行于O投影面。
A、V、HB、H、WC、V、WD、V正确答案:C10、单选为作图方便,一般取O作为正二测的简化轴向变形系数。
A、p=r=l.22,q=0.6B、p=r=1,q=0.5C、p=r=0.82,q=0.47D、p=r=l,q=0.47正确答案:B11、单选叠加和切割是()的两种组合形式。
A、相贯体B、相交体C、组合体D、基本体正确答案:C12、单选用叠加法绘制组合体的正等轴测图,先用形体分析法将组合体分解成若干个()OA、切割体B、基本体C、圆柱体D、棱柱体正确答案:B13、多选使用RECTANGLE命令绘制一个矩形,并使该矩形具有厚度为100。
计算机辅助设计绘图员:CAD中级考试测试题五1、单选基本尺寸相同,相互结合的孔和轴(),称为配合。
A、同时安装的关系B、永远不分离的关系C、靠在一起的关系D、公差带之间的关系正确答案:D2、单选正等(江南博哥)轴测图的轴间角一共有()个。
A、1B、2C、3D、4正确答案:C3、判断题WORD是目前我国比较流行计算机绘图软件。
正确答案:错4、单选球体的表面可以看作是由一条半圆母线绕其()回转而成。
A、轴线B、素线C、半径D、直径正确答案:D5、多选使用RECTANGLE命令绘制一个矩形,并使该矩形具有厚度为100。
正确的方法为()。
A.用RECTANGLE命令先绘一个矩形,然后用ELEV命令设置厚度为100B.用ELEV命令设置厚度为100,然后用RECTANGLE命令绘制矩形C.用RECTANGLE命令先绘一个矩形,然后用CHANGE命令改变厚度为 100D.在RECTANGLE命令中先设置其厚度为100,然后再绘制矩形E.用RECTANGLE命令先绘一个矩形,然后再用RECTANGLE命令设置厚度为100 正确答案:C, D6、判断题零件按结构特点可分为轴套类、盘盖类、叉架类、箱壳类和薄板类。
正确答案:对7、单选对于零件上用钻头钻出的(),画图时锥角一律画成120o。
钻孔深度是指圆柱部分的深度,不包括锥坑。
A、平面或阶梯面B、光孔或安装孔C、不通孔或阶梯孔D、通孔或阶梯孔正确答案:C8、判断题表面粗糙度主要评定参数中应用最广泛的轮廓算术平均偏差用Ry 代表。
正确答案:错9、单选一个视图和一组灯光能组成一个场景。
用户可以在图形文件中建立()场景。
A.3个B.5个C.不超过20个D.无数个正确答案:D10、判断题工程上常用的投影法有中心投影法和平行投影法。
正确答案:对11、单选轴测剖视图的1/4剖切,在三视图中是()。
A、全剖B、局部剖C、断面D、半剖正确答案:D12、单选箱壳类零件长、宽、高三个方向的主要尺寸基准通常选用轴孔中心线、对称平面、结合面和()。
河南交通技师学院职业技能等级认定制图员中级理论知识试卷 A一、单项选择题:(每题1分,共80分)1.一个典型的微型计算机绘图系统一般是由( )几部分组成的。
A 、主机、图形输入设备、图形输出设备、外存贮器 B 、主机、显示器、图形输入设备、打印机 C 、主机、电源、显示器、鼠标、键盘 D 、主机、电源、图形输入设备、鼠标、键盘 【参考答案】A2.标注圆的直径尺寸时,应在尺寸数字前加注符号“( )”。
A 、R B 、φ C 、SR D 、S φ 【参考答案】B3.( )不能用其他图线代替,一般也不得与其他图线重合或画在其延长线上。
A 、尺寸界线 B 、尺寸线 C 、尺寸线终端 D 、尺寸数字 【参考答案】B4.关于图纸的标题栏在图框中的位置,下列叙述正确的是( )。
A 、配置在任意位置 B 、配置在右下角 C 、配置在左下角 D 、配置在图中央 【参考答案】B5.同一方向的空间直线段,其轴测投影长与其( )之比称作轴向变形系数。
A 、投影长 B 、实长 C 、定长 D 、轴测投影长 【参考答案】B6.用计算机绘图时,显示缩放命令可将屏幕上图形放大,使图形看上去更清晰,实体的尺寸与放大前相比( )。
A 、不一定B 、缩小了C 、增大了D 、不变 【参考答案】D7.画图时,铅笔在前后方向应与纸面( ),而且向画线前进方向倾斜约30o 。
A 、垂直 B 、平行 C 、左斜 D 、右斜 【参考答案】A8.详图索引符号中, ( )。
A 、上半圆注详图编号,下半圆注被索引图纸的编号B 、下半圆注详图编号,上半圆注被索引图纸的编号C 、上半圆注所用标准图册的编号,下半圆注详图编号D 、上半圆注详图编号,下半圆注所用标准图册的编号 【参考答案】A9.标注绝对标高的房屋图样是房屋的( )。
A 、建筑平面图B 、总平面图C 、基础平面图D 、结构平面图 【参考答案】B10.制图标准规定,剖视图分为全剖视图、( )、局部剖视图。
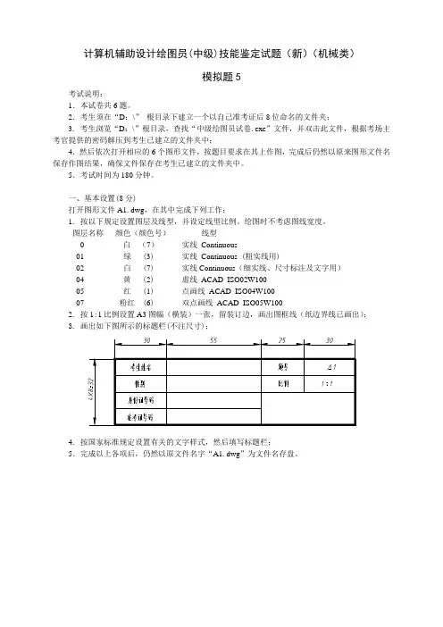
计算机辅助设计绘图员(中级)技能鉴定试题(新)(机械类)模拟题5考试说明:1.本试卷共6题。
2.考生须在“D:\”根目录下建立一个以自己准考证后8位命名的文件夹;3. 考生浏览“D:\”根目录,查找“中级绘图员试卷.exe”文件,并双击此文件,根据考场主考官提供的密码解压到考生已建立的文件夹中;4.然后依次打开相应的6个图形文件,按题目要求在其上作图,完成后仍然以原来图形文件名保存作图结果,确保文件保存在考生已建立的文件夹中。
5.考试时间为180分钟。
一、基本设置(8分)打开图形文件A1.dwg,在其中完成下列工作:1. 按以下规定设置图层及线型,并设定线型比例。
绘图时不考虑图线宽度。
图层名称颜色(颜色号)线型绘图前先打开图形文件A4.dwg,该图已作了必要的设置,可直接在其上按所给的定位点O 作图(定位点的位置不能变动),左视图的右半部分取剖视。
作图结果以原文件名保存。
五、抄画零件图(附图1)。
(50分)具体要求:1.抄画3个视图。
绘图前先打开图形文件A5.dwg,该图已作了必要的设置,可直接在其上按所给的定位点O作图(定位点的位置不能变动);2.按国家标准的有关规定,设置机械图尺寸标注样式;3.注主视图和左视图的尺寸与粗糙度代号(粗糙度代号要使用块的方法标注)。
4.不用画图框及标题栏,不用注写右上角的粗糙度代号及“未注圆角。
”等字样);5.作图结果以原文件名保存。
附图1六、由给出的双向扶杆支座装配图(附图2)拆画零件2(中支座)的零件图。
(12分)具体要求:1.绘图前先打开图形文件A6.dwg,该图已作了必要的设置,可直接在该装配图上进行删改以形成零件图,也可以全部删除从新作图。
所给的定位点O的位置都不能变动;2.选取合适的视图;3.标注尺寸,包括已给出的公差代号(不注表面粗糙度代号和形位公差代号,技术要求只填写未注圆角一项);4.不画图框和标题栏;5.作图结果以原文件名保存。
附图2。
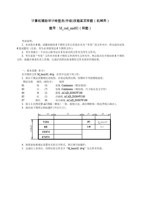
计算机辅助设计绘图员(中级)技能鉴定样题(机械类)题号:M_cad_mid02(样题)考试说明:1.本试卷共6题,试题初始的6个图形文件已存放在名为“考卷”的文件夹中,供完成本试卷6道试题用(注意,考生必须使用这6个图形文件);2.考生须建立一个以自己准考证后8位命名的文件夹为考生文件夹;3.考生复制“考卷”文件夹中的6个图形文件到考生文件夹中,然后依次打开相应的6个图形文件,按题目要求在其上作图,完成后仍然以原来图形文件名保存作图结果。
一、基本设置(8分)打开图形文件M_basic02.dwg,在其中完成下列工作:1. 按以下规定设置图层及线型,并设定线型比例;绘图时不考虑图线宽度。
图层名称颜色(颜色号)线型01绿 (3) 实线Continuous (粗实线用)02白 (7) 实线Continuous(细实线、尺寸标注及文字用)04黄 (2) 虚线ACAD_ISO02W10005红 (1) 点画线ACAD_ISO04W100图形文件M_basic02.dwg见下图。
二、用比例1∶1作出下图(图中O点为定位点),不注尺寸。
(10分)绘图前先打开图形文件M_arc02.dwg。
该图已作了必要的设置,可直接在其上按所给的定位点O作图(定位点的位置不能变动)。
作图结果以原文件名保存。
图形文件M_arc02.dwg见下图。
三、根据已知立体的2个投影作出第三个投影。
(10分)四、把已知立体的主视图作成半剖视图、把左视图作成全剖视图。
(10分)绘图前先打开图形文件M_sect02.dwg,该图已作了必要的设置,可直接在其上按所给的定位点O作图(定位点的位置不能变动)。
作图结果以原文件名保存。
五、抄画零件图(附图1)。
(50分)具体要求:1.画三个视图。
绘图前先打开图形文件M_part02.dwg,该图已作了必要的设置,可直接在其上按所给的定位点O作图(定位点的位置不能变动);2.按国家标准有关规定,设置机械图尺寸标注样式;3.标注主视图的尺寸与粗糙度代号(将粗糙度代号定义成带属性的图形块,再使用插入块的方法标注);4.不画图框及标题栏,不用注写右上角的粗糙度代号及“未注圆角。
中级制图员题库(附参考答案)一、判断题(共100题,每题1分,共100分)1.()计算机绘图时,对话框是执行命令的一种形式,对话框中包括标题、坐标轴、选择项等内容。
A、正确B、错误正确答案:B2.()空间互相平行的线段,在同一轴测投影中一定互相平行。
A、正确B、错误正确答案:A3.()键是用来连接轴和装在轴上的传动零件,起防止零件脱落、增大传递动力的作用。
A、正确B、错误正确答案:B4.()我国《合同法》规定属于实践合同的有委托合同。
A、正确B、错误正确答案:B5.()绘制圆的对称中心线时应用粗实线绘制。
A、正确B、错误正确答案:B6.()缩放命令“zoom”和缩放命令“scale”都可以调整对象的大小,可以互换使用。
A、正确正确答案:B7.()点的正面投影与水平面的投影的连线一定垂直与X轴。
A、正确B、错误正确答案:A8.()铅垂线在H面的投影积聚为一个点。
A、正确B、错误正确答案:A9.()用圆规画大圆时,可用加长杆扩大所画圆的半径,使针脚和铅笔脚均与纸面保持平行。
A、正确B、错误正确答案:B10.()在三面投影体系中,主视图,俯视图,左视图之间保持长对正,高平齐,宽相等的原则。
A、正确B、错误正确答案:A11.()讲究质量就是要做到自己绘制的每一张图纸都能符合图样的规定和产品的要求,为生产提供可靠的依据。
A、正确B、错误正确答案:A12.()用人单位以暴力、威胁或者非法限制人身自由的手段强迫劳动的,劳动者可以随时通知用人单位解除劳动合同。
A、正确正确答案:A13.()当正交命令ORTHO为ON时,只能画水平和垂直线,不能画斜线。
A、正确B、错误正确答案:B14.()零件测绘时,值不大又没有精度要求的线性尺寸可用直尺来测量。
A、正确B、错误正确答案:B15.()我国《合同法》规定属于实践合同的有保管合同。
A、正确B、错误正确答案:A16.()两表面相接时,不管相接表面是否平齐,在相接处都必须画线。
计算机辅助设计绘图员(中级)技能鉴定试题机械类题号:00考试说明:1.本试卷共七题;2.考生须在考评员指定目录下建立一个以本人准考证号码后8位命名的文件夹;3. 考生浏览考评员指定目录,查找“中级绘图员试卷.exe”文件,并双击此文件,根据考场主考官提供的密码解压到考生已建立的文件夹中;4.打开相应的图形文件,按题目要求在其上作图,完成后仍然以原来图形文件名保存作图结果,确保文件保存在考生已建立的文件夹中;5.考试时间为180分钟。
一、基本设置(10分)打开图形文件A1.dwg,在其中完成下列工作:1. 按以下规定设置图层及线型,并设定线型比例;绘图时不考虑图线宽度。
图层名称颜色(颜色号)线型01 白(7) 实线Continuous (粗实线用)02 绿(3) 实线Continuous(细实线用)04 黄(2) 虚线ACAD_ISO02W100(细虚线用)05 红(1) 点画线ACAD_ISO04W100(细点画线用)07 粉红(6) 双点画线ACAD_ISO05W100(细双点画线用)08 绿(3) 实线Continuous(尺寸标注、公差标注、指引线、表面结构代号用)09 绿(3) 实线Continuous (装配图序列号用)10 绿(3) 实线Continuous (剖面符号用)11 绿(3) 实线Continuous(细实线文本用)2. 按1:1比例设置A3图幅(横装)一张,留装订边,画出图框线(图纸边界线已画出);3. 按国家标准规定设置有关的文字样式(样式名为“机械样式”,包含“gbeitc.shx和“gbcbig.shx”字体),然后画出并填写如下图所示的标题栏,不标注尺寸;4. 完成以上各项后,仍然以原文件名保存。
二、绘制平面图形。
(10分)打开图形文件A2.dwg,该图已作了必要的设置,用比例1:1作出下图,不标注尺寸,作图结果以原文件名保存。
三、根据立体已知的2个投影作出第3个投影。
计算机辅助设计绘图员:CAD中级考试考试题三1、单选执行()命令绘制实心的二维图形,再使该对象具有厚度,可显示出顶面有盖的效果。
A.PLINEB.LINEC.CIRCLED.SPLINE正确答案:A2(江南博哥)、单选配合的种类有间隙配合、()、过渡配合三种。
A、无隙配合B、过紧配合C、过松配合D、过盈配合正确答案:D3、判断题在执行三维旋转命令ROTATE3D时,能用标准的X、Y、Z轴作为旋转轴的方向。
正确答案:对4、单选UCS图标表示UCS坐标的方向和当前UCS原点的位置,也表示相对于UCS()的当前视图方向。
A.ZX平面B.YZ平面C.XY平面D.VIEW平面正确答案:C5、多选执行ELEV命令后具有厚度属性的二维图元有()。
A.LINEB.CIRCLEC.ARCD.TEXTE.PLINE正确答案:A, B, C, D, E6、单选标注组合体尺寸时的基本方法是()。
A、形体分解法B、形体组合法C、空间想象法D、形体分析法和线面分析法正确答案:D7、单选画正六棱柱的正等轴测图,一般先画出()。
A、侧面B、顶面C、底面D、高正确答案:B8、判断题布尔运算可以对任意的三维对象作集合运算。
正确答案:错9、单选在计算机绘图中,图层的状态包括,层名、线型、颜色、打开或关闭以及()等。
A、是否为绘图层B、是否为当前层C、是否为尺寸层D、是否可用正确答案:B10、单选()是两立体表面的共有线,是两个立体表面的共有点的集合。
A、相贯线B、截交线C、轮廓线D、曲线正确答案:A11、多选三维编辑命令中的对齐(ALIGN)命令能用于()。
A.二维平面中的对齐B.三维空间中的对齐C.A,B都可以D.A,B都不可以E.以上都不对正确答案:A, B, C12、单选在三维空间画多线段用()命令。
A.多线段PLINEB.三维多线段3DPOLYC.PLINE或3DPOLYD.LINE正确答案:B13、单选用计算机绘图时,栅格捕捉的作用是为了得到屏幕上()。
计算机辅助设计绘图员技能鉴定样题(电路类DXP )
题号:CADXX2
说明:
试题共两页三题,考试时间为3小时,本试卷采用软件版本为Protel DXP 。
上交考试结果方式:
1、考生须在监考人员指定的硬盘驱动器下建立一个考生文件夹,文件夹名称以本人学号10位阿拉伯字来命名(如:准考证1234567890的考生以“1234567890”命名建立文件夹);项目名用自己姓名汉语拼音首字母命名
2、考生根据题目要求完成作图,并将答案保存到考生文件夹中。
一、抄画电路原理图(34分)
1、 在考生的设计文件下新建一个原理图子文件,文件名为sheet1.SchDoc ;
2、
按下图尺寸及格式画出标题栏,填写标题栏内文字(注:考生单位一栏填写考生所在单位名称,无单位者填写“街道办事处”,尺寸单位为:mil );
考生姓名准考证号码身份证号码评卷姓名
题号出生年月日
成绩性别
20
20
202070
110
60
60
30
20
(考 生 单 位)
3、 按照附图一内容画图(要求对FOOTPRINT 进行选择标注);
4、 将原理图生成网络表;
5、
保存文件。
二、生成电路板(50分)
1、 在考生设计文件中新建一个PCB 子文件,文件名为PCB1.PcbDoc ;
2、 利用上题生成的网络表,将原理图生成合适的长方形双面电路板,规格为X:Y=4:3;
3、
电路板的布局不能采用自动布局,要求按照信号流向合理布局(从上至
下,从下至上,从左至右,从右至左)。
要修改网络表,使得IC 等的电源网络名称保持与电路中提供的合适电源的网络名称一致。
4、 将接地线和电源线加宽,介于于20mil 至50mil 间;
5、
保存PCB 文件。
三、制作电路原理图元件及元件封装(16分)
1. 在考生的设计文件中新建一个原理图零件库子文件,文件名为schlib1.
SchLib ;
2. 根据附图二的原理图元件,要求尺寸和原图保持一致,元件命名为AMP,
图中每小格长度为10mil ;
3. 在考生设计文件中新建一个元件封装子文件,文件名为PCBlib1. PcbLib ;
4. 抄画附图三的元件封装,要求按图示标称对元件进行命名(尺寸标注的
单位为mil ,不要将尺寸标注画在图中); 5. 保存两个文件;
6. 退出绘图系统,结束操作。
附图二:原理图元件DPY
附图三:元件封装DIP8
附图一:(见下页)。