礼品盒成品检验标准
- 格式:doc
- 大小:107.00 KB
- 文档页数:6
高品质盒子检验要求
概述
本文档旨在确定对高品质盒子进行检验的要求。
通过遵守这些要求,我们将能够确保所生产和提供的盒子符合高品质标准,并满足客户的期望。
检验步骤
以下是进行高品质盒子检验的步骤:
1. 检查外观:检查盒子的整体外观,包括边缘、角落、印刷质量等。
确保外观没有明显的损坏、污渍或印刷错误。
2. 测量尺寸:使用合适的工具测量盒子的长度、宽度和高度,以确保尺寸符合规定要求。
任何超出规定范围的尺寸都需要被记录并报告。
3. 检查材质质量:检查盒子使用的材质质量,包括厚度、强度等。
确保材质质量符合相关标准,以确保盒子的耐久性和质量。
4. 检查印刷质量:仔细检查盒子上的印刷质量,包括图像清晰度、颜色准确性、印刷位置等。
确保印刷质量符合要求,以确保盒子外观的完美。
5. 检查组装质量:检查盒子的组装质量,确保边缘无缺口、角落无开口,同时确保盒子能够牢固地装配在一起。
6. 进行功能测试:根据盒子的设计和用途,进行合适的功能测试。
例如,如果盒子设计用于保护物品,可以进行物品放置和震动测试等。
结论
通过按照上述检验要求进行盒子检验,我们可以确保提供给客户的盒子都符合高品质标准。
这将帮助我们维护良好的声誉,并满足客户的期望。
请注意,这些检验要求仅适用于高品质盒子,对于不同材质、用途或成本要求的盒子可能会有所不同。
因此,在实施此检验程序之前,请确保您已明确盒子的相关要求和规范。
以上为高品质盒子检验要求,如有疑问或需要进一步帮助,请随时与我们联系。
礼品盒成品检验标准包装类成品检验标准本操作指引旨在更好地关注和监控产品品质,适用于所有包装类成品检验(客户特别品质要求除外)。
抽样计划:参照《抽样检验标准》(MIL-STD-105E II)进行单次抽样,AQL为CR: 0,MAJ: 1.0,XXX: 2.5.检验条件:工具包括卷尺、直尺、菲林尺、密度仪、光度仪等。
目测检验在60W的白炽灯下进行,眼睛距离待检物3~40CM。
定义:严重缺陷(致命缺陷)指会影响产品的使用性能或干扰产品的正确使用,或危及人身安全的缺陷;主要缺陷指影响或降低产品使用性能的缺陷;次要缺陷指会影响或降低产品外观的缺陷;A级面是指主面,即产品立放可正视面;B级面是指产品立放盒体侧面、后面盒、内盒正前面;C级面是指产品立放后底面或其它面(包括产品盒内面)。
度量代码:度量代码包括面积(S)、长度(L)、数量(N)、距离(D)和宽度(W)。
检验标准内容:检验项目包括印、材质、规格尺寸、印刷文字图像、产品编号、产品版本号、色差和套印不准。
检验标准要与客户要求及承认样办一致,印刷内容、图案与样办一致,产品编号、版本号与工程资料及客户要求的一致。
专色密度值允许±5%,四色密度值允许±3%。
A级面套印公差允许0.10mm,B、C级面套印公差允许0.15mm。
检验工具/仪器:包括目测、测厚规、卷尺或直尺、工程单、样办、客供资料、密度仪、客样办和PANTONE等。
缺陷类型:包括CR、MAJ和XXX。
具体缺陷类别包括墨屎、白点、黑点、异色点、脏点、缺字、字崩、版花和粘花。
检验标准:A级面文字图像不可有,其它部位S≤0.3M㎡,N≤1可接受;B级面文字图案部位S≤0.3M㎡,N≤1,其它部位S≤0.7M ㎡,N≤1可接受;C级面文字图案S≤0.5M㎡,N≤1不可有,其它部位S≤1.0M㎡,N≤1可接受。
A级面不可有,B、C级面不可超过全字的1/5,且能够正确识别字体内容。
文章中存在一些格式错误,删除了明显有问题的段落,并对每段话进行了小幅度修改。
精品包装盒检验标准精品包装盒是产品的外在形象,直接关系到产品的形象和质量,因此包装盒的质量检验尤为重要。
为了确保精品包装盒的质量,制定了一系列的检验标准,以便在生产过程中进行检验,保证产品质量。
下面将介绍精品包装盒的检验标准。
首先,对于包装盒的材料要求。
包装盒的材料应符合国家相关标准,应该是无毒、无害、环保的材料。
在检验时,要对原材料进行抽样检测,检测材料的成分、含量,以及是否符合国家相关标准。
同时,还要对材料的强度和耐磨性进行测试,确保材料的质量。
其次,对于包装盒的印刷要求。
包装盒的印刷应该清晰、色彩饱满、无色差、无漏印、无脱落。
在检验时,要对印刷样品进行放大观察,检查印刷的清晰度和色彩是否符合要求。
同时,还要进行摩擦测试和湿度测试,确保印刷的牢固性和耐久性。
再次,对于包装盒的成型要求。
包装盒的成型应该整齐、无破损、无毛刺、无错位。
在检验时,要对成型样品进行外观检查,检查成型的整齐度和完整度。
同时,还要进行压力测试和抗拉测试,确保成型的牢固性和稳定性。
最后,对于包装盒的包装要求。
包装盒的包装应该牢固、美观、无破损、无错位。
在检验时,要对包装盒进行包装后的外观检查,检查包装的牢固度和美观度。
同时,还要进行振动测试和压力测试,确保包装的耐用性和保护性。
总之,精品包装盒的质量检验标准涉及到材料、印刷、成型和包装等多个方面,需要综合考虑。
只有严格按照标准进行检验,才能确保包装盒的质量符合要求,提升产品形象,增强竞争力。
希望生产企业能够重视包装盒的质量检验工作,确保产品质量,赢得消费者的信赖和支持。
简单的包装盒检验程序
1、根据库房请验单,样根据包材的取样规则进行现场随机抽样,在抽样过程中注意包装盒的外观、印刷质量进行初检,若发现同批次的包装盒由于外观、印刷质量方面引起的问题,可以直接通知库房此批盒子为不合格品。
通知采购及时与供应商协调退货。
2、将抽到的样品与签字稿核对注意以下几个方面:
①文字错误或部分文字、商标、图案、色块漏印
②尺寸与样稿是否一致(用游标卡尺分别测量盒的长、宽、高,尺寸偏差应为标准规定的 0.5mm)
③混有其他品种的彩盒
④盒与盒之间是否粘着,盒的内壁是否粘着,盒的粘合边缘,挡在拆开时是否出现撕裂情况
3、针对检验结果出具相关报告。
盒子的品质检验标准有哪些?盒子作为包装行业中不可或缺的一种包装形式,经常用于商品的运输和存储。
为了保证盒子的品质,我们需要进行一系列的检验。
下面是盒子的品质检验标准,以供参考:一、外观检验1.1 盒子的外观应该整洁、无划痕、无凹陷,在光线的照射下不应有明显的异物或光斑。
1.2 盒子的尺寸应符合设计要求,无明显的变形或变色。
1.3 盒子的印刷品质应良好,无模糊、漏印等问题,并且图案的颜色和对比度应符合设计要求。
1.4 盒子的拼接部位应牢固,不可有明显的开裂或脱胶现象。
二、物理性能检验2.1 盒子的压缩强度应符合标准,能够承受一定的外力而不会变形或破裂。
2.2 盒子的抗湿和防水性能应良好,能够在潮湿环境下保持稳定的结构和印刷品质。
2.3 盒子的耐冲击性能应符合标准,能够保护商品免受外部冲击的影响。
2.4 盒子的重量应符合设计要求,过重或者过轻的盒子都会影响商品的运输和使用。
三、材料质量检验3.1 盒子的材料应符合环保要求,不应含有对人体有害的物质。
3.2 盒子的纸张质量应良好,不应有明显的纤维断裂、破损或纸面泛黄。
3.3 盒子的胶水和油墨应符合国家标准,不应有刺激性气味,不会对商品造成污染。
四、功能性能检验4.1 盒子的开口和关闭方式应方便易用,不易损坏或变形。
4.2 盒子的封口性能应良好,能够有效地防止外部物体进入盒内。
4.3 盒子的堆码能力应符合要求,能够承受一定的重叠压力而不会倒塌或变形。
4.4 盒子的透气性能应良好,避免商品在密闭环境中产生潮湿或氧化。
五、质量控制检验5.1 盒子的加工精度应符合要求,不应有明显的误差或偏差。
5.2 盒子的生产工艺应合理,避免出现明显的生产瑕疵或者工艺缺陷。
5.3 盒子的生产批次应进行追踪,以便及时发现和排查生产问题。
5.4 盒子的包装和运输处理应符合标准,避免在包装和运输过程中产生损坏。
以上是盒子的品质检验标准,通过严格按照这些标准进行检验,可以保证盒子的品质和性能符合要求,从而确保商品的质量和安全。
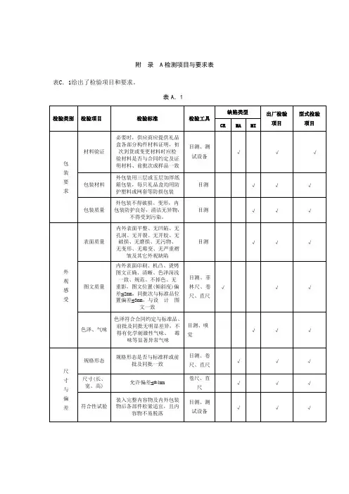
词与物礼品盒检验验收标准1 适用范围本标准适用于本公司定制的木质、纸质礼品盒的采购、检验、生产使用与仓储等环节的质量控制。
2 规范性引用文件下列文件中的条款通过本规程的引用而成为本规程的条款,凡是不注版本日期的引用文件,其最新版本适用于本规程。
GB6543-1986瓦楞纸箱GB4857.4运输包装件基本试验压力试验方法GB4857.5运输包装件基本试验垂直冲击跌落试验方法GB/T2828.1-2003计数抽样检验程序按接收质量限(AQL)检索的逐批检验抽样计划GB/T19786-2005木质包装容器检测规程3 分类根据材料的不同,礼品盒可分为木质礼品盒、纸质礼品盒。
4 贮运条件4.1 运输条件礼品盒运输应使用清洁卫生的运输工具,运输过程中须防止剧烈震动,避免受到雨淋、曝晒、受潮和污染,装卸时要轻拿轻放。
4.2 贮存条件须室内贮存,不得露天堆放,避免受外物污染,应放置于干燥、通风的环境中,避免日光照射,堆放时距地面高度大于150mm。
5 检验项目及技术要求表1:礼品盒检验项目及技术要求2/93/96.1 材料验证根据抽样方案随机抽取样本,必要时将样本各部分剖开,在光线充足的地方目测礼品盒内部材料,木质、纸质礼品盒重点查看内部材料种类、密度、厚度,与供应商提供材料证明以及标准品对照是否符合要求。
6.2包装材料与包装质量于卸货现场目测观察、检查外围摆放的每一箱(包),要求对不符合要求的外包装单位分类摆放,根据抽样方案分别随机抽取样本,在光线充足的地方目测查看内包装是否符合要求。
若外箱为成品外箱时依据《外箱检验验收标准》对外箱进行检验。
6.3 外观及感官要求根据抽样方案随机抽取样品,在光线充足的地方目测观察礼品盒及其附件、配件色泽,闻其气味,并结合精度为1mm的直尺对比观察其表面缺陷与图文质量,根据附件1、附件2、附件3综合判断是否符合要求。
6.4 尺寸及偏差根据抽样方案随机抽取样品,使用精度为1mm的直尺测量礼品盒及其附件、配件尺寸,取算术平均值(精确到1mm);另外装入完整内容物及内外包装物后看是否松紧适宜,内容物是否易脱落,并与设计图、标准品或前批及同批对比以确定尺寸及偏差是否符合要求。
优质包装盒检验标准
包装盒是保护和展示商品的重要组成部分。
为了确保包装盒能够满足质量要求,以下是一些优质包装盒的检验标准:
1. 外观检验:
- 包装盒应该整体外观完好,无明显破损或变形。
- 表面应平整光滑,无杂质、划痕或污渍。
- 印刷字体应清晰,无模糊或缺失。
2. 尺寸检验:
- 包装盒的尺寸应符合规定的要求,包括长度、宽度和高度。
- 尺寸测量应准确,误差范围应在规定的容许范围内。
3. 强度检验:
- 包装盒应具有足够的强度,能够承受正常的物流运输过程中的压力。
- 在规定的试验条件下,包装盒的压缩强度、抗拉强度和抗冲击强度应符合要求。
4. 材料检验:
- 包装盒使用的材料应符合相关标准或规定,如纸板、塑料、金属等。
- 材料应符合环保要求,并无有害物质超标。
5. 包装检验:
- 包装盒在装箱和包装过程中应符合相关标准或规定。
- 包装材料和包装方式应保护商品免受损害。
6. 标识检验:
- 包装盒上的标识应完整清晰,包括商品信息、生产日期、生产厂家等。
- 标签应贴附牢固,不易剥落或磨损。
以上是一些优质包装盒的检验标准,通过严格的检验,确保包装盒质量可靠,能够满足商品保护和展示的需求。
纸箱成品检验规范1.目的明确成品检验的内容和方法,确保产品满足客户要求。
2.范围适用于成品的最终检验。
3.定义3.1 严重缺陷:影响产品的使用功能的缺陷。
3.2 轻微缺陷:不致于丧失产品的使用功能的其它缺陷。
3.3 致命缺陷:丧失产品的使用功能。
3.4 A级版面:产品成型后直接面对客户的版面。
3.5 B级版面:A级版面的两侧及上端。
3.6 C级版面:A级版面的反面及下端。
3.7 D级版面:盒子成形后看不到的部位。
4.检验条件4.1目视距离:35~40cm,60W-100W白荧灯光下。
5.内容5.1 前置准备:核对工单、样品及相关资料、准备检测器具。
5.2 抽样计划:依据“MIL-STD-105E”抽样检查是否有烂字、烂页、漏印、印错、白页等现象。
5.3 检验方式:根据客户的不同要求,进行单次正常抽样检验或全检。
5.4 品质允收水准:客户有要求的按客户要求执行。
5.4.1 严重缺陷:0.655.4.2 轻微缺陷:1.05.4.3 致命缺陷:05.5检验项目:5.5.1 检查印刷品颜色尺寸是否与样品一致。
5.5.2 印刷品不得出现墨皮、纸毛、油渍、脏痕,要求清晰完整,不能出现漏印现象。
5.5.3 成品在摆放过程中,不能有混淆现象。
巡检QC在检验时不可拿走产品。
5.5.4 纸质要与客户要求一致,不可有爆裂现象。
5.5.5 一般彩盒的水分测量范围12%~18%之间,超出范围则水分超标。
可以改变环境温湿度来平衡,或采用抽湿、风干等措施进行改善。
1.目的规范彩盒成品的检验操作标准,正确指导员工的具体安全作业方式,确保彩盒成品能满足客户的品质要求。
2.适用范围本公司品控中心对彩盒成品类产品的检验工作。
3.职责3.1品控主管负责确保本文件得到有效实施并及时更新;3.2品控人员负责按本作业指导书实施标准化作业;3.3品控人员负责检验并记录,对产品品质控制的放行,负责对不合格成品进行评审及结合各部门评审结果作最终裁定;3.4仓库人员负责合格成品入库和出货前通知品质部检验,仓库人员负责对已检验合格的产品入库;3.5成品检负责成品入库和直接由生产部出货产品检验、库存品出货前检验、客退品检验判定及不合格品返工后再判定;4.技能与培训资格4.1经岗位培训,品控人员必须熟悉彩盒成品的检验标准及操作手法;4.2检验产品时要公正有凭证按标准执行。
5.程序5.1本抽样方案:抽样方案为MIL-STD-105E正常检验单次抽样Ⅱ级水准。
AQL: Crj:0 Maj:0.4 Min:1.05.2缺陷术语:5.2.1套印: 两色以上印刷时,各分色版图文能达到和保持位置准确的套合;套印不准是在套色印刷过程中,印迹重叠的误差——印刷位置不正,产生错位、空白的现象;5.2.2擦花:印品受摩擦后导致的区域性的痕迹;5.2.3墨杠: 由于墨辊在与印版表面接触时产生了瞬间的滑动摩擦,在局部区域内网点扩大产生的一条明显的深色条纹;5.2.4水杠:由于水辊在与印版表面接触时产生了瞬间的滑动摩擦,在局部区域内网点缩小产生的一条明显的浅白条纹;5.2.5脱坑: 表面纸板和坑纸脱离粘接不牢的现象;5.2.6深度划痕:划痕具有一定的深度,用手触摸时能感觉到其明显凹于印品表面;5.2.7轻微划痕:用手触摸时感觉不到其凹于印品表面的划痕;5.2.8爆刀爆线:产品成形时沿啤切压痕处裂开;5.2.9爆色/脱漆:印品表面有油墨脱落的现象;5.2.10易脆:弯折印刷材料时,表面发生破裂的现象;5.2.11超线/离线:纸盒粘装时的粘接位置超过或未达到规定的尺寸位置;5.2.12脏污:印在承印物上的印刷油墨,粘在另一印张的背面,造成蹭脏;5.2.13色差:产品表面呈现出与标准样品颜色的差异,称为色差;5.2.14气泡:覆膜彩盒表面有小的气泡产生的现象;5.2.15皱褶:覆膜彩盒表面起皱的现象;5.2.16条痕:印品表面出现的条状印痕;5.2.17异色点:在塑料件表面出现的颜色异于周围的点;5.2.18鬼影:指因为工艺设计或机器械原因,导致印刷产品的表面产生的印纹或暗影;5.2.19水干:由于高温水温不正常机器靠版水路压力不平衡,提供印版水源不足;5.2.20水大:由于水辊压力调节的不合适,水斗中水量过多印刷水大,导致从侧面看,印版上有明显的水的亮光,印品的印迹发花,冲淡的现象。
优质礼盒质检标准1. 简介本文档旨在为优质礼盒的质检标准提供指导,确保产品的质量和符合相关法规要求。
质检标准应该由质检部门制定,并定期进行评估和更新。
2. 材料质量检验- 确保礼盒的材料符合国家和地区的法规要求。
- 检查礼盒材料的质量,包括耐久性和安全性。
- 对纸板、塑料、织物等材料进行强度测试和耐磨损测试。
3. 外观和工艺检验- 检查礼盒的外观是否符合设计要求,如尺寸、形状和颜色。
- 检查礼盒的工艺是否精细,如印刷、烫金和绣花等。
- 检查礼盒的装配是否牢固,包括盖子、锁扣和把手等部件。
4. 包装和标识检验- 检查礼盒的包装是否完整,并确认是否存在任何破损或变形。
- 检查礼盒的标识是否正确和清晰可见,包括产品名称、制造商信息和使用说明等。
- 检查礼盒内部的填充物和保护材料是否符合相关要求。
5. 功能性和安全性检验- 检查礼盒的功能性,如开关、拉链和携带便利性等。
- 检查礼盒的安全性,包括是否存在锋利的边缘、易脱落的部件以及有害物质的使用等。
- 进行可燃性测试,确保礼盒材料符合相应的阻燃标准。
6. 包装售后检验- 针对已经装配好的礼盒,进行包装外观的检查,确保无明显破损。
- 对礼盒进行抛掷和压力测试,以模拟运输过程中的情况。
- 对礼盒进行开启和关闭测试,以确保在正常使用情况下无异常。
以上为优质礼盒的质检标准,企业在生产过程中应严格按照该标准进行质检,以确保产品的质量和安全性。
质检结果应当全面记录并保存,以备查档和追溯。
如有更新和变更,应及时进行相应的调整和更新。
请注意,本文档为一般性指导,具体的质检标准应根据产品的特殊要求和适用的法规进行制定和执行。
注意:本文档仅供参考,具体标准和要求应遵循法律法规和相关部门的规定。
礼品盒检验标准《礼品盒检验标准》**前言**嘿,朋友!你有没有想过,当你满心欢喜地准备送出一份精心挑选的礼物时,那个装着礼物的礼品盒其实也有不少讲究呢?礼品盒不仅是个装东西的盒子,它还代表着一份心意的外在体现。
如果它有问题,那可就有点煞风景啦。
这就是为啥我们要有个礼品盒检验标准,来确保每个礼品盒都能完美地完成它的使命,把美好传递出去。
**适用范围**这个礼品盒检验标准啊,适用的场景可多了去了。
比如说,在各种节日的时候,像圣诞节、情人节、春节,那些琳琅满目的礼品盒都得按照这个标准来。
想象一下,你在圣诞节收到一个包装精美的礼品盒,打开一看里面是心仪已久的小物件,那这个礼品盒要是破破烂烂或者有啥质量问题,是不是瞬间就觉得没那么美好了?再比如说,商业活动中的礼品赠送,企业为了推广自己的品牌,会定制很多带有自己标志的礼品盒。
这些礼品盒质量的好坏直接影响到企业的形象。
还有婚礼上,那些装着喜糖、小礼品的盒子,也是在这个标准的适用范围内。
总之呢,不管是个人赠送礼物,还是商业用途的礼品盒,只要是在市面上流通,用来包装礼物的盒子,都得遵守这个检验标准。
**术语定义**1. **材质**:说白了,就是礼品盒是用什么东西做的。
这可能包括纸张、木材、塑料、皮革等。
比如说纸张材质的礼品盒,又可以细分为卡纸、铜版纸等不同类型的纸。
不同的材质会有不同的特性,像纸张的厚度、硬度,木材的纹理、质感,这些都会影响礼品盒的质量和外观。
2. **印刷质量**:就是礼品盒上那些图案、文字印刷得好不好。
你看啊,如果印刷的颜色不均匀,有的地方深有的地方浅,或者图案模糊不清,那就说明印刷质量不过关。
就像你看一幅画,要是画得模模糊糊的,你肯定也不喜欢。
3. **结构完整性**:这个很容易理解啦,就是礼品盒的各个部分是不是完整地连接在一起。
像盒子的盖子能不能顺利地盖上,盒子的边角有没有破损或者裂开的情况。
要是你拿到一个礼品盒,盖子都盖不严实,那肯定不行呀。
文件编号MF-WI-MC-017-000 版本/版次B/0文件名称彩盒成品检验标准制定日期2020年03月11日页码共6页/第1页制订人:批准人:1.目的确保彩盒成品能满足各客户的品质要求。
2.范围适用于本公司所有彩盒成品的品质检验及判定。
(客户有特殊要求时以客户要求为准)3.定义3.1抽样方案:抽样方案为MIL-STD-105E正常检验单次抽样Ⅱ级水准。
T级产品:CR=0 MAJ=0.65 MIN=1.0※外包装检验、尺寸检验:S-2 AQL=1.0 ※功能、可靠性测试:固定取样3PCS,0收1退 G级产品:CR=0 MAJ=1.0 MIN=2.5※外包装检验、尺寸检验:S-1 AQL=1.5 ※功能、可靠性测试:固定取样3PCS,0收1退 H级产品:CR=0 MAJ=1.5 MIN=4.0※外包装检验、尺寸检验:S-1 AQL=1.5 ※功能、可靠性测试:固定取样3PCS,0收1退检验项目检验标准检验工具/仪器缺陷类别CR MAJ MIN材质符合订单要求/确认的样板目测测厚规√规格允许误差在±1mm内卷尺/卡尺√印刷印刷内容图案印刷内容、图案与样板一致,其内容位置符合设计图稿要求目测√色差A:专色色差: 正常(深色:⊿E≦3.0 浅色⊿E≦1.5),加严(深色:⊿E≦2.0 浅色⊿E≦1.0)。
B:四色密度值允许±3%密度仪、客样板、PANTONE√套印A 级面:误差允许为0.1mmB、C级面:误差允许为0.15mm菲林尺√墨屎白点黑点纸斑异色点脏点A级面:文字图案不可有;其它部位S≤0.5mm2,N≤1可接受。
B级面:文字图案部位S≤0.35mm2,N≤1;其它部位S≤0.7mm2,DS≥100mm ,N≤2可接受。
C级面:文字图案部位S≤0.5mm2,N≤1;其它部位S≤1.0mm2,DS≥100mm ,N≤3可接受。
菲林尺卷尺或直尺目测√。
礼盒验收标准1、目的为保证本公司所使用的礼盒符合质量要求,特制定本验收标准,供双方作为判断品质允、拒收的依据。
2、范围仅适用于上海必优兰日化有限公司进货或送样的礼盒的检验。
3、职责3.1采购部按此验收标准采购包装材料。
3.2品管部按此验收标准检验包装材料。
4、质量标准4.1外观检验项目4.1.1外观:表面应光洁平整,有光泽,无明显花斑、残缺、变形、污迹、破损。
压痕应清晰,4.1.2颜色:符合规定颜色,无明显色差,颜色要与供需双方确认的样品一致,颜色偏差在双方确认的上下极限色之间。
4.1.3印刷:文稿准确,图文印刷要求清晰、规范、洁净、笔墨深浅均匀、不得有毛边、无缺字、错别字、无污点、版面偏移小于1mm,套印偏移小于0.5mm、不得歪斜、重影、整个印刷效果应光滑均匀、统一,文字、符号、条码应清晰不得有不全不清现象。
4.1.4成型:盒子成型后应无歪斜、变形,纸张脱层现象,折叠处不应有断裂现象。
4.1.5啤切:啤线、啤切规范光滑,上下盒盖吻合。
4.1.6覆膜:盒面覆光膜、磨砂、过塑等要求应光亮、均匀,无气泡、脏物、花白、起皱等现象。
4.1.7包装:外装纸箱不得脏及破损,礼盒装箱时隔层需放入保护纸(或套袋子)。
4.2功能性检验项目:4.2.1规格尺寸:礼盒尺寸符合所定标准,允许公差≤1mm。
4.2.2配套试验:与相应的容器配套不应明显过紧或过松,宽松度应适中。
4.2.3粘合强度:将礼盒接边部位稍用力试剥离,观察粘合层面有无开胶,无开胶则视为牢固。
4.2.4纸质:纸质符合封样盒纸种或合同规定,克重允许范围:标准克重±10g。
4.2.5可读性:条形码不得读不出。
5、验收规则:5.1 抽样标准和抽样方法:按包装材料抽样检验作业标准执行。
5.2合格质量水平A类:严重缺陷 AQL=0.4B类:一般缺陷 AQL=1.5C类:轻微缺陷 AQL=2.55.3外观测试的合格质量水平AQL值的采用和缺陷种类见下表:注1:印有产品名称、产品标志的一面为正面;2:印有产品说明、用法等内容的一面为背面,除正面与背面外为侧面;5.4功能性检验项目:尺寸、配套性试验按每批10个样本数检验;粘贴牢固性、纸质检验每批取5个样本数检验。
包装类成品检验标准
1.0目的
为更好地关注、监控产品品质,特制定包装类成品检验标准操作指引。
2.0适用范围
适用于所用包装类成品检验(客户特别品质要求除外)。
3.0抽样计划:(Sampling plans)
参照(M I L—STD—105E II)《抽样检验标准》进行单次抽样
AQL: CR: 0 MAJ: 1.0 MIN: 2.5
4.0检验条件(Environment Conditions)
4.1工具:卷尺、直尺、菲林尺、密度仪、光度仪等
4.2目测:在60W的白炽灯下眼睛距离待检物30~40 CM进行目视检验。
5.0定义
5.1严重缺陷:也称致命缺陷,指会影响产品的使用性能或干扰产品的正确使用,或危及人身安全的缺陷;
5.2主要缺陷:指影响或降低产品使用性能的缺陷;
5.3次要缺陷:指会影响或降低产品外观的缺陷;
5.4 A级面:是指主面,即产品立放可正视面;
5.5 B级面:是指产品立放盒体侧面、后面盒、内盒正前面;
6.6 C级面:是指产品立放后底面或其它面(包括产品盒内面);
6.0度量代码
6.1度量代码
S:面积 L:长度 N:数量 D:距离 W:宽度
7.0相关支持文件
7.1《不合格品控制程序》8.0相关支持记录:
8.1成品检验报告
8.2品质异常检查报告9.0相关附件:无
制定:WJJ 审核:批准:2011.09.8。