多联机每米冷媒加注量换算表
- 格式:xls
- 大小:13.50 KB
- 文档页数:1
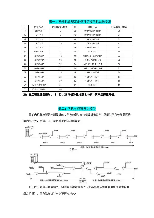
表一:室外机组规定最多可连接内机台数要求HP 组合方式内机数量(台数) HP 组合方式内机数量(台数) 8 8HP×1 7 38 10HP+12HP+16HP 3510 10HP×1 9 40 10HP+14HP+16HP 3712 12HP×1 11 42 10HP+16HP×2 3914 14HP×1 13 44 12HP+16HP×2 4116 16HP×1 15 46 14HP+16HP×2 4318 10HP+8HP 16 48 16HP×3 4520 10HP+10HP 18 50 16HP×2+10HP+8HP 4622 10HP+12HP 20 52 16HP×2+10HP×2 4824 10HP+14HP 22 54 16HP×2+10HP+12HP 5026 10HP+16HP 24 56 16HP×2+10HP+14HP 5228 12HP+16HP 26 58 16HP×3+10HP 5430 14HP+16HP 28 60 16HP×3+12HP 5632 16HP+16HP 30 62 16HP×3+14HP 5834 10HP×2+14HP 31 64 16HP×4 6036 10HP×2+16HP 33注:在工程设计选型时,18、22、28内机冷量均以2.8kW计算来选择室外机。
表二:内机分歧管设计技巧美的内机分歧管是全新设计的U型分歧管,在内机设计安装时,尽量让所有分歧管两边的内机均等,例如:以下是两种不同风格的设计对比以上方案一和方案二,我们强烈推荐方案二(但必须使用美的商用空调的专用U 型分歧管),因为这样设计有以下两点好处:冷媒配管设计冷媒配管长度和落差(表1 )注:相当长换算:按分歧管接头0.5m/处。
3.追加制冷剂
补充制冷剂质量的计算方法(以液管为基准)
追加冷媒量=∑液管长度×每米液管冷媒追加量
4.凝水管及保温:
冷凝水管采用UPVC管,保温材料外表面的温度应大于空气的露点温度,夏季对非空调环境的空气露点温度一般为25℃左右,冷凝水的温度一般16℃左右,当采用UPVC管时,一般可不设置保温层。
但本工程对装修要求高,所以冷凝水管保温采用最小厚度8-10mm保温套管。
每层冷凝水集中排放到每层卫生间的卫生间地漏内。
友情提示:方案范本是经验性极强的领域,本范文无法思考和涵盖全面,供参考!最好找专业人士起草或审核后使用。
1 / 1。
多联机系统设计注意事项负荷计算——室内机选型——室外机选型——冷媒配管选择——分歧管选择——控制系统选择——电气配线室内机1、根据冷负荷拟定机子大小:计算冷负荷,依据实际情况选取合适机型。
公共场合必须选取较大制冷量机型,办公区可选择较小机型。
欲减少价格,可在满足制冷需求的前提下选择较小机型。
2、根据设计环境拟定类型:全吊顶: RCI系列适合于客厅,复式住宅的楼梯厅等,可相应4.2m的高天花板空间,形状统一,整齐美观,配管方向调整灵活。
局部吊顶:RPI / RPIZ系列。
RPI / RPIZ系列也许存在噪声问题,解决办法是加装软接头,装大风口。
RPI系列噪音、机外余压大,送风距离长,适合宽敞空间;RPIZ系列合用于各种空间,特别是对天花板空间狭小时更具优势,噪音低,下回风、后回风灵活变换。
风管机:A、室内机连接风管前后都应做50~200mm软接;B、应根据室内机静压设计风管长度,一般按每米风管损失7Pa计算。
3、拟定安装位置:高于地面2.3米,不得有障碍物阻挡进出风,易于操作及维护的空间,且该位置能使室内温度分布均匀。
较大容量机器应当加装送、回风管道,风管和风口的设立应当能达成降噪减震的作用。
室外机1、室外机选型。
容量匹配:内外机容量配置比应在50%~130%之间,视具体情况定;在北方,考虑多联机供热时随着室外气温的减少,供热量衰减较快,也许导致室内外机配置比较小,建议适当增大室内机型号,配比不小于75%。
数量匹配:室内机台数不应超过下表范围:2、安装位置拟定。
应将室外机设立于通风良好且干燥的地方。
室外机的噪音及排风不应影响到邻居及周边通风。
机组后侧及左右两侧的运营噪音会比前侧噪音值高。
在人行道路旁的建筑物上安装的空调室外设备,其托板底面距道路面的高度不得低于2.5m。
空调室外设备的出风口与相对方门窗的距离室外机应远离电磁波辐射源,间距至少在3米以上。
不应将室外机安装于季风可以直接吹到室外机热互换器的地方或建筑物间隙风可以直接吹到的室外机风扇的地方。
制冷剂充注计算公式制冷剂充注量的计算公式可以根据具体的情况而有所不同,因为不同的制冷系统和设备可能有不同的要求和参数。
以下是一个常见的制冷剂充注计算公式的示例:制冷剂充注量(kg)= 冷凝器体积(m³)× 冷凝器充满度(%)× 制冷剂密度(kg/m³)其中:1.冷凝器体积:指制冷系统中冷凝器的容积,通常以立方米(m³)为单位。
2.冷凝器充满度:表示冷凝器内制冷剂的填充程度,以百分比(%)表示。
例如,充满度为80% 表示冷凝器内制冷剂占冷凝器总容积的80%。
3.制冷剂密度:制冷剂的密度,以千克/立方米(kg/m³)为单位。
不同的制冷剂有不同的密度值,可以在相关的技术资料或制冷剂生产商提供的数据中查找。
请注意,这只是一个示例公式,实际应用中可能需要考虑更多因素,如管道长度、系统效率、环境温度等。
确保在进行制冷剂充注计算时,参考相关的制冷系统设计规范和设备制造商的建议,以确保充注量的准确性和系统的正常运行。
另一种常见的制冷剂充注计算公式是基于制冷系统的制冷量和制冷剂循环比的关系。
该公式可以用于估算制冷剂的充注量。
以下是一个示例:制冷剂充注量(kg)= 制冷量(kW)/ 制冷剂循环比(kg/kW)其中:1.制冷量:制冷系统需要提供的制冷效果,通常以千瓦(kW)为单位。
这个值可以根据实际需求和制冷负荷进行估算或测量。
2.制冷剂循环比:制冷剂在制冷循环中的循环比率,表示每个单位制冷量所需的制冷剂质量,以千克/千瓦(kg/kW)为单位。
该值可以根据制冷系统的设计和制冷剂的性质确定。
需要注意的是,制冷剂充注量的计算还可以受到其他因素的影响,例如制冷系统的管道长度、配置和压降,以及制冷剂在系统中的分布方式等。
因此,在进行准确的制冷剂充注计算时,建议参考制冷系统的设计规范和制造商提供的指导。
确保充注量适合系统要求,并遵守相关的安全和环保规定。
冷媒追加公式及标准一、多联机冷媒系统冷媒追加公式及标准R22系统追加制冷剂量R(kg) R = ()76.06.28⨯⎪⎪⎪⎭⎫ ⎝⎛m 总长度液侧配管的的管径为 + ()58.04.25⨯⎪⎪⎪⎭⎫ ⎝⎛m 总长度液侧配管的的管径为 + ()38.02.22⨯⎪⎪⎪⎭⎫ ⎝⎛m 总长度液侧配管的的管径为 + ()29.01.19⨯⎪⎪⎪⎭⎫ ⎝⎛m 总长度液侧配管的的管径为 + ()19.09.15⨯⎪⎪⎪⎭⎫ ⎝⎛m 总长度液侧配管的的管径为 + ()115.07.12⨯⎪⎪⎪⎭⎫ ⎝⎛m 总长度液侧配管的的管径为 + ()065.053.9⨯⎪⎪⎪⎭⎫ ⎝⎛m 总长度液侧配管的的管径为 + ()035.035.6⨯⎪⎪⎪⎭⎫ ⎝⎛m 总长度液侧配管的的管径为 R410A 系统追加制冷剂量R(kg)R = ()68.06.28⨯⎪⎪⎪⎭⎫ ⎝⎛m 总长度液侧配管的的管径为 + ()52.04.25⨯⎪⎪⎪⎭⎫ ⎝⎛m 总长度液侧配管的的管径为 + ()38.02.22⨯⎪⎪⎪⎭⎫ ⎝⎛m 总长度液侧配管的的管径为+ ()27.01.19⨯⎪⎪⎪⎭⎫ ⎝⎛m 总长度液侧配管的的管径为 + ()18.09.15⨯⎪⎪⎪⎭⎫ ⎝⎛m 总长度液侧配管的的管径为 + ()12.07.12⨯⎪⎪⎪⎭⎫ ⎝⎛m 总长度液侧配管的的管径为 + ()06.053.9⨯⎪⎪⎪⎭⎫ ⎝⎛m 总长度液侧配管的的管径为 + ()023.035.6⨯⎪⎪⎪⎭⎫ ⎝⎛m 总长度液侧配管的的管径为1、依据室内机、室外机连接液侧配管的管径和长度,计算冷媒的追加量,追加冷媒为R22。
冷媒配管在5m 以内,不需在追加冷媒。
2、冷媒追加量的计算(单程管长L ≥5m)R22冷媒追加量的计算(单程管长L ≥5米)。
注:L---液管长度(m)3、追加量应写在室外机铭牌上。
4、制冷剂的追加量必须用电子称等测量。