第1章 集装器
- 格式:pdf
- 大小:471.68 KB
- 文档页数:18
第一章 集装器第一节 基本常识1.1 集装器识别代码1.1.1 集装器识别代码的产生和标识1.1.1.1集装器识别代码是指由国际航协规定的表示集装器种类、规格和所属人的一组代码。
集装器在投入使用前,必须在国际航协进行代码注册。
1.1.1.2 集装箱的识别代码一般标识在集装箱的两个侧面。
1.1.1.3 集装板的识别代码一般标识在集装板四个角正面的边框上。
1.1.2 集装器识别代码的组成国际航协统一规定,集装器的识别代码由三部分组成。
1.1.2.1 第1部分表示集装器的种类、底板尺寸及装载轮廓。
1.1.2.2 第2部分表示该集装器的编号,使用5位数字编号。
1.1.2.3 第3部分为该集装器所属人的两字代码。
板。
D表示经审定不适航,但允许使用的集装箱。
表1-1 集装器底板尺寸代码一览表集装器外形尺寸字母代码 公制cm 英制inA 224×318 88×125B 224×274 88×108E 224×135 88×53F 244×299 96×117 3/4G 244×606 96×238 1/2H 244×914 96×359 1/4K 153×156 60×62L 153×318 60×125M 244×318 96×125N+ 156×244 62×96P+ 120×153 47×60Q+ 153×244 60×96表1-2 常用集装设备种类及代码类型 特征 适用机型AVE LD3普通集装箱 所有宽体飞机下货舱AKE LD3普通集装箱 所有宽体飞机下货舱DPE LD2普通集装箱 限767飞机下货舱(注)RKN LD3冷藏集装箱 所有宽体飞机下货舱RAK LD7进口冷藏箱 所有宽体飞机主/下货舱AAP LD7集装箱(163cm高) 所有宽体飞机主/下货舱AMP LD7集装箱(163cm高) 所有宽体飞机主/下货舱AMA 244cm高集装箱 波音747货机主货舱DQF 767双体集装箱 限767飞机下货舱ALF 双体集装箱 所有宽体飞机下货舱(767禁用)HMJ 马匹运输专用箱 747.MD-11主货舱PAG/P1P 标准集装板 所有宽体飞机主/下货舱PMC/P6P 普通集装板 所有宽体飞机主/下货舱PMW 边框加强型翼板 所有宽体飞机下货舱PLA 普通集装板 所有宽体飞机下货舱(767禁用)PLW 普通集装板翼板 所有宽体飞机下货舱(767禁用)PLB 高强度集装板 所有宽体飞机下货舱(767禁用)FQA 普通集装板 限767飞机下货舱FQW 边框加强型翼板 限767飞机下货舱PGE/P7E 20英尺集装板 747F或COMBI、MD11F等型飞机主货舱 PRA 16英尺集装板 747F或COMBI、MD11F等型飞机主货舱注:DPE型集装箱可以在波音777、747下货舱装载,但必须符合限制条件。
第1章集装器第⼀章集装器第⼀节基本常识1.1 集装器识别代码1.1.1 集装器识别代码的产⽣和标识1.1.1.1集装器识别代码是指由国际航协规定的表⽰集装器种类、规格和所属⼈的⼀组代码。
集装器在投⼊使⽤前,必须在国际航协进⾏代码注册。
1.1.1.2 集装箱的识别代码⼀般标识在集装箱的两个侧⾯。
1.1.1.3 集装板的识别代码⼀般标识在集装板四个⾓正⾯的边框上。
1.1.2 集装器识别代码的组成国际航协统⼀规定,集装器的识别代码由三部分组成。
1.1.2.1 第1部分表⽰集装器的种类、底板尺⼨及装载轮廓。
1.1.2.2 第2部分表⽰该集装器的编号,使⽤5位数字编号。
1.1.2.3 第3部分为该集装器所属⼈的两字代码。
板。
D表⽰经审定不适航,但允许使⽤的集装箱。
表1-1 集装器底板尺⼨代码⼀览表集装器外形尺⼨字母代码公制cm 英制inA 224×318 88×125B 224×274 88×108E 224×135 88×53F 244×299 96×117 3/4G 244×606 96×238 1/2H 244×914 96×359 1/4K 153×156 60×62L 153×318 60×125M 244×318 96×125N+ 156×244 62×96P+ 120×153 47×60Q+ 153×244 60×96表1-2 常⽤集装设备种类及代码类型特征适⽤机型AVE LD3普通集装箱所有宽体飞机下货舱AKE LD3普通集装箱所有宽体飞机下货舱DPE LD2普通集装箱限767飞机下货舱(注)RKN LD3冷藏集装箱所有宽体飞机下货舱RAK LD7进⼝冷藏箱所有宽体飞机主/下货舱AAP LD7集装箱(163cm⾼) 所有宽体飞机主/下货舱AMP LD7集装箱(163cm⾼) 所有宽体飞机主/下货舱AMA 244cm⾼集装箱波⾳747货机主货舱DQF 767双体集装箱限767飞机下货舱ALF 双体集装箱所有宽体飞机下货舱(767禁⽤)HMJ 马匹运输专⽤箱 747.MD-11主货舱PAG/P1P 标准集装板所有宽体飞机主/下货舱PMC/P6P 普通集装板所有宽体飞机主/下货舱PMW 边框加强型翼板所有宽体飞机下货舱PLA 普通集装板所有宽体飞机下货舱(767禁⽤)PLW 普通集装板翼板所有宽体飞机下货舱(767禁⽤)PLB ⾼强度集装板所有宽体飞机下货舱(767禁⽤)FQA 普通集装板限767飞机下货舱FQW 边框加强型翼板限767飞机下货舱PGE/P7E 20英尺集装板 747F或COMBI、MD11F等型飞机主货舱 PRA 16英尺集装板 747F或COMBI、MD11F等型飞机主货舱注:DPE型集装箱可以在波⾳777、747下货舱装载,但必须符合限制条件。
第一章 集装器第一节 基本常识1.1 集装器识别代码1.1.1 集装器识别代码的产生和标识1.1.1.1集装器识别代码是指由国际航协规定的表示集装器种类、规格和所属人的一组代码。
集装器在投入使用前,必须在国际航协进行代码注册。
1.1.1.2 集装箱的识别代码一般标识在集装箱的两个侧面。
1.1.1.3 集装板的识别代码一般标识在集装板四个角正面的边框上。
1.1.2 集装器识别代码的组成国际航协统一规定,集装器的识别代码由三部分组成。
1.1.2.1 第1部分表示集装器的种类、底板尺寸及装载轮廓。
1.1.2.2 第2部分表示该集装器的编号,使用5位数字编号。
1.1.2.3 第3部分为该集装器所属人的两字代码。
板。
D表示经审定不适航,但允许使用的集装箱。
表1-1 集装器底板尺寸代码一览表集装器外形尺寸字母代码 公制cm 英制inA 224×318 88×125B 224×274 88×108E 224×135 88×53F 244×299 96×117 3/4G 244×606 96×238 1/2H 244×914 96×359 1/4K 153×156 60×62L 153×318 60×125M 244×318 96×125N+ 156×244 62×96P+ 120×153 47×60Q+ 153×244 60×96表1-2 常用集装设备种类及代码类型 特征 适用机型AVE LD3普通集装箱 所有宽体飞机下货舱AKE LD3普通集装箱 所有宽体飞机下货舱DPE LD2普通集装箱 限767飞机下货舱(注)RKN LD3冷藏集装箱 所有宽体飞机下货舱RAK LD7进口冷藏箱 所有宽体飞机主/下货舱AAP LD7集装箱(163cm高) 所有宽体飞机主/下货舱AMP LD7集装箱(163cm高) 所有宽体飞机主/下货舱AMA 244cm高集装箱 波音747货机主货舱DQF 767双体集装箱 限767飞机下货舱ALF 双体集装箱 所有宽体飞机下货舱(767禁用)HMJ 马匹运输专用箱 747.MD-11主货舱PAG/P1P 标准集装板 所有宽体飞机主/下货舱PMC/P6P 普通集装板 所有宽体飞机主/下货舱PMW 边框加强型翼板 所有宽体飞机下货舱PLA 普通集装板 所有宽体飞机下货舱(767禁用)PLW 普通集装板翼板 所有宽体飞机下货舱(767禁用)PLB 高强度集装板 所有宽体飞机下货舱(767禁用)FQA 普通集装板 限767飞机下货舱FQW 边框加强型翼板 限767飞机下货舱PGE/P7E 20英尺集装板 747F或COMBI、MD11F等型飞机主货舱 PRA 16英尺集装板 747F或COMBI、MD11F等型飞机主货舱注:DPE型集装箱可以在波音777、747下货舱装载,但必须符合限制条件。
习题练习第一章一、名词解释1.运输系统答:指与运输活动相关的各种因素组成的整体。
2.迂回运输答:舍近求远的一种运输,是可以选取短距离进行运输时却选择路程较长的线路运输的一种不合理形式。
3.对流运输答:又称相向运输、交错运输,是指同一种货物或彼此间可以互相代用而又不影响管理、技术及效益的货物,在同一线路上或平行线路上作相对方向的运输,而与对方运程的全部或一部分发生重叠交错的运输。
4.货物承运人答:指使用运输工具从事货物运输并与托运人订立货物运输合同的经营者。
二、选择题1.AE2.ABC3.D4.D5.D三、简答题1.简述物流与运输的关系。
答:(1)运输与物流的内在联系①运输是物流的重要构成要素;②运输合理化是物流系统合理化的关键;③运输促进物流的发展。
(2)物流与运输的区别①物流是超出运输范畴的系统化管理;②物流不同于运输只注重实物的流动,同时还关注着信息流和增值流的同步流动;③物流的出发点是以生产企业和流通企业的利益为中心,运输只是物流管理控制的必要环节,处于从属地位;④物流的管理观念比运输更先进;⑤物流比运输更注重先进技术的应用。
2.说明运输系统的构成要素。
答:(1)运输线路;(2)运输节点;(3)运输工具;(4)运输对象及运输参与者。
3.简述不同运输方式有哪些技术经济特征。
答:(1)公路。
固定成本低、变动成本相对高,占用土地多,机动灵活,适应性强,短途运输速度快,空气污染严重。
(2)铁路。
初始投资大,运输容量大,成本低廉,占用土地多,连续性强,可靠性好。
(3)水路。
运输能力大,成本低廉,速度慢,连续性差,能源消耗及土地占用少,灵活性不强。
(4)航空。
速度快,成本高,空气和噪音污染重。
(5)管道。
占用土地少,运输能力强,成本低廉,能不间断连续输送,灵活性差。
4.简述运输市场的种类。
答:(1)按涉及到的运输方式划分:包括两种或两种以上运输方式的不同方式间运输市场,及某一种方式内的运输市场。
(2)按照运输距离的远近划分:短途运输市场、中途运输市场、长途运输市场。
第一章国际航空货物运输基础知识一、重点提示(一)国际航空运输协会(IATA)国际航空运输协会(International Air Transport Association,简称国际航协IA TA),是各国航空运输企业之间的联合组织,会员必须是有国际民用航空组织的成员国颁发的定期航班运输许可证的航空公司。
国际航协的总部设在加拿大蒙特利尔,执行总部设在瑞土日内瓦。
国际航协有全体会议,并设有执行委员会和专门委员会等机构。
全体会议是国际航空运输协会的最高权力机构,每年举行一次,经执委会召集,也可随时召开特别会议。
经1978年国际航空运输特别大会决定,国际航空运输协会的活动主要分为两大类,即行业协会活动和运价协调活动。
1988年,又增加了行业服务的内容。
国际航协的会员分为正式会员和准会员两类。
申请加入国际航空运输协会的航空公司如果想成为正式会员,必须符合两个条件:第一,批准它的申请的政府是有资格成为国际民航组织成员的国家政府;第二,在两个或两个以上国家间从事航空服务。
(二)航空货运的特点航空货运的特点有:①运送速度快;②破损率低,安全性好;③空间跨度大;④可节省生产企业的相关费用;⑤运价比较高;⑥载量有限;⑦易受天气影响。
(三)航空集中托运(1)集运商提供的服务。
集中托运人除了可以提供货运销售代理人提供的服务内容外,还可承担:①对出口货物:负责集中托运货物的组装;将“待运状态”的散装货物交付给承运人;将货物装入集装器后,交付给承运人;货物的信息追踪。
②对进口货物:办理清关手续并交付货物;准备再出口的文件;办理国内中转货的转关监管手续。
(2)航空集中托运的文件:分运单(HAWB)和主运单(MAWB)。
(3)航空集中托运的货物。
并不是所有的货物都可以采取集中托运的方式,因为在集中托运时,代理人把来自不同托运人的货物并在一个主单上运输,对于航空公司来说,对待主单上所有的货物的方式一定是一样的,不可能在一张主单上的两种货物,采取两种不同的操作方法。
中国民用航空危险品运输管理规定(修订稿草案)第一章总则第一条为加强危险品航空运输管理,促进危险品航空运输发展,保证航空运输安全,根据《中华人民共和国民用航空法》和有关法律、行政法规,制定本规定。
第二条本规定适用于国内公共航空运输经营人(以下简称国内经营人)、在外国和中国地点间进行定期航线运营或不定期飞行的外国公共航空运输经营人(以下简称外国经营人)、以及其他从事危险品航空运输活动的单位和个人。
第三条中国民用航空局(以下简称民航局)依据职责对全国危险品航空运输活动实施监督管理,中国民用航空地区管理局(以下简称民航地区管理局)依据职责对所辖地区危险品航空运输活动实施监督管理。
第四条本规定中下列用语,除具体条款中另有规定外,含义如下:(一)“危险品”是指能对健康、安全、财产或环境构成危险,并在技术细则的危险品品名表中列明或根据技术细则进行分类的物品或物质。
(二)“技术细则”是指根据国际民航组织理事会制定的程序而定期批准和发布的《危险物品安全航空运输技术细则》(Doc9284号文件)。
(三)“托运人”是指与经营人订立货物运输合同,其名称出现在航空货运单上的人。
(四)“货物运送代理人”是指代表托运人安排货物航空运输服务的企业或个人。
(五)“经营人”是指从事或拟从事民用航空器经营的企业。
(六)“销售代理人”是指经经营人授权,代表经营人销售客货航空运输的企业。
(七)“地面服务代理人”是指经经营人授权,为其提供各项地面服务的企业。
(八)“托运物”是指经营人从托运人一次一个地址接收的,以一批和运往一个目的地地址的一个收货人而出具凭据的一个或多个危险品包装件。
(九)“机长”是指由经营人指派作为指挥和负责飞行安全操作的驾驶员。
(十)“机组成员”是指由经营人指派在飞行值勤期间在航空器上执勤的人员。
(十一)“飞行机组成员”是指在飞行值勤期间对航空器运行负有必要职责的持有执照的机组成员。
(十二)“危险品事故”是指与危险品航空运输有关联,造成致命或人员严重伤害或财产损失或环境危害的事故。
4. 集装设备4.1 集装器识别代码4.1.1 识别代码的作用集装器识别代码是国际航协规定的表示集装器的种类、规格和所属人的代码。
集装器在投入使用前,必须在国际航协进行代码注册。
4.1.2 识别代码的组成4.1.2.1 国际航协规定,集装器的识别代码由三部分组成。
(1)第1部分1、2、3格内三个英文字母分别表示集装器的种类、底板尺寸及其适配性(集装器底板尺寸代码见表5-1)。
第1格中的英文字母表示集装器种类,A表示适航审定的集装箱;P表示适航审定的集装板(国货航集装设备种类及代号见表5-2)。
第2格中的英文字母表示此集装器的底板尺寸,如表中的“L”。
注:以上代码为1984年10月1日以后注册的集装器所用第3格中的英文字母表示此集装器的装载轮廓或外形及适用机型,如表中的“F”(详见本手册第一章1.4.11.2)。
部使用5位数字编号(此前为4位数字)。
(3)第3部分为该集装器所属人的两字代码。
4.2 集装器图例及参考数据4.2.1 集装板4.2.2.1 标准集装板(原称P1P)代码: PAP PAG PAJ自重(含网): 125kg;设计载重: 6804kg;※集装板的自重因生产厂家不同或用材不同而不同,一般在90kg-125kg之间(以下同)※※:设计载重包括集装器、网套、垫板以及所装载货邮的重量(以下同)适用机型:所有宽体飞机和货机(B737-QC除外)。
4.2.2.2 10英尺集装板(原称P6P)代码: PMC PQP自重(含网):135kg;设计载重: 6804kg;适用机型:所有宽体飞机和货机(B737QC除外)。
4.2.2.3 16英尺集装板代码: PRA自重(含网): 398Kg设计载重: 11340Kg适用机型: B-747COMBI、B-747F主货舱4.2.2.4 20英尺集装板代码: PGA、 PGE、 P7E自重(含网):500kg;设计载重: 13490kg;适用机型: B-747COMBI、B-747F主货舱。
国际货运代理实务知识点总结国际货运代理实务知识点总结《国际货运代理实务》考试知识点第⼀章国际货运代理概论⼀、国际货运代理的性质货运代理是⼀种中间⼈性质的运输业者,其本质就是“货物中间⼈”,以发货⼈和收货⼈为⼀⽅,承运⼈为另⼀⽅的两者之间⾏事。
⼆、国际货运代理的⽬标、⽅针:安全、迅速、准确、节省、⽅便。
三、国际货运代理⼈与⽆船承运⼈区别:国际货物运输代理企业的注册资本最低限额为500万⼈民币;⽆船承运企业实⾏的是登记制,⽽不是审批制。
项⽬国际货运代理⼈⽆船承运⼈法律地位委托⽅代理⼈承运⼈(当事⼈)是否拥有提单不拥有⾃⼰的提单拥有⾃⼰的提单业务范围进出⼝货运相关业务进出⼝货运相关业务和承担运输责任第⼆章国际贸易实务⼀、国际贸易术语概述(⼀)、《通则》《通则》将国际贸易中使⽤的贸易术语归纳为⼗三种,并将这⼗三种术语按不同的性质,不同的交货地点,以及买⽅承担责任、费⽤、风险的程度,从⼩到⼤,划分为E、F、C、D四个组。
(⼆)、四组贸易术语的特点和区别种类特点和区别EXW在商品的产地或所在地交货。
采⽤EXW时,卖⽅承担的风险、责任和费⽤都是最⼩的。
该组条件下签署的合同为起运合同。
DDPD组术语属于到达合同,该组条件下的交货为“实际交货”。
其中,DDP条件下,卖⽅承担的风险、责任和费⽤是最⼤的。
(三)、⼗三种贸易术语的分类术语缩写术语英⽂全称术语中⽂名称F FCA Free Carrier 货交承运⼈FAS Free alongside Ship 船边交货FOB Free on Board 装运港船上交货C CFR Cost and Freight 成本加运费CIF Cost,Insurance and Freight 成本加保险费、运费CPT Carriage Paid to 运费付⾄CIP Carriage and insurance Paid to 运费、保险费付⾄⼆、国际贸易术语(⼀)、FOB术语1、全称:Free On Board(…Named Port of Shipment),船上交货(······指定装运港),习惯称为装运港船上交货。
集装器集装器是一种容器或载体,航空货运时专用,它不像海运和陆运的集装箱那么庞大,它是专为飞机设计的,特点轻便、小巧。
规格包括集装板和集装箱,型号多种多样,常见的有AKE、AVE、DPE、DQF、PMC、PAG、PLA、PKC。
他们都是按照飞机机身的样子做的,所以大小都适合飞机大小。
集装箱用于运载一般货物、行李和邮件AMA | AMF | ALF | AKE冷藏集装箱主要用于运送鲜活物品,如水果、蔬菜、海鲜等等。
冷藏集装箱可使用澳洲锁。
内部另设干冰箱恒温.KN集装板集装板是一块平面的铝板。
货件放置在板上,由绳网固定。
PGA | PMC, PQP, P6P | PEB | P1P, PAG | PLA车架车架放置在PGA集装板,使两辆车可以相迭放置。
VZA, VRA一.集装器的识别代码:AKE 21886 CAA——集装器的代码K——集装器底板尺寸的代码E——适配代码21886——集装器的编号CA——集装器所属承运人二.集装器种类:A/D——集装箱P/F——集装板R ——保温集装箱三.底板尺寸:1英寸=2.54厘米五.集装板装货高度和体积:集装板装货高度一般有三种:低板1.6米,中板2.4米,高板2.9米低板装在宽体飞机的下舱,中板和高板装在B747全货机的上舱。
高板在装到2.4米处收口收进0.5米,一般限重5吨。
M1挂衣箱限高2.35米,重量为2.4吨。
麦道11全货机上舱只能装中板,限高2.35米,限重4.5吨。
PAP板1.9米处收口0.45米,PMP板1.55米处收口0.3米,1.9米处再收口0.3米。
低板限重4.5吨,LD3箱可装货3立方米,限重1.5吨。
LD7箱可装货8立方米,限重1.6吨。
PAP板装低板高度可装8.5立方米货物,中板高度可装12.8立方米货物,高板高度可装15.5立方米货物。
PMP板装低板高度可装9.5立方米货物,中板高度可装14立方米货物,高板高度可装17.5立方米货物。
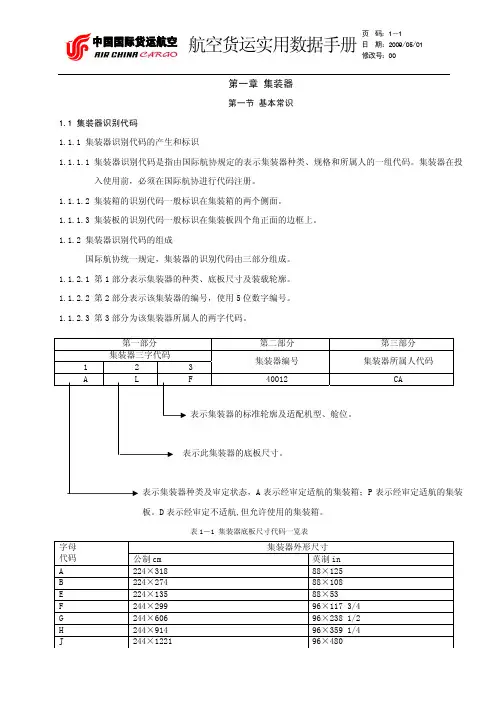
第一章 集装器
第一节 基本常识
1.1 集装器识别代码
1.1.1 集装器识别代码的产生和标识
1.1.1.1集装器识别代码是指由国际航协规定的表示集装器种类、规格和所属人的一组代码。
集装器在投
入使用前,必须在国际航协进行代码注册。
1.1.1.2 集装箱的识别代码一般标识在集装箱的两个侧面。
1.1.1.3 集装板的识别代码一般标识在集装板四个角正面的边框上。
1.1.2 集装器识别代码的组成
国际航协统一规定,集装器的识别代码由三部分组成。
1.1.
2.1 第1部分表示集装器的种类、底板尺寸及装载轮廓。
1.1.
2.2 第2部分表示该集装器的编号,使用5位数字编号。
1.1.
2.3 第3部分为该集装器所属人的两字代码。
板。
D表示经审定不适航,但允许使用的集装箱。
表1-1 集装器底板尺寸代码一览表
集装器外形尺寸
字母
代码 公制cm 英制in
A 224×318 88×125
B 224×274 88×108
E 224×135 88×53
F 244×299 96×117 3/4
G 244×606 96×238 1/2
H 244×914 96×359 1/4
K 153×156 60×62
L 153×318 60×125
M 244×318 96×125
N+ 156×244 62×96
P+ 120×153 47×60
Q+ 153×244 60×96
表1-2 常用集装设备种类及代码
类型 特征 适用机型
AVE LD3普通集装箱 所有宽体飞机下货舱
AKE LD3普通集装箱 所有宽体飞机下货舱
DPE LD2普通集装箱 限767飞机下货舱(注)
RKN LD3冷藏集装箱 所有宽体飞机下货舱
RAK LD7进口冷藏箱 所有宽体飞机主/下货舱
AAP LD7集装箱(163cm高) 所有宽体飞机主/下货舱
AMP LD7集装箱(163cm高) 所有宽体飞机主/下货舱
AMA 244cm高集装箱 波音747货机主货舱
DQF 767双体集装箱 限767飞机下货舱
ALF 双体集装箱 所有宽体飞机下货舱(767禁用)
HMJ 马匹运输专用箱 747.MD-11主货舱
PAG/P1P 标准集装板 所有宽体飞机主/下货舱
PMC/P6P 普通集装板 所有宽体飞机主/下货舱
PMW 边框加强型翼板 所有宽体飞机下货舱
PLA 普通集装板 所有宽体飞机下货舱(767禁用)
PLW 普通集装板翼板 所有宽体飞机下货舱(767禁用)
PLB 高强度集装板 所有宽体飞机下货舱(767禁用)
FQA 普通集装板 限767飞机下货舱
FQW 边框加强型翼板 限767飞机下货舱
PGE/P7E 20英尺集装板 747F或COMBI、MD11F等型飞机主货舱 PRA 16英尺集装板 747F或COMBI、MD11F等型飞机主货舱
注:DPE型集装箱可以在波音777、747下货舱装载,但必须符合限制条件。
第二节 集装器图例及实用数据
2.1 集装板
(1) P1型集装板(A型集装板,标准板)
※ 最大毛重是指集装器自重(含网套等)与其所能装载货物的最大重量之和(以下同)。
※ 图中数据较大的一个为轮廓尺寸,较小的一个为可使用尺寸。
(2) P2型集装板(B型集装板)
(3) P4型集装板(R型集装板,16英尺板)
(4) P5型集装板(E 型集装板)
(5) P6型集装板(M型集装板,10英尺板)
(6) P7型集装板(G型集装板,20英尺板)
(7) P8型集装板(Q型集装板)
(8) P9型集装板(L型集装板)
(9)K型集装板
该集装板为LD3集装箱的替代板型。
(10)PH型集装板(30英尺板)
(11)PJ型集装板(40英尺板)
2.2 集装箱
(1) LD1型集装箱
(2) LD2型集装箱
(3) LD3 型集装箱
(4) LD5 /(LD11)型集装箱
(5) LD6型集装箱
(6) LD7 型集装箱
(7) LD8 型集装箱
(8) LD9 型集装箱
(9) LD10 型集装箱
(10) 10 英尺集装箱
(11) 冷藏集装箱
(12) LD3 型冷藏箱
(13)马厩(三马位,封顶)
2.3 集装板、集装箱底板结构及尺寸
2.3.1 集装板/集装箱底板结构图示
注:集装板板角的形式不是统一的,此为一种。
2.3.2 集装板/集装箱底板剖面尺寸图示
第三节 LD2型集装箱在波音747、777等机型上的装载
3.1 根据波音公司的B747-400和B777-200型飞机《载重平衡控制和装载手册》(Weight and Balance Control and Loading Manual),底板尺寸代码为P的集装箱,即DPE型集装箱,可以分别装在B747-400和B777-200型飞机的下货舱,但应遵守以下规定。
3.1.1 在波音747-400型飞机下货舱的装载
3.1.1.1 装载方式
A. 两个DPE型集装箱并排装在飞机下货舱内时,集装箱突出部分分别朝向飞机下货舱的中心线
(如图示1-1)。
图示 1-1
B. 一个DPE型集装箱与一个AKE型集装箱并排装在飞机下货舱内时,DPE型集装箱的突出部分
朝向飞机下货舱的中心线,AKE型集装箱的突出部分朝向飞机货舱壁(如图示1-2)。
图示 1-2
3.1.1.2 装载位置及注意事项
A. 在前下货舱内装载时,应装在12R、12L、13R、13L位置上(如示1-3),并满足以下三个条
件之一:
(1) 在11L/R位置上装载一个底板尺寸代码为L的集装箱;
(2) 在11L/R位置上装载两个底板尺寸代码为K的集装箱;
(3) 在11与12位置之间(平衡力臂540.6位置)安装集装器挡块并全部打起。
图示1-3
B. 在后下货舱内装载时,应装在43R、43L、44R、44L位置上(如图1-4所示),并满足以下三
个条件之一:
(1) 在31L/R至42L/R的位置上必须装载底板尺寸代码为L的集装箱或集装板;
(2) 在31L/R至42L/R的位置上必须装载成对配装的底板尺寸代码为K的集装箱或集装板;
(3) 在42与43之间(平衡力臂1788.7位置)安装集装器挡块并全部打起。
图示 1-4
3.1.2 在B777-200型飞机上的装载
3.1.2.1 在前下货舱内装载时,应装在14R/L、21R/L-24R/L位置上(如图示1-5)。
3.1.2.2 DPE集装箱只能装在沿飞机前后方向上排列的一串集装箱的中间,而不能装在这一串集装箱
的第一个和最后一个位置。
3.1.2.3 DPE集装箱不能装在门区。
图示1-5
3.1.2.4 在后下货舱内装载时,应装在32R/L、33R/L位置上(如图示1-6)。
3.1.2.5 DPE集装箱只能装载在沿飞机前后方向上排列的一串集装箱的中间,而不能装在这一串集装
箱的第一个和最后一个位置上。
3.1.2.6 DPE集装箱不能装载在门区。
图示1-6
3.1.2.7 此种装载情况下,DPE集装箱的最大允许重量为1224kg,包括集装箱标准自重。