卫生器具排水管道安装的允许偏差及检验方法表
- 格式:docx
- 大小:14.18 KB
- 文档页数:1
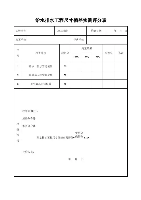
给水排水工程尺寸偏差实测评分表给水排水工程尺寸偏差实测评分表总结在给水排水工程施工过程中,尺寸偏差的准确测量与评分是确保工程质量的重要环节。
本文基于提供的《给水排水工程尺寸偏差实测评分表+总结(标准版)》内容,从评分表的结构、检查项目、评分标准、实际操作及总结等方面进行详细阐述。
一、评分表结构设计评分表采用了清晰的表格形式,将关键信息如工程名称、施工单位、评价单位、检查日期等置于表头,便于记录和查阅。
表格主体部分详细列出了检查项目、应得分、不同判定标准下的得分情况以及实际得分和备注,这种设计不仅直观展示了评分流程,也确保了评分的准确性和可追溯性。
二、检查项目与权重检查项目主要包括给水、排水管道坡度,箱式消火栓安装位置,以及卫生器具安装位置。
这些项目均是给水排水工程中至关重要的环节,直接影响工程的使用功能和安全性。
每个项目均设有具体的应得分,体现了其在整体评分中的权重。
例如,给水、排水管道坡度作为核心项目,被赋予了50分的权重,而箱式消火栓安装位置和卫生器具安装位置则分别获得20分和30分的权重,这种权重分配合理反映了各项目的重要性。
三、评分标准与判定评分表设定了多个判定标准,如100%、85%、70%等,这些标准对应不同的得分情况。
在实际操作中,评价人员会根据现场实测数据与标准要求进行对比,依据最接近的判定标准给出实际得分。
这种评分标准既严格又灵活,能够客观反映工程的实际情况,避免了一刀切的评分方式带来的不公平性。
四、实际操作流程在实际操作中,评价人员需首先明确检查项目和应得分,然后按照规定的测量方法和工具进行现场实测。
实测数据需与标准要求进行对比分析,确定最接近的判定标准并给出实际得分。
最后,将所有项目的实际得分进行汇总计算得出总分,并在备注栏中记录可能的特殊情况或问题。
整个流程严谨有序,确保了评分的公正性和准确性。
五、总结与展望通过对《给水排水工程尺寸偏差实测评分表+总结(标准版)》的深入分析,我们可以看出该评分表在提升给水排水工程质量方面发挥了重要作用。
1.总则1.1适用范围本工艺标准适用于一般民用和公共建筑卫生洁具安装工程。
1.2编制依据《建筑给水排水及采暖工程施工质量验收规范》GB 50242-20022.施工准备2.1技术准备2.2材料准备2.3主要机具2.4作业条件3.施工工艺3.1安装准备卫生器具在安装前要进行检查、清洗,配件与卫生器具应配套,部分卫生器具应先进行预制再安装。
3.2卫生器具安装高度如设计无要求时,应符合下表注:装设在幼儿园内的洗手盆、洗脸盆和盥洗槽水嘴中心离地面安装高度应为700mm,其他卫生器具给水配件的安装高度,应按卫生器具实际尺寸相应减少。
3.3卫生器具给水配件的安装高度如设计无要求时,应符合下表3.4蹲式大便器安装:(1) 高水箱蹲式大便器安装在砖砌坑台中,分带存水弯和无存水弯两种,依设计和已安装完的排水分支管选用的是否有S弯或P型弯而定。
(2) 按已安装好的排水短管中心,确定出大便器的安装中心线,并引至大便器后背墙上,同时弹出高位水箱、冲洗管的安装中心线。
(3) 将胶皮碗的一端套在大便器进水口上,另一端套在冲洗管上,应套正套实,并用14#铜丝或喉箍分别捆扎两道,两道铜丝不得压在同一条线上,拧扣要错开90°。
(4) 在排水管承口内抹上油灰,把适量的白灰膏铺在排水管承口周围及大便器的下面,将大便器出水口插入承口内稳住并用水平尺找平。
大便器两侧用砖砌,并用砂浆将大便器两侧填实堵牢,最后将大便器内的出水口堵好,待通水试验时再取掉。
注意大便器调整找平后,要求后边底部应比出水口处稍低,以便在使用时有少量存水。
(1) 高水箱安装前,应先将水箱的冲洗洁具在水箱内接好,连接时,上部进水口和下部出水口的连接处均应衬橡皮垫,并盛水试漏。
安装时应用活扳子,不能用管钳,以免其表面留下咬痕。
(2) 在已做好的墙面上用适合水箱挂眼大小的尺寸钻头钻孔,栽埋膨胀螺栓,外露25-30mm,挂装时衬软垫和铁垫圈,用螺帽紧固。
高位水箱和大便器之间用冲洗管连接,普通的用D32硬聚氯乙烯塑料管。
1.本表由施工单位填写,交底单位与接受交底单位各保存一份。
2.当做分项工程施工技术交底时,应填写“分项工程名称”栏,其他技术交底可不填写。
1.本表由施工单位填写,交底单位与接受交底单位各保存一份。
2.当做分项工程施工技术交底时,应填写“分项工程名称”栏,其他技术交底可不填写。
1.本表由施工单位填写,交底单位与接受交底单位各保存一份。
2.当做分项工程施工技术交底时,应填写“分项工程名称”栏,其他技术交底可不填写。
1.本表由施工单位填写,交底单位与接受交底单位各保存一份。
2.当做分项工程施工技术交底时,应填写“分项工程名称”栏,其他技术交底可不填写。
1.本表由施工单位填写,交底单位与接受交底单位各保存一份。
2.当做分项工程施工技术交底时,应填写“分项工程名称”栏,其他技术交底可不填写。
室内给水管道及配件安装项目允许偏差(mm)检查方法国标项标水平管道纵、横方向弯曲允许偏差钢管每m 1mm全长25m以上≯25mm 塑料管复合管每m 1.5mm全长25m以上≯25mm 铸铁管每m 2mm全长25m以上≯25mm立管垂直度允许偏差钢管每m 3mm5m以上≯8mm 塑料管复合管每m 2mm5m以上≯8mm 铸铁管每m 3mm5m以上≯10mm成排管段和成排阀门在同一平面上的间距3mm室内消火栓系统安装项目允许偏差(mm)检查方法国标项标栓口朝外,并不应安装在门轴侧栓口中心距地面1.1m允许偏差±20mm 阀门中心距箱侧面允许偏差140mm距箱后内表面100mm允许偏差±5 消火栓箱体安装的垂直度允许偏差 3给水设备安装项目允许偏差(mm)检查方法国标项标安装允许偏差静置设备坐标15mm标高±5mm垂直度(每m)5mm 离心式水泵立式垂直度(每m) 0.1mm卧式水平度(每m) 0.1mm 联轴器同心度轴向倾斜(每m) 0.8mm径向移位0.1mm保温层允许偏差允许偏差厚度δ+0.1δ-0.05δ表面平整度(mm)卷材 5涂料10室内排水管道及配件安装项目允许偏差(mm)检查方法国标项标排水管安装允许偏差坐标15mm标高±15mm横管纵横方向弯曲铸铁管每1m ≯1mm全长(25m以上)≯25mm 钢管每1m管径≤100m m 1mm管径>100m m1.5mm全长(25m以上)管径≤100m m ≯25mm管径>100m m ≯38mm 塑料管每1m 1.5mm全长(25m以上)≯38mm 钢筋混凝土管每1m 3mm全长(25m以上)≯75mm立管垂直度铸铁管每1m 3mm全长(5m以上)≯15mm 钢管每1m 3mm全长(5m以上)≯10mm 塑料管每1m 3mm全长(5m以上)≯15mm雨水管道及配件安装项目允许偏差(mm)检查方法国标项标地下埋设雨水管道最小坡度(1)50mm 20‰(2)75mm 15‰(3)100mm 8‰(4)125mm 6‰(5)150mm 5‰(6)200~400mm4‰(7)悬吊雨水管最小坡度≤5‰悬吊前检查口间距≤150 ≯15m ≥200 ≯20m焊缝允许偏差焊口平直度管壁厚10mm以内管壁厚1/4 焊缝加强面高度+1mm宽度咬边深度小于0.5mm 长度连续长度25mm总长度(两侧)小于焊缝长度的10%室内热水管道及配件安装项目允许偏差(mm)检查方法国标项标管道安装允许偏差水平管道纵横方向弯曲钢管每m1mm全长25m以上≯25mm塑料管复合管每m 1.5mm全长25m以上≯25mm立管垂直度钢管每m3mm全长25m以上≯8mm塑料管复合管每m2mm全长25m以上≯8mm 成排管道和成排阀门在同一平面上间距3mm保温层允许偏差厚度+0.1δ、-0.05δ表面平整度卷材5mm涂沫10mm热水供应系统辅助设备安装项目允许偏差(mm)检查方法国标项标设备安装允许偏差静置设备坐标15mm标高±5mm垂直度每m 5mm离心式水泵立式水泵垂直度每m 0.1mm卧式水泵水平度每m 0.1mm 同心度联轴器轴向倾斜(每m)0.8mm径向位移0.1mm热水器安装允许偏差标高中心线距地面mm ±20mm朝向最大偏移角不大于15º卫生器具及给水配件安装项目允许偏差(mm)检查方法国标项标卫生器具安装允许偏差坐标单独器具10mm成排器具5mm 标高单独器具±15mm成排器具±10mm 器具水平度2mm器具垂直度3mm给水配件安装允许偏差高、低水箱、阀角及截止阀水嘴±10mm 淋浴器喷头下沿±15mm 浴盆软管淋浴器挂钩±20mm卫生器具排水管道安装项目允许偏差(mm)检查方法国标项标安装允许偏差横管弯曲度每1m长2mm横管长度≤10m,全长<8mm横管长度>10m,全长10mm 卫生器具排水管口及横支管的纵横坐标单独器具10mm成排器具5mm 卫生器具接口标高单独器具±10mm成排器具±5mm排水管最小坡度污水盆(池) 50mm 25‰单、双格洗涤盆(池)50mm 25‰洗手盆、洗脸盆32~50mm 20‰浴盆50mm 20‰淋浴器50mm 20‰大便器高低水箱100mm 12‰自闭式冲洗阀100mm 12‰拉管式冲洗阀100mm 12‰小便器冲洗阀40~50mm 20‰自动冲洗水箱40~50mm 20‰化验盆(无塞)40~50mm 25‰净身器40~50mm 20‰饮水器20~50mm 10‰~20‰室内采暖管道及配件安装项目允许偏差(mm)检查方法国标项标管道安装允许偏差横管道纵、横方向弯曲(mm)每m管径≤100mm 1管径>100mm 1.5全长(25m以上)管径≤100mm ≯13管径>100mm ≯25 立管垂直度(mm)每m 2全长(5m以上)≯10 弯管椭圆率管径≤100mm 10%管径>100mm 8%折皱不平度(mm)管径≤100mm 4管径>100mm 5管道保温允许偏差厚度+0.1δ-0.05δ表面平整卷材 5度(mm) 涂料10室内采暖辅助设备及散热器及金属辐射板安装项目允许偏差(mm)检查方法国标项标散热器允许偏差散热器背面与墙内表面距离3mm与窗中心线或设计定位尺寸20mm散热器垂直度3mm室外给水管道安装项目允许偏差(mm)检查方法国标项标管道安装允许偏差坐标铸铁管埋地100mm敷设在沟槽内50mm 钢管、塑料管、复合管埋地100mm敷沟内或架空40mm 标高铸铁管埋地±50mm敷设在沟槽内±30mm水平管纵横向弯曲钢管、塑料管、复合管埋地±50mm敷沟内或架空±30mm铸铁管直段(25m以上)起点~终点40mm 钢管、塑料管、复合管直段(25m以上)起点~终点30mm消防水泵结合器及消火栓安装项目允许偏差(mm)检查方法国标项标室外消火栓和消防水泵结合器安装尺寸,检口安装高度允许偏差±20m室外排水管道安装项目允许偏差(mm)检查方法国标项标坐标埋地100mm敷设在沟槽内50mm 标高埋地±20mm敷设在沟槽内±20mm水平管道纵横向弯曲第5m长10mm 全长(两井间)30mm室外供热管道及配件安装项目允许偏差(mm)检查方法国标项标安装允许偏差坐标(mm)敷设在沟槽内及架空20埋地50 标高(mm)敷设在沟槽内及架空±50埋地±15水平管道纵、横方向弯曲(mm)每m管径≤100mm 1管径>100mm 1.5全长(25mm)管径≤100mm ≯13管径>100mm ≯25 椭圆率管径≤100mm 8%管径>100mm 5%折皱不平度(mm)管径≤100mm 4管径125~200mm 5管径250~400mm 7管道保温允许偏差厚度+0.1δ,—0.05δ表面平整度(mm)卷材 5涂抹10工艺管道安装项目允许偏差(mm)检查方法国标项标安装允许偏差坐标架空15mm地沟10mm 标高架空±15mm地沟±10mm水平管道纵、横方向弯曲DN≤100mm(每m) 2‰,最大50DN>100mm(每m) 3‰,最大70 立管垂直(每m)2‰,最大15 成排管道间距3mm 交叉管的外壁或绝热层间距10mm管道设备保温厚度+0.1δ,-0.05δ表面平整度卷材5mm涂沫10mm换热站安装项目允许偏差(mm)检查方法国标项标静置设备允许偏差坐标15mm标高±5mm 垂直度(lm)2mm离心式水泵允许偏差泵体水平度(lm)0.1mm联轴器同心度轴向倾斜(lm)0.8mm径向位移0.1mm管道允许偏差坐标架空15mm地沟10mm 标高架空±15mm地沟±10mm水平管道纵、横方向弯曲DN≤100mm(每m) 2‰,最大50DN>100mm(每m) 3‰,最大70 立管垂直(每m)2‰,最大15 成排管道间距3mm 交叉管的外壁或绝热层间距10mm管道设备保温允许偏差厚度+0.1δ,-0.05δmm表面平整度卷材5mm涂抹10mm成套配电柜、控制柜(屏、台)和动力、照明配电箱(盘)安装项目允许偏差(mm)检验方法国标项标不直度(mm/n)基础型钢安装允许偏差水平度(mm/全长)不平行度(mm/全长)≤1 ≤5 ≤5柜、盘等垂直度允许偏差≤1.5‰不间断电源安装项目允许偏差(mm)检验方法国标项标机架组装紧固且水平度、垂直度偏差≤1.5‰裸母线、封闭母线、插接式母线安装项目允许偏差(mm)检验方法国标项标封闭、插接式母线与外壳同心;允许偏差(mm)≤±5风管系统安装项目允许偏差(mm)检查方法国标项标风口安装允许偏差位置和标高不应大于10m水平度不应大于3/1000垂直度不应大于2/1000通风机安装项目允许偏差(mm)检查方法国标项标中心线的平面位移10 标高±10 皮带轮轮宽中心平面偏移 1传动轴水平度纵向0.2/1000 横向0.3/1000联轴器两轴芯径向位移0.05两轴线倾斜0.2/1000通风与空调设备安装项目允许偏差(mm)检查方法国标项标除尘设备安装允许偏差平面位移≤10标高±10垂直度每料≤2总偏差≤10空调制冷系统安装项目允许偏差(mm)检查方法国标项标制冷及附属设备安装平面位移(mm) 10标高(mm) ±10空调水系统安装项目允许偏差(mm)检查方法国标项标钢制管道安装允许偏差(m m)坐标架空及地沟室外25室内15埋地60标高架空及地沟室外±20室内±15埋地±25水平管平直度DN≤100mm 2L%,最大40DN>100mm 3L%,最大40 立管垂直度5L%,最大25成排管段间距15成排管段或成排阀门在同一平面上3。
室给水管道及配件安装
室消火栓系统安装
给水设备安装
室排水管道及配件安装
雨水管道及配件安装
室热水管道及配件安装
热水供应系统辅助设备安装
卫生器具及给水配件安装
卫生器具排水管道安装
室采暖管道及配件安装
室采暖辅助设备及散热器及金属辐射板安装
室外给水管道安装
消防水泵结合器及消火栓安装
室外排水管道安装
室外供热管道及配件安装
工艺管道安装
换热站安装
成套配电柜、控制柜(屏、台)和动力、照明配电箱(盘)安装
不间断电源安装
裸母线、封闭母线、插接式母线安装
风管系统安装
通风机安装
通风与空调设备安装
空调制冷系统安装
空调水系统安装。
室内给水管道及配件安装
室内消火栓系统安装
给水设备安装
室内排水管道及配件安装
雨水管道及配件安装
室内热水管道及配件安装
热水供应系统辅助设备安装
卫生器具及给水配件安装
卫生器具排水管道安装
室内采暖管道及配件安装
室内采暖辅助设备及散热器及金属辐射板安装
室外给水管道安装
消防水泵结合器及消火栓安装
室外排水管道安装
室外供热管道及配件安装
工艺管道安装
换热站安装
成套配电柜、控制柜(屏、台)和动力、照明配电箱(盘)安装
不间断电源安装
裸母线、封闭母线、插接式母线安装
风管系统安装
通风机安装
通风与空调设备安装
空调制冷系统安装
空调水系统安装
(注:素材和资料部分来自网络,供参考。
请预览后才下载,期待你的好评与关注!)。
一、室内给水管道及配件安装1、水平管道纵横方向弯曲允许偏差(1)钢管每米 1 mm,全长25米以上不大于25mm(2) 塑料复合管每米1.5 mm,全长25米以上不大于25mm(3) 铸铁管每米 2 mm,全长25米以上不大于25mm2、立管垂直度允许偏差(1)钢管每米 3 mm,全长5米以上不大于8mm(2) 塑料复合管每米3mm,全长5米以上不大于8mm(3) 铸铁管每米 3 mm,全长5米以上不大于10mm3、成排管段、成排阀门在同一平面上间距不大于3mm4、保温层允许偏差(1)厚度+0.1δ—0.05δ(2)表面平整度卷材5mm涂抹10mm5、安装螺翼式水表,表前与阀门应有不小于8倍水表接口直径的直线管段。
表外壳距墙表面净距为10—30mm;水表进水口中心标高按设计要求,允许偏差为±10mm二、室内消火栓系统安装1、栓口中心距地面1.1m,允许偏差±20mm2、阀门中心距箱侧面140mm,距箱内表面100mm,允许偏差±5mm3、消火栓箱体安装的垂直度允许偏差3mm三、给水设备安装1、静置设备(1)坐标15mm(2)标高±25mm(3)垂直度(每米)5mm2、离心式水泵(1)立式泵体垂直度(每米)0.1mm(2)卧式泵体水平度(每米)0.1mm(3)联轴器同心度轴向倾斜(每米)0.8mm径向位移0.1mm3、保温层允许偏差(1)厚度+0.1δ-- -0.05δ(2)表面平整度卷材5mm涂抹10mm四、室内排水管道及配件安装1、排水管道安装允许偏差(1)坐标15mm(2)标高±15mm2、横管纵横方向弯曲(1)铸铁管每米≯1mm全长(25m以上)≯25mm(2)钢管每米管径≤100mm 1mm管径>100mm 1.5mm全长(25m以上)管径≤100mm ≯25mm管径>100mm ≯38mm(3)塑料管每米 1.5mm全长(25m以上)≯38mm(4)钢筋混凝土管每米3mm全长(25m以上)≯75mm3、立管垂直度(1)铸铁管每米3mm全长(5m以上)≯15mm(2)钢管每米3mm全长(5m以上)≯10mm(3)塑料管每米3mm全长(5m以上)≯15mm五、雨水管道及配件安装1、雨水管道安装允许偏差(1)坐标15mm(2)标高±15mm(3)横管纵横方向弯曲①铸铁管每米≯1mm全长(25m以上)≯25mm②钢管每米管径≤100mm 1mm管径>100mm 1.5mm全长(25m以上)管径≤100mm ≯25mm管径>100mm ≯38mm③塑料管每米 1.5mm全长(25m以上)≯38mm④钢筋混凝土管每米3mm全长(25m以上)≯75mm(4)立管垂直度①铸铁管每米3mm全长(25m以上)≯15mm②钢管每米3mm全长(25m以上)≯10mm管径>100mm ≯38mm③塑料管每米3mm全长(25m以上)≯15mm2、焊缝允许偏差(1)焊口平直度管壁厚在10mm以内管壁厚1/4(2)焊缝加强面高度+1mm宽度+1mm(3)咬边深度<0.5mm长度连续长度≤25mm总长度(两侧)小于焊缝长度的10%六、卫生器具安装1、卫生器具安装允许偏差(1)坐标单独器具10mm成排器具5mm(2)标高单独器具±15mm成排器具±10mm(3)器具水平度2mm(4)器具垂直度3mm2、卫生器具安装高度: 污水盆800mm小便器600mm七、卫生器具及给水配件安装1、给水配件安装允许偏差(1)高、低水箱、角阀及截止阀±10mm(2)水嘴±10mm(3)淋浴器喷头下沿±15mm(4)浴盆软管、淋浴器挂钩±20mm2、卫生器具配件安装高度(配件中心距地面高度mm) 洗脸盆水龙头(上配水)1000水龙头(下配水)800角阀450浴盆水龙头(上配水)670冷热水龙头间距150淋浴器截止阀1150混合阀1150淋浴喷头下沿2100蹲式大便器手动式自闭冲洗阀600脚踏式自闭冲洗阀150立式小便器角阀1130挂式小便器角阀及截止阀1050八、卫生器具排水管道安装1、安装允许偏差(1)横管弯曲度每1m长2mm横管长度≤10m,全长<8mm (2)排水管口及横支管的纵横坐标单独器具10mm成排器具5mm(3)接口标高单独器具±10mm成排器具±5mm九、室内采暖管道及配件安装1、管道安装允许偏差(1)横管纵横方向弯曲每米管径≤100mm 1mm管径>100mm 1.5mm 全长(25m以上)管径≤100mm ≯13mm管径>100mm ≯25mm (2)立管垂直度每米2mm全长(25m以上)≯10mm(3)弯管椭圆率管径≤100mm 10%管径>100mm 8%折皱不平度管径≤100mm 4mm管径>100mm 5mm2、管道焊口允许偏差①焊口平直度管壁厚在10mm以内管壁厚1/4②焊缝加强面高度+1mm宽度+1mm③咬边深度<0.5mm长度连续长度≤25mm总长度(两侧)小于焊缝长度的10%3、保温层允许偏差(1)厚度+0.1δ—0.05δ(2)表面平整度卷材5mm涂抹10mm4、散热器背面与装饰后的墙内表面安装距离,如设计未注明应为30mm十、自喷系统1、机械三通开孔间距不应小于500mm,机械四通开孔间距不应小于1000mm2、管道支架、吊架与喷头之间的距离不宜小于300mm,与末端喷头之间的距离不宜大于750mm.3、信号阀应安装在水流指示器前的管道上,与水流指示器之间的距离不宜小于300mm。
精品文档.7卫生器具安装7.1一般规定7.1.1本章适用于室内污水盆、洗涤盆、洗脸(手)盆、盥洗槽、浴盆、淋浴器、大便器、小便器、小便槽、大便冲洗槽、妇女卫生盆、化验盆、排水栓、地漏、加热器、煮沸消毒器和饮水器等卫生器具安装的质量检验与验收。
7.1.2卫生器具的安装应采用预埋螺栓或膨胀螺栓安装固定。
7.1.3卫生器具安装高度如设计无要求时,应符合表7.1.3的规定。
7.1.4卫生器具给水配件的安装高度,如设计无要求时,应符合表7.1.4的规定。
表格见下页精品文档12 .精品文档. 表 7.1.4 卫生器具给水配件的安装高度器具给水配件的安装高度,应按卫生器具实际尺寸相应减少。
7.2卫生器具安装主控项目7.2.1排水栓和地漏的安装应平正、牢固,低于排水表面,周边无渗漏。
地漏水封高度不得小于 50mm。
精品文档.检验方法:试水观察检查。
7.2.2卫生器具交工前应做满水和通水试验。
检验方法:满水后各连接件不渗不漏;通水试验给、排水畅通。
13精品文档.一般项目7.2.3卫生器具安装的允许偏差应符合表7.2.3的规定。
7.2.4有饰面的浴盆,应留有通向浴盆排水口的检修门。
检验方法:观察检查。
7.2.5小便槽冲洗管,应采用镀锌钢管或硬质塑料管。
冲洗孔应斜向下方安装,冲洗水流同墙面成 45°角。
镀锌钢管钻孔后应进行二次镀锌。
检验方法:观察检查。
7.2.6卫生器具的支、托架必须防腐良好,安装平整、牢固,与器具接触紧密、平稳。
检验方法:观察和手扳检查。
7.3卫生器具给水配件安装主控项目7.3.1卫生器具给水配件应完好无损伤,接口严密,启闭部分灵活。
检验方法:观察及手扳检查。
一般项目7.3.2卫生器具给水配件安装标高的允许偏差应符合表7.3.2的规定。
7.3.3浴盆软管淋浴器挂钩的高度,如设计无要求,应距地面1800mm。
检验方法:尺量检查。
7.4卫生器具排水管道安装主控项目7.4.1与排水横管连接的各卫生器具的受水口和立管均应采取妥善可靠的固定措精品文档. 施;管道与楼板的接合部位应采取牢固可靠的防渗、防漏措施。
卫生器具排水管道安装检验批质量验收记录
填写说明
一、填写依据
1 《建筑给水排水及采暖工程施工质量验收规范》GB50242-2002。
2 《建筑工程施工质量验收统一标准》GB50300-2013。
二、检验批划分
可按设计系统、楼层、施工段、单元划分。
三、GB50242-2002规范摘要
主控项目
7.4.1 与排水横管连接的各卫生器具的受水口和立管均应采取妥善可靠的固定措施;管道与楼板的接合部位应采取牢固可靠的防渗、防漏措施。
检验方法:观察和手扳检查。
7.4.2 连接卫生器具的排水管道接口应紧密不漏,其固定支架、管卡等支撑位置应正确、牢固,与管道的接触应平整。
检验方法:观察及通水检查。
一般项目
7.4.3 卫生器具排水管道安装的允许偏差应符合表7.4.3的规定。
7.4.4 连接卫生器具的排水管管径和最小坡度,如设计无要求时,应符合表7.4.4的规定。
检验方法:用水平尺和尺量检查。
7卫生器具安装7.1一般规定7.1.1本章适用于室内污水盆、洗涤盆、洗脸(手)盆、盥洗槽、浴盆、淋浴器、大便器、小便器、小便槽、大便冲洗槽、妇女卫生盆、化验盆、排水栓、地漏、加热器、煮沸消毒器和饮水器等卫生器具安装的质量检验与验收。
7.1.2卫生器具的安装应采用预埋螺栓或膨胀螺栓安装固定。
7.1.3卫生器具安装高度如设计无要求时,应符合表7.1.3的规定。
7.1.4卫生器具给水配件的安装高度,如设计无要求时,应符合表7.1.4的规定。
表格见下页12表 7.1.4 卫生器具给水配件的安装高度器具给水配件的安装高度,应按卫生器具实际尺寸相应减少。
7.2卫生器具安装主控项目7.2.1排水栓和地漏的安装应平正、牢固,低于排水表面,周边无渗漏。
地漏水封高度不得小于 50mm。
检验方法:试水观察检查。
7.2.2卫生器具交工前应做满水和通水试验。
检验方法:满水后各连接件不渗不漏;通水试验给、排水畅通。
13一般项目7.2.3卫生器具安装的允许偏差应符合表7.2.3的规定。
7.2.4有饰面的浴盆,应留有通向浴盆排水口的检修门。
检验方法:观察检查。
7.2.5小便槽冲洗管,应采用镀锌钢管或硬质塑料管。
冲洗孔应斜向下方安装,冲洗水流同墙面成 45°角。
镀锌钢管钻孔后应进行二次镀锌。
检验方法:观察检查。
7.2.6卫生器具的支、托架必须防腐良好,安装平整、牢固,与器具接触紧密、平稳。
检验方法:观察和手扳检查。
7.3卫生器具给水配件安装主控项目7.3.1卫生器具给水配件应完好无损伤,接口严密,启闭部分灵活。
检验方法:观察及手扳检查。
一般项目7.3.2卫生器具给水配件安装标高的允许偏差应符合表7.3.2的规定。
7.3.3浴盆软管淋浴器挂钩的高度,如设计无要求,应距地面1800mm。
检验方法:尺量检查。
7.4卫生器具排水管道安装主控项目7.4.1与排水横管连接的各卫生器具的受水口和立管均应采取妥善可靠的固定措施;管道与楼板的接合部位应采取牢固可靠的防渗、防漏措施。
卫生间污水废水管安装规范一、排水管道及管件的材质应耐腐蚀,应具有承受不低于40℃排水温度且连续排水的耐温能力。
接口安装连接应可靠、安全。
二、当构造内无存水弯的卫生器具、无水封地漏、设备或排水沟的排水口与生活排水管道连接时,必须在排水口以下设存水弯。
三、水封装置的水封深度不得小于50mm,卫生器具排水管段上不得重复设置水封。
四、严禁采用钟罩式结构地漏及采用活动机械活瓣替代水封。
五、室内生活废水排水沟与室外生活污水管道连接处应设水封装置。
1.设有淋浴器和洗衣机的部位应设置地面排水设施。
2.排水管道不得穿越下列场所:(1)卧室、客房、病房和宿舍等人员居住的房间;(2)生活饮用水池(箱)上方;(3)食堂厨房和饮食业厨房的主副食操作、烹调、备餐、主副食库房的上方;(4)遇水会引起燃烧、爆炸的原料、产品和设备的上方。
六、地下室、半地下室中的卫生器具和地漏不得与上部排水管道连接,应采用压力流排水系统,并应保证污水、废水安全可靠的排出。
七、管道安装时管道内外和接口处应清洁无污物,安装过程中应严防施工碎屑落入管中,管道接口不得设置在套管内,施工中断和结束后应对敞口部位采取临时封堵措施。
八、防空地下室的污废水宜采用机械排出,战时电源无保证的防空地下室,在战时需设电动排水泵时,应设有备用的人力机械排水设施,九、防空地下室的排水管管材应符合下列要求:1.穿过人防围护结构的排水管道应采用钢塑复合管或其它经过可靠防腐处理的钢管;2.人防围护结构以内的重力排水管道应采用机制排水铸铁管或建筑排水塑料管及管件;3.在结构底板中及以下敷设的管道应采用机倒排水铸铁管或热镀锌钢管。
十、对于乙类防空地下室和核5级、核6级、核6B级的甲类防空地下室,当收集上一层地面废水的排水管道需引入防空地下室时,其地漏应采用防爆地漏。
十一、生活污水管道应使用塑料管、铸铁管或混凝土管(由成组洗脸盆或饮用喷水器到共用水封之间的排水管和连接卫生器具的排水短管,可使用钢管)。
卫生器具安装施工工艺标准1、总则本章适用于室内污水盆、洗涤盆、洗脸(手)盆、盥洗槽、浴盆、淋浴器、大便器、小便冲洗槽、妇女卫生盆、化验盆、排水栓、地漏、加热器、煮沸消毒器和饮水器等卫生器具的安装工程。
2、编制依据2。
1《建筑安装工程施工质量验收统一标准》(GB 50300—2001)2.2《建筑给水、排水及采暖工程施工质量验收规范》(GB50242-2002)3、一般规定3.1卫生器具的安装应采用预埋螺栓或膨胀螺栓安装固定。
3.2卫生器具安装高度如设计无要求时,应符合表3.2-1的规定。
卫生器具的安装高度表表 3。
2-14。
1.4卫生器具给水配件的安装高度,如设计无要时,应符合表3.2-2的规定。
卫生器具给水配件的安装高度表 3.2-2注:装设在幼儿园内的洗手盆、洗脸盆和盥洗槽水嘴中心离地面安装高度应为700mm,其他卫生器具给水配件的安装高度,应按卫生器具实际尺寸相应减少.4。
施工准备4.1技术准备(1)认真审阅图纸资料,卫生器具的规格型号必须符合设计要求,并持有出厂合格证。
(2)明确提出施工的范围和质量标准,并据此定出合理可行的施工周期。
(3)操作人员必须了解所施工卫生器具的性能、技术要求。
4。
2。
材料要求(1)进入施工现场的各种材料及配件必须全部合格、配齐并应略有富余。
(2)材料应根据计划需要及时运到现场,并存放在防避风、雨的室内或棚内,材料应放在垫木或货架上,按型号、规格堆放整齐、牢靠.(3)不合格的材料,严禁运至现场.4. 3。
主要机具(1)主要电动机具:套丝机、砂轮切割机、角向砂轮切割机、手电钻、冲击电钻、打孔机、电烙铁等。
(2)主要工具:管钳、手锯、活动扳手、呆扳手、手锤、布剪刀、手铲、錾子、钢丝钳、方锉、圆锉、螺钉旋具(螺丝刀)等。
(3)其他:水平尺、角尺、钢卷尺、划规、线坠等.4。
4作业条件(1)根据设计要求和土建确定的基准线,确定好卫生器具的标高。
(2)所有与卫生器具连接的管道水压、灌水试验试验完毕,并已办好隐蔽、预检手续。