梁板的一般构造
- 格式:ppt
- 大小:1.62 MB
- 文档页数:28
受弯构件正截面受弯承载力构造要求梁、板的一般构造受弯构件主要是指各种类型的梁与板,与构件的计算轴线相垂直的截面称为正截面。
结构和构件要满足承载能力极限状态和正常使用极限状态(用相应的变形来表示)。
梁、板正截面受弯承载力计算就是从满足承载能力极限状态出发的,即要求满足M≤MuM是受弯构件正截面的弯矩设计值,它是由结构上的作用所产生的内力设计值,代表外部作用在受弯构件正截面。
Mu是受弯构件正截面受弯承载力的设计值,它是由正截面上材料所产生的抗力,是内在承载能力,相当R(s≤R),这里的下角码u是指承载力极限值。
梁板截面形式与尺寸梁、板常用矩形、工形、工字形、槽形、空心板和环形等对称截面,有时也用不对称截面。
现浇梁、板的截面尺寸宜按下述采用:1 .矩形截面的宽度或T形截面的肋宽b一般取为100,120,150,200,250和300mm,以下级差为50mm o2 .矩形和T形截面的高度h一般取为250,300,…80Omm,每次级差为50mm z800mm以上级差为Ioommo3 .板的厚度与跨度、荷载有关,板厚值IOmm为模数,但板的厚不应过小。
梁的截面高宽比h/b,在矩形截面中,一般为2.0~2.5;材料选择与一般构造混凝土强度等级梁、板常用的混凝土强度等级是C20、C25和C30。
钢筋强度等级及常用直径梁的纵向受力钢筋常用二级钢筋及三级钢筋,常用直径是12,14,16,18.20,25。
梁的箍筋常用一级或二级钢筋,常用直径是6,8,10mm。
板内钢筋一般有纵向受拉钢筋与分布钢筋两种。
纵向受拉钢筋常用一级、二级钢筋,直径是6,8,10和12mm,其中现浇板的板面钢筋直径宜不小于8mm,以防施工时钢筋被踩下,分布筋用一级钢筋,常用直径是6,8mm。
混凝土保护层厚度纵向受力钢筋的外表面到截面边缘的垂直距离,称为混凝土保护层厚度。
《混凝土结构设计规范》规定了混凝土保护层的最小厚度。
在室内正常环境下,混凝土最小保护层厚度对梁是25mm,对板是15mm,对柱是30mm o根据2010年新的《混凝土结构设计规范》(GB50010-2010)保护层厚度不再是纵向钢筋(非箍筋)外缘至混凝土表面的最小距离,而是〃以最外层钢筋(包括箍筋、构造筋、分布筋等)的外缘计算混凝土的保护层厚度,这样保护层小一些。
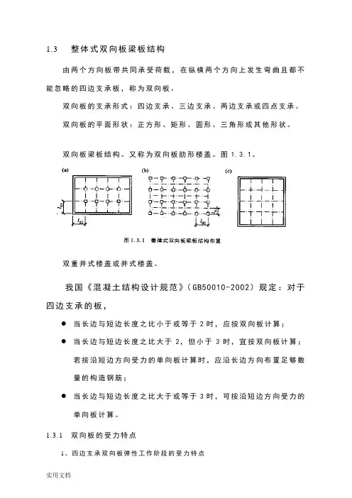
1.3 整体式双向板梁板结构由两个方向板带共同承受荷载,在纵横两个方向上发生弯曲且都不能忽略的四边支承板,称为双向板。
双向板的支承形式:四边支承、三边支承、两边支承或四点支承。
双向板的平面形状:正方形、矩形、圆形、三角形或其他形状。
双向板梁板结构。
又称为双向板肋形楼盖。
图1.3.1。
双重井式楼盖或井式楼盖。
我国《混凝土结构设计规范》(GB50010-2002)规定:对于四边支承的板,●当长边与短边长度之比小于或等于2时,应按双向板计算;●当长边与短边长度之比大于2,但小于3时,宜按双向板计算;若按沿短边方向受力的单向板计算时,应沿长边方向布置足够数量的构造钢筋;●当长边与短边长度之比大于或等于3时,可按沿短边方向受力的单向板计算。
1.3.1 双向板的受力特点1、四边支承双向板弹性工作阶段的受力特点整体式双向梁板结构中的四边支承板,在荷载作用下,板的荷载由短边和长边两个方向板带共同承受,各个板带分配的荷载,与长跨和短跨的跨度比值0201l l 相关。
当跨度比值0201l l 接近时,两个方向板带的弯矩值较为接近。
随着0201l l 的增大,短向板带弯矩值逐渐增大,最大正弯矩出现在中点;长向板带弯矩值逐渐减小。
而且,最大弯矩值不发生在跨中截面,而是偏离跨中截面,图1.3.2。
这是因为,短向板带对长向板带具有一定的支承作用。
2、四边支承双向板的主要试验结果 位移与变形双向板在荷载作用下,板的竖向位移呈碟形,板的四角处有向上翘起的趋势。
●裂缝与破坏对于均布荷载作用下的正方形平面四边简支双向板:●在裂缝出现之前,基本处于弹性工作阶段;●随着荷载的增加,由于两个方向配筋相同(正方形板),第一批裂缝出现在板底中央部位,该裂缝沿对角线方向向板的四角扩展,直至因板底部钢筋屈服而破坏。
●当接近破坏时,板顶面靠近四角附近,出现垂直于对角线方向、大体呈圆弧形的环状裂缝。
这些裂缝的出现,又促进了板底对角线方向裂缝的发展。
第四章受弯构件正截面承载力计算1.受弯构件——截面上有弯矩和剪力共同作用而轴力可以忽略不计的构件。
典型梁:截面高度一般大于宽度板2.破坏形态沿弯矩最大的截面破坏——正截面破坏——防止措施足够的截面尺寸配纵向受力钢筋沿剪力最大或弯矩和剪力都较大的截面破坏——斜截面破坏——足够截面尺寸箍筋、弯起筋正截面受弯承载力计算受弯构件的设计斜截面受剪承载力计算构件变形裂缝宽度构造要求§4-1 梁、板的一般构造要求结构设计主要从计算和构造两方面考虑一、梁的一般构造要求1.梁的截面形式和尺寸形状:矩形、T形、L形、倒T形、花篮形高度h:高跨比h/l0250,300,…,800,以50mm模数递增宽度b:矩形——(1/2~1/3)h 120,150,180,200,220,250,以后以50 mm模数递增T形——(1/2.5~1/4)h2.梁的支承长度(1)砖墙砖柱满足梁内受力钢筋在支座处的锚固要求满足支座处砌体局部抗压承载力要求梁高h≤500mm,a≥180~240mm梁高h>500mm,a≥370mm(2)砼梁(柱),支承长度≥180mm3.梁的钢筋(1)纵向受力钢筋作用:承受弯矩在梁内产生的拉力要求:h≥300mm时,≥Φ10,常12~25mm,一般不宜大于28mmH<300mm时,≥Φ8种类宜少,直径相差≥2mm,根数≥2根,上下排对齐(2)箍筋作用:承担剪力和固定纵筋位置,并和纵筋一起形成钢筋箍筋(3)弯起钢筋作用:承受跨中的弯矩、支座的剪力,连续梁中间支座处,弯起钢筋可承受负弯矩(4)架立钢筋作用:固定箍筋、承受砼收缩及温度变化产生的拉力。
要求:l<4m,> Φ84m<l<6m,> Φ10l>6m,>Φ12(3)梁侧构造钢筋作用:避免温度变化、砼收缩在梁中部可能引起的拉力使砼裂缝要求:1)每侧截面面积不应小于腹板截面面积bh w的0.1%;2)间距≤200mm;3)拉筋:直径同箍筋,间距可取箍筋间距的2倍。