丝锥的种类与用途PPT课件
- 格式:ppt
- 大小:2.79 MB
- 文档页数:20
内螺纹(螺母)切削的方法,虽然一般多使用车床切制或用丝锥攻牙,但直径小及多量生产等情形时几乎都是以丝锥攻牙。
攻牙作业多数的情形是在接近最后加工程序,所以一旦发生丝锥折断、螺孔扩大或缩小、牙崩裂等困难,就会造成许多不良产品,蒙受诸多损害。
近年机械设备自动及高速化的进步,攻丝机也使用到装置有导捍进刀机械的优秀机械了。
另一方面被切削的材料越来越有难以切削的倾向,切削条件也以单个丝锥为通常,已更形严格了。
攻牙是先以钻头钻妥的底孔径攻出螺纹,是在非常狭窄空间进行切削并将切屑排出。
切屑的流动状况因被切削的材料而异,所以使用按用途而发展成功的丝锥为合乎理想。
按以下顺序就丝锥的特性、其正确使用法、及发生时的对策等于以说明。
1.丝锥各部的名称丝锥各部的名称见图一。
2.丝锥的种类丝锥因使用的目的而有种种形状,JIS规格上就规定有手用丝锥、螺母丝锥、管螺纹丝锥等等。
主要的形状、构造分类者有如表1。
表1 丝锥分类区分丝锥的种类等径手用丝锥一般用手用丝锥、铸铁用手用丝锥、压铸件用手用丝锥、塑树脂件用手用丝锥、高硬钢用手用丝锥、螺套用丝锥、粗柄手用丝锥、硬质合金丝锥螺母丝锥螺母丝锥管螺纹丝锥一般管螺纹丝锥、短螺丝形推拔丝攻、铸铁用管螺纹丝锥、软铁用管螺纹丝锥等螺尖丝锥一般用螺尖丝锥、不锈钢用螺尖丝锥、深孔用螺尖丝锥、枪膛丝攻(Gun Flute Tap)螺旋槽丝锥一般用螺旋槽丝锥、不锈钢用螺旋槽丝锥、高碳钢用螺旋槽丝锥、深孔用螺旋槽丝锥、左旋螺旋槽丝锥挤压丝锥钢用挤压丝锥、非铁金属用挤压丝锥柄部特殊丝锥莫氏锥柄丝锥、弯柄丝锥、内容屑丝锥、长柄丝锥复合丝锥带钻头丝锥、带绞刀丝锥、异径丝锥、带导柱丝锥刃部可换丝锥壳型丝锥、镶刃丝锥其他直径增大丝锥签名档:。
丝锥的种类和标准丝锥是一种常用的螺纹加工工具,被广泛应用于各种行业。
以下介绍丝锥的种类和标准,以帮助读者更好地了解和应用这种工具。
一、切削丝锥切削丝锥是最常见的一种丝锥,其工作原理是通过切削作用将金属切削成螺纹。
切削丝锥具有切削能力强、加工效率高等优点,但同时也存在加工精度不高、切削力大等缺点。
二、挤压丝锥挤压丝锥是一种新型的螺纹加工工具,其工作原理是通过挤压作用将金属成型为螺纹。
挤压丝锥具有加工精度高、切削力小、表面粗糙度低等优点,但同时也存在加工效率低、适用范围窄等缺点。
三、左旋丝锥与右旋丝锥左旋丝锥和右旋丝锥是根据螺纹的旋转方向来区分的。
左旋丝锥的螺纹是向左旋转的,而右旋丝锥的螺纹是向右旋转的。
在选择左旋丝锥或右旋丝锥时,需要根据被加工螺纹的旋转方向来选择。
四、公制丝锥与英制丝锥公制丝锥和英制丝锥是根据螺纹的标准来区分的。
公制丝锥适用于公制螺纹,而英制丝锥适用于英制螺纹。
在选择公制丝锥或英制丝锥时,需要根据被加工螺纹的标准来选择。
五、盲孔丝锥与通孔丝锥盲孔丝锥和通孔丝锥是根据被加工孔的类型来区分的。
盲孔丝锥适用于加工盲孔,而通孔丝锥适用于加工通孔。
在选择盲孔丝锥或通孔丝锥时,需要根据被加工孔的类型来选择。
六、不含钴丝锥与含钴丝锥不含钴丝锥和含钴丝锥是根据是否含有钴元素来区分的。
不含钴丝锥不含钴元素,而含钴丝锥含有钴元素。
钴元素可以提高丝锥的硬度和耐磨性,但同时也存在降低韧性等缺点。
在选择不含钴丝锥或含钴丝锥时,需要根据被加工材料和加工要求来选择。
七、涂层丝锥涂层丝锥是在普通丝锥表面涂覆一层或多层耐磨材料,以提高丝锥的耐磨性和使用寿命。
常见的涂层材料有TiN、TiCN、TiALN等,这些材料具有高硬度、低摩擦系数等特点,可以提高丝锥的切削性能和加工效率。
八、多槽丝锥多槽丝锥是一种特殊类型的丝锥,其切削部分有许多切削槽,可以同时进行多个切削刃的切削作用,从而提高加工效率和切削力。
多槽丝锥适用于高效率的螺纹加工,但同时也存在切削力大、易磨损等缺点。
1. 用途:机用丝锥和手用丝锥(以下简称丝锥)。
用于加工普通螺纹(GB/T192~193,GB/T196~197)的内螺纹。
2. 特点及精度:丝锥技术条件按GB/T969-1994。
丝锥精度分为四种公差等级。
即:H1、H2、H3、H4。
H1级丝锥适用于加工4H、5H的内螺纹;
H2级丝锥适用于加工5G、6H的内螺纹;
H3级丝锥适用于加工6G、7H、7G的内螺纹;
H4级用于手用丝锥,适用于加工6H、7H的内螺纹。
丝锥分为以下五种型式:
粗柄粗牙普通螺纹机用丝锥;
粗柄细牙普通螺纹机用丝锥;
细柄粗牙普通螺纹机用丝锥;
细柄细牙普通螺纹机用丝锥;
普通螺纹手用丝锥。
同时还有左、右旋,单支组和多支组之分。
3. 刀具标记及示例
订货时注明:产品名称、产品编号、丝锥代号(粗牙不标螺距)、精度(即丝锥公差带,其中手用丝锥不标)、旋向(右旋不标,左旋标“左”)、若多支组丝锥,在丝锥代号前加支组数字、标准号。
例:a:细柄粗牙普通螺纹机用丝锥26220-391 2-M12-H3 I GB/T3464.1-1994
b:粗柄细牙普通螺纹机用丝锥26200-211 M10×1.25-H3 GB/T3 464.1-1994
c:普通螺纹手用丝锥26020-158 2-M3.5×0.35 I GB/T3464.1-1994
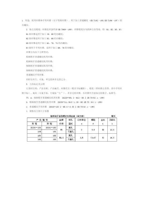
4. 规格及主要尺寸参数
注:括号内尺寸尽可能不用。
续表毫米。
丝锥作为一种加工内螺纹的常用工具,按照形状可以分为螺旋槽丝锥、刃倾角丝锥、直槽丝锥和管用螺纹丝锥等,按照使用环境可以分为手用丝锥和机用丝锥,按照规格可以分为公制,美制,和英制丝锥等。
丝锥也是在攻丝时采用的主流加工工具。
那么丝锥该如何选用呢?今天分享给大家一份丝锥选用指南,帮助你选择合适的丝锥。
丝锥分类1.切削丝锥1、直槽丝锥:用于通孔及盲孔的加工,铁屑存在于丝锥槽中,加工的螺纹质量不高,更常用于短屑材料的加工,如灰铸铁等。
2、螺旋槽丝锥:用于孔深小于等于3D的盲孔加工,铁屑顺着螺旋槽排出,螺纹表面质量高。
10~20°螺旋角丝锥可以加工螺纹深度小于等于2D;28~40°螺旋角丝锥可以加工螺纹深度小于等于3D;50°螺旋角丝锥可以加工螺纹深度小于等于3.5D(特殊工况4D)。
某些时候(硬材料,大牙距等),为了取得更好的齿尖强度,会选用螺旋槽丝锥加工通孔。
3、螺尖丝锥:通常只能用于通孔,长径比可达3D~3.5D,铁屑向下排出,切削扭矩小,被加工的螺纹表面质量高,也被称为刃倾角丝锥或先端丝锥。
切削时,需要保证全部切削部分攻穿,否则会出现崩齿。
2.挤压丝锥可用于通孔及盲孔的加工,通过材料塑性变形形成牙型,只能用于加工塑性材料。
其主要特点:1,利用工件的塑性变形加工螺纹;2,丝锥的截面积大,强度高,不易折断;3,切削速度可比切削丝锥高,生产率亦相应提高;4,由于是冷挤压加工,加工后的螺纹表面机械性能提高,表面粗糙度高,螺纹强度、耐磨性、耐腐蚀性提高;5,无屑加工。
其不足是:1,只能用于加工塑性材料;2,制造成本高。
有两种结构形式:1,无油槽挤压丝锥只用于盲孔立加的工况;2,带油槽挤压丝锥适用于所有工况,但通常小直径丝锥因制造难度不设计油槽。
丝锥的结构参数1.外型尺寸1、总长:需注意某些需要特殊加长的工况2、槽长:通上3、柄方:目前常见柄方标准有DIN(371/374/376), ANSI, JIS, ISO等,选用时需注意和攻丝刀柄的匹配关系2.螺纹部分1、精度:由具体的螺纹标准来选择,米制螺纹ISO1/2/3级等同于国标H1/2/3级,但需注意制造商内控标准。
丝锥(TAPS)1.概述丝锥是加工各种中、小尺寸内螺纹的刀具,它结构简单,使用方便,既可手工操作,也可以在机床上工作,在生产中应用得非常广泛。
对于小尺寸的内螺纹来说,丝维几乎是唯一的加工刀具。
丝维的种类有:手用丝维、机用丝锥、螺母丝锥、挤压丝锥等。
2.丝锥的结构尽管丝锥的种类很多,但它的结构基本上是相同的。
工作部分是由切削部分和校准部分组成。
切削部分齿形是不完整的,后一刀齿比前一刀齿高,当丝锥作螺旋运动时,每一个刀齿都切下一层金属,丝锥主要的切屑工作是由切削部分担负。
校准部分的齿形是完整的,它主要用来校准及修光螺纹廓形,并起导向作用。
柄部是用来传递扭矩的,其结构形式则视丝锥的用途及规格大小而定。
3.检验标准丝锥产品采用国家标准或机械部部颁标准并等效采用国际标准详见表6—10—67。
表6—10—67丝锥检验标准产品名称机用和手用丝锥长柄机用丝锥短柄机用和手用丝锥螺母丝锥挤压丝锥国家标准GB/T3464.1-94 GB/T3464.2-94GB/T3464.3-94GB/T967-94JB/T7428-94行业标准国际标准ISO529-1975 ISO2283-1972ISO529-1975 ——适用范围适用于加工普通螺纹GB/T192-193,GB/T196-197的各种丝锥4.检验项目、技术要求(1)外观:丝锥表面不得有裂纹、刻痕、锈迹以及磨削烧伤等影响使用性能的缺陷。
(2)丝锥表面粗糙度的最大允许值按表6—10—68的规定。
表6—10—68丝锥表面粗糙度(单位:μm)项目丝锥名称机用丝锥螺母丝锥手用丝锥H4螺母丝锥高性能级普通级螺纹表面Rz3.2 Rz3.2 Rz3.2 Rz12.5 后面Rz3.2 Rz3.2 Rz3.2 Rz6.3 前面Rz3.2 Rz6.3 Rz6.3 Rz6.3 柄部Ra0.8 Ra1.6 Ra1.6 Ra3.2(3)丝锥螺纹牙型和尺寸极限偏差:①丝锥螺纹公差、牙型半角偏差及大径、中径、小径偏差应符合GB/T968的规定。
挤牙丝攻(无沟丝锥、非圆丝攻)HRT、NRT特点:1)攻牙时不会产生切屑,因没有切屑适合于盲孔的螺纹加工且可以省去切屑的处理时间;2)没有切屑槽,丝锥断面积较大,故耐力、扭力强度大、丝锥寿命较长,亦没有切削的干扰故不易折损;3)内螺纹之加工面为压造面外观美丽、光滑、材料纤维连续没切断,螺纹强度约增加30%精度安定;4)母螺纹塑性流动成形面粗度良好,有效经之偏差较少。
5)以塑性加工方法作为母螺纹的加工用工具,适用于延展性良好的的材料,适用范围:铝、红铜、锌、黄铜、低碳钢材、不锈钢及非铁金属攻牙作业。
螺旋丝锥SFT特点:对不通孔被削材之攻牙作业,螺旋丝锥与一般手用丝锥不同的是,普通的手用丝锥之沟槽成直线型,而螺旋丝锥是成螺旋型,螺旋丝锥在攻牙时,以其螺旋槽的上升旋转作用能轻易地把铁屑排出孔外,以免铁屑残留或堵塞于沟槽内,而造成丝锥折断,刃部崩裂,因此能增长丝锥的寿命与切削出最高精度之螺纹,切削速度可较直槽丝锥加快30 -50%。
螺旋丝锥适用于适用范围:切削高韧性之材料(碳素钢、合金钢及非铁金属),而不适合铸铁等切屑成细碎之材料等盲孔加工。
螺帽丝攻NT.SNT特点:螺帽丝锥,主要适用于螺帽的加工攻牙,根据螺帽的加工特性考虑丝锥的牙部、柄部比较长,其食付倒角(吃入部)占整个牙长的75%。
使用时柄部需焊接故一般都不是方柄适用范围:主要用于攻45#钢、调质钢等螺帽。
直槽丝攻(手绞丝锥)HT特点:手绞丝锥直沟形一般广泛使用最普遍,HT一组包括三支不同切削部长度的丝锥有分第一攻(9山),第二攻(5山)与第三攻(1.5山),HT通常个别使用,但有时亦会成套使用。
适用范围:一般用于碳素钢、合金钢及非铁金属先端丝攻(前倾角丝攻、下螺旋丝攻)POT特点:对通孔切削的攻牙作业,先端丝锥将发挥其很好的切削效果,迅速、顺利地为您切削出最高级的螺纹,先端丝锥具有一般手用丝锥相同的直线沟槽,但在其切削部前端有经特殊设计的螺旋沟槽,籍以旋转推送切屑从孔的下方排出,由于先端丝锥具有旋转排出切屑的功能,除可保持沟槽的清洁从而减少切削时的抗力外,并能避免切屑堵塞而造成丝锥的损害,因此先端丝锥可采用比一般的手用丝锥更快速度来切削高精密的螺纹。