机组CEMS系统检修文件包
- 格式:doc
- 大小:217.00 KB
- 文档页数:17
电厂汽轮机检修文件包模版一、文件包概述电厂汽轮机检修文件包是用于记录和管理电厂汽轮机检修过程中的各项文件和信息的工具。
该文件包包含了检修计划、检修方案、工作指导书、检修记录等内容,以确保检修工作的顺利进行和质量控制。
二、文件包组成1. 检修计划检修计划是根据电厂汽轮机的实际情况编制的,包括检修时间、检修地点、检修范围、检修人员等信息。
该计划需要提前制定并经过相关部门的审核和批准。
2. 检修方案检修方案是根据检修计划编制的,详细描述了汽轮机检修的具体步骤和方法。
该方案包括检修工序、检修工具、检修材料、安全措施等内容,以确保检修工作的安全和高效进行。
3. 工作指导书工作指导书是针对具体检修工序编写的,详细描述了每个工序的操作步骤和注意事项。
该指导书需要经过专业人员的编写和审核,确保操作的准确性和可行性。
4. 检修记录检修记录是记录检修过程中的各项数据和信息的文件,包括检修时间、检修人员、检修工序、检修结果等内容。
该记录需要及时填写并经过相关人员的审核,以确保检修数据的准确性和可靠性。
5. 安全控制文件安全控制文件是用于保障检修过程中的安全的文件,包括安全操作规程、应急预案、安全检查记录等内容。
该文件需要经过相关部门的审核和批准,并在检修过程中严格执行。
三、文件包使用方法1. 制定检修计划根据电厂汽轮机的实际情况,制定检修计划,并经过相关部门的审核和批准。
确保检修计划合理、可行。
2. 编制检修方案根据检修计划编制检修方案,详细描述每个工序的操作步骤和注意事项。
确保检修工作的安全和高效进行。
3. 编写工作指导书根据每个工序编写相应的工作指导书,详细描述操作步骤和注意事项。
确保操作的准确性和可行性。
4. 填写检修记录在检修过程中及时填写检修记录,记录检修时间、检修人员、检修工序、检修结果等信息。
确保检修数据的准确性和可靠性。
5. 遵守安全控制文件在检修过程中严格遵守安全控制文件的规定,执行安全操作规程、应急预案等。
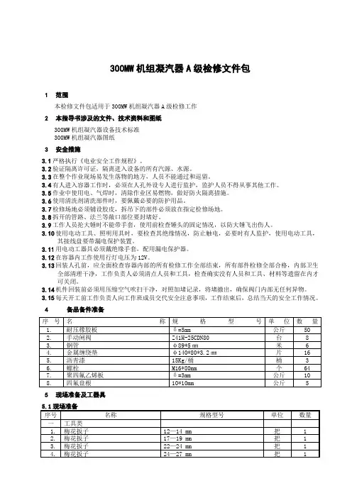
300MW机组凝汽器A级检修文件包1范围本检修文件包适用于300MW机组凝汽器A级检修工作2本指导书涉及的文件、技术资料和图纸300MW机组凝汽器设备技术标准300MW机组凝汽器图纸3安全措施3.1严格执行《电业安全工作规程》。
3.2验证隔离许可证,隔离进入设备的所有汽源、水源。
3.3在整个作业现场易发生落物的地方,人员不能通过和逗留。
3.4有人进入容器工作时,必须在人孔外设专人进行监护,监护人员不得从事其他工作。
3.5作业中使用电、气焊时,清除作业区易燃物,做好防火隔离措施。
3.6使用清洗剂清洗部件时,要佩戴必要的防护用品。
3.7检修场地必须铺设胶皮,拆吊下的部件必须放在指定检修场地。
3.8拆开的管路、法兰等敞口部位要封堵好。
3.9工作人员抡大锤时不能带手套,使用前检查锤头的固定情况,以防大锤飞出伤人。
3.10使用电动工具、照明用具时,要检查其绝缘情况,防止触电,必要时有人监护,使用电动工具,其接线盘要带漏电保护装置。
3.11用电动工器具必须戴绝缘手套,配用漏电保护器。
3.12在容器内工作使用行灯电压为12V。
3.13回装人孔前,应全面检查容器内部的所有检修工作全部结束,所有部件检修全部合格,内部卫生全部清理干净,工作负责人必须清点人员和工具,检查确实没有人员和工具、材料等遗留在内才可关闭。
3.14机件回装前必须用压缩空气吹扫干净,对照加堵记录,将堵撤出,确保阀门内部无任何异物。
3.15每天开工前工作负责人向工作班成员交代安全注意事项,工作结束后,总结当天的安全工作情况。
4备品备件准备序号名称规格型号单位数量1.耐压橡胶板δ=5mm 公斤502.手动闸阀Z41H-25CDN80 台83.钢管φ89*5㎜米 64.金属缠绕垫φ140*80*3.2㎜片165.沥青漆15Kg/桶桶 36.螺栓M16*80mm 个647.聚四氟乙烯板δ=3mm 公斤108.四氟盘根10*10mm 公斤 55现场准备及工器具5.1现场准备序号名称规格型号单位数量一工具类1.梅花扳子12—14 mm 把 12.梅花扳子17—19 mm 把 13.梅花扳子22—24 mm 把 14.梅花扳子24—27 mm 把 1序号名称规格型号单位数量5.梅花扳子30—32 mm 把 16.㎜活扳子360mm 把 27.撬棒500mm 根 18.手锤 1.5镑把 19.铜棒300mm 根 110.扁铲把 211.锉刀200mm 把 112.刮刀200mm 把 213.便携式防爆灯台 214.大锤12磅把 215.行灯变压器12V 台 216.盘根钩子个 2二材料17.铜棒φ50 mm 公斤3018.石棉板3mm 公斤3019.白布1*1㎡米2020.塑料布米4021.松动剂瓶1022.胶皮5mm 公斤5023.钢丝刷把1024.黄油公斤1025.胶皮管Φ20mm 米5026.管堵Φ27*22.5mm 个30027.油石250*25 块 328.毛刷2寸把 5W15.2工作准备□在检修作业现场地面铺好胶皮,做好作业区的物理隔离。
600MW机组检修文件包励磁系统检修(电气一次部分)检修单位:检修部专工:生技部专工:监理:生技部审核:批准:长安益阳发电有限公司年月日设备名称励磁系统实际工日检修计划设备检修类别□ A级检修□ B级检修□ C级检修□其它计划工作时间年月日至年月日实际工作时间年月日至年月日主要检修项目1.励磁变及其附件检修、试验2.灭磁开关检修3.励磁母线、整流柜检修修后目标1.励磁变清扫,一次接线无过热松动、无积灰积尘现象,温控器拆接、送校,温度探头固定良好,检修风机、无积灰、转动灵活。
试验合格。
2.灭磁开关螺栓紧固,无过热松动、无积灰积尘现象。
3.励磁母线、整流柜内设备及屏柜清扫干净,螺栓紧固、无爬电、无积灰积尘现象,无锈蚀。
修前状况基本参数序号名称型号(参数)1 变压器型号2 额定容量3 额定电流必备工具准备序号工器具名称规格单位数量准备情况1 电气常用个人工具普通套 1 □2 套筒扳手5-32mm 套 1 □3 试验变压器15KVA 套 1 □4 直阻测试仪套 1 □5 绝缘电阻测试仪2500V 套 1 □6 红外测温仪>250℃台 1 □7 撬棍0.6、1.3M 根 4 □8 压缩空气吹扫工具套 1 □9 吸尘器台 1 □10 管道刷把 2 □11 毛刷40mm 把 3 □12 断路器动作特性测试仪DB-8001 套 1 □检修工序步骤及危险点源控制:参见《干式变压器检修作业标准》(附件一)参见《干式变压器检修作业危险分析及控制表》附件二是否组织学习□□开工许可作业组负责人检修部专工项目部专工生技部专工监理时间项目部专工生技部专工监理时间检查部位标准修前情况修后情况高压接头平整,清洁,无毛刺,裂纹。
底座清洁,无锈蚀,油漆完整金属构架清洁,无锈蚀,油漆完整相色漆油漆完整,相色鲜明绝缘电阻、吸收比绕组绝缘电阻换算至同一温度下,与前一次测试结果相比应无明显变化,吸收比(10~30℃范围)不低于1.3铁芯绝缘电阻穿芯螺杆绝缘与以前测试结果相比无显著差别高、低压侧绕组直流电阻直流电阻相间差别一般不大于三相平均值的4%,线间差别一般不大于三相平均值的2%,高压绕组耐压通过温控器校验合格,安装螺丝齐全,接线正确。
电厂汽轮机检修文件包模版一、引言在电厂的日常运营中,汽轮机的检修是非常重要的环节。
为了确保汽轮机的正常运行和延长其使用寿命,制定一套完整的检修文件包模版是必不可少的。
本文将详细介绍电厂汽轮机检修文件包模版的内容和要求。
二、检修文件包模版的基本要求1. 文件包的整体结构:检修文件包应包括封面、目录、引言、检修计划、检修方案、工作指导书、操作规程、安全注意事项、备件清单、工具设备清单、检修记录、验收报告等部分。
2. 文件包的格式要求:文件包应采用统一的格式,包括字体、字号、行距、页眉页脚等要求,以保证文件的统一性和可读性。
3. 文件包的语言要求:文件包应使用简明扼要的语言,避免使用过于专业化的术语,以便操作人员能够轻松理解和执行。
4. 文件包的更新和维护:检修文件包应定期进行更新和维护,及时反映检修工作的最新要求和技术标准。
三、检修文件包模版的具体内容1. 封面:包括电厂名称、文件名称、日期等基本信息。
2. 目录:列出文件包内各个文件的名称和页码,以便操作人员快速查找所需文件。
3. 引言:介绍文件包的制定目的和重要性,以及文件包的使用范围和适用对象。
4. 检修计划:详细描述汽轮机检修的时间安排、工作内容和责任分工,确保检修工作的有序进行。
5. 检修方案:包括检修前的准备工作、检修过程中的各项操作流程、检修后的工作总结和验收要求等内容。
6. 工作指导书:提供详细的操作指导,包括检修步骤、注意事项、操作要点等,以帮助操作人员正确和高效地执行检修工作。
7. 操作规程:规定了操作人员在进行汽轮机检修时应遵守的各项规定和标准,确保操作的安全性和可靠性。
8. 安全注意事项:列出了汽轮机检修中需要特别注意的安全事项和防护措施,以避免事故和人员伤害的发生。
9. 备件清单:列出了进行汽轮机检修所需的备件清单,包括备件的名称、型号、数量等详细信息,以确保备件的及时供应和更换。
10. 工具设备清单:列出了进行汽轮机检修所需的工具和设备清单,包括工具的名称、型号、数量等详细信息,以确保操作人员具备必要的工具和设备。
Q/GDLYGZCEMS 系统检修 作业文件包前言为了规范CEMS系统检修、技术记录,使CEMS系统检修标准化、程序化、加强关键工序的验证,提高检修质量,特制定检修作业文件包。
本检修作业文件包附录A为规范性附录。
本检修作业文件包由安全生产部起草并负责解释。
本检修作业文件包由安全生产部归口管理。
本检修作业文件包主要起草人:本检修作业文件包审核人:本检修作业文件包批准人:本检修作业文件包于2015年01月01日修改后发布。
本检修作业文件包的版本及修改状态:A/1。
目次前言 (1)1 范围 (1)2 规范性引用文件 (1)3 定义和术语 (1)4 检修工作任务单 (1)5 修前准备 (2)6 检修工序、工艺标准、检修记录及签证 (7)7 清理现场 (15)8 技术记录及质量监督签证 (17)9 不符合通知单 (218)10 设备试运资料 (22)11 完工报告单 (22)附录A(规范性附录)CEMS系统检修作业文件包修改记录 (29)CEMS系统检修作业文件包1范围本文件规定了公司CEMS系统检修作业的工序工艺、质量标准和验收试运等方面的内容。
本文件适用于公司CEMS系统的检修作业。
2规范性引用文件《电业安全工作规程》(热力和机械部分)(电安生[1994]227号)《CEMS系统检修维护手册说明书》(北京中电兴业技术开发有限公司)《电力建设施工及验收技术规范》DL5011-92《火力发电厂60MW机组检修导则》 DL/T748.1-20013定义和术语烟气排放连续监测系统(CEMS)是根据国家环保局的规定,为了科学、定量地对污染物排放进行有效监控需要而开发研制的。
它主要用于脱硫系统烟气排放连续监测,其监测数据可用于脱硫系统工艺控制并反映脱硫效率。
同时也可用于环保监测。
CEMS系统是由气态污染物监测系统、烟尘测定仪、烟气辅助参数监测系统、系统控制及数据采集处理系统等四部分组成。
4检修工作任务单4.1检修设备名称:机组4.2检修工作项目:a)采样泵检查与检修;b)蠕动泵管检查与更换;c)蠕动泵检查与更换;d)冷凝器检查与更换;e)采样探头取样管线、气样管线加热检查及采样探头检查;f)PLC、PC电源检查;g)气路管线清理;h)零点及量程标定;4.3计划工期: 200 年月日开工200 年月日结束4.4人员组成:工作负责人:技工:、、、、、、、、、、、4.5修前技术交底4.5.1修前设备状况及运行参数4.5.2修前主要缺陷4.5.3安全技术措施有□无□不需要□5修前准备5.1修前设备技术资料准备和设备运行状况5.1.1检修所需技术资料是否准备齐全是□否□5.1.2设备缺陷记录是否齐全、了解是□否□5.1.3修前设备运行状况是否了解是□否□5.2修前安全、文明生产和作业环境措施执行5.2.1风险分析/危害辨识5.2.1.1CEMS系统检修总危害辨识是□否□5.2.2参加检修的人员进行安全教育和技术培训,达到上岗条件。
发电厂检修文件包主要内容
检修文件包主要内容(发电企业设备检修导则DL/T838-2003):1)检修任务单----检修计划、工作许可、检修后设备试运行计划、检修前交底。
2)修前准备-------设备检修所需图纸和资料、主要备品配件和材料清单、工具准备。
3)检修工序、工艺------工作是否许可、现场准备、(拆卸与解体、检修、复装阶段的工序和工艺标准)、自检、结束工作。
4)工序修改记录。
5)质量签证单-----质量点签证、三级验收。
6)不符合项处理单。
7)设备试运行程序、措施。
8)完工报告单-----检修工期、检修主要工作、缺陷处理情况、尚未消除的缺陷及未消除的原因、(设备变更或改进情况、异动报告和图纸修改)、技术记录情况、质量验收情况、设备和人身安全、实际工时消耗记录、备品配件及材料消耗意见、总体检查和验收。
四川广安发电责任有限公司600MW机组DCS系统检修文件包设备名称:# 61机组DCS系统批准:审核:初审:编写:2007年6月10日文件包目录1 目录 (1)2 概述 (3)3 设备检修申请页 (6)4 设备检修准备页 (7)5 设备检修质量控制实施计划 (9)6 检修过程危险点分析及预防措施 (10)7 设备检修安全技术措施 (10)8 设备检修区域隔离措施 (10)9 设备检修工序及质检点 (11)10设备检修数据记录 (14)10.1 #61机组DCS系统接地电阻测试记录 (14)10.2 #61机组DCS系统电源测试记录一 (15)10.3 #61机组DCS系统电源测试记录二 (16)10.4 #61机组DCS系统I/O电源测试记录 (17)10.5 #61机组DCS系统电源切换试验记录一 (18)10.6 #61机组DCS系统电源切换试验记录二 (19)10.7 #61机组DCS系统控制器切换试验记录 (20)10.8 #61机组DCS系统AI卡件测试记录 (21)10.9 #61机组DCS系统热电阻卡件测试记录 (22)10.10 #61机组DCS系统热电偶卡件测试记录 (23)10.11 #61机组DCS系统AO卡件测试记录 (24)10.12 #61机组DCS系统DI卡件测试记录 (25)10.13 #61机组DCS系统DO卡件测试记录 (26)10.14 #61机组DCS系统I/O模件可维护性测试记录 (27)10.15 #61机组DCS系统通信网络切换试验记录 (28)10.16 #61机组DCS系统抗干扰切换试验记录 (29)10.17 #61机组DCS系统SOE功能测试记录 (30)11 检修报告 (31)12 #61机组DCS系统大修文件包附录目录 (32)概述为认真贯彻执行《广安发电有限责任公司设备检修管理办法》、四川广安公司检修规程和“预防为主,计划检修”的方针,进一步加强检修管理工作,坚持应修必修,修必修好的原则,确保设备检修质量,实现设备检修的闭环管理,特制定设备检修文件包,来指导设备检修管理工作。
11检修文件包及工艺卡计划11.1检修文件包清单序号受控编号文件包名称锅炉版次编写人1 SDDQ-QJ-001 1#机主机轴瓦C级检修文件包汽机 C2 SDDQ-QJ-019 1#机给水泵冷油器C级检修文件包汽机C3 SDDQ-QJ-020 1#机润滑油冷油器C级检修文件包汽机C4 SDDQ-QJ-022 1#机闭式水换热器C级检修文件包汽机C5 SDDQ-QJ-023 1#机空冷立管阀检修C级文件包汽机C6 SDDQ-QJ-028 1#机截止阀C级检修文件包汽机C7 SDDQ-QJ-032 1#机排汽装置C级检修文件包汽机C8 SDDQ-GL-002/00 1#炉水冷壁及水冷蒸发屏C级检修文件包锅炉C9 SDDQ-GL-003/00 1#炉过热器、过热屏、再热器C级检修文件包锅炉C10 SDDQ-GL-006/00 1#炉空气预热器C级检修文件包锅炉C11 SDDQ-GL-010/00 1#炉冷渣器C级文件检修包锅炉C12 SDDQ-GL-017/00 1#炉物料循环系统C级检修文件包锅炉C13 SDDQ-GL-020/01 1#炉A引风机C级检修文件包锅炉C14 SDDQ-GL-021/02 1#炉B引风机C级检修文件包锅炉C15 SDDQ-GL-022/01 1#炉A一次风机C级检修文件包锅炉C16 SDDQ-GL-023/02 1#炉B一次风机C级检修文件包锅炉C17 SDDQ-GL-026/00 1#炉高压流化风机C级检修文件包锅炉C18 SDDQ-GL-027/00 1#炉称重给煤机C级检修文件包锅炉C19 SDDQ-DQ-001 #1机发变组一次系统C级检修文件包电气C20 SDDQ-DQ-002 #1机发变组保护装置C级检修文件包电气C21 SDDQ-DQ-003 220KV变电站2011刀闸C级检修文件包电气C22 SDDQ-DQ-004 #1机励磁系统二次保护C级检修文件包电气C23 SDDQ-DQ-005 6KVA、B段一次设备C级检修文件包电气C24 SDDQ-DQ-006 6KVA、B段保护装置C级检修文件包电气C25 SDDQ-DQ-007 #1机空冷变一次设备C级检修文件包电气C26 SDDQ-RK-001/00 #1机组DCS系统C级检修文件包热工C27 SDDQ-RK-002/00 #1机组DEH系统设备C级检修文件包热工C28 SDDQ-RK-005/00 #1机组ETS系统C级检修文件包热工C29 SDDQ-RK-016/00 #1机组压力开关校验C级检修文件包热工C30 SDDQ-RK-026/02 #1机组热电偶C级检修文件包热工CC 31 SDDQ-RK-018/00 #1机组除灰辅网程控BOP系统C级检修文件包热工32 SDDQ-RK-019/00 #1机组锅炉FSSS系统C级检修文件包热工C33 SDDQ-RG-032/00 #1机组锅炉氧量计C级检修文件包热工C34 SDDQ-RK-033/00 #1机组PCV阀C级检修文件包热工C35 SDDQ-RK-036/00 #1机组水位电视C级检修文件包热工C36 SDDQ-SC-001 #1机组除尘器C级检修文件包输煤除灰C。
*** 电厂检修文件包
编号:Q/WYJX.ZY.RK066-2010 #1机组大机TSI控制系统A(B/C)级修
设备部主管:
专业组长:
工作联系人:
检修承包商:
检修负责人:
计划检修时间: 2011/4月 8 日—— 2011/6 月 15 日
****发电责任有限公司
2011 年 2 月 2 日
2537383255.doc Page4
2537383255.doc Page5
2537383255.doc Page6
说明:对不是质检点的工序,检修负责人,可自行在“□”内打“√”,无须签字,即可进行下道工序。
电缆绝缘检查表
审核人:检查人:日期:年月日
附件一(可选)不符合项通知及处理单
检修承包商:检修工作负责人:页码:14/17不符合项事实陈述
检修单位负责人(签字):
日期:年月日
纠正、预防措施:
返工返修让步接受报废设备部诊断师(签字):
日期:年月日纠正、预防措施意见:
同意不同意设备部(签字):
日期:年月日
纠正、预防措施完成情况:
检修负责人(签字):日期:年月日
纠正和预防措施验证意见:监理(签字):
日期:年月日纠正和预防措施验证意见:设备部点检(签字):
日期:年月日
附件二(可选)项目调整申请单
附件三(可选)****发电有限有限责任公司
重大问题反馈表
附件四 (可选):文件包修改记录。
设备检修文件包
#1 机组 B 级检修
《汽机本体》
汽机专业
编写:
审核:
批准:
2015年03月13日发布开封中节能再生能源有限公司
汽机设备检修任务单
(开工令)编号:RWD-J1-5B02- 01
汽机设备检修技术交底记录
班组:机一班编号:JDJL-J1-5c02-01
备品材料清单
工器具清单
状态标识记录
专业:汽机班组:机一班
华能石家庄分公司
设备检修质量验收点清单(本体)
检修作业指导书#5 机组 C 级检修
《汽机本体》
汽机一班
编写:杨杰元
审核:
批准:
QC-03-01-06-J02
QC-03-09-10
华能石家庄分公司
三级验收记录
编号:验收类别(班组、部门、厂部)
号机组级检修设备送电申请单
编号:
QC-03-09-13-J04
动力设备传动试运记录卡。
中国电力投资集团公司河南分公司企业标准Q/CPIHNJ-01-2004 发电设备检修文件包的编写和使用2004-03-26发布2004-04-01实施中国电力投资集团公司河南分公司发布目次前言……………………………………………………………………………………………………1范围………………………………………………………………………………………………2规范性引用文件…………………………………………………………………………………3 术语和定义………………………………………………………………………………………4 总则………………………………………………………………………………………………5 检修标准文件包的内涵…………………………………………………………………………6 检修作业文件包的内涵…………………………………………………………………………7检修作业文件包的使用…………………………………………………………………………8检修标准文件包的完善…………………………………………………………………………附录A(资料性附录)检修文件包的表式示例前言火力发电企业设备的检修文件包,是检修全过程中应用的安全准则、技术要求、作业标准、技术记录的汇总,最终形成的检修过程文件,将作为设备管理工作台帐和经验总结。
检修文件包的编制和应用是发电企业贯彻发电设备点检定修管理导则GL/T XXXX—2004和GB/T 19000-IS09000系列标准的具体措施,将使发电设备的检修工作纳入标准化管理轨道。
为规范中国电力投资集团公司河南分公司(以下简称分公司)所管理的各发电企业检修文件包的编制和使用,根据GB/T 19000-IS09000系列标准的有关规定及中国电力投资集团公司的要求:贯彻设备点检定修工作的有关内涵,结合国内有关单位的经验,制定《发电设备检修文件包的编写和使用》的企业标准,以规范定修工作中的检修技术管理和质量监控工作。