300MW机组浆液循环泵电机检修文件包
- 格式:doc
- 大小:288.50 KB
- 文档页数:9
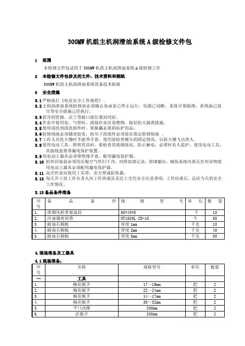
300MW机组主机润滑油系统A级检修文件包1范围本检修文件包适用于300MW机组主机润滑油系统A级检修工作2本检修文件包涉及的文件、技术资料和图纸300MW机组主机润滑油系统设备技术标准3安全措施3.1严格执行《电业安全工作规程》。
3.2主机润滑油系统检修前必须确认各油泵已停止运行,电源已切断、系统可靠隔绝、系统油已放尽等安全措施已经执行。
3.3拆开的管路、法兰等敞口部位要封闭好。
3.4作业中使用电、气焊时,清除作业区易燃物,做好防火隔离措施。
3.5使用清洗剂清洗部件时,要佩戴必要的防护用品。
3.6检修场地必须铺设胶皮,拆吊下的部件必须放在指定检修场地。
3.7工作人员抡大锤时不能带手套,使用前检查锤头的固定情况,以防大锤飞出伤人。
3.8使用电动工具、照明用具时,要检查其绝缘情况,防止触电,必要时有人监护,使用电动工具,其接线盘要带漏电保护装置。
3.9用电动工器具必须带绝缘手套,配用漏电保护器。
3.10机件回装前必须用压缩空气吹扫干净,对照加堵记录,将堵撤出,确保系统内部无任何异物使用电动工器具必须配用漏电保护器。
3.11高空作业应使用工具带、安全带或防坠器。
3.12每天开工前工作负责人向工作班成员及民工交代安全注意事项,工作结束后,总结当天的安全工作情况。
3.13备品备件准备4.现场准备及工器具W14.2工作准备□在检修作业现场地面铺好胶皮,做好作业区的物理隔离。
□开工前组织工作成员学习作业文件,对成员进行分工,并进行安全和技术交底,工作组成员应熟知工作内容及危险点的控制措施,掌握本作业检修文件包全部内容。
动火工作票办理完毕。
项目签证程序1716W24.3办理相关工作票□已办理工作票及开工手续停运。
□安全措施已做。
□检查验证工作票。
□对协作单位发出通知。
□工作人员的着装和安全用具应符合《安规》要求。
5.检修工序检修工艺流程图计划工日 工艺流程0.5231132至下次检修H16. 主机润滑油系统检修6.1主油箱清扫及注油器解体检查;□检查滤网是否破损。
丹东金山热电有限公司
编号:WW.JXWJB.103—2014脱硫浆液循环泵检修文件包
设备名称:浆液循环泵
批准:生技部主任
安全监察部
生产技术部
审核:设备维护部
编写:设备维护部专业
设备维护部外围专业
2013年12月 5 日
浆液循环泵文件包
检修文件包不符合项报告页码:14/14
不符合项报告名称:
报告编号:
设备名称: KKS编码:
承包商:责任单位:
不符合事实描述:
工作负责人签字:承包商项目经理:
年月日纠正、整改措施:
返工返修让步接受报废
设备维护部点检长签字:
年月日审核意见:
设备维护部主任签字:
年月日批准意见:
总工程师签字:
年月日纠正、整改验证及不符合项关闭:
设备维护部点检长签字:
年月日
300MW机组检修质量验证单
300MW机组检修质量验证单
编号:YZ.TL.112-2014
300MW机组检修质量验证单
编号:YZ.TL.113-2014
设备功能再鉴定单
300MW机组检修单项验收单
编号:YS.TL.103-2014。
#2循环水泵组检修四措两案一、设备(或系统)概况我公司300MW循环水泵房#2循环水泵为*水泵厂生产,型号为64LKXA-30,流量21352m3/h;配套电机为*电机厂生产,功率2500KW,#2液控蝶阀为*阀门厂生产的自动保压式液控蝶阀,型号为KD741X-6V DN1800。
#2循环水泵组2006年投入运行,2011次大修后运行至今已有五年时间。
二、#2循环水泵检修的范围和目的。
1、施工范围:#2循环水泵组(按循环水泵大修、液控蝶阀更换,旋转滤网检修作业指导书标准执行)2、施工目的:全面恢复设备性能,确保循环水泵组一个大修周期内安全、稳定、经济运行3、机组运行方式要求必须停止#1机运行,并对#1循环水母管消压方可进行,#1、2循环水母管联络门关闭并挂牌上锁。
三、安全风险辨识及控制措施四、技术风险辨识及控制措施五、环保风险辨识及控制措施六、组织措施七、施工方案1施工前准备:1)检修人员准备:项目部工作负责人1人,工作班成员8人,其中含起重工1人;焊工1人;所有施工人员按要求进行安全教育、技术培训。
检修班配备检修第二工作负责人进行现场协调及配合等工作。
每天由检修第二负责人组织检修人员进行三讲一落实。
2)检修机具准备:电焊机3台,钢丝绳1套,量具1套,个人工具2套,气割工具6套。
3)检修场地准备:在300MW循环水泵房区域设置工作场地,并做好检修区域的隔离措施,用围栏进行现场物理隔离,尽可能对平台瓷片、附属设备和地面用彩条布铺垫和遮掩。
4)施工前办理工作票,施工脚手架搭设牢固,经过安全验收后才能使用。
5)施工工期必须遵照《施工网络计划》执行。
6)现场施工必须遵守现场管理制度,保证文明施工。
7)施工方在人员、设备及技术力量等方面具有承担本项目施工的能力,施工人员熟悉火力发电厂工作程序,熟练掌握《电业安全工作规程》,并能遵照规程进行施工;必须进行入厂安全教育,考试合格后方可进入现场施工,且只能在限定的施工区域内工作,施工人员必须配备手套,防尘口罩等劳动保护用品。
300MW机组发电机A级检修文件包1范围本指导书适用于300MW机组发电机A级检修工作2本指导书涉及的文件、技术资料和图纸下列文件中的条款通过本规范的引用而成为本规范的条款。
凡是注日期的引用文件,其随后所有的修改单或修订版均不适用于本规范,然而,鼓励根据本规范达成协议的各方研究是否可使用这些文件的最新版本。
凡是不注日期的引用文件,其最新版本适用于本规范。
发电机使用说明书及技术图纸3安全措施3.1严格执行《电业安全工作规程》。
3.2电气工作票已许可, 发电机油水系统隔离,发电机本体热工相关测点已拆除。
3.3解体前确认各项安全措施已全部执行,脚手架经过验收合格,各种起重工具检验合格,具备工程开工条件。
3.4所有工作人员对技术交底、安全措施交底、安全组织措施交底、岗位分工、危险点分析及控制预防措施均已熟悉并确认签字。
3.5检修设备区域设置好临时围栏,地面铺好胶皮。
向汽机、热工等相关部门班组发出开始检修通知。
3.6现场和工具柜工具、零部件放置有序,行车起吊,必须有专业人员指挥、监护。
3.7所带的常用工具、量具应认真清点,绝不许遗落在设备内。
3.8起吊重物前检查起重工具是否符合载荷要求。
起吊重物时,下面严禁有人站立或行走,吊装区域设置围栏。
高处工作时,工作人员应系好安全带,并将安全带系在牢固可靠的地方。
3.9当天检修任务结束后一定要将检修所用临时照明电源断开。
3.10参加检修的人员必须熟悉本作业指导书,并能熟记熟背本书的检修项目,工艺质量标准等。
3.11参加本检修项目的人员必需安全持证上岗,并熟记本作业指导书的安全技术措施。
3.12开工前召开专题会,对各检修参加人员进行组内分工,并且进行安全、技术交底。
4备品备件清单5现场准备及工器具5.1现场准备235.2工作准备☐ 检修作业现场地面按工作区域划分场地,属瓷砖地面全铺胶皮,做好作业区的物理隔离。
☐ 开工前组织工作成员学习作业文件,对成员进行分工,并进行安全和技术交底,工作组成员应熟知工作内容及危险点的控制措施,掌握本检修文件包全部内容。
300MW机组锅炉引风机A级检修文件包1本指导书涉及的资料和图纸下列文件中的条款通过本标准的引用而成为本标准的条款。
凡是注日期的引用文件,其随后所有的修改单或修订版均不适用于本标准,然而,鼓励根据本标准达成协议的各方研究是否可使用这些文件的最新版本。
凡是不注日期的引用文件,其最新版本适用于本标准。
2安全措施2.1严格执行《电业安全工作规程》。
2.2热工相关测点已拆除。
2.3锅炉停运,引风机有效隔离。
2.4清点所有专用工具齐全,检查合适,试验可靠。
2.5引风机检修时严禁损伤设备及其部件。
2.6现场工具柜工具、零部件放置有序,引风机拆下的零部件必须妥善保管好并作好记号以便回装。
2.7所带的常用工具、量具应认真清点,绝不许遗落在设备内。
2.8起吊重物前检查起重工具是否符合载荷要求。
2.9当天检修任务结束后一定要将检修所用照明电源断掉。
2.10参加检修的人员必须熟悉本作业指导书,并能熟记熟背本书的检修项目,工艺质量标准等。
2.11参加本检修项目的人员必需熟记本作业指导书的安全技术措施。
3备品备件准备4现场准备及工具4.1现场准备W14.2工作准备□工器具已准备完毕,材料、备品已落实。
□检修地面已经铺设防护胶片,场地已经完善隔离。
□作业文件已组织学习,工作组成员熟悉本作业指导书内容。
W24.3办理相关工作票□已办理工作票及开工手续。
□动火工作票办理完毕。
□检查验证工作票。
□工作人员的着装应符合《安规》要求,衣物中不准携带与工作无关的零星物件,带入的工具应做好记录,工作完须检查工具与记录是否相符。
H15检修工序及质量标准5.1引风机解体准备□拆卸与风机连接的管道、附件;□拆卸联轴器罩壳;□作好风机、电机对轮原始对应位置标记,拆开对轮螺栓,将电机移出。
5.2联轴器解体检修□拆下联轴器保护罩,松下联轴器螺母。
摆放整齐。
□测量对轮的轴向间隙与径向误差,记录好,并做好回装标记。
两对轮压片轴向间距39-41mm,轴向、径向误差不大于0.10mm。
大机轴瓦及其附属设备A级检修作业文件包本检修文件包适用于300MW机组轴瓦A级检修工作1本检修文件包涉及的文件、技术资料和图纸2安全措施2.1严格执行《电业安全工作规程》。
2.2验证隔离许可证,各油泵停止运行,停止进入轴瓦的油源。
2.3在整个作业现场易发生落物的地方,人员不能通过和逗留。
2.4轴瓦起吊时,要设专人指挥,严格按起吊规定执行。
各物件起吊时要找正起吊中心,无关人员要离开吊物周围,防止吊物晃动碰伤;起吊过程中要求工作人员身体的任何部位不能伸进所吊设备下方,如必须伸进设备下方,必须做好防吊物落下的措施。
2.5使用清洗剂清洗部件时,要佩戴必要的防护用品。
2.6检修场地必须铺设胶皮,拆吊下的部件必须放在指定检修场地。
2.7拆开的管路、法兰等敞口部位要封堵好。
2.8工作人员抡大锤时不能带手套,使用前检查锤头的固定情况,以防大锤飞出伤人。
2.9使用电动工具、照明用具时,要检查其绝缘情况,防止触电,必要时有人监护,使用电动工具,其接线盘要带漏电保护装置。
2.10用电动工器具必须带绝缘手套,配用漏电保护器。
2.11机件回装前必须用压缩空气吹扫干净,对照加堵记录,将堵撤出,确保轴瓦内部无任何异物。
2.12每天开工前工作负责人向工作班成员及民工交代安全注意事项,工作结束后,总结当天的安全工作情况.3现场准备及备品备件3.1备品备件准备W13.2工作准备□工器具已准备完毕,材料、备品已落实。
□检修地面已经铺设防护胶片,场地已经完善隔离。
□作业文件已组织学习,工作组成员熟悉本作业指导书内容。
W23.2.1办理相关工作票□已办理工作票及开工手续停运。
□安全措施已做。
□检查验证工作票。
□对协作单位发出通知。
□工作人员的着装和安全用具应符合《安规》要求。
H14检修内容4.1解体轴瓦□确认热工探头已拆除。
□揭轴承箱□用塞尺测量轴承箱油挡间隙。
□松轴承箱结合面螺栓,起吊箱盖,清理上箱结合面,放到胶皮上。
□清理上油挡,检查油挡齿是否完整,有无损伤、松动。
华电国际十里泉发电厂编号:QW/05.23.09.08-2009N300MW发电机组循环水泵出口碟阀检修文件包设备编号:# 6 机组循环水泵出口碟阀批准:审定:审核:编写:2009年7月21日概述为认真贯彻执行《华电国际电力股份有限公司发电设备检修管理办法(试行)》、《发电厂检修规程》和“预防为主,计划检修”的方针,进一步加强检修管理工作,坚持应修必修,修必修好的原则,确保设备检修质量,实现设备检修的闭环管理,特制定设备检修文件包,来指导设备检修管理工作。
1. 编制说明:1.1 本文件包包容了“设备检修申请页、设备检修准备、设备检修质量控制实施计划、检修过程危险点分析及预防措施、设备检修工序及质检点以及设备检修数据记录、缺陷报告、不符合项报告”等内容,为设备实现全过程检修、质量监督提供软件支持。
1.2本文件包适用于N300MW机组HD7BT41X-6DG1800型循环水泵出口碟阀的标准大修及类似于大修性质的抢修。
1.3 本文件包的计划消耗材料根据《发电设备标准大修材料消耗》编制。
1.4 本文件包的危险点分析及防范措施根据《电业安全工作规程》《现场安全规程》并结合现场施工情况编制而成。
1.5 本文件包的设备检修工序及质检点根据《检修规程》《十里泉电厂检修管理标准》及《发电企业检修导则》编制而成。
1.6 本文件包的不符合项管理按照厂颁《不符合项管理》程序执行。
1.7 本文件包需经生产设备技术部审核,由检修副总批准后方可使用。
2、编制目的:2.1 规范检修行为、程序管理,实行检修全过程监督,确保循环水泵出口碟阀修后符合要求。
2.2 为检修提供安全、质量、组织、管理程序。
2.3 为各级质量验收、管理人员提供参考依据。
3.确保目标:3.1 确保循环水泵出口碟阀全过程检修无不安全因素发生。
3.2 确保循环水泵出口碟阀检修项目的验收率、合格率为100%,质量评价为“优秀”。
3.3 实现循环水泵出口碟阀修后一次性启动成功,达到180天无临修。
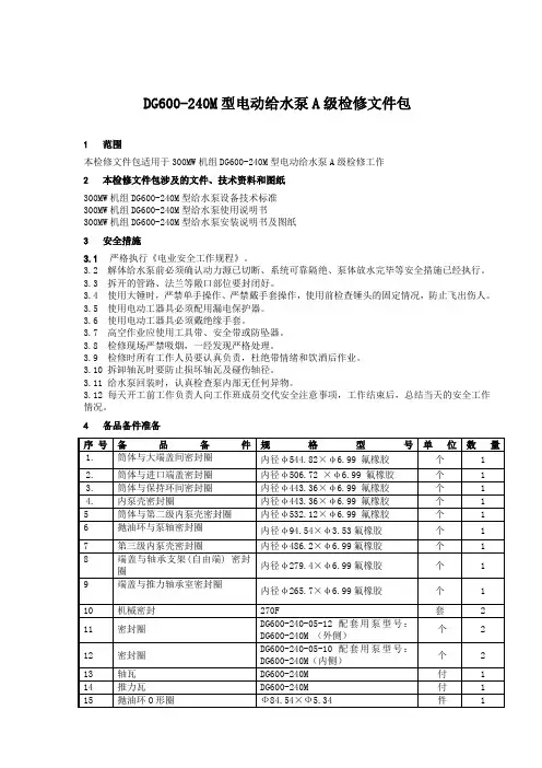
DG600-240M型电动给水泵A级检修文件包1范围本检修文件包适用于300MW机组DG600-240M型电动给水泵A级检修工作2本检修文件包涉及的文件、技术资料和图纸300MW机组DG600-240M型给水泵设备技术标准300MW机组DG600-240M型给水泵使用说明书300MW机组DG600-240M型给水泵安装说明书及图纸3安全措施3.1严格执行《电业安全工作规程》。
3.2 解体给水泵前必须确认动力源已切断、系统可靠隔绝、泵体放水完毕等安全措施已经执行。
3.3 拆开的管路、法兰等敞口部位要封闭好。
3.4 使用大锤时,严禁单手操作、严禁戴手套操作,使用前检查锤头的固定情况,防止飞出伤人。
3.5 使用电动工器具必须配用漏电保护器。
3.6 使用电动工器具必须戴绝缘手套。
3.7 高空作业应使用工具带、安全带或防坠器。
3.8 检修现场严禁吸烟,一经发现严格处理。
3.9 检修时所有工作人员要认真负责,杜绝带情绪和饮酒后作业。
3.10 拆卸轴瓦时要防止损坏轴瓦及碰伤轴径。
3.11 给水泵回装时,认真检查泵内部无任何异物。
3.12 每天开工前工作负责人向工作班成员交代安全注意事项,工作结束后,总结当天的安全工作情况。
4备品备件准备序号备品备件规格型号单位数量1.筒体与大端盖间密封圈内径φ544.82×φ6.99 氟橡胶个 12.筒体与进口端盖密封圈内径φ506.72 ×φ6.99 氟橡胶个 13.筒体与保持环间密封圈内径φ443.36×φ6.99 氟橡胶个 14.内泵壳密封圈内径φ443.36×φ6.99 氟橡胶个 15 筒体与第二级内泵壳密封圈内径φ532.12×φ6.99 氟橡胶个 16 抛油环与泵轴密封圈内径φ94.54×φ3.53氟橡胶个 17 第三级内泵壳密封圈内径φ486.2×φ6.99氟橡胶个 18 端盖与轴承支架(自由端) 密封圈内径φ279.4×φ6.99氟橡胶个 19 端盖与推力轴承室密封圈内径φ265.7×φ6.99氟橡胶个 1 10 机械密封270F 套 211 密封圈DG600-240-05-12配套用泵型号:DG600-240M (外侧)个 212 密封圈DG600-240-05-10配套用泵型号:DG600-240M(内侧)个 213 轴瓦DG600-240M 付 114 推力瓦DG600-240M 付 1序号备品备件规格型号单位数量15 抛油环O形圈Ф84.54×Ф5.34 件 15现场准备及工器具5.1现场准备序号名称规格型号单位数量一工具1.梅花扳手14-32mm 套 22.撬棍500mm 个 23.倒链3t 个 24.钢丝绳φ14㎜条 25.内六方扳手3-16mm 套 26.活扳手250mm 把 27.叉口扳手14mm—32mm 套 28.管钳350mm 把 29.手锤 2.5磅把 210.铜棒Φ18×300mm 个 411.什锦锉套 112.卡环M20 个 413.扁铲把 214.套筒扳手24mm-32mm 套 1 二量具15.游标卡尺300mm / 0.02mm 把 116.游标深度尺300mm /0.02mm 把 117.外径千分尺100—125mm 把 118.百分表0-10mm 块 219.磁力表座及表杆套 2 三材料20.润滑脂#3 公斤 121.胶皮δ=5mm 平方米822.大布1*1㎡米 523.银基抗咬合剂200g/瓶瓶 424.耐油石棉板δ=2mm 平方米 1 四专用工具25.双头螺栓顶升工具M52*3 套 126.拉马300mm 套 127.泵侧靠背轮锁紧螺母拆卸工具套 128.平衡鼓拆卸专用工具J4-3A-00 套 129.推力盘拆卸专用工具J3-3A-00 套 130.机械密封拆卸专用工具个 1W15.2工作准备□在检修作业现场地面铺好胶皮,做好作业区的物理隔离。
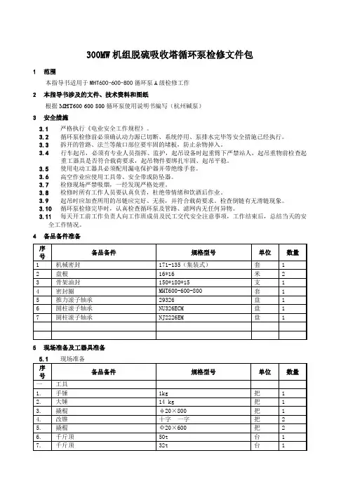
300MW机组脱硫吸收塔循环泵检修文件包1范围本指导书适用于MHT600-600-800循环泵A级检修工作2本指导书涉及的文件、技术资料和图纸根据MHT600-600-800循环泵使用说明书编写(杭州碱泵)3安全措施3.1严格执行《电业安全工作规程》。
3.2循环泵检修前必须确认动力源已切断、系统停用、泵排水完毕等安全措施已经执行。
3.3拆开的管路、法兰等敞口部位要牢固的堵板,防止杂物掉入。
3.4行车起吊,必须有专业人员指挥、监护,起吊设备时起重臂下严禁站人,起吊重物前检查起重工器具是否符合载荷要求,起吊物件要绑扎牢固、起吊平稳。
3.5使用电动工器具必须配用漏电保护器并带绝缘手套。
3.6高空作业应使用工具带、安全带或防坠器。
3.7检修现场严禁吸烟,一经发现严格处理。
3.8检修时所有工作人员要认真负责,杜绝带情绪和饮酒后作业。
3.9起吊时应加查所用的吊链应完好、无损,并符合载荷要求。
检查倒链有无滑链现象。
3.10循环泵检修完毕时,认真检查循环泵及管路、滤网内无任何异物。
3.11每天开工前工作负责人向工作班成员及民工交代安全注意事项,工作结束后,总结当天的安全工作情况。
4备品备件准备5现场准备及工器具准备W15.2工作准备□在检修作业现场地面铺好胶皮,做好作业区的物理隔离。
□开工前组织工作成员学习作业文件,对成员进行分工,并进行安全和技术交底,工作组成员应熟知工作内容及危险点的控制措施,掌握本作业指导书全部内容。
项目签证程序W25.3办理相关工作票□办理相关热力机械工作票、动火工作票、起重作业票办理。
□检修负责人与运行人员共同确认工作票安全措施确已执行。
□检查验证工作票、作业票。
□确认各种作业票办理完毕。
项目签证程序126检修工序及质量标准检修工艺流程图计划工日 工艺流程22055 至下次检修 6.1 循环泵检修前准备工作 □ 检查管道内有无浆液,及时排放冲洗。
□ 检查起吊行车是否完好。
□ 将现场清理,铺好胶皮或大布,以便摆放零部件及工器具。
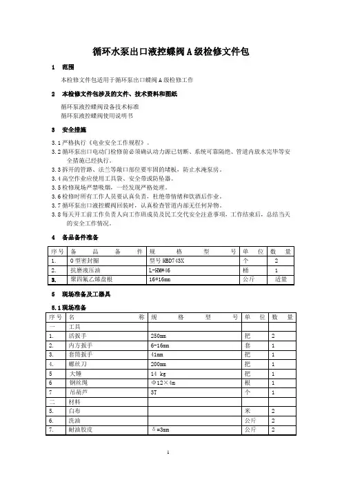
循环水泵出口液控蝶阀A级检修文件包1范围本检修文件包适用于循环泵出口蝶阀A级检修工作2本检修文件包涉及的文件、技术资料和图纸循环泵液控蝶阀设备技术标准循环泵液控蝶阀使用说明书3安全措施3.1严格执行《电业安全工作规程》。
3.2循环泵出口电动门检修前必须确认动力源已切断、系统可靠隔绝、管道内放水完毕等安全措施已经执行。
3.3拆开的管路、法兰等敞口部位要牢固的堵板,防止水淹泵房。
3.4高空作业应使用工具袋、安全带或防坠器。
3.5检修现场严禁吸烟,一经发现严格处理。
3.6检修时所有工作人员要认真负责,杜绝带情绪和饮酒后作业。
3.7循环泵出口液控蝶阀回装时,认真检查管道内部无任何异物。
3.8每天开工前工作负责人向工作班成员及民工交代安全注意事项,工作结束后,总结当天的安全工作情况。
4备品备件准备5现场准备及工器具5.1现场准备W15.2工作准备□在检修作业现场地面铺好胶皮,做好作业区的物理隔离。
□开工前组织工作成员学习作业文件,对成员进行分工,并进行安全和技术交底,工作组成员应熟知工作内容及危险点的控制措施,掌握本作业检修文件包全部内容。
5.3确认工器具、备品配件、材料准备好,检验合格项目签证程序W25.4办理相关工作票□检修负责人与运行人员共同确认工作票安全措施已执行。
□检查验证工作票。
□动火工作票办理完毕。
项目签证程序6 检修工序计划工日 工艺流程12 21至下次检修6.1 检修准备及检修内容□ 联系电气拆除电机电源线。
□ 联系热工拆除各测点。
H16.2 外观检查及解体检查□ 联系电气人员拆下电机接线,拆除电机放到指定地点。
□ 检查门体有无裂纹。
□ 液控蝶阀四个地脚螺栓进行检查,安装在基础上应校正水平,保证阀轴不倾斜,否则进行调整。
□ 检查液控蝶阀伸缩节有无损坏。
□ 松开循环水管道人孔盖螺栓,拆下人孔盖,将人孔盖放于指定位置。
□ 打开出口蝶阀填料室,检查填料室无冲蚀沟痕,无锈蚀,法兰压盖无变形,与阀杆间隙为0.1-0.2mm ,各螺栓紧力均匀。
SEZ1400-1265/1000型循环泵A级检修文件包1范围:本检修文件包适用于SEZ1400-1265/1000型循环泵A级检修工作2本检修文件包涉及的文件、技术资料和图纸SEZ1400-1265/1000型循环泵设备技术标准SEZ1400-1265/1000型循环泵使用说明书3安全措施3.1严格执行《电业安全工作规程》。
3.2解体循环泵轴承前必须确认动力源已切断、系统可靠隔绝等安全措施已经执行。
3.3行车起吊,必须有专业人员指挥、监护,起吊设备时起重臂下严禁站人,起吊重物前检查起重工器具是否符合载荷要求,起吊物件要绑扎牢固、起吊平稳。
3.4使用大锤时,严禁单手操作、严禁戴手套操作,使用前检查锤头的固定情况,防止飞出伤人。
3.5使用电动工器具必须配用漏电保护器。
3.6使用电动工器具必须戴绝缘手套。
3.7高空作业应使用工具带、安全带或防坠器。
3.8检修现场严禁吸烟,一经发现严格处理。
3.9检修时所有工作人员要认真负责,杜绝带情绪和饮酒后作业。
3.10起吊时应检查所用的吊链应完好、无损,并符合载荷要求。
检查倒链有无滑链现象。
3.11循环泵轴承回装时,认真检查循环泵轴承室内无任何异物。
3.12每天开工前工作负责人向工作班成员交代安全注意事项,工作结束后,总结当天的安全工作情况。
4备品备件准备5现场准备及工器具W15.2工作准备□在检修作业现场地面铺好胶皮,做好作业区的物理隔离。
□开工前组织工作成员学习作业文件,对成员进行分工,并进行安全和技术交底,工作组成员应熟知工作内容及危险点的控制措施,掌握本作业检修文件包全部内容。
5.3确认工器具、备品配件、材料准备好,检验合格W25.4办理相关工作票□检修负责人与运行人员共同确认工作票安全措施已执行。
□检查验证工作票。
236 检修工序检修工艺流程图计划工日 工艺流程14630.5至下次检修6.1 修前准备及检修内容□ 联系电气拆除电机电源线。
□ 联系热工拆除测点。
300MW机组脱硫浆液循环泵A级检修文件包
1范围
本指导书适用于300MW机组浆液循环泵电机A级检修工作
2本指导书涉及的文件、技术资料和图纸
设备技术标准
使用说明书
3安全措施
3.1严格执行《电业安全工作规程》
3.2开工前工作负责人向工作班成员交代安全注意事项.
3.3在检修电机前确认电机电源开关已拉开,并悬挂“禁止合闸,有人工作”标示牌3.4在拆卸电机电源负荷线前,验明确无电压后开始工作。
3.5检修现场严禁吸烟,一经发现严格处理。
3.6检修时所有工作人员要认真负责,杜绝带情绪和饮酒后作业。
3.7检修完毕后总结当天的安全工作情况。
4备品备件准备
5.现场准备及工器具
W1
5.2工作准备
☐检修作业现场地面铺好胶皮,做好作业区的隔离。
☐开工前组织工作成员学习作业文件,对成员进行分工,并进行安全和技术交底,工作组成员应熟知工作内容及危险点的控制措施,掌握本检修文件包全部内容。
5.3确认工器具、备品备件、材料准备好,检验合格
W2
5.4办理相关工作票
□检修负责人与运行人员共同确认工作票安全措施已执行。
□检查验证工作票。
□工作票办理完毕。
3
6 检修工序
检
修工艺流程图
计划工日 工艺流程
2小时
8小时
5小时
4小时
2小时
6.1 检修前准备工作
□ 在检修电机前,首先联系运行人员将该设备停运。
□ 装设好临时围栏及监护人,并清理周围杂物。
H1
6.2 电机检修 6.2.1电机解体 □ 清扫电机本体。
□ 将所有待拆卸位置用记号笔做好记号。
□ 拆下电机电源进线侧接线盒外盖,并使用验电器验电。
□ 拆下电机电源进线,做好相序记号,将电源进线三相短路并接地。
□ 测量对地绝缘及直流电阻并做好记录。
□ 拆下电机联轴器侧防护罩。
□ 拆下电机地脚螺栓,并将电机与机务脱开。
□ 将电机吊至检修位置.
□ 拆下电机侧联轴器及固定键,并放置在规定位置。
□ 拆下电机负荷侧外端盖,并放置在规定位置。
□ 拆下电机风扇防护罩,并放置在规定位置。
□ 拆下电机风扇侧卡簧,并放置在规定位置。
□ 拆下电机风扇,并放置在规定位置。
□ 拆下电机风扇侧外端盖,并放置在规定位置。
□拆除电机负荷侧外油盖及油档,并放置在规定位置。
□拆除电机负荷侧大端盖,并放置在规定位置。
6.2.2检查定子引线
□引线绝缘无过热、开裂现象,引线绑扎牢固。
□线盒内干净无杂物。
检查瓷瓶丝杆完好。
□线鼻子无过热,中性点连接铜排紧固,无过热现象。
6.2.3轴承及端盖检查
□应用清洗剂清洗电机风扇侧、负荷侧轴承,并检查轴承径向、轴向是否游隙过大、保持架磨损、轴承钢质变色、内外滚道应光滑,滚子无磨损迹象,若轴承不符合上述相关规定,需更换轴承。
检查端盖是否有跑圆现象,和轴承配合间隙是否符合要求,若不合格应进行刷镀.
项目签证程序
□电机风扇无裂纹、破损,无灰尘、油污。
6.2.5电机回装
□调整定、转子间隙使转子负荷侧轴颈与端盖止口同心度合格。
□吊起电机,做好机座垫子位置记号。
□装复轴承,加润滑脂。
□回装端盖,装联轴器。
□按拆时记号放好机座垫子,电机就位。
□检查电机接线盒内(如果有星点接线盒也必须检查)接线螺丝是否紧固,接线是否正确
项目签证程序
□绝缘电阻测量
□直流电阻测量
□直流耐压及泄漏电流测量
H2
6.3电机空载试运
□测量电机负荷线绝缘电阻及通断并确认无误。
□按原记号相序接线,并装好电机接线盒外盖。
□通知运行人员送电,并空载试转电机。
□测量空载时电机的三相电流、前后轴承温度及振动。
H3 6.4清理现场、终结工作票
□清理检修现场,运回专用工具。
□押回所有电机工作票,试电机。
□设备整体试运。
□试运2小时合格后,终结工作票。
7设备停用前检查记录
5
8.设备修前、修后带负荷运转记录
8.1设备试运
9设备检修不符合项目处理单
返修让步接受报废
7
10完工报告
9。