微生物限度检查记录版
- 格式:docx
- 大小:216.81 KB
- 文档页数:9
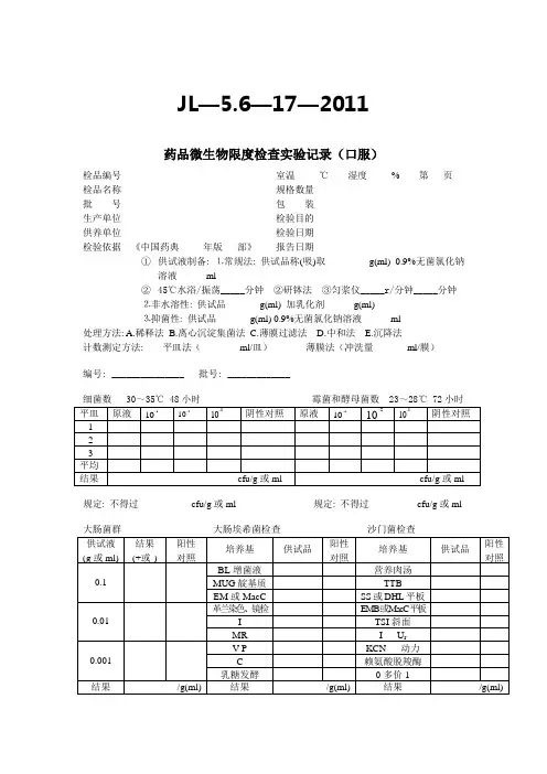
JL—5.6—17—2011药品微生物限度检查实验记录(口服)检品编号_____________________________ 室温_____℃湿度_____% 第___页检品名称_____________________________ 规格数量____________________________ 批号_____________________________ 包装____________________________ 生产单位_____________________________ 检验目的____________________________ 供养单位_____________________________ 检验日期____________________________ 检验依据《中国药典年版部》报告日期____________________________①供试液制备: ⒈常规法: 供试品称(吸)取_________g(ml) 0.9%无菌氯化钠溶液______ml②45℃水浴/振荡_____分钟②研钵法③匀浆仪_____r/分钟_____分钟⒉非水溶性: 供试品_______g(ml) 加乳化剂______g(ml)⒊抑菌性: 供试品_______g(ml) 0.9%无菌氯化钠溶液______ml处理方法: A.稀释法B.离心沉淀集菌法C.薄膜过滤法 D.中和法 E.沉降法计数测定方法: 平皿法(________ml/皿)薄膜法(冲洗量_______ml/膜)编号: _______________ 批号: _____________规定: 不得过__________cfu/g或ml 规定: 不得过_________cfu/g或ml规定: 不得检出规定: 不得检出规定: 不得检出活螨检查规定: 不得检出检验者: __________ 校对者: __________JL—5.6—17—2011 药品微生物限度检查实验记录(局部用药)检品编号_____________________________ 室温_____℃湿度_____% 第___页检品名称_____________________________ 规格数量____________________________ 批号_____________________________ 包装____________________________ 生产单位_____________________________ 检验目的____________________________ 供养单位_____________________________ 检验日期____________________________ 检验依据《中国药典年版部》报告日期____________________________③供试液制备: ⒈常规法: 供试品称(吸)取_________g(ml) 0.9%无菌氯化钠溶液______ml④45℃水浴/振荡_____分钟②研钵法③匀浆仪_____r/分钟_____分钟⒉非水溶性: 供试品_______g(ml) 加乳化剂______g(ml)⒊抑菌性: 供试品_______g(ml) 0.9%无菌氯化钠溶液______ml处理方法: A.稀释法B.离心沉淀集菌法C.薄膜过滤法 D.中和法 E.沉降法规定: 不得过__________cfu/g或ml 规定: 不得过_________cfu/g或ml 金黄色葡萄球菌检查铜绿假单胞菌检查规定: 不得检出规定: 不得检出梭菌检查白色念珠菌检查定: 不得检出检验者: __________ 校对者: __________。
微生物限度检查记录(稀释法)文件编码:SOP-JHJY00301-07样品名称批号检验编号规格检验日期报告日期检验目的培养时间结束时间检验依据《中国药典》年版部供试液制备取供试品10g,加胰酪大豆胨液体培养基至 ml,用匀浆仪或其他适宜方法混匀,制成1:10供试液,进一步稀释成1:100,1:1000等适宜的稀释级。
一、需氧菌(30~35℃,3-5天);胰酪大豆胨琼脂,批号,温度:℃二、霉菌和酵母菌(20~25℃,5-7天);沙氏葡萄糖琼脂,批号,温度:℃培养时间1:10 1:100 1:1000 阴性对照1:10 1:100 1:1000 阴性对照皿1 1天2天3天4天5天6天/ / / / 7天/ / / /皿2 1天2天3天4天5天6天/ / / / 7天/ / / /皿3 1天2天3天4天5天6天/ / / / 7天/ / / /皿4 1天2天3天4天5天6天7天接下页样品名称批号1:10 1:100 1:1000 阴性对照1:10 1:100 1:1000 阴性对照皿5 1天2天3天4天5天6天/ / / / 7天/ / / /菌落总数结果计数: cfu/g;(规定:≦cfu/g)计数: cfu/g;(规定:≦cfu/g)三、大肠埃希菌培养内容胰酪大豆胨液体(30-35℃;18-24h)温度:℃,培养时间:h麦康凯液体(42-44℃;24-48h)温度:℃,培养时间:h麦康凯琼脂培(30-35℃;18-72h)温度:℃,培养时间:h供试品阳性对照阴性对照结果□检出□未检出大肠埃希菌(规定:不得检出cfu/g)四、耐胆盐革兰阴性菌培养内容肠道菌增菌液体培养基(30-35℃;24-48h)温度:℃,培养时间:h紫红胆盐葡萄糖琼脂(30-35℃;24-48h)温度:℃,培养时间:h供试品1:10 1:100 1:1000阳性对照阴性对照结果每1g为cfu (规定:≦ cfu/g)五、沙门菌检查培养内容胰酪大豆胨液体(30-35℃;18-24h)温度:℃,时间:hRV沙门菌增菌液体(30-35℃;18-24h)温度:℃,时间:h木糖赖氨酸脱氧胆酸盐琼脂(30-35℃;18-48h)温度:℃,时间:h三糖铁琼脂斜面(30-35℃;18-24h)温度:℃,时间:h供试品阳性对照阴性对照结果□检出□未检出沙门菌(规定:不得检出10g)结论本品按《中国药典》年版部检验,结果。
微生物限度检查记录(薄膜过滤法)文件编码:SOP-JHJY00301-06样品名称批号检验编号规格检验日期报告日期检验目的培养时间结束时间检验依据《中国药典》年版部供试液制备取供试品10g、10ml、100cm2、瓶,加胰酪大豆胨液体培养基至 ml,用匀浆仪或其他适宜方法混匀,制成1:10供试液,必要时,稀释成1:100等适宜稀释级,按薄膜过滤方法检测。
一、需氧菌(30~35℃,3-5天);胰酪大豆胨琼脂,批号,温度:℃二、霉菌和酵母菌(20~25℃,5-7天);沙氏葡萄糖琼脂,批号,温度:℃培养时间1:10 1:100 1:1000阴性对照原液1:10 1:100阴性对照皿1 皿2 皿1 皿2 皿1 皿2 皿1 皿2 皿1 皿2 皿1 皿21天2天3天4天5天6天/ / / / / / /7天/ / / / / / /平均值结果计数: cfu/g;(规定:≦cfu/g)计数: cfu/g;(规定:≦cfu/g)三、大肠埃希菌培养内容胰酪大豆胨液体(30-35℃;18-24h)温度:℃,培养时间:h麦康凯液体(42-44℃;24-48h)温度:℃,培养时间:h麦康凯琼脂培(30-35℃;18-72h)温度:℃,培养时间:h供试品阳性对照阴性对照结果□检出□未检出大肠埃希菌(规定:不得检出cfu/g)四、耐胆盐革兰阴性菌培养内容肠道菌增菌液体培养基(30-35℃;24-48h)温度:℃,培养时间:h紫红胆盐葡萄糖琼脂(30-35℃;24-48h)温度:℃,培养时间:h供试品1:10 1:100 1:1000阳性对照阴性对照结果每1g为cfu (规定:≦ cfu/g)五、沙门菌检查培养内容胰酪大豆胨液体(30-35℃;18-24h)温度:℃,时间:hRV沙门菌增菌液体(30-35℃;18-24h)温度:℃,时间:h木糖赖氨酸脱氧胆酸盐琼脂(30-35℃;18-48h)温度:℃,时间:h三糖铁琼脂斜面(30-35℃;18-24h)温度:℃,时间:h供试品阳性对照阴性对照结果□检出□未检出沙门菌(规定:不得检出10g)结论本品按《中国药典》年版部检验,结果。
(2020版)药品片剂微生物限度检查法验证记录文件编号:XXX-XX-XXXXXX制药有限责任公司XX年XX月XX日XX片微生物限度检查法标准起草说明XX片由XXXXXXXX药材制成,有XXXXX作用。
根据其用药途径和处方,应进行需氧菌总数、霉菌数和酵母菌总数的测定及控制菌大肠埃希菌检查。
本品参照2015版药典进行过方法适用性验证没有发现抑菌性,所以确定需氧菌总数、霉菌数和酵菌总数及大肠埃希菌采用常规法测定。
经对所采用的方法适用性进行试验,符合《中国药典》2020版四部1105非无菌产品微生物限度检查的微生物计数法和1106非无菌产品微生物限度控制菌检查法与1107非无菌药品微生物限度标准,方法可行。
XX片微生物限度检查法标准正文微生物限度:按微生物限度检查法(《中国药典》2020版四部1105非无菌产品微生物限度检查的微生物计数法和1106非无菌产品微生物限度控制菌检查法与1107非无菌药品微生物限度标准。
取样品10克,加PH7.0无菌氯化钠蛋白胨缓冲液稀释至100ml,制备成溶解均匀的1:10供试液。
需氧菌总数、霉菌与酵母菌总数取本品1:10供试液1ml,注皿,平行制备平皿(2个平皿需氧菌总数和2个平皿霉菌与酵母菌总数),按平皿法测定。
大肠埃希菌取本品1:10供试液10ml直接接至100ml胰酪大豆胨液体培养基中,依法检查。
《中国药典》非无菌制剂项下标准规定:需氧菌总数103cfu/g ; 霉菌和酵母菌总数102cfu/g ; 不得检出大肠埃希菌(1g)。
XX片生物限度检查方法适用性试验1、样品名称:XX片批号XXX、XXX、XXX2、验证用菌种:铜绿假单胞菌CMCC﹙B﹚10104、、枯草杆菌CMCC﹙B﹚63501、金黄色葡萄球菌CMCC﹙B﹚26003、白色念珠菌CMCC﹙F﹚98001、黑曲霉CMCC ﹙F﹚98003 大肠埃希菌CMCC﹙B﹚44102.3.实验方法:《中国药典》2015版四部微生物限度方法适用性检查验证实验。
微生物限度检验记录一、检验目的:确认产品是否满足微生物限度要求,保证产品的安全性和质量。
二、检验项目:1.总大肠菌群:用于评估产品是否受到粪便污染。
2.霉菌和酵母菌:用于评估产品是否受到霉菌和酵母菌的污染。
3.沙门氏菌:用于评估产品是否受到沙门氏菌的污染,沙门氏菌是一种常见的食源性病原菌。
4.铜绿假单胞菌:用于评估产品是否受到铜绿假单胞菌的污染,铜绿假单胞菌是一种常见的致病菌。
5.谷氨酰胺酶阳性菌:用于评估产品是否受到谷氨酰胺酶阳性菌的污染,谷氨酰胺酶阳性菌是一种常见的致病菌。
三、检验步骤:1.样品准备:从产品中取得一定量的样品,确保样品的代表性。
2.样品处理:根据产品的不同特性,选择适当的方法进行样品处理,如水解、稀释等。
3.培养基制备:根据所需的检验项目,制备相应的培养基。
4.培养基接种:将处理后的样品接种到相应的培养基中,利用无菌技术确保操作的无菌。
5.培养:将接种过的培养基培养在适宜的温度和湿度条件下,培养一定的时间,一般为24-72小时。
6.检查结果:观察培养基上是否有菌落形成,记录菌落的数量和形态特征。
7.鉴定:对培养出的菌落进行进一步的鉴定,如形态学观察、生理生化特性测试等。
8.统计和分析:根据检查结果,统计并分析微生物的数量,计算出产品的微生物限度。
四、检验结果:1.总大肠菌群:每克不超过100个。
2.霉菌和酵母菌:每克不超过10个。
3.沙门氏菌:每克不得检出。
4.铜绿假单胞菌:每克不得检出。
5.谷氨酰胺酶阳性菌:每克不得检出。
五、检验记录样例:日期:2024年4月1日样品名称:XXX产品检验员:XXX检验项目:1.总大肠菌群结果:每克10个,符合微生物限度要求。
2.霉菌和酵母菌结果:每克2个,符合微生物限度要求。
3.沙门氏菌结果:未检出,符合微生物限度要求。
4.铜绿假单胞菌结果:未检出,符合微生物限度要求。
5.谷氨酰胺酶阳性菌结果:未检出,符合微生物限度要求。
六、结论:根据检验结果,XXX产品符合微生物限度要求,产品安全可靠。
一、供试液制备:1、液体供试品:取供试品 ml ,加PH7.0无菌氯化钠-蛋白胨缓冲液至 ml, 混匀,作为1:10供试液。
2、固体、半固体或黏稠性供试品:取供试品 g ,加PH7.0无菌氯化钠-蛋白胨缓冲液至 ml, 混匀,作为1:10供试液,必要时加适量的无菌聚山梨酯80。
3、需用特殊供试液制备方法的供试品:①肠溶及结肠溶制剂供试品:取供试品 g ,加PH6.8无菌磷酸盐缓冲液至 ml,振摇,使溶解,作为1:10供试液。
②具有抑菌活性供试品:取供试品 g 或 ml 加入PH7.0无菌氯化钠-蛋白胨缓冲液至 ml ,作为1:10供试液。
供试液处理方法:①培养基稀释法 ②离心沉淀集菌法 ③薄膜过滤法 ④中和法 二、检查法:①平皿法 ②薄膜过滤法大肠埃希菌检查 36±1℃ 24h结论:本品按《中国药典2005年版》微生物限度检查法标准检验,结果:检验员: 复核员:一、供试液制备:1、液体供试品:取供试品ml,加PH7.0无菌氯化钠-蛋白胨缓冲液至ml, 混匀,作为1:10供试液。
2、固体、半固体或黏稠性供试品:取供试品g,加PH7.0无菌氯化钠-蛋白胨缓冲液至ml, 混匀,作为1:10供试液,必要时加适量的无菌聚山梨酯80。
3、需用特殊供试液制备方法的供试品:①肠溶及结肠溶制剂供试品:取供试品g,加PH6.8无菌磷酸盐缓冲液至ml,振摇,使溶解,作为1:10供试液。
②具有抑菌活性供试品:取供试品g或ml加入PH7.0无菌氯化钠-蛋白胨缓冲液至ml,作为1:10供试液。
供试液处理方法:①培养基稀释法②离心沉淀集菌法③薄膜过滤法④中和法二、检查法:①平皿法②薄膜过滤法大肠埃希菌检查36±1℃24h结论:本品按《中国药典2005年版》微生物限度检查法标准检验,结果:检验员:复核员:一、供试液制备:1、液体供试品:取供试品ml,加PH7.0无菌氯化钠-蛋白胨缓冲液至ml, 混匀,作为1:10供试液。
表:2.1-024微生物限度检查记录(通用)1. 常规法:取供试品10為1,用胰酪大豆胨液体培养基稀释至 100ml ,用匀浆仪等适宜的方法混匀,制成1:10供试液。
2. 薄膜过滤法:取供试品10mi ,用胰酪大豆胨液体培养基稀释至 100ml ,用匀浆仪等适宜的方法混匀,制成1:10供试液。
吸取1:10的供试液10ml ,过滤,加0.1%无菌蛋白胨水溶液 300ml 分 三次冲洗,每次100ml ;冲洗后,将滤膜正贴于胰酪大豆胨固体培养基和沙氏葡萄糖琼脂培养基 上,每种培养基平行制备 2个平皿。
按平皿法测定其菌数。
胰酪大豆胨液体培养基(配制批号:)、麦康凯液体培养基(配制批)麦康凯琼脂培养基(配制批号: )供试液制备微生物限度检查记录、需氧菌总数检查30〜353〜5)、霉菌、酵母菌总数检查20C〜25C,5〜7天)三糖铁琼脂斜面穿刺接种 (18〜24h )三、控制菌检查 (30-35 C )检验者:表:2.1-024号:结论本品经按《中国药典》2015年版“非无菌产品微生物限度检查法”进行检验,结果审核者:微生物限度检查记录(丸剂)供试液制备供试液。
胰酪大豆胨增菌 (18〜24h )RV 沙门选择培养木糖赖氨酸脱氧胆酸分离培养(18〜48h )胰酪大豆胨液体培养基(配制批号:)麦康凯琼脂培养基(配制批号:)四、沙门菌检查 (30 °C 〜35C ) 胰酪大豆胨液体培养基(配制批号: )、RV 沙门增菌液体培养基(配制批号: ),木糖赖氨酸脱氧胆酸盐琼脂培养基(配制批号:)、三糖铁琼脂(配制批号:五、耐胆盐革兰阴性菌检杳胰酪大豆胨液体培养基(配制批号:)、肠道菌增菌液体培养基(配制批号:),紫红胆盐葡萄糖琼脂培养基(配制批号:审核者:检验者: 表:2.1-024阴性对照阳性对照三、大肠埃希菌检查)、麦康凯液体培养基(配制批结果□检出大肠埃希菌□未检出大肠埃希菌(规定:不得检出/g)四、沙门菌检查(30°C〜35C)胰酪大豆东液体培养基(配制批号:)、肠道菌增菌液体培养基(配制批号:),紫红胆盐葡萄糖琼脂培养基(配制批号:、表: 2.1-024 微生物限度检查记录(蛇胆川贝液)三、大肠埃希菌检查胰酪大豆胨液体培养基(配制批号:)、麦康凯液体培养基(配制批号:)麦康凯琼脂培养基(配制批号:)胰酪大豆胨液体培养基(配制批号:)、RV沙门增菌液体培养基(配制批号:),木糖赖氨酸脱氧胆酸盐琼脂培养基(配制批号:)、三糖铁琼脂(配制批号:)审核者:检验者:表:2.1-024 微生物限度检查记录(30〜353〜5天)、霉菌、酵母菌总数检查20C〜25C, 5〜7天)1、 口服液体药用聚酯瓶:取数个试瓶,加入1/2标示容量的氯化钠注射液,将盖旋紧,振摇1分钟,即得供试液。
规 格 检验日期结论:活螨检验:供试品 用直接检查法, 活螨结论:产品名称 产品批号产品名称产品批号 控制菌检查 阳性对照菌 取沙门菌 新鲜营养肉汤(配制批号:)培养物1ml, 9ml0.9%无菌NaCI 溶液10倍递增稀释取供试品10g 直接接种至300ml 的营养肉汤(配制批号: )中,混匀,培养18〜24小时。
取上述培养物1ml ,接种于10ml 四硫磺酸钠亮绿培养基(配制批号:)中,培养18〜24小时后,分别划线接种于胆盐硫乳琼脂培养基 (或沙门、志贺菌属琼脂培养基) 和麦康凯琼脂培养基(配制批号:)(或曙红亚甲蓝琼脂培养基)的平板上,培养18〜24小时(必要时可延长至 40-48小时)。
若平板上生长的菌落与下表所列的菌落形态特征相符或疑似,用接种针挑选 2-3个菌落分别于三糖铁琼脂培养基高层斜面上进行斜面和高层穿刺接种,培养18〜24小时。
阳性对照试验 阳性对照试验方法同供试品的检查,对照菌加菌量为 10-100cfu 。
阴性对照试验 取稀释液10ml 照控制菌检查法检查。
结论:规 格 检验日期检测室净化工作台编号:SB02-020-02 阳性菌室净化工作台编号:SB02-020-01供试液制备:取本品用开孔面积为20cm2的消毒过的金属模板压在内层面上,将无菌棉签用0. 9%无菌氯化钠溶液,稍沾湿,在板孔范围内擦抹5次,换1支棉签再擦抹5次,每个位置用2支棉签共擦抹10次,共擦抹5个位置100cmt每支棉签抹完后立即剪断(或烧断),投入盛有30ml 0.9 %无菌氯化钠溶液的锥型瓶(或大试管)中。
全部擦抹棉签投入瓶中后,将瓶迅速摇晃1分钟,即得供试液。
供试品检查:平皿法:分别取100cm:30 ml、100cm:300 ml供试液各1ml,置无菌平皿中,注入15〜20ml温度不超过45C的溶化的营养琼脂培养基或玫瑰红钠琼脂培养基,混匀,凝固,倒置于培养箱中培养。
阴性对照试验取试验用的稀释液1ml,置无菌平皿中,注入培养基,凝固,倒置培养。
微生物限度检查培养基及稀释液配制记录培养基配制记录:1.培养基名称:牛肉膏蛋白胨培养基配制日期:XXXX年XX月XX日配制人员:XXX配制方法:a. 准备所需原料:牛肉膏10g,蛋白胨10g,葡萄糖5g,氯化钠5g,琼脂20g,蒸馏水1000ml。
b. 将牛肉膏、蛋白胨、葡萄糖、氯化钠加入1000ml三角瓶中,加入适量蒸馏水悬浮均匀。
c.加入琼脂并混合均匀。
d.用石膏或毛玻璃棒将溶液均匀搅拌,在蒸发皿上蒸汽加热至显出小气泡,即可。
e.将培养基分装至培养基瓶中,密封保存于4℃。
2.培养基名称:营养琼脂培养基配制日期:XXXX年XX月XX日配制人员:XXX配制方法:a. 准备所需原料:肉浸膏10g,葡萄糖10g,琼脂20g,蒸馏水1000ml。
b. 将肉浸膏、葡萄糖加入1000ml三角瓶中,加入适量蒸馏水悬浮均匀。
c.加入琼脂并混合均匀。
d.用石膏或毛玻璃棒将溶液均匀搅拌,在蒸发皿上蒸汽加热至显出小气泡,即可。
e.将培养基分装至培养基瓶中,密封保存于4℃。
稀释液配制记录:1.稀释液名称:理化盐水稀释液配制日期:XXXX年XX月XX日配制人员:XXX配制方法:a.准备所需原料:氯化钠8.5gb. 将氯化钠加入1000ml蒸馏水中,充分溶解,即可。
c.将稀释液分装至滴定瓶中,密封保存于室温。
2.稀释液名称:0.9%盐水稀释液配制日期:XXXX年XX月XX日配制人员:XXX配制方法:a.准备所需原料:氯化钠9gb. 将氯化钠加入1000ml蒸馏水中,充分溶解,即可。
c.将稀释液分装至滴定瓶中,密封保存于室温。
以上是微生物限度检查培养基及稀释液配制的记录示例,实际操作中需根据具体的实验要求和配方进行调整。
在配制过程中,应按照相应的配方和方法进行操作,确保培养基和稀释液的质量和洁净度。
完成后,应将培养基和稀释液分装保存,并严格控制储存温度,以确保后续实验的准确性和可重复性。
微生物限度检验记录式样名称:________________种类:________________生产批号:___________________检验日期:___________________检验项目:微生物限度检验检验目的:为了评估样品的微生物质量,保证产品的安全性和稳定性。
检验原理:根据国家标准方法,对样品进行微生物限度检验。
检验仪器和试剂:1.培养基:牛肉膏培养基、营养琼脂培养基等2.培养基固化器3.可灭菌离心管4.称量仪5.稀释液6.离心机7.干燥器8.显微镜9.微量移液器和移液枪10.注射器11.恒温培养箱12.培养基平板13.称重天平14.微生物限度试剂15.培养基扩展工具16.无菌培养皿检验步骤:1.样品准备将样品称量约10g,加入已经去离子水或生理盐水中,并使用搅拌棒搅拌均匀,使样品完全悬浮。
2.稀释取1mL悬浮样品加入9mL稀释液中,得到10倍稀释液。
依序对稀释液进行1/10、1/100,求得合适的稀释倍数。
3.培养基涂布取样品稀释液分别用无菌鉴别板扩展在牛肉膏培养基和营养琼脂培养基上,使用温度适宜的顶酵母、肠球菌染色和试纸进行培养基涂布。
4.培养将涂布后的培养基平板密封好,放置在恒温培养箱中,设置适宜的培养温度和时间。
5.细菌计数培养箱培养结束后,取出培养基平板,使用显微镜对每个培养基平板上的细菌进行计数。
计算每个培养基平板上的菌落形成单位(CFU)数目。
6.菌种鉴定依据菌落形态、生理生化反应、药敏试验等方法进行菌种的初步鉴定,记录鉴定结果。
7.结果记录将每个培养基平板上的菌落形成单位数目记录在表格中,并记录每个菌落的特征和形态。
8.结论与建议根据检验结果,评估样品的微生物质量,判断样品是否符合限度标准。
如果有异常菌落存在,则建议进行进一步检验、处理或采取相应的措施。
记录:检验项目,检测结果--------------,-------------------------菌落计数,牛肉膏培养基:__CFU/g营养琼脂培养基:__CFU/菌种鉴定--------------,-------------------------鉴定结果:1.菌种1:________2.菌种2:________3.菌种3:________结论:样品通过微生物限度检验,各指标符合国家标准。
微生物限度检查记录版 Document serial number【KKGB-LBS98YT-BS8CB-BSUT-BST108】
表:2.1-024微生物限度检查记录(通用)
三、大肠埃希菌检查
胰酪大豆胨液体培养基(配制批号:)、麦康凯液体培养基(配制批号:)麦康凯琼脂培养基(配制批
微生物限度检查记录
(30~35℃,3~5天)
二、霉菌、酵母菌总数检查(20℃~25℃,5~7天)
沙氏葡萄糖琼脂培养基(配制批号:)
三、控制菌检查(30-35℃)
表:2.1-024
胰酪大豆胨液体培养基(配制批号:)、麦康凯液体培养基(配制批号:)麦康凯琼脂培养基(配制批
(30℃~35℃)
胰酪大豆胨液体培养基(配制批号:)、RV沙门增菌液体培养基(配制批号:),木糖赖氨酸脱氧胆酸盐琼脂培养基(配制批号:)、三糖
胰酪大豆胨液体培养基(配制批号:)、肠道菌增菌液体培养基(配制批号:),紫红胆盐葡萄糖琼脂培养基(配制批
号:)
表:2.1-024
(含药材原粉的片剂)
胰酪大豆胨液体培养基(配制批号: )、麦康凯液体培养基(配制批号: )麦康凯琼脂培养基(配制批(30℃~35℃)
胰酪大豆胨液体培养基(配制批号: )、RV 沙门增菌液体培养基(配制批号: ),木糖赖氨酸脱氧胆酸盐琼脂培养基(配制批号: )、三糖
胰酪大豆胨液体培养基(配制批号:)、肠道菌增菌液体培养基(配制批号:),紫红胆盐葡萄糖琼脂培养基(配制批
表:2.1-024微生物限度检查记录(蛇胆川贝液)
三、大肠埃希菌检查
胰酪大豆胨液体培养基(配制批号:)、RV沙门增菌液体培养基(配制批号:),木糖赖氨酸脱氧胆酸盐琼脂培养基(配制批号:)、三糖
表:2.1-024微生物限度检查记录
(30~35℃,3~5天)
二、霉菌、酵母菌总数检查(20℃~25℃,5~7天)
沙氏葡萄糖琼脂培养基(配制批号:)
胰酪大豆胨液体培养基(配制批号:)、麦康凯液体培养基(配制批号:)麦康凯琼脂培养基(配制批
表:2.1-024 微生物限度检查记录(内包材)
胰酪大豆胨液体培养基(配制批号:)、麦康凯液体培养基(配制批号:)麦康凯琼脂培养基(配制批。