基床表层级配碎石试验报告
- 格式:xls
- 大小:27.00 KB
- 文档页数:1
基床表层级配碎石试验段总结根据路基工程设计图和客运专线施工指南及工程施工质量验收标准的要求在路基大面积前,要进行工艺性试验,以便确定具体的施工工艺,指导后续施工。
现根据经审批的基床表层级配碎石试验段施工方案进行了工艺性试验,对施工的各环节进行总结,现将具体情况汇报如下:一、试验段概述本管段起止里程为D1K63+921.086~D1K73+016.867、全长9095.781m,共有区间路基8段、长1834.104m,站场路基一段、长1708.7m。
选在里程D1K70+643.655~D1K70+806.2具有代表性的162.545米长路基作为基床表层级配碎石试验段。
此段路基基床表层填筑70cm厚级配碎石,与桥台、涵洞处设过渡段填筑70cm厚掺5%水泥级配碎石。
二、编制依据1、《新建铁路重庆至万州客运专线区间路基设计图》;2、《高速铁路路基工程施工技术指南》(2010)241号;3、《高速铁路路基工程施工质量验收标准》(TB 10751-2010);4、《铁路工程土工试验规程》(TB10102-2010);三、试验目的通过级配碎石试验段施工,我们将确定如下主要施工参数及相关工艺指导后续大面积施工:1、通过试验对比确定施工工艺及方法;2、通过试验确定各施工区段的合理长度;3、通过试验确定合理的机械、人员配置方案;4、通过试验确定填料的松铺厚度及合理的碾压方式及遍数;四、参加施工人员及试验段仪器机械设备1、路基试验段人员安排及分工施工现场负责人:张俊杰技术质量负责人:易坤质量安全工程师:吕鹤威现场技术员:刘运超试验负责人:李百锁测量负责人:冯瑞文2、根据路基试验段的宽度长度,遵循经济、科学、合理原则,对过渡段试验段施工配置机械设备见下表:主要施工机械设备一览表3、试验仪器和设备情况:项目部试验室各种试验设备仪器均已自检自校标定合格,路基施工所有试验工作均由项目部中心试验室负责进行。
具体试验仪器设备见下表:主要试验仪器设备表4、主要测量仪器的配备主要试验仪器设备表五、施工过程1 施工准备:正式填筑施工前需完成以下方面的施工准备工作:(1)测量放样:首先要进行基底高程测量,确保基底标高与设计吻合,同时要完成整个试验场地的石灰划格,钢纤挂线工作;(2)原材进场进行试验检测满足下列要求:a.粒径大于1.7mm颗粒的洛杉矶磨碎率不大于30%。
水泥稳定碎石基层试验总结报告一、试验段施工概况根据技术规范要求,承包人在开工前应修筑不少于100米的试验路段,以确保路面基层的正确施工工艺,为达到规定的压实度所需要的机械设备及压实遍数,并通过试验路段来确定合理的施工方法,松铺系数以及机械配置,为以后基层铺张全面展开提供一个可行的方案。
二、试验的准备开工日期:2003年12月5日,完工日期:2003年12月5日,根据现场实际情况,我单位选定K7+200~K7+400作为基层的试验路段,长度200米。
为了顺利打开试验路段开工的局面,在人员、机械、材料和设备等方面进行了充分的准备和安排。
三、试验组织机构项目负责人:康解田技术负责人:曹利生质检负责人:邹送艮施工员:伍柳枝康津军试验员:苏征安全负责人:陈明喜材料负责人:康同新刘让能压路机手:曹同新洒水车手:陈征施工队长:段玉卿四、试验提供的设备为确保试验路的顺利施工。
我部投入施工设备清单如下:五、施工方案在施工过程中,自卸小四轮车运料,根据试验所得水稳碎石得最大干密度、所铺面积的大小及设计厚度15cm计算所需的填料,松铺系数则根据以往经验取1.38,由指挥人员统一指挥卸料,依次铺放。
测量人员根据预定的松铺厚度测量挂线,根据拉线高度进行人工摊铺整平,,用压路机由外向内先静压二遍,再振压两遍后,测压实度,直至压实度达97%。
具体施工过程如下:(后附施工流程图)1、准备下承层,清理原路面上的堆积物,清理的宽度不少于设计要求。
2、施工放样:在经验收合格的原级配碎石补强层上进行中桩和边桩放样,同时测定桩顶标高(每二十米一个断面),两边铺筑宽度大于设计宽度,以确保路基边缘有足够的压实度。
3、材料的堆放及摊铺:根据基层的宽度、厚度及规定的压实干密度,计算每车料的堆放距离,将材料堆放好,用人工将堆放好的材料按1.38的松铺系数均匀摊铺。
4、碾压:先用振动式压路机静压2遍,对静压后不平整处利用人工进行平整,对局部不平整处立即人工铲平,补以新拌的均匀混合料工,并与粗集料拌和均匀,达到要求后,方可继续进行碾压。
沪昆铁路客运专线HKJX-2标路基表层级配碎石填筑施工试验总结报告编制:审核:批准:中铁五局(集团)有限公司2011年5月15日中铁五局沪昆客专三分部路基队路基表层级配碎石填筑施工试验总结报告1.工程概况沪昆铁路客运专线正线区间路基按双线设计,中铁五局沪昆客专三分部管段为DK415+097~DK421+693,路基分4小段合计长度为2.3km。
沿线主要地质分布为粉质黏土、淤泥质黏土、全风化和泥岩(或砂岩或泥岩夹砂岩)至弱风化和泥岩(或砂岩或泥岩夹砂岩)。
路基本体及基床底层填筑采用A、B 组料填筑,基床表层及过渡段采用级配碎石或级配碎石掺水泥填筑。
表层级配碎石由路基队级配碎石搅拌站统一严格按照配合比统一生产,由自卸车运至施工地点。
试验段为DK415+222~DK415+368共计138m,为原路基底层填筑试验段,基床底层A、B料已填筑完成,并且各项指标均已达到设计规范要求,经试验监理、现场监理同意,准许基床表层第一层级配碎石填筑。
依据设计施工方案,基床表层填筑分两层填筑,本次试验采取第一层作为试验层次,各项数据均按要求仔细记录分析,作为大面积填筑基床表层级配碎石施工依据。
2.试验目的(1)通过褥垫层填筑试验段施工,摸索并总结出基床表层级配碎石填筑施工最佳的施工组织、人员配置方式、机械设备配置方式及施工工艺。
(2)通过试验,摸索并总结出基床表层级配碎石填筑施工的松铺厚度、压实厚度、松铺系数及在不同碾压设备碾压下的碾压速度、碾压遍数和最佳含水量。
(3) 通过试验,摸索并总结出控制本项目施工基床表层级配碎石填筑质量的技术措施和施工要点。
(4)通过本试验段施工,收集相关数据,确定基床表层级配碎石填筑各项重要参数,指导今后基床表层级配碎石填筑施工并达到设计及规范的质量标准。
(5)试验检测及测量仪器:见下表褥垫层填筑试验段配备主要试验检测及测量仪器设备表3.施工进度情况(1)试验段填筑施工过程时间:开工时间:2011年5月10日完工时间:2011年5月12日(2)数据分析、处理及上报成果计划时间为:2011年5月12日~2011年5月15日4.材料要求及填筑标准(1)材料要求及来源:碎石垫层采用未风化的干净且级配良好的碎石,其最大粒径不得大于50mm,细粒含量不得大于10%,且不含草根、垃圾等杂质。
级配碎石试验段施工总结报告根据我们的实际施工经验,对级配碎石试验段施工进行了总结报告,以下是我们的总结:一、施工目的二、试验段设计试验段设计采用了不同粒径组成的碎石进行层层铺设,根据不同粒径的碎石的分部曲线和工程要求,确定了每一层的厚度和粒径比例。
试验段的总厚度为80cm,分为4层,每层的厚度为20cm。
三、施工过程1.碎石选用:根据试验段设计要求,我们选用了不同粒径的碎石,并在现场进行了筛分和分析,确保每层的粒径符合设计要求。
2.地表准备:在施工前,我们先进行了地表的清理和平整,确保基底平整牢固。
3.第一层碎石铺设:先将最大粒径的碎石铺设在地表上,并通过压路机进行压实,以提供一个坚实的基础。
4.后续层碎石铺设:分别将剩下的碎石按照粒径从大到小的顺序进行铺设,并进行适当的压实,确保每一层的碎石能够互相嵌固。
5.路面养护:施工完成后,我们对试验段进行了定期的保养和检查,以确保路面的平整和稳定。
四、施工问题与对策1.碎石质量:在试验段施工过程中,我们发现有部分碎石存在破碎度和均匀性等问题,为了保证试验段的准确性,我们及时更换了碎石,并重新铺设和压实。
2.施工设备:在施工中,我们发现压路机的振动频率对碎石的压实效果有很大的影响,为了提升碎石的密实度,我们调整了振动频率和速度。
3.施工环境:由于施工地点的位置较为偏远,交通条件较差,给我们的物资供应和人员调动带来了一定的困难,为此,我们提前做好了物资准备和人员安排,确保施工进度和质量。
五、施工总结通过对级配碎石试验段施工的实际操作和观察,我们发现碎石的级配粒径对路面性能有着显著的影响。
较大粒径的碎石可增加路面的稳定性和承载能力,较小粒径的碎石可提高路面的光滑度和舒适性。
同时,我们也发现碎石的质量和施工设备的运用技巧对施工效果有着重要的影响。
因此,在实际的道路工程中,需要根据工程要求和环境条件选择合适的级配碎石,并合理运用施工设备,以实现最佳的工程效果。
兰新铁路甘青段LXS-10标段 ................................................................ 2一、工程概况 .......................................................................................... 2二、试验段填筑目的 .............................................................................. 2三、施工人员及机械配置 ...................................................................... 31、人员配置 .............................................................................................................................. 32、机械配置 .............................................................................................................................. 33、检测设备配置 ...................................................................................................................... 3四、技术标准 .......................................................................................... 4五、施工程序与工艺流程 ...................................................................... 51、施工工艺流程 ...................................................................................................................... 52、施工程序 .............................................................................................................................. 6六、质量控制及检验 .............................................................................. 91、质量控制 .............................................................................................................................. 92、质量检验 .............................................................................................................................. 9七、试验段成果的总结 ...................................................................... 111、碾压遍数、试验检测 ...................................................................................................... 132、最佳的施工含水量 ........................................................................................................ 15压实后含水率检测 ................................................................................................................ 16动态模量EVD检测.............................................................................................................. 173、最佳一次填筑区段长度 .................................................................................................. 174、最佳机械组合 .................................................................................................................. 17九、施工注意事项 .............................................................................. 171、施工前召开安全、技术交底会,明确施工工艺及技术要求,由安质部对施工机械操作人员及作业工人进行安全培训,做到人人心中有数。
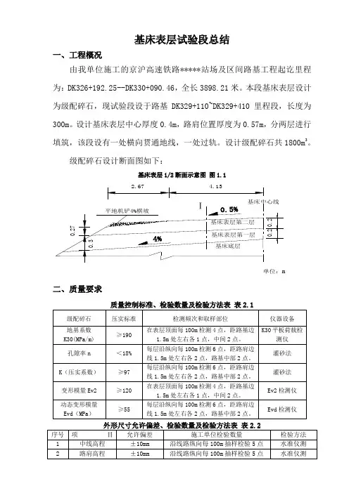
基床表层试验段总结一、工程概况由我单位施工的京沪高速铁路*****站场及区间路基工程起讫里程为:DK326+192.25--DK330+090.46,全长3898.21米。
本段基床表层设计为级配碎石,现试验段设于路基DK329+110~DK329+410里程段,长度为300m。
设计基床表层中心厚度0.4m,路肩位置厚度为0.57m,分两层进行填筑,该段设有一处横向贯通地线,一处过轨。
设计级配碎石共1800m3。
级配碎石设计断面图如下:基床表层1/2断面示意图图1.1单位:m二、质量要求三、试验段目的按照京沪指“试验先行、样板引路”的要求,结合我工区实际情况确定基床表层级配碎石施工工艺参数和机械的合理化配置,以规范和指导基床表层级配碎石大面积施工。
计划确定的工艺、资源配置及主要参数:1.基床表层施工工艺及人员机械配备配套;2.拌合料水分损失系数,确定在运输和摊铺过程中水分蒸发与温度的关系;3.级配碎石的虚铺系数,压实含水量控制指标;4.级配碎石的最佳碾压方式及碾压遍数;5.拌合料的级配;四、试验段准备1、主要机械设备主要机械设备表表4.12、组织机构及人员分工3、检测仪器设备4、试验段材料准备按照实验室初步提供配合比:0-5mm石屑:5-16mm碎石:16-31.5mm 碎石=4:4:2的比例进行材料储备。
本试验段设计用量为1800m3,拌合料最大干密度为2.35g/cm3,合计拌合料共4230t。
材料按照用量的120%储备。
各种集料进场过程中,进行颗粒级配检验,并进行试配混合料的颗粒级配、颗粒密度、重型击实的最大干密度、最佳含水率试验,并检查针状和片状颗粒含量、质软易碎颗粒含量、黏土团及其他杂质含量,其检测指标符合设计要求。
五、施工工艺流程: 1、第一层施工工艺流程图图5.12、第二层施工工艺流程图图5.2六、施工工艺1.现场施工准备⑴.核实施工图纸,复核路基尺寸和高程。
⑵.组织材料储备,严格进场验收,保证施工材料符合要求。
高速铁路基床表层级配碎石试验段一、前言高速铁路在我国交通建设中占有重要地位。
作为重要的组成部分,基础设施的建设显得尤为重要。
其中,铁路基床表层级配碎石是高速铁路建设中的一项重要工作。
本文将对某高速铁路基床表层级配碎石试验段的建设情况进行。
二、试验段概况本试验段位于某高速铁路下行线20km处的S2-S3区间。
线路走向东南-西北,主要经过山地和丘陵地貌。
试验段的设计断面为正常四线,路基设计速度为350km/h。
基床表层级配碎石采用四层结构,分别为岩石屑、碎石、砂子、小砾石。
其中,砂子和小砾石的级配曲线要与碎石相匹配,四层结构总厚度为80cm。
三、试验段建设过程(一)设计试验段基床表层级配碎石设计时,根据现场勘察和地质图的分析,选定了适合该地区的建造工艺。
参考了同类型铁路表层结构上还在运营中的高速铁路,以及问题较多的铁路进行了对比,最终确定了优化的设计方案,以保证基床表层结构的稳定性和对铁路的长期安全运行。
(二)施工试验段建设采用了科学的施工方法和设备,施工时遵循施工方案严格操作,保证了施工质量的高水平。
(三)质量控制为了保障试验段建设质量,采取了严格的质量检测制度。
针对不同的施工环节,制定了不同的质量标准,并进行全程监控。
所有材料和设备都需要经过检测后方可使用。
四、试验结果分析试验段建成后,对其进行了系统的监测。
通过监测资料的分析,得到了以下:(一)基床结构稳定试验段建成后,整体结构稳定性良好。
各层结构之间的协调性较好,基床可以承受列车的正常运行负荷。
试验结果表明,该基床表层级配碎石的设计和施工可以满足高速列车的运行需求。
(二)破碎率良好试验段基床表层级配碎石的破碎率均匀,且在合理范围内。
表明设计的基床表层结构和施工工艺均达到了预期的要求。
(三)评估结果较好试验段经过一定时间的运营,评估结果较为良好。
各项指标均在合理范围内。
因此可以认为,该试验段的建设达到了预期目标,为高速铁路基床表层级配碎石的建设提供了宝贵的实验依据。
目录1.编制依据 (1)2.工程概况 (1)2.1工程概述 (1)2.2主要技术标准 (1)2.3参建单位 (1)2.4试验段的设置 (2)3.试验段的试验目的和内容 (2)3.1试验目的 (2)3.2试验内容 (2)4.施工人员、机械设备、测量、检测仪器设备投入情况 (3)4.1施工人员配置 (3)4.2机械设备配置 (3)4.3主要测量、检测仪器设备的配备 (4)5.级配碎石填筑 (4)5.1施工准备 (4)5.1.1材料准备 (4)5.1.2技术准备 (4)5.1.3试验准备 (4)5.1.4施工准备 (5)5.2试验段施工相关要求 (5)5.2.1填料要求 (5)5.2.2施工工艺要求 (5)5.2.3基床底层路堤的质量标准 (6)5.3试验段施工 (7)5.3.1试验段施工工艺流程图 (7)5.3.2施工方法 (8)6.压实数据分析 (10)7.试验结论 (10)8.质量控制要点 (11)9.质量保证措施 (11)9.1组织保证 (11)9.2制度保证 (12)9.3保证措施 (12)10.雨季施工 (13)11.安全生产保证措施 (13)11.1组织保证 (13)11.2制度保证 (13)11.3保证措施 (14)12.环水保及文明施工保证措施 (15)12.1管理目标 (15)12.2环水保措施 (15)12.3文明施工保证措施 (15)13.安全应急救援预案 (16)13.1安全生产事故应急救援 (16)13.2处理突发事件应急预案的原则 (16)13.3应急救援领导小组 (16)基床表层级配碎石填筑试验段施工总结2012年11月9日至11月22 日,我标段XXXXX项目部路基队在监理站监理监督下,在DK755+610~DK755+744段路基进行了基床表层级配碎石填筑试验段施工,施工中严格按照已审批的试验段施工方案进行施工。
通过试验段的施工,施工人员熟悉了基床表层级配碎石填筑的施工工艺,确定了施工机械的选型,完善了各种机械的配套组合及施工人员的配备,完成了施工中各种参数的选定,各项试验指标符合验标和设计要求,达到了预期目的,从而指导下步基床基床表层级配碎石填筑大规模施工。
基床表层级配碎石施工工艺性试验总结一、试验段位置中铁五局杭长铁路客运专线浙江段Ⅴ标段一分部路基管段里程段为DK17 5+076.89~DK176+483.26、DK179+955.03~DK180+512.27、DK180+599.93~DK180+823.93,总长2187.38m,表层级配碎石填料设计数量约1.7万立方米。
为保证基床表层级配碎石施工的有序顺利进行,我分部在DK176+427. 76~+483.26段进行基床表层级配碎石施工试验段,并取得施工的相关参数。
二、试验时间2011年4月10日至2011年4月12日三、试验原则规范及设计要求:基床表层采用级配碎石填筑,过渡段范围内掺5%水泥,分层的压实厚度不大于20cm。
基于此原则,我分部严格按照“三阶段、四区段、八流程”工艺进行施工。
松铺厚度按照23cm进行填筑试验。
四、试验目的通过试验段所获得的数据,确定压实的各种指标:1、设备类型、机械最佳组合方式;2、摊铺、碾压遍数和碾压速度等工艺参数;3、确定每层松铺厚度;4、考核K30荷载板、E vd动态变形模量测试仪、E V2检测仪等仪器设备的可靠程度,为管段基床表层施工确立有效的检测手段。
五、料源选择、生产及运输一分部料场采用横山石场碎石料。
级配碎石料由颚式破碎机加工而成,经过二次破碎和一次筛分过程。
原料石经爆破后用自卸汽车将爆破后的石块运至颚式破碎机加工仓,经破碎机进行第一次破碎,形成第一批粗料经输送第一批粗料;经输送带输送至立式破碎机进行第二次加工破碎,形成第二批粗料;将第二批粗料经输送带输送至筛分系统,经筛孔直径为45mm的振动筛筛分后,留于筛网以上的粗料石又经输送带输送至立式破碎机进行重新破碎,而通过筛网的混合料即为要使用的级配碎石料。
水泥为浙江红狮P.0.425水泥,级配碎石采用百年重工机械有限公司生产的WCD500型稳定土拌合设备进行拌合。
级配碎石掺配比例为(20~45mm碎石:16~25mm碎石:5~16mm碎石:石屑)10:15:20:55,最佳含水量4.5%(不掺水泥含水量为4.1%),水泥掺量为重量的5%。
路基基床表层级配碎石填筑工艺性试验总结【内容提要】哈齐客运专线地处东北严寒地区,设计为无砟轨道,这样就对路基本体工后沉降要求高,尤其对路基基床表层要求更加提高,设计要求路基基床表层级配碎石掺5%的水泥,这是客运专线首次对路基基床表层掺加水泥,已提高路基防冻涨的目的,我分部对路基基床表层级配碎石掺5%水泥进行了施工,并进行工艺性试验,对级配碎石掺5%水泥施工进行探究【关键词】级配碎石水泥碾压检测1.工程概述:DK218+000~DK218+457.5、DK218+887.81~DK221+267.29、DK252+782.88-DK256+204.52段路基基床表层级配碎石填筑全长6260m。
路基基床表层级配碎石宽13.4m,厚0.4m(线路中心),采用级配碎石掺5%水泥,共需级配碎石53300m³级配碎石。
2.施工准备2.1料场选取通过详细的调查,结合项目部的实际情况选取合适的采石场作为级配碎石原材料供应源。
要求供应商料源丰富,能及时供应我项目部所需的各类石料。
生产的碎石和石屑等产品要求级配良好,硬度目视良好。
2.2级配碎石检测指标项目部试验室对采石厂生产的碎石,进行检验。
检测指标包括2.2.1颗粒的粒径、级配应符合“基床表层碎石粒径级配表”中规定,且细集料中粒径小于0.075mm的颗粒含量(水洗法)小于5%,压实后小于7%,压实后渗透系数不小于5x10-5m/s。
2.2.2基床表层级配碎石材料可取自天然砂砾材料,或由开山块石、天然卵石、砾石经破碎筛选而成。
2.2.3在粒径大于22.4mm的粗颗粒中带有破碎面的颗粒所占的质量百分率不少于30%,同时用于基床表层级配碎石材料性能需满足。
2.2.3.1粒径大于1.7mm的集料的洛杉矶磨损率≤30%。
2.2.3.2粒径大于1.7mm的集料的硫酸钠溶液浸泡损失率≤6%。
2.2.3.3粒径小于0.5mm的细集料的液限<25%,塑性指数<6%,不得含有黏土及其他杂质。
委托单位报告编号工程名称委托编号取样地点试验编号规格种类
报告日期
筛孔尺寸(mm)31.5
22.4
7.1
1.70.50.1<0.1
标准规定通过率(%)实测通过率(%)d 60/d 10(mm)d 15/d 85(mm)试验复核 批准
单位(章)
批准文号:铁建设函[2009]27号
表号:铁建试报62
济青高速铁路有限公司 基床表面级配碎石试验报告
试验项目
标准规定值
试验结果
黏土团及其他杂质含量
N(%)0.02mm以下颗粒质量百
分率N 1(%)≥22.4mm带有破碎面颗
粒含量N 2(%)综合颗粒密度ρsm
(kg/m 3)大于1.7mm颗粒硫酸钠溶液浸泡损失率L(%)颗 粒 级 配
45
洛杉矶磨耗率L AA (%)小于0.5mm细颗粒液限
ωL (%)检测评定依据:
试验结论:
小于0.5mm细颗粒塑限
ωP (%)。