ZYJ7故障电路
- 格式:doc
- 大小:31.00 KB
- 文档页数:5
故障案例一现象:定位有表示向反位操不动,听到电动机有翁的一声,电动机不转,可确定为断相故障。
分析:因为表示电路定位时检查了电动机三个绕组,而且定位有表示,说明电机线圈是好的,可排除分线盘至室外的X1、X4没有问题查找:将2DQJ操回定位。
用电阻档在分线盘测X3、X4上阻值无穷大,故障出在分线盘至室外X3上,在ZYJ7道岔电缆盒端子3#、4#上测电阻值同样无穷大,结果是安全接点K接触不良,原因是K闭合时过头,将接点顶起所致。
故障案例二现象:定位向反位操纵道岔,尖轨第一牵引点到位,外锁闭装置已将尖轨锁定,但是第二牵引点的SH6滞后没有到位就断电,电机停转。
分析:根据启动电路分析得知,这张现象不允许出现,必须在ZYJ7和SH6都转到位后才断电,这张故障可判断为续操电路故障。
查找:检查发现时ZYJ7的锁闭杆缺口,致使接点21-22没有接通,B相电源被切断,使SH6中途停转,调整好ZYJ7的表示缺口即可。
故障案例三现象:道岔在定位无表示,测试ZYJ7道岔电缆盒内的端子2与端子1(即X2、X1)有交流70V、直流30V,测试端子2与端子4(即X2、X4)也有交流70V、直流30V。
分析:所测试的交流值比正常值打10V左右,直流值比正常值打8-9V,而且有直流电压可取得表示继电器与二极管并联的第二支路中正常,故障出在第一支路,经进一步分析,第一支路的各种出在带你如果在ZYJ7内部测端子2与端子4间将测不到电压,因此时端子2与端子4经表示继电器线圈沟通电位相等,各种范围可判断在道岔电缆盒只室内的X4断线。
查找:用交流或直流电压档在ZYJ7电缆盒的端子2与端子4上向室内方向查找X4断线点。
故障案例四现象:定位无表示,并能操到反位给出反位表示,操回定位,查定位无表示故障,测道岔电缆盒内的端子2与端子1(即X2、X1)间交流电110V,无直流。
分析:所测的交流电压110V是变压器次级电压,而且无直流电压可判断为第二支路开路查找:用交流电压档测道岔电缆盒内的端子2与端子1间有110V,再测端子7与端子12间也有110V,可确定ZYJ7内无故障,到SH6再进行测,原因是SH6内35-36接触不良,将接点片调整好即可(二极管开路是同样现象)。
ZYJ7型液压道岔控制电路故障分析ZYJ7型液压道岔控制电路作为铁路交通系统中的重要部件,其稳定运行至关重要。
在长时间的使用过程中,由于各种原因,电路可能会出现故障,影响到道岔的正常操作,甚至给铁路交通带来安全隐患。
及时发现和解决电路故障显得尤为重要。
本文将针对ZYJ7型液压道岔控制电路的故障进行分析,并提出解决方案,以保障道岔的安全运行。
一、电路结构为了更好地分析故障,首先需要了解ZYJ7型液压道岔控制电路的结构。
该电路主要包括电源模块、控制模块、保护模块和执行模块。
电源模块为整个电路提供稳定的工作电压,控制模块通过控制信号控制道岔的升降、锁闭和解锁动作,保护模块则负责监测电路的工作状态,一旦发现异常情况,即可自动切断电路以保护设备的安全运行,最后是执行模块,它通过输出信号来控制液压设备的运动状态。
在正常情况下,这四个模块相互协作,保证道岔的正常操作。
二、常见故障分析1. 电路供电故障电源模块是整个电路的动力来源,当电源模块发生故障时,往往会导致整个电路无法正常工作。
常见的电源故障包括电源接触不良、电源线路短路、过载保护功能失效等。
为了排除电源故障,可以通过检查电源线路连接是否牢固、使用万用表测试电源输出电压是否正常等方法来确定故障原因。
2. 控制信号传输故障控制模块负责发送控制信号来控制道岔的升降、锁闭和解锁等动作。
当控制信号传输故障时,道岔将无法正常操作。
常见的传输故障包括控制线路接触不良、控制信号丢失等。
排除该故障可通过检查控制信号线路的连接状态、使用示波器检测控制信号的波形等方法。
3. 保护功能失效故障保护模块负责监测电路的工作状态,一旦发现异常情况,即可自动切断电路以保护设备的安全运行。
当保护功能失效时,可能会导致设备受损或者其他安全隐患。
对保护功能失效的故障需要及时进行排查和处理。
4. 执行模块故障三、故障处理方案1. 对于电路供电故障,首先需要检查电源模块及其连接线路,确保供电正常。
一、控制电路故障现象及解决方法1、室内故障判断:以道岔在定位为例,点压反操控制按钮,操作道岔后道岔表示灯不灭(道岔显示状态不变),可能是1DQJ故障。
具体方法:首先检查1DQJ3-4线圈是否有直流24V电压。
如果有,说明1DQJ故障,则需要更换该继电器;如果没有,说明该继电器工作良好,要进一步检查其励磁电路其他继电器及线路。
检查SJ、DTR、FCJ是否吸起,若没有吸起,检查组合架侧面端子有无24V直流送出,再用电压法逐级检查断点,若都吸起,则继续用电压法逐级检查1DQJ励磁电路相应继电器和驱动线路:以1DQJ3-4线圈为分界点,分别检查其励磁电路:(1)负表笔接负电,正表笔点测SJ11-12、DTR31-32、侧面端子03-2。
(2)正表笔接正电,负表笔点测FCJ11-12(此时按压FCA)、DTR21-22、侧面端子03-2、2DQJ142-141。
此故障现象针对于1DQJ励磁电路。
当1DQJ励磁电路故障排除后,继续按压控制按钮,操作道岔后道岔表示灯灭灯后(显示状态改变),恢复原状态显示,说明2DQJ未转极,可能2DQJ转极电路故障。
因为2DQJ转极时,1DQJF和TJ同时工作,所以在判断2DQJ转极电路时首先要判断IDQJF电路与TJ计时电路是否都正常工作。
①检查1DQJF电路仍然利用电压点测法进行检查,此时1DQJ要保证在吸起状态。
②TJ计时的检查方法相同,值得注意的一点:TJ 是缓吸继电器,所以此时TJ仍在落下状态。
③在确定1DQJF和TJ电路正常及组合架侧面端子有24V电源的条件下,仍然利用电压法检查:通过借用负电查找正电的思路,将负表笔连接侧面端子06-10,正表笔点测2DQJ转极电路,仍以定位为例,负表笔接负电,正表笔点测SJ11-12、DTR31-32、1DQJ3-4、2DQJ141-142、侧面端子03-2、2DQJ1-2、1DQJF41-42,若某一点无24VDC,则可判断该点断开。
浅谈ZYJ7转辙机电路故障查找总体思路摘要:针对ZYJ7转辙机电路故障的复杂性,本文主要梳理故障查找思路,提出见解。
为信号维护人员查找故障提供参考,缩短故障处理时间,减少因道岔故障带来的影响。
关键词:ZYJ7转辙机;启动电路;表示电路;故障随着我国铁路的迅猛发展,安全运营面临严峻挑战。
转辙机属于动态设备,其稳定性将直接影响铁路运营的安全及效率,是保证列车安全运行的关键设备之一。
ZYJ7转辙机为三相五线制电动液压转辙机,其故障可分为油路故障、机械故障及电路故障。
而电路故障又分为室内控制电路故障、启动电路故障及表示电路故障。
本文主要针对电路故障查找进行解析,从而快速地处理好故障。
一、ZYJ7转辙机电路工作原理ZYJ7转辙机动作电路过程:操岔时,YCJ、CTCJ、DCJ(或FCJ)被联锁驱动吸起,使1DQJ、1DQJF先后吸起,然后2DQJ转极,构通启动回路后向室外电机输出380V交流电,此时DBQ工作输出直流24V电压使BHJ吸起,其接点接通1DQJ 自闭电路。
道岔转换至规定位置后,自动开闭器动接点断开启动回路,DBQ停止24V输出,使BHJ落下,从而断开1DQJ自闭电路,此时1DQJ、1DQJF先后落下,2DQJ断电,最后通过1DQJ、1DQJF的落下接点接通道岔表示电路。
图1二、室内控制电路故障查找思路根据继电器的动作程序,查看继电器的动作状态情况,应该吸起而没有吸起的说明该继电器励磁电路未工作,应先着手处理该继电器励磁电路问题。
比如首先应观察YCJ、CTCJ、DCJ(或FCJ)是否联锁驱动吸起,1DQJ、1DQJF吸不吸起,2DQJ转不转极。
假如控制电路部分的继电器动作异常,应以动作逻辑进行查找,如图1所示。
1、1DQJ励磁电路用于检查联锁条件。
当1DQJ不能吸起时,LOW机上道岔表示灯无变化(保持亮灯)。
2、2DQJ的转极是区分定位或反位动作方向,同时对B、C相电源进行换相,使三相电机实现正转或反转。
ZYJ7型电液转辙机典型电路故障分析袁海斌摘要:本文摘选了ZYJ7型电液转辙机较为典型的转辙机电路故障个例进行了详细分析。
根据故障现象,现场处理人员通过正确的处理思路,判断出故障点,最终恢复故障,从而及时地将设备恢复正常,确保当天列车正常稳定运行。
关键词:信号专业;电液转辙机;启动电路;表示回路;短路1、导言2号线自开通试运营以来,信号转辙机设备运行较为稳定,设备故障率较低。
据统计,截止目前2号线信号专业共计发生转辙机故障15余起,其中机械故障共计发生3起,电路故障12起。
转辙机是信号系统中关键的设备,其好坏将直接影响正线列车的运行安全及效率。
本文将摘选了1个较为典型的ZYJ7转辙机电路故障进行深入分析,信号抢修人员通过正确的处理思路,快速地判断出故障点,并对故障点进恢复处理,进而确保当天列车正常稳定运行。
2、故障概况地铁车站如突发道岔框闪故障,并且现场多次操岔均无表示,如故障道岔位置对行车造成较大影响,则需及时抢修处理,本文针对该类型转辙机设备故障进行分析论述,以W0204道岔为例,故障道岔所属车站信号站场图如下(如图1所示),其中W0204道岔处于出入段线中间风井处,其设计作用主要是该道岔在反位时可供列车出段使用,在定位时可供正线行车使用,W0204道岔距离车站站台约1.5km,信号人员到达现场处理时间较长,因此中间风井处W0204道岔发生故障时,直接影响列车出段效率以及正线行车效率。
图1:W0204道岔框闪情况3、故障处理(1)信号人员在接报车站W0204左右位框闪故障后,需立即查看W0204转辙机微机监测数据及相关电气参数。
如出现查看微机监测道岔动作曲线图发现W0204转辙机定位操反位、反位操定位均能动作到位,但定反位均无表示的情况(如图2所示)。
这可根据微机监测的W0204道岔动作曲线图,判断此故障为转辙机表示电路故障。
图2 W0204转辙机故障曲线图(2)将故障曲线和正常的道岔转换曲线图对比,如发现故障当时W0204道岔动作曲线道岔在转到位后,转换曲线的尾部有瞬间电流异常拉升情况。
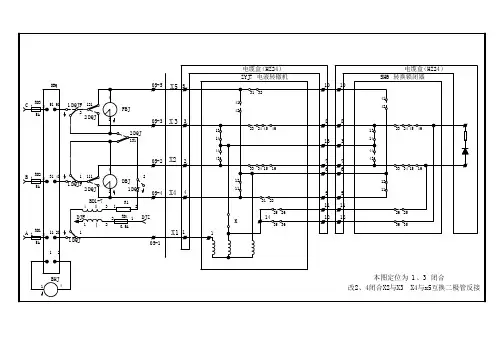
说明:表示电路:红线公用部分,绿线定位表示,黄线反位表示。
CBA说明:启动电路:红线公用部分,绿线为反位向定位,黄线为定位向反位ArrayCBA一、本图为定位1、3排接点闭合接线。
若定位为二四闭合,则: 1、将转辙机的电缆配线X2与X3、X4与X5交叉互换。
2、将整流匣倒换极性。
二、启动电路: 1、向定位启动X1、X2、X5 。
2、向反位启动X1、X3、X4。
三、表示电路: 1、定位表示:交流X2对X1、X2对X4 有110 V 直流X4+对X2-、X1+对X2有21 V 。
2、反位表示:交流X3对X1、X3对X5 有110 V 直流X3+对X5-、X3+对X1-有21V四、启动电路故障应急措施:1、反复扳动原表示不灭,应换1DQJ,如不奏效,检查控制台CA常闭接点(车务错误拉出该按钮造成单独锁闭较为常见)。
2、扳动后原表示灯熄灭,停扳后原表示又恢复,一般为2DQJ不转极,应更换2DQJ3、扳动后电流表指针最大,过13S自停,道岔夹异物或机械卡阻,应立即奔赴室外处理。
4、扳动时原表示熄灭,停止扳动原表示不恢复,电流表瞬时摆动一下,可判断为缺相保护。
如在室内应更换1DQJF(注意不是1DQJ),如无效果应再换DQB(断相保护器),检查启动熔丝是否断丝。
如道岔故障仍未恢复,应立即申请手摇把转换道岔(注:室内应单操将二启动继电器2DQJ转至相关位置),奔赴室外现场。
室外应重点检查开闭器接点、遮断开关接触状态,没带仪表时,要立即对上述接点进行擦拭。
五、表示电路故障应急措施:1、测分线盘电压,定位测(X1、X2)反位测(X1、X3)有交流110v故障点在室外。
检查室外开闭器结点是否闭合、各闭合接点接触是否良好,要擦接点,拽配线,检查有无断线;无交流110V,故障在室内,检查表示熔丝是否断丝及表示变压器有无输出电压。
2、表示继电器有交流电压无直流电压故障在室外整流匣部分(包括R2电阻与其串联的接点);表示继电器电压正常(直流20-24V),应更换表示继电器。
ZYJ7转辙机电路分析及故障处理1.ZYJ7转辙机简介2.ZYJ7电路原理3.ZYJ7故障处理信号一分部广佛正线ZYJ7转辙机简介.ZY(J)7 型电动液压转辙机结构主要分:动力机构、转换和锁闭机构、锁闭表示机构等组成。
(广佛线用ZYJ7是单机牵引的内锁闭装置)(1)动力机构即电机、油泵组,作用是将电能变为液压能,主要由油箱盖组、左、右溢流板组、连轴器、油泵支架、电机、惯性轮组、安装底板、油箱磁钢组、油泵、油泵回油管(润滑油)组、溢流回油管组等组成。
AC三相380V电机通过连轴器带动油泵顺时针或逆时针旋转,分别由上、下两侧高压油口输出油液。
油通过门字型左、右油管,分别与空动缸两侧相连,分别给空动缸、主付机油缸。
(2)转换锁闭机构作用是转换并锁闭动作杆在定位或反位位置。
动作杆锁闭后能承受100KN的轴向锁闭力,它主要由油缸、动作杆组、锁闭铁等零件组成。
液压油带动油缸向左或向右动作,带动动作杆左右移动。
油缸上推板将动作杆锁在定或反位位置。
(3)表示锁闭机构正确反应尖轨位置,锁闭杆锁闭后,能承受30KN以上的轴向力。
主要包括接点组、锁(表示杆)闭杆等零部件。
(4)手动安全机构作用是手摇电机扳动道岔时,可靠切断启动电源后,才能够插入手摇把。
且非经人工恢复,不能接通电机启动电源。
(由于ZYJ7是采用液体传动,故受温度变化影响大,温度上升,粘度下降,可能导致泄露)(5) 油路系统工作原理本系统为闭式系统,当电机带油泵逆时针旋转时,油泵从油缸右侧腔吸入油,泵出的油使油缸左腔体积膨胀,油缸(主、付)向左侧移动。
当油缸到位停止动作时,接点系统断开启动电源,接通新的表示电路。
当因故不能到位时,泵从油箱经右边单向阀吸入油,泵出的油经左侧的滤油器和溢流阀回到油箱。
二.ZYJ7电路原理ZYJ7采用交流电的三项新三线电机,标准工作电压为380V,采用6线控制电路。
1.ZYJ7室外电路分析a.右位锁闭状态表示电路示意图右位锁闭状态时,POM4板上R1和R2亮灯。
ZYJ7型液压道岔控制电路故障分析一、问题描述ZYJ7型液压道岔控制电路,作为铁路交通设施的重要组成部分,其稳定可靠性对铁路运输的安全性和效率有着至关重要的作用。
但在使用过程中,可能会出现电路故障导致道岔无法正常切换的情况,这会对列车的行车安全和时间表产生影响。
因此,本文将对ZYJ7型液压道岔控制电路故障进行分析,以便更好地保障铁路交通的安全和稳定。
二、问题分析从ZYJ7型液压道岔控制电路的基本原理出发,其主要由电源、信号源(中间继电器)、继电器电路、电动液压阀等组成。
其中,信号源采用接点式继电器,其在接通和断开的过程中,通过线圈使得机械组件切换接点来实现转换信号的作用。
电动液压阀则通过控制液压油液的流动来实现道岔的上下半机械机构及导轨交叉的转换。
在实际使用中会遇到的问题主要有以下几种:1. 道岔无法切换:这可能是因为接点式继电器不能正常接通或断开而导致,通常可以通过检查信号源的电源电压和线圈是否受损来确定故障原因。
2. 道岔频繁切换:这可能是因为信号源或电动液压阀的电路出现异常,导致发生两种或多种信号交替出现,或者控制信号干扰导致道岔切换频繁。
针对这种情况,我们可通过检查电路的相互关系、信号干扰情况、信号源和阀门的工作状态等方面进行诊断。
3. 道岔无法回到原位:这可能是由于电动液压阀无法正常控制道岔上半部分和下半部分的操作机构,导致阀门控制液压油液的流动秩序出现异常。
此种情况通常需要检查电动液压阀的工作状态、电源电压是否正常、液压油液的流动是否受阻等方面来确定故障原因。
4. 道岔运转过程中出现异常噪声:这种情况通常是由于液压阀芯出现损伤、液压油液出现泡沫等原因所致。
可以通过检查液压油液的品质、液压阀芯是否正常、液压缸是否处于卡住或变形状态等方式来诊断此类故障。
三、结论综上所述,ZYJ7型液压道岔控制电路故障分析的关键在于认识其基本原理和检查分析方法。
只有明确掌握电路的关键部位,以及合理的检查分析流程,才能及时准确地识别电路故障并采取有效的维修措施,以保证铁路交通设施的稳定可靠性。
ZYJ7型液压道岔控制电路故障分析1. 引言1.1 背景介绍ZYJ7型液压道岔控制电路是铁路交通领域中常用的设备之一,用于控制道岔的切换和监控。
随着铁路交通运输的不断发展,道岔控制电路在保障铁路运行安全和效率方面发挥着重要作用。
在实际运行中,由于各种原因,道岔控制电路可能会出现各种故障,导致道岔无法正常工作或者发生危险情况。
对ZYJ7型液压道岔控制电路的故障进行深入分析和研究,可以帮助运营人员及时发现和解决问题,提高铁路运行的安全性和稳定性。
通过分析故障原因和制定相应的解决方案,可以减少故障对铁路交通运输带来的影响,提升设备的可靠性和可维护性。
本文旨在对ZYJ7型液压道岔控制电路的故障进行系统分析,以期为相关领域的研究和实践提供参考和借鉴。
通过本文的研究,我们可以更好地理解道岔控制电路的工作原理和故障处理方法,为铁路运输的安全和高效运行做出贡献。
1.2 研究目的本文的研究目的旨在对ZYJ7型液压道岔控制电路的故障进行深入分析,探讨其可能出现的故障现象、原因及解决方案,从而为相关领域的工程技术人员提供参考和借鉴。
通过本文的研究,不仅可以帮助工程技术人员更好地了解液压道岔控制电路的工作原理和故障处理方法,还能够提高设备的使用效率和安全性。
本文还将通过实验验证环节对故障解决方案进行验证,验证结果将为该类型道岔控制电路的故障处理提供实用参考。
通过本文的研究与分析,我们可以深入了解ZYJ7型液压道岔控制电路的特点和故障处理方法,为相关领域的工程技术人员提供有益的指导和建议,推动相关领域的技术发展和提升。
2. 正文2.1 ZYJ7型液压道岔控制电路概述ZYJ7型液压道岔控制电路是铁路交通系统中的重要部件,用于控制道岔的转向和锁闭。
该控制电路采用液压系统来实现道岔的操作,具有操作简单、响应速度快、可靠性高等优点。
在铁路交通系统中,道岔的正常运行对列车的安全和正常运行起着至关重要的作用。
ZYJ7型液压道岔控制电路主要包含控制器、液压泵站、液压缸等组成部件。
ZYJ7故障电路1. 简介ZYJ7故障电路是一种常见的保护电路,它可以对电气设备进行快速断路,从而保护电气设备免受电气故障的损害。
本文将详细介绍ZYJ7故障电路的工作原理、组成部分、应用范围和常见故障等内容。
2. 工作原理ZYJ7故障电路的工作原理基于旁路保护的思想。
当电气设备发生故障,电流的波形将发生明显变化,ZYJ7故障电路可以通过检测电流波形的变化,快速判断设备是否发生故障。
如果设备发生故障,电路将断路,从而防止电气设备受到进一步的损害。
3. 组成部分ZYJ7故障电路的主要组成部分包括电感、电容和继电器。
•电感:用于隔离电气设备和保护电路,可以防止电气设备短路或过载等故障对电路的影响。
•电容:用于存储电荷,可以帮助电路在故障发生时迅速断路,从而保护电气设备。
•继电器:通过控制电路的开关来实现故障检测和保护,当电气设备发生故障时,继电器会迅速切断电路,以保护电气设备免受进一步损害。
4. 应用范围ZYJ7故障电路广泛应用于各种电气设备的保护,例如发电机组、变压器、配电设备等。
它能够快速检测故障并迅速切断电路,从而避免电气设备遭受损害或造成人员伤害。
5. 常见故障ZYJ7故障电路的常见故障主要包括以下几种:•继电器故障:由于继电器内部零部件损坏或线路连接不良等原因,可能会导致继电器无法准确地检测故障或切断电路。
•回路断路:由于线路短路或开路等原因,可能会导致ZYJ7故障电路失效,无法保护电气设备。
•负载故障:由于电气负载过大或短路等原因,可能会导致ZYJ7故障电路失效或误判故障。
6.ZYJ7故障电路是一种常见的保护电路,它可以对电气设备进行快速断路,从而保护电气设备免受电气故障的损害。
本文介绍了ZYJ7故障电路的工作原理、组成部分、应用范围和常见故障等内容,希望能够对读者有所帮助。
ZYJ7型液压道岔控制电路故障分析1. 引言1.1 背景介绍液压道岔是铁路运输系统中重要的组成部分,它能够实现列车在道岔上的平稳转换和安全通行。
在现代铁路系统中,液压道岔的控制电路起着至关重要的作用,它能够实现对道岔的远程操控和监测。
随着铁路运输的发展和现代化进程的推进,液压道岔控制电路的功能和性能要求也不断提高。
对液压道岔控制电路的故障进行分析和研究,具有重要意义。
只有及时发现并解决控制电路的故障问题,才能确保液压道岔的正常运行,保障列车的安全运行。
本文将对ZYJ7型液压道岔控制电路的故障进行深入分析,通过对控制电路结构的分析、故障现象描述、故障原因分析、故障排除方法和改进建议的探讨,希望能为液压道岔控制电路的维护和优化提供参考和借鉴。
通过本文的研究,将更好地了解液压道岔控制电路的工作原理和故障处理方法,为铁路运输系统的安全和稳定运行做出贡献。
1.2 研究目的研究目的是为了深入分析ZYJ7型液压道岔控制电路的故障问题,探索故障原因及解决方法,提高道岔设备的稳定性和可靠性。
通过研究,我们希望能够找出液压道岔控制电路存在的问题,并提出有效的解决方案,进一步优化道岔设备的性能,减少故障发生的频率,提高设备的运行效率和安全性。
我们也希望通过此研究,为液压道岔控制电路的维护和管理提供更有效的参考,为相关领域的研究和发展提供有益的经验和启示。
通过本次研究,我们期望能够为道岔设备的维护和管理工作提供更多的技术支持和指导,为保障铁路运输安全和效率做出更大的贡献。
1.3 研究方法研究方法是本文的重要部分,主要包括以下几个步骤:1. 收集资料:我们将收集关于ZYJ7型液压道岔控制电路的相关资料,包括设备手册、技术文献、历史故障记录等。
通过系统化地整理和归纳这些资料,可以为后续的故障分析提供重要的参考依据。
2. 实地调查:我们将对液压道岔控制电路进行实地调查,了解其具体工作原理和结构特点。
通过观察和检测可以帮助我们更深入地理解电路的运行机制,为后续的故障分析奠定基础。
ZYJ7电液道岔故障处理电路分析摘要:ZYJ7型电液转辙机道岔故障处理是道岔故障分析与处理的难点,结合现场实际,简要总结分析ZYJ7型电液转辙机道岔控制电路,在如何快速判断ZYJ7电液道岔室内、室外电路故障方面提出见解。
ZYJ7电液道岔故障可细分为:1、启动电路故障。
2、表示电路故障。
3、联锁机驱动、采集故障。
4、道岔机械关键词:ZYJ7型;电液转辙机;故障处理一、启动电路学习1、继电器动作顺序:二:表示电路学习1)、定位表示线:X1(+)、X2(-)、X4(+);反位表示线:X1(-)、X3(+)、X5(-)。
2)道岔正常时在分线盘测量:a、道岔定位时:b、道岔反位时:X1、X2间交流60伏,直流21伏X1、X4间交流0伏,直流0伏X2、X4间交流60伏,直流21伏X1、X2间交流60伏,直流21伏X1、X4间交流0伏,直流0伏X2、X4间交流60伏,直流20伏3)表示电路分为:二极管电路和表示继电器电路。
a、道岔定位时:二极管电路由X1和X2构成,如下图(一)绿线所示;继电器电路由X1和X4构成,如下图(一)红线所示。
b、道岔反位时:二极管电路由X1和X3构成;如下图(二)红色线所示;继电器电路由X1和X5构成,如下图(二)绿色线所示:三、联锁机驱动、采集故障1、电路分析:1)SFJ↑(YCJ↑)和FCJ↑、DCJ↑电路:A、SFJ↑(YCJ↑)和FCJ↑、DCJ↑是联锁机驱动控制的,SFJ(ZPXC-1000)和YCJ(ZWXC-1700),在道岔控制电路中作用是一样的,只是联锁厂家不同,而不同的命名,SFJ (ZPXC-1000)是铁科厂家,例如现场联锁设备:TYJL-II,TYJL-III;YCJ(ZWXC-1700)是通号厂家,例如现场联锁设备:DS6-11、DS6-60。
B、查找SFJ(YCJ)、DCJ/FCJ不吸起时,要注意,铁科厂家SFJ、DCJ、FCJ,都是ZPXC-1000型继电器,联锁A、B机同时驱动(带有驱动模块)、采集。
0 引言随着朔黄铁路重载运输的开通,万吨列车的冲击对道岔转换系统提出了更高要求,道岔作为铁路线路联结和分歧的重要设备,是轨道中最薄弱的环节之一[1]。
目前,电液转辙机上道使用已有多种型号,使用广泛,最具代表性的为ZYJ7型电液转辙机,采用SH6型转换锁闭器外锁闭装置,朔黄铁路发展有限责任公司管内正线道岔大部分使用此型号电液转辙机,为了能够让维修人员掌握设备的性能,学会电路的分析能力,对设备维护及故障处理进行分析,以促进现场员工的实际应用。
1 ZYJ7液压道岔电路工作原理ZYJ7液压道岔电路见图1。
道岔分1、3闭合定位和2、4闭合定位,以1、3闭合定位举例说明。
1.1 定操反启动电路分析接通公式:A380→RD1→BDX11-21→1DQJ↑12-11→FX1→电缆盒1#→电机φ1。
B380→R D1→B D X31-41→1D Q J F↑12-11→2DQJ111-113→FX4→电缆盒4#→主机21→主机11-12→主机42→电机φ3。
C380→R D1→B D X51-61→1D Q J F↑22-21→2DQJ121-123→FX3→电缆盒3#→主机23→主机13-14→安全接点K1-K2→主机25→主机35→电机φ2。
电机转动→BHJ↑。
KZ→1DQJ1-2→BHJ↑32-31→1DQJ↑32-31→KF (1DQJ自闭)。
1.2 定位表示电路分析接通公式:DJZ220→RD2→BD1-7Ⅰ2→BD1-7Ⅰ1→DJF220。
直流通路:BD1-7Ⅱ4→R1000Ω→1DQJ缓放↓→2DQJ131-132→1DQJF↓→2DQJ111-112→FX2→主机ZYJ7液压道岔电路分析及故障维护处理吴海平:朔黄铁路发展有限责任公司肃宁分公司,助理工程师,河北 肃宁,062350摘 要:随着近几年的大中修改造,朔黄铁路正线基本使用电液转辙机道岔,其中ZYJ7液压道岔在朔黄铁路发展有限责任公司管内使用普遍居多。
ZYJ7型液压道岔控制电路故障分析摘要:道岔在铁路运输中起着重要的作用,而液压道岔控制电路作为道岔控制系统的核心部分,其稳定性和可靠性对铁路运输安全具有重要意义。
本文主要针对ZYJ7型液压道岔控制电路的故障进行分析,探讨其故障原因和解决方法,旨在提高液压道岔控制电路的可靠性和稳定性。
关键词:液压道岔控制;电路故障;分析一、引言液压道岔是铁路运输中常用的一种铺轨设备,其控制电路起着至关重要的作用。
在铁路运输中,液压道岔控制电路出现故障可能导致道岔无法正常切换或者误切,严重影响铁路运输的正常进行,甚至引发事故。
对于液压道岔控制电路的故障分析和解决具有重要意义。
二、故障现象描述ZYJ7型液压道岔控制电路在使用过程中,可能出现各种各样的故障现象,包括但不限于道岔无法切换、切换速度缓慢、切换方向错误等。
这些故障现象可能是由于控制电路中的元器件损坏、接触不良、电源故障等原因引起的。
三、故障原因分析1. 元器件损坏在液压道岔控制电路中,常见的元器件包括继电器、电磁阀、传感器等。
这些元器件在长时间的使用过程中可能会因为老化或者外部环境的影响而损坏,导致控制电路出现故障。
特别是在恶劣的环境条件下,比如高温、潮湿、有腐蚀性的气体等环境下,元器件的损坏可能更为严重。
2. 接触不良控制电路中大量的接插件和连接线束,存在接触不良的可能性。
当接插件或者连接线束出现松动或者腐蚀,就会导致信号传输不畅或者失效,从而影响到道岔的正常控制。
3. 电源故障控制电路的稳定工作需要有可靠的电源支持,如果电源出现问题,比如电压波动、电源线路短路等,都有可能导致控制电路工作异常。
四、故障解决方法1. 定期维护保养为了确保液压道岔控制电路的稳定工作,需要定期对控制电路进行维护保养,主要包括清洁、紧固、防腐蚀处理等工作。
这样可以延长元器件和连接器的使用寿命,降低故障发生的概率。
2. 故障检测和排除一旦液压道岔控制电路出现故障,需要及时进行故障排除。
故障案例一
现象:定位有表示向反位操不动,听到电动机有翁的一声,电动机不转,可确定为断相故障。
分析:因为表示电路定位时检查了电动机三个绕组,而且定位有表示,说明电机线圈是好的,
可排除分线盘至室外的X1、X4没有问题
查找:将2DQJ操回定位。
用电阻档在分线盘测X3、X4上阻值无穷大,故障出在分线盘至室外X3上,在ZYJ7道岔电缆盒端子3#、4#上测电阻值同样无穷大,结果是安全接点K接触不良,原因是K闭合时过头,将接点顶起所致。
故障案例二
现象:定位向反位操纵道岔,尖轨第一牵引点到位,外锁闭装置已将尖轨锁定,但是第二牵引点的SH6滞后没有到位就断电,电机停转。
分析:根据启动电路分析得知,这张现象不允许出现,必须在ZYJ7和SH6都转到位后才断电,这张故障可判断为续操电路故障。
查找:检查发现时ZYJ7的锁闭杆缺口,致使接点21-22没有接通,B相电源被切断,使SH6中途停转,调整好ZYJ7的表示缺口即可。
故障案例三
现象:道岔在定位无表示,测试ZYJ7道岔电缆盒内的端子2与端子1(即X2、X1)有交流70V、直流30V,测试端子2与端子4(即X2、X4)也有交流70V、直流30V。
分析:所测试的交流值比正常值打10V左右,直流值比正常值打8-9V,而且有直流电压可取得表示继电器与二极管并联的第二支路中正常,故障出在第一支路,经进一步分析,第一支路的各种出在带你如果在ZYJ7内部测端子2与端子4间将测不到电压,因此时端子2与端子4经表示继电器线圈沟通电位相等,各种范围可判断在道岔电缆盒只室内的
X4断线。
查找:用交流或直流电压档在ZYJ7电缆盒的端子2与端子4上向室内方向查找X4断线点。
故障案例四
现象:定位无表示,并能操到反位给出反位表示,操回定位,查定位无表示故障,测道岔电缆盒内的端子2与端子1(即X2、X1)间交流电110V,无直流。
分析:所测的交流电压110V是变压器次级电压,而且无直流电压可判断为第二支路开路
查找:用交流电压档测道岔电缆盒内的端子2与端子1间有110V,再测端子7与端子12间也有110V,可确定ZYJ7内无故障,到SH6再进行测,原因是SH6内35-36接触不良,将接点片调整好即可(二极管开路是同样现象)。
故障案例五
现象:道岔电机不能正常转到(刚启动就断电)。
分析:在分线盘均测得有瞬间380V交流电压,观察1DQJ 励磁后不能自闭,系DBQ不能工作,,故障在室内。
查找:经再次操道岔同时测DBJ1#、2#端,只有5V左右的直流,断电测1#、2#端电阻值170欧左右(正常值1550-1700欧),原因是DBQ坏。
故障案例六
现象:道岔定反位能正常操动,无定反位表示。
分析:定位时,测分享爱你跑X1与X2或X4与X2无直流,交流只有2V左右,在室内表示R上测电压为95V左右,BJ有2V左右,故障可判断是室外短路。
查找:在室外SH6盒内测1#、2#有电压,二极管两端无电压,判断是二极管击穿短路。
道岔启动电路故障
道岔启动电路故障,首先要判断是室内还是室外;定操反操不动是,在室内分线盘侧X1、X3、X4在操纵时是否有瞬间380V交流电压;无,是室内故障,观察各J的动作程序,然后做进一步查找;有瞬间电压故障点在室外,这时可在分线盘测(不操道岔时)X1、X3、X4两线的电阻,正常时测电机单线线圈电阻≤54欧,X1与X3、X1与X4均为110欧那么两线间回线电阻为130欧左右,如任一两线侧电阻无穷大表示回路开路,到室外进一步查找。
道岔启动电路故障比较简单,在表示电路就已经检查了电机的三个绕组,这里就不再一一举例,X1始终是启动电路的公共线,排查故障时,找准参照点进行测试分析,问题就迎刃而解了。
提速道岔上用的三相异步电动机采取改变定子的电流相序,就可以改变励磁转的方向,从而达到电机反转的目的,因此,提速道岔电源屏的三相电源相序是不得随意换相的。