ZYJ7电路图
- 格式:doc
- 大小:105.00 KB
- 文档页数:1
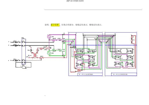
.说明:表示电路 :红线公用部分,绿线定位表示,紫线反位表示。
4X 551010113 88FBJ77 13zDBQ11DQJF2 DQJ122 4969 631RD3251 612121X 331111R 2C1232121225 AX 2 11RD22B5 A 31 41DJZ123451 DQJ 1311332132 1 2 DQJ 11241312111 413121110.5A RD 4R12 DQJ1DQJF 111113423423222 1242322212DBJX 4BD 1-7 ⅠⅡ 1 4333 2313 433323 131DQJX 1DJF2 : 111RD111 211 4443424 14443424142A5 AK2 K1154535251245 35 25 151 BHJ44636 261646362616321第一牵引点电液转辙机第二牵引点变换锁闭器说明:启动电路 :红线公用部分,绿线为反位向定位变换,紫线为定位向反位变换4X 551010138 8FBJ713DBQ711 DQJF2DQJ122 49 6691 RD3 251 612121X 3 31111C123212125 AX 211 RD 22B5 A31 41DJZ123451 DQJ13113322DQJ132 12DQJ112413121114131210.5 A RD4R 11 DQJF41111132342322212423222DBJBD 1 - 7 ⅠⅡ1X 4 433323134333231 DQJX 1DJF12 : 14144342414443424RD111 211 2AK 2 K 15 A45 35 251245 35 25 15BHJ46 36261646362614321第一牵引点电液转辙机 第二牵引点变换锁闭器1 z3 R 22111213141516故障现象 测试地方 沟通 直流1-4 线圈 107V 0V R2开路X1-X4 3V 0VX1-X2 110V 0VCAJDCJ04-9X1-X2 30V 0V1DQJF26二极管 Z 短路1-4 线圈 30V 0VCA2DQJ KZR180V0V KZKF43H3KF-ZDJKF141R2 30V 0V 2CA 05-9 SJ01-32DQJ21DQJFKF-ZFJKF DBJ/FBJ 1-4 线圈 73V 38V KZ1KZ1-4线圈开路R2-Z 66V 38V 681DQJ41604-10X1-X2 78V 38VV 线圈 3CAJFCJR2-Z 78V 38V41DQJF开路BHJ1-4 线圈 0V 0V14KZ123X1-X2 110V 0VW 线圈TJTJX1-X4 110V 0V KZ开路3141-4 线圈0V0VKZ13s表示接110V/0V 0V接点间1DQJ点不通KF3电机线 不影响圈短路表示测试地方 沟通 直流 X1X4+ X2- 55-60V21-22V X1X5- X3+DBJ/FBJ 的 55-60V21-22V1-4 线圈R150-55V20-21V BD1-7 1-2 220V BD1-7 3-4 110V变换锁闭器55~60V21-22V的 HZ24 1-2。
ZYJ7转辙机电路分析及故障处理1.ZYJ7转辙机简介2.ZYJ7电路原理3.ZYJ7故障处理信号一分部广佛正线ZYJ7转辙机简介.ZY(J)7 型电动液压转辙机结构主要分:动力机构、转换和锁闭机构、锁闭表示机构等组成。
(广佛线用ZYJ7是单机牵引的内锁闭装置)(1)动力机构即电机、油泵组,作用是将电能变为液压能,主要由油箱盖组、左、右溢流板组、连轴器、油泵支架、电机、惯性轮组、安装底板、油箱磁钢组、油泵、油泵回油管(润滑油)组、溢流回油管组等组成。
AC三相380V电机通过连轴器带动油泵顺时针或逆时针旋转,分别由上、下两侧高压油口输出油液。
油通过门字型左、右油管,分别与空动缸两侧相连,分别给空动缸、主付机油缸。
(2)转换锁闭机构作用是转换并锁闭动作杆在定位或反位位置。
动作杆锁闭后能承受100KN的轴向锁闭力,它主要由油缸、动作杆组、锁闭铁等零件组成。
液压油带动油缸向左或向右动作,带动动作杆左右移动。
油缸上推板将动作杆锁在定或反位位置。
(3)表示锁闭机构正确反应尖轨位置,锁闭杆锁闭后,能承受30KN以上的轴向力。
主要包括接点组、锁(表示杆)闭杆等零部件。
(4)手动安全机构作用是手摇电机扳动道岔时,可靠切断启动电源后,才能够插入手摇把。
且非经人工恢复,不能接通电机启动电源。
(由于ZYJ7是采用液体传动,故受温度变化影响大,温度上升,粘度下降,可能导致泄露)(5) 油路系统工作原理本系统为闭式系统,当电机带油泵逆时针旋转时,油泵从油缸右侧腔吸入油,泵出的油使油缸左腔体积膨胀,油缸(主、付)向左侧移动。
当油缸到位停止动作时,接点系统断开启动电源,接通新的表示电路。
当因故不能到位时,泵从油箱经右边单向阀吸入油,泵出的油经左侧的滤油器和溢流阀回到油箱。
二.ZYJ7电路原理ZYJ7采用交流电的三项新三线电机,标准工作电压为380V,采用6线控制电路。
1.ZYJ7室外电路分析a.右位锁闭状态表示电路示意图右位锁闭状态时,POM4板上R1和R2亮灯。
ZYJ-7提速道岔电路简图及故障判断ZYJ-7提速道岔表示电路简图
常见故障分析与判断方法
ZYJ7提速道岔电路故障:(一般先处理机械故障再查表示电路故障,最后查启动电路故障)(1)在控制台判断出是表示电路故障还是启动电路故障,必须结合动作电流(2A左右)和动作时间(7.5秒)进行判断;
(2)到提速道岔组合架找出故障道岔组合,在侧面端子测试有关电压值;
(3)根据下列故障数据表,进一步查找处理(如判断出是室外故障还必须到分线盘测试确认)。
ZYJ-7表示电路故障参考数据:
ZYJ-7启动电路故障参考数据:。
跟我学ZYJ7启动电路下图示为ZYJ7液压转辙机牵引的单动道岔电路图。
我们以6502电气集中车站,11#道岔从反位向定位扳动为例说明。
(图一)一、辅助控制继电器TJ和BHJ。
1、TJ(时间继电器):平时↓;从1DQ J↑开始计时,13S后↑。
2、BHJ(保护继电器):平时↓;当三相电机得到三相电源正常工作时BH J↑。
二、直接控制用继电器1DQJ、1DQJF和2DQJ1、1DQJ,平时↓;单操时按压ZDA和CA后1DQ J↑;排列经由11#的进路时DCJ/FCJ↑→1DQJ↑。
2、1DQJF,平时↓;1DQJ↑(TJ↓)→1DQJF↑。
3、2DQJ,道岔在定位时111、121接通,继电器在定位吸起状态。
道岔在反位时,111、131接通,继电器在反位打落状态。
三、继电器动作程序(反→定)1DQJ↑→1DQJF↑→2DQJ♂(转极)→电机得到三相电源正常工作→BHJ↑(TJ↓条件)→1DQJ↑自闭、1DQJF保持吸起,电机转动。
若:(1)、电机带动道岔转换到位,则由自动开闭器节断电机动作电路,使BHJ ↓→1DQJ→1DQJF。
(2)、道岔转换不到位,那么自1DQJ↑13秒后TJ↑,由TJ同时切断1DQJ 和1DQJF电路。
使其失磁落下,从而保护电机。
假若1DQJF11-12断,则电机得不到三相电源,而BHJ也不会↑,进而1DQJ就不能够自闭,1DQJ只能经其本身缓放后↓→1DQJ F↓,切断电机动作电路,保护电机不烧毁。
另外,在处理道岔断相故障时,即使排列一条经由11#定位的进路或是要人配合常按ZDA和CA(由于1DQJ↑→2DQJ转极),也不能使1DQJ保持↑(因为,单操AJ接的是条件电源KF-ZFJ电源;再者,1DQJ↑13S后TJ↑也会切断1DQJ励磁电路。
)那么,1DQJ只能靠自身缓放后1DQJ↓、1DQJF ↓,切断电机电路。
若查1DQJ不吸起(不自闭)、2DQJ不转极故障时可找人常按ZDA和CA 或排列一条经由11#道岔定位的进路然后查找。
ZY(J)系列电动液压转辙机机内配线原理图
ZY(J)4、ZY(J)6及ZY(J)6F型电液转辙机无特殊要求时不佩带机内配线,ZY(J)7系列电液转辙机在出厂时已佩带机内配线,机内端子除连接电机的5柱端子外,其余端子全部直接引出至电缆盒。
现将ZYJ7系列电液转辙机的常用的机内配线列出如下:
图33 单点牵引转辙机加密贴检查器机内配线原理图
图34 两点牵引转辙机机内配线原理图
图35 两点牵引转辙机加密贴检查器机内配线原理图
图36 三点牵引转辙机机内配线原理图
图37 三点牵引转辙机加密贴检查器机内配线原理图。