ZYJ7+SH6道岔电路图
- 格式:dwg
- 大小:95.34 KB
- 文档页数:1
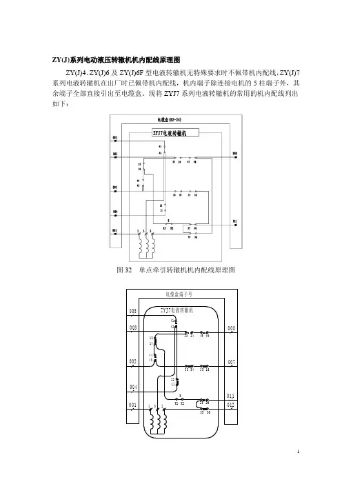
ZY(J)系列电动液压转辙机机内配线原理图
ZY(J)4、ZY(J)6及ZY(J)6F型电液转辙机无特殊要求时不佩带机内配线,ZY(J)7系列电液转辙机在出厂时已佩带机内配线,机内端子除连接电机的5柱端子外,其余端子全部直接引出至电缆盒。
现将ZYJ7系列电液转辙机的常用的机内配线列出如下:
图33 单点牵引转辙机加密贴检查器机内配线原理图
图34 两点牵引转辙机机内配线原理图
图35 两点牵引转辙机加密贴检查器机内配线原理图
图36 三点牵引转辙机机内配线原理图
图37 三点牵引转辙机加密贴检查器机内配线原理图。
ZYJ7型液压道岔电路控制原理分析摘要:ZYJ7型液压道岔以其机械结构简单,部署灵活,空间要求较低的特点,在轨道交通线路中使用比较广泛。
本文论述了ZYJ7液压道岔的表示电路、启动电路、续动电路的控制原理。
关键词:轨道交通;ZYJ7;液压道岔;控制原理。
1序言ZYJ7型液压道岔的转换装置包括ZYJ7型液压转辙机和SH6型转换锁闭器,其中ZYJ7型液压转辙机利用电动机驱动、液压传动方式来驱动主副机运转。
该型转换装置取消了齿轮传动和减速器,机械结构简化,采用铝合金壳体,整机重量轻,机械强度高,机械方面的维修工作量大大减少。
同时,该型转辙机的转换力矩较大,溢流压力受气候温度影响小,易于调整控制。
2ZYJ7型液压道岔转换过程ZYJ7型液压道岔的转换过程包括解锁、转换、锁闭、缓放四个阶段。
1)解锁阶段道岔从静止状态启动,其电机将产生较大的启动电流,泵出高压油,推动油缸活塞,带动推板移动。
推板移动25mm后,推板锁闭面与锁块锁闭面完全分离,道岔进入转换阶段。
2)转换阶段本阶段推板带动伸出锁块、销轴和动作杆移动,动作杆再带动拉入锁块离开锁闭铁的拉入锁闭面,使其移动。
拉入锁块动作面跟随推板拉入动作面,道岔进入转换状态。
3)锁闭阶段当推板持续移动至伸出锁块锁闭面与锁闭铁伸出锁闭面接触后,推板继续移动25mm,伸出锁块锁闭面与锁闭铁伸出锁闭面完全密贴吻合,转辙机进入锁闭状态。
4)缓放阶段自动开闭器动接点转换到位后,切断动作电路,BHJ落下,切断1DQJ自闭回路进入缓放状态。
同时,由于转辙机的开闭器接点已接通了表示回路,而1DQJ还处于缓放过程中,A、C相或A、B相的380V的电源依然能通过表示回路构成回路,形成约0.5 A左右的“小台阶”电流,直至1DQJ落下,完成全部操岔过程。
3ZYJ7型液压道岔表示电路分析道岔表示继电器采用JPXC-1000型偏极继电器,以自动开闭器 1、3 排接点闭合为例,五线制ZYJ7型液压道岔定位表示电路及电流路径如下图所示:图1.ZYJ7型液压道岔定位表示电路正负半周电流径路示意图如上图所示,当道岔处于定位时,表示电流的正负半周分别流经不同径路保持表示继电器吸起。
ZY(J)系列电动液压转辙机机内配线原理图
ZY(J)4、ZY(J)6及ZY(J)6F型电液转辙机无特殊要求时不佩带机内配线,ZY(J)7系列电液转辙机在出厂时已佩带机内配线,机内端子除连接电机的5柱端子外,其余端子全部直接引出至电缆盒。
现将ZYJ7系列电液转辙机的常用的机内配线列出如下:
图33 单点牵引转辙机加密贴检查器机内配线原理图
图34 两点牵引转辙机机内配线原理图
图35 两点牵引转辙机加密贴检查器机内配线原理图
图36 三点牵引转辙机机内配线原理图
图37 三点牵引转辙机加密贴检查器机内配线原理图。
ZYJ-7提速道岔电路简图及故障判断ZYJ-7提速道岔表示电路简图
常见故障分析与判断方法
ZYJ7提速道岔电路故障:(一般先处理机械故障再查表示电路故障,最后查启动电路故障)(1)在控制台判断出是表示电路故障还是启动电路故障,必须结合动作电流(2A左右)和动作时间(7.5秒)进行判断;
(2)到提速道岔组合架找出故障道岔组合,在侧面端子测试有关电压值;
(3)根据下列故障数据表,进一步查找处理(如判断出是室外故障还必须到分线盘测试确认)。
ZYJ-7表示电路故障参考数据:
ZYJ-7启动电路故障参考数据:。
ZYJ7型转向器(带SH6转换锁闭器)及控
制电路
概述
ZYJ7型转向器是一种用于控制电机转向的设备,它配备了
SH6转换锁闭器以确保转向过程的安全性。
本文档介绍了ZYJ7型
转向器及其控制电路的主要特点和使用方法。
特点
- ZYJ7型转向器具有稳定、可靠的性能,能够准确控制电机的
转向。
- 配备了SH6转换锁闭器,可防止转向过程中的意外转换。
- 采用先进的电路设计,具有过流、过压保护功能,能有效延
长设备寿命。
- 外壳采用防尘、防水设计,适用于各种恶劣环境条件。
使用方法
1. 将ZYJ7型转向器正确安装在电机控制系统中,确保连接正
确可靠。
2. 根据实际需要,调整转向器的参数和设置,以满足转向要求。
3. 针对具体的转向操作,使用控制电路进行操作控制。
4. 在转向过程中,及时观察转向器和转换锁闭器的工作状态,
确保安全可靠。
5. 定期检查转向器及控制电路的工作状态,如发现异常情况及
时处理或维修。
注意事项
- 在进行任何维修和维护操作前,务必切断电源,并按照操作
手册的规定进行。
- 严禁将ZYJ7型转向器用于超出其额定使用条件范围的应用。
- 在使用过程中,严禁随意更改转向器和控制电路的配置和连
接方式。
- 如有任何疑问或故障,应及时联系专业技术人员进行解决。
以上是对ZYJ7型转向器(带SH6转换锁闭器)及控制电路的简
要介绍。
详细的产品信息和操作细节,请参考相关的技术文档和用
户手册。
说明:表示电路:红线公用局部,绿线定位表示,紫线反位表示。
C 1RD32DBQ51614X 5FBJ11DQJF 2 DQJ1222121X 31235432101398761112101813z763911R 2122B5 A1RD22X 215 A1RD12314111 21DJZ1 DQJ13120.5A RD 4R1 2 DQJ23BD 1-7ⅠⅡ1DQJDJF411 2:11331321 2 DQJ11241DQJF111113DBJ1X 4X 1123454142434431213222332334241112131441312111423222124333231344342414A5 A1 2BHJ 14454631K2K13525153626162第一牵引点电液转辙机4535251546362616第二牵引点变换锁闭器说明:启动电路 :红线公用局部,绿线为反位向定位变换,紫线为定位向反位变换1RD32C5 A 1RD22B5 AA1RD12DBQ51 6131 4111 21DJZ1 DQJ13122DQJ0.5 ARD 4R 123BD 1-7 ⅠⅡ 1 DQJDJF12 : 1414X 5FBJ11 DQJF2 DQJ1222121X 3123X 21331321 2 DQJ1124 1 DQJF 111113DBJX 4 1X 1543 2 1 12 3454142434410 1393121322233233424108813776691111 121211 41 31 21124232 22 13 43 33 23144434241 z3 R 22111213145 A1 2 BHJ 14454631K 2K 135 25 4535 25153626463626162第一牵引点电液转辙机 第二牵引点变换锁闭器1516KZCAKFH141 2CA 05-9 SJ01-32DQJKZ6831DQJ4BHJ123 KZCAJ DCJ 04-91DQJF2642DQJ3KZ3KF-ZDJ KF121DQJF KZ KF-ZFJ KF404-10161DQJFCAJ FCJ14KZTJ TJ314KZ13s1DQJKF3故障现象测试地方交流直流1-4 线圈107V0VR2开路X1-X43V0VX1-X2110V0VX1-X230V0V二极管 Z 短路1-4 线圈30V0VR180V0VR230V0VDBJ/FBJ1-4 线圈73V38V1-4线圈开路R2-Z66V38VV 线圈X1-X278V38VR2-Z78V38V开路1-4 线圈0V0VW 线圈X1-X2110V0VX1-X4110V0V开路1-4 线圈0V0V表示接接点间110V/0V0V点不通电机线不影响圈短路表示测试地方交流直流X1X4+ X2-55-60V21-22VX1X5- X3+DBJ/FBJ 的55-60V21-22V1-4 线圈R150-55V20-21VBD1-71-2220VBD1-73-4110V变换锁闭器55~60V21-22V的 HZ24 1-2。