三菱PLC台达伺服实例
- 格式:docx
- 大小:30.01 KB
- 文档页数:2
X1Y0脉冲输出Y1正转/反转Y 脉冲清除4DOP-A 人机ASDA 伺服驱动器【控制要求】● 由台达PLC 和台达伺服,台达人机组成一个简单的定位控制演示系统。
通过PLC 发送脉冲控制伺服,实现原点回归、相对定位和绝对定位功能的演示。
● 下面是台达DOP-A 人机监控画面:原点回归演示画面相对定位演示画面绝对定位演示画面【元件说明】【PLC 与伺服驱动器硬件接线图】台达伺服驱动器码器DO_COMSRDY ZSPD TPOS ALAM HOME【ASD-A伺服驱动器参数必要设置】当出现伺服因参数设置错乱而导致不能正常运行时,可先设置P2-08=10(回归出厂值),重新上电后再按照上表进行参数设置。
【控制程序】M1002MOVK200D1343Y7Y10Y11M20M21M22M23M24M1334Y12M1346M11X0X1X3X4X5X6X7M12M13设置加减速时间为 200msY6M10伺服启动伺服异常复位M0M1M2M3M4M1029DZRN DDRVI DDRVI DDRVA DDRVA ZRSTK10000K100000K-100000K400000K-50000K5000K20000K20000K200000K200000X2Y0Y0Y0Y0Y0Y1Y1Y1Y1M1M0M0M0M0M2M2M1M1M1M3M3M3M2M2M4M4M4M4M3M0M4原点回归正转圈10跑到绝对坐标,处400000跑到绝对坐标,处-50000定位完成后自动关闭定位指令执行伺服计数寄存器清零使能反转圈10伺服电机正转禁止伺服电机反转禁止PLC 暂停输出脉冲伺服紧急停止伺服启动准备完毕伺服启动零速度检出伺服原点回归完成伺服定位完成伺服异常报警【程序说明】●当伺服上电之后,如无警报信号,X3=ON,此时,按下伺服启动开关后,M10=ON,伺服启动。
●按下原点回归开关时,M0=ON,伺服执行原点回归动作,当DOG信号X2由Off→On变化时,伺服以5KHZ的寸动速度回归原点,当DOG信号由On→Off变化时,伺服电机立即停止运转,回归原点完成。
PLC控制伺服电机应用实例本文介绍了PLC控制伺服电机的应用实例,包括组成整个系统的PLC模块及外围器件,并附带相关程序。
其中以松下FP1系列PLC和A4系列伺服驱动为例,编制控制伺服电机定长正、反旋转的PLC程序并设计外围接线图。
在PLC程序中设定伺服电机旋转速度,单位为rpm,且设伺服电机设定为1000个脉冲转一圈。
根据机械条件,综合考虑精度与速度要求设定好伺服电机的电子齿轮比,以保证所需的定位精度。
最终实现控制的方法是应用PLC的相应脉冲指令发出脉冲。
Pr48、Pr4A、Pr4B是电子齿轮比的重要参数,用于控制伺服电机的运转速度和行走长度。
公式为:伺服电机每转一圈所需的脉冲数=编码器分辨率×Pr4B/(Pr48 ×2^Pr4A)。
如果所配编码器为2500p/r 5线制增量式编码器,则编码器分辨率为p/r。
若要控制器发送一个脉冲伺服电机行走长度为0.01mm,则伺服电机转一圈需要2000个脉冲。
三个参数可以设定为:Pr4A=0,Pr48=100,Pr4B=20.设定这三个参数需要考虑控制器的最大发送脉冲频率和工艺所要求的精度,工艺精度越高,则伺服电机能达到的最大速度越低。
松下FP1-40 T型PLC的程序梯型图如下:S7-200 PLC在数字伺服电机控制中的应用。
首先需要了解PLC如何控制伺服电机。
本应用实例选择的是位置控制模式,采用差动驱动方式的脉冲输入回路,方便实现对两部电机的控制。
PLC与伺服放大器的接线图如下:L+为公共PLC端子,接24VDC正端,通过控制内部晶体管的开关使得输出Q呈现不同的电平信号或发出脉冲信号。
L+一PG—P lM—L+为脉冲输入回路,PLC控制该回路中的发光二极管的亮灭,形成脉冲编码输入。
L+一NG—NP一1M—L+为电机旋转方向控制回路,当该回路的发光二极管点亮时,电机正转,否则反转。
为防止电流过大烧坏内部的发光二极管,需要外接电阻R,其阻值的计算如下:根据公式(1),可以选择R=3.9KO。
PLC通讯控制伺服电机src=/forum/pic/837305_1.GIF >RS、MODRD/MODWR/MODRW、CVFD的比较:1. RS---串行数据传输:█此指令是专为主机使用RS-485串联通讯接口所提供的便利指令。
在程序中可以无限使用RS指令,但不可同一时间执行两个以上的RS指令。
█接口设备(变频器,温度控制器…)如果配备RS-485串行通讯,并且该设备的通讯格式也有公开就可以由PLC的使用者以RS指令设计程序来传输PLC与接口设备的数据。
█此指令的优点是:可以读取或者写入任何通讯格式的外围接口设备(变频器,温度控制器…); (2)可以读/写位装置;█此指令的缺点是:(1) 该指令不能对接口设备的参数地址直接作用,必须先将欲读取/写入的数据内容(头码,装置地址,功能码,数据地址,个数/数据内容,校验码,尾码)写入到寄存器中,然后才能够读取/写入。
(2)只能通过RS-485来监控外围接口设备。
2.MODRD---MODBUS数据读取█ MODRD指令是专门针对MODBUS ASCII模式/RTU模式的通讯外围设备专用的驱动指令。
█如果你要以通讯方式读取接口设备(变频器,温度控制器…)的某一参数,并且该接口设备通讯格式符合MODBUS的通讯格式,建议使用MODRD指令,因为这个指令相对RS指令要方便。
█此指令的优点是:(1)操作数简易,可以直接对参数地址进行操作。
当欲读取外围接口设备的某一参数时,只要填写外围接口设备的装置地址、欲读取数据的地址,读取的笔数(WORD); (2)如果是ASCII形式,PLC能够将读取到的ASCII数据转化为十进制或十六进制数值存放到D1050~D1055。
█此指令的缺点是:(1) 只能读取符合MODBUS通讯格式的接口设备; (2)不能读取位装置;(3)最多只能读取6笔(6个word)数据。
3.MODWR---MODBUS数据写入█MODRD指令是专门针对MODBUS ASCII模式/RTU模式的通讯外围设备专用的驱动指令。
一、训练内容使用57一226 PLC和M M440变频器联机,实现电动机三段速频率运转控制。
要求按下按钮SB1,电动机启动并运行在第一段,频率为15Hz;延时18s后电动机反向运行在第二段,频率为30 Hz;再延时20s后电动机正向运行在第三段,频率为SOHzo当按下停止按钮TB1,电动机停止运行。
二、训练工具、材料和设备S7 -226 PLC , MM440变频器各一台、控制按钮及BVR一1. 5 mm导线若干、万用表、兆欧表各一台、通用电工工具一套等。
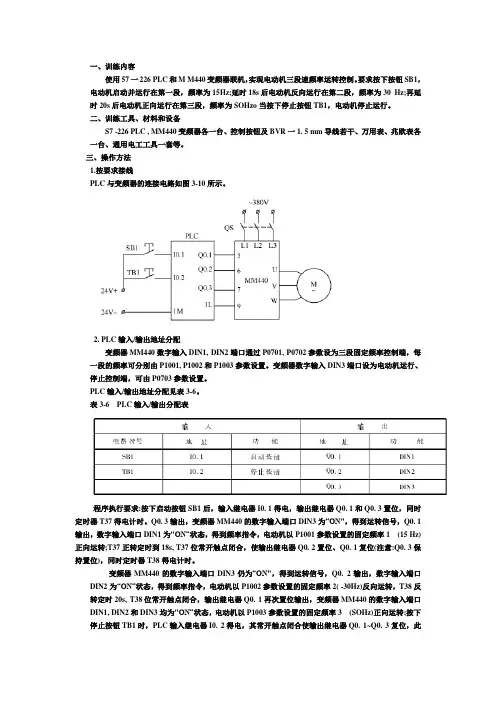
三、操作方法1.按要求接线PLC与变频器的连接电路如图3-10所示。
2. PLC输入/输出地址分配变频器MM440数字输入DIN1, DIN2端口通过P0701, P0702参数设为三段固定频率控制端,每一段的频率可分别由P1001, P1002和P1003参数设置。
变频器数字输入DIN3端口设为电动机运行、停止控制端,可由P0703参数设置。
PLC输入/输出地址分配见表3-6。
表3-6 PLC输入/输出分配表程序执行要求:按下启动按钮SB1后,输入继电器I0. 1得电,输出继电器Q0. 1和Q0. 3置位,同时定时器T37得电计时。
Q0. 3输出,变频器MM440的数字输入端口DIN3为“ON",得到运转信号,Q0. 1输出,数字输入端口DIN1为"ON”状态,得到频率指令,电动机以P1001参数设置的固定频率1 (15 Hz)正向运转;T37正转定时到18s, T37位常开触点闭合,使输出继电器Q0. 2置位、Q0. 1复位(注意:Q0. 3保持置位),同时定时器T38得电计时。
变频器MM440的数字输入端口DIN3仍为“ON",得到运转信号,Q0. 2输出,数字输入端口DIN2为“ON”状态,得到频率指令,电动机以P1002参数设置的固定频率2( -30Hz)反向运转,T38反转定时20s, T38位常开触点闭合,输出继电器Q0. 1再次置位输出,变频器MM440的数字输入端口DIN1, DIN2和DIN3均为"ON”状态,电动机以P1003参数设置的固定频率3 (SOHz)正向运转;按下停止按钮TB1时,PLC输入继电器I0. 2得电,其常开触点闭合使输出继电器Q0. 1~Q0. 3复位,此时变频器MM440的数字输入端口DIN1, DIN2和DIN3均为“OFF”状态,电动机停止运转。
PLC控制伺服电机实例分析PLC控制伺服电机是工业自动化领域中常见的一种应用,通过PLC控制器来实现对伺服电机的精准控制,使得生产线的运作更加高效和稳定。
在本文中,将以一个实际的应用案例来介绍PLC控制伺服电机的工作原理和实现过程。
一、系统结构本系统采用的是西门子PLC控制器和西门子伺服电机,系统主要由PLC控制器、伺服驱动器和伺服电机组成。
PLC控制器负责接收外部信号,进行逻辑控制,并向伺服驱动器发送控制指令,伺服驱动器则接收这些指令并控制伺服电机的运动。
二、PLC编程在PLC编程中,需要定义输入输出引脚、变量和逻辑控制程序。
首先需要定义输入引脚,用于接收外部传感器信号,比如光电传感器、开关等;然后定义输出引脚,用于控制伺服驱动器,实现对伺服电机的启停和速度调节;接着定义一些变量,用于存储中间状态和控制参数;最后编写逻辑控制程序,根据输入信号和变量状态来控制伺服电机的运动。
三、伺服电机控制伺服电机的控制主要包括位置控制、速度控制和力矩控制。
在PLC编程中,可以通过设定目标位置、目标速度和目标力矩来实现对伺服电机的控制。
通过调节PID控制器的参数,可以实现对伺服电机的精准控制。
四、系统调试在系统调试中,需要先进行参数设置和校准,确保伺服电机的运动符合预期。
然后通过PLC编程调试工具,监控伺服电机的运动状态和控制指令,发现问题并及时修复。
最后对整个系统进行测试,验证其性能和稳定性。
综上所述,PLC控制伺服电机是一种高效、稳定的控制方式,适用于各种需要精准位置和速度控制的场合。
通过合理的PLC编程和参数设置,可以实现对伺服电机的精确控制,提高生产效率和品质。
在实际应用中,需要根据具体情况进行调整和优化,确保系统的稳定性和可靠性。
PLC控制伺服电机应用实例,写出组成整个系统的PLC模块及外围器件,并附相关程序。
PLC品牌不限。
以松下FP1系列PLC和A4系列伺服驱动为例,编制控制伺服电机定长正、反旋转的PLC程序并设计外围接线图,此方案不采用松下的位置控制模块FPG--PP11\12\21\22等,而是用晶体管输出式的PLC,让其特定输出点给出位置指令脉冲串,直接发送到伺服输入端,此时松下A4伺服工作在位置模式。
在PLC程序中设定伺服电机旋转速度,单位为(rpm),设伺服电机设定为1000个脉冲转一圈。
PLC输出脉冲频率=(速度设定值/6)*100(HZ)。
假设该伺服系统的驱动直线定位精度为±0.1mm,伺服电机每转一圈滚珠丝杠副移动10mm,伺服电机转一圈需要的脉冲数为1000,故该系统的脉冲当量或者说驱动分辨率为0.01mm(一个丝);PLC输出脉冲数=长度设定值*10。
以上的结论是在伺服电机参数设定完的基础上得出的。
也就是说,在计算PLC发出脉冲频率与脉冲前,先根据机械条件,综合考虑精度与速度要求设定好伺服电机的电子齿轮比!大致过程如下:机械机构确定后,伺服电机转动一圈的行走长度已经固定(如上面所说的10mm),设计要求的定位精度为0.1mm(10个丝)。
为了保证此精度,一般情况下是让一个脉冲的行走长度低于0.1mm,如设定一个脉冲的行走长度为如上所述的0.01mm,于是电机转一圈所需要脉冲数即为1000个脉冲。
此种设定当电机速度要求为1200转/分时,PLC应该发出的脉冲频率为20K。
松下FP1---40T 的PLC的CPU本体可以发脉冲频率为50KHz,完全可以满足要求。
如果电机转动一圈为100mm,设定一个脉冲行走仍然是0.01mm,电机转一圈所需要脉冲数即为10000个脉冲,电机速度为1200转时所需要脉冲频率就是200K。
PLC的CPU输出点工作频率就不够了。
需要位置控制专用模块等方式。
有了以上频率与脉冲数的算法就只需应用PLC的相应脉冲指令发出脉冲即可实现控制了。
台达PLC通讯控制伺服教程台达PLC(可编程逻辑控制器)是一种常用的自动控制设备,用于工业生产中的机器和设备控制。
PLC通讯控制伺服是一种常见的控制方案,它结合了PLC和伺服驱动器,实现对伺服系统的精确控制。
下面将从PLC 与伺服的基础知识、PLC通讯控制伺服的优势、PLC通讯控制伺服的流程等几个方面,介绍台达PLC通讯控制伺服的教程。
首先,需要了解PLC与伺服的基础知识。
PLC是一种以电子数字运算为基础,可编程存储器为控制内核,外围设有各种电气接口装置,专门用于工业自动控制的电子设备。
而伺服是一种精密的电机控制系统,通过伺服驱动器将输入指令转化为特定的电流、电压或脉冲信号,控制伺服电机转动,从而实现自动控制。
接下来,我们来介绍PLC通讯控制伺服的优势。
PLC通讯控制伺服可以实现高精度的位置、速度和力控制,对于需要精确控制的工业自动化设备非常重要。
另外,PLC具有较高的可编程性和灵活性,可以根据不同的控制需求进行编程,适用于各种复杂的控制应用。
此外,PLC还可以与其他设备进行通讯,实现数据共享和协同控制,提高生产效率和灵活性。
然后,我们来介绍PLC通讯控制伺服的流程。
首先,需要在PLC中设置与伺服驱动器的通讯参数,包括通讯协议、通讯地址等。
然后,编写PLC程序,实现对伺服驱动器的控制指令,包括位置控制、速度控制、力控制等。
在编写程序时需要考虑到伺服系统的特性和控制要求,以确保控制效果的准确和稳定。
接下来,运行PLC程序,与伺服驱动器建立通讯连接,发送控制指令,实现对伺服系统的控制。
在控制过程中,可以通过监控和调试功能对控制效果进行实时监测和调整,以达到预期的控制效果。
最后,需要注意的是,在实施PLC通讯控制伺服之前,需要充分了解伺服系统的技术规格和控制要求,选择适合的PLC和伺服驱动器,并进行相关的参数设置和通讯配置。
此外,在编写PLC程序时,需要考虑到系统的稳定性和可靠性,尽量避免因程序错误而导致设备故障或生产事故。
分享3个台达PLC控制伺服项目接线及程序案例台达 ASDA 伺服定位演示系统控制要求1、由台达PLC 和台达伺服组成一个简单的定位控制演示系统。
通过PLC 发送脉冲控制伺服,实现原点回归、相对定位和绝对定位功能的演示。
2、z 监控画面:原点回归、相对定位、绝对定位。
元件说明ASD-A 伺服驱动器参数必要设置当出现伺服因参数设置错乱而导致不能正常运行时,可先设置P2-08=10(回归出厂值),重新上电后再按照上表进行参数设置。
PLC 与伺服驱动器硬件接线图控制程序程序说明当伺服上电之后,如无警报信号,X3=On,此时,按下伺服启动开关,M10=On,伺服启动。
按下原点回归开关时,M0=On,伺服执行原点回归动作,当DOG 信号 X2 由Off→On 变化时,伺服以 5KHZ 的寸动速度回归原点,当 DOG 信号由On→Off 变化时,伺服电机立即停止运转,回归原点完成。
按下正转10 圈开关,M1=On,伺服电机执行相对定位动作,伺服电机正方向旋转 10 圈后停止运转。
按下正转10 圈开关,M2=On,伺服电机执行相对定位动作,伺服电机反方向旋转 10 圈后停止运转。
按下坐标 400000 开关,M3=On,伺服电机执行绝对定位动作,到达绝对目标位置 400,000处后停止。
按下坐标-50000 开关,M4=On,伺服电机执行绝对定位动作,到达绝对目标位置-50,000处后停止。
若工作物碰触到正向极限传感器时,X0=On,Y10=On,伺服电机禁止正转,且伺服异常报警(M24=On)。
若工作物碰触到反向极限传感器时,X1=On,Y11=On,伺服电机禁止正转,且伺服异常报警(M24=On)。
当出现伺服异常报警后,按下伺服异常复位开关,M11=On,伺服异常报警信息解除,警报解除之后,伺服才能继续执行原点回归和定位的动作。
按下 PLC 脉冲暂停输出开关,M12=On,PLC 暂停输出脉冲,脉冲输出个数会保持在寄存器内,当M12=Off 时,会在原来输出个数基础上,继续输出未完成的脉冲。
三菱PLC台达伺服实例
编辑整理:
尊敬的读者朋友们:
这里是精品文档编辑中心,本文档内容是由我和我的同事精心编辑整理后发布的,发布之前我们对文中内容进行仔细校对,但是难免会有疏漏的地方,但是任然希望(三菱PLC台达伺服实例)的内容能够给您的工作和学习带来便利。
同时也真诚的希望收到您的建议和反馈,这将是我们进步的源泉,前进的动力。
本文可编辑可修改,如果觉得对您有帮助请收藏以便随时查阅,最后祝您生活愉快业绩进步,以下为三菱PLC台达伺服实例的全部内容。
三菱PLC台达伺服A2实例PLC梯形图,简单的测试用,本人已测试过
接线说明:
45、47、49COM-接PLC电源0V
11COM+、35I_S接PLC电源24V
9DI1—接PLC的Y5
41PULSE接Y0
37SIGN接Y4
伺服驱动器设置:
参数设置值说明
P0-02 2 伺服面板显示脉冲指令脉冲计数P1—00 2外部脉冲输入形式设置为脉冲+方向
P1-01 0位置控制模式(命令由外部端子输入)
P2—10 101当DI1=ON时,伺服启动。
1.原点回归程序示例:专用指令M1250 原点回归启动按键Y50 定位启动(私服参数)Y44 轴停止(私服参数)Y40 PLC准备完成(私服参数)M1081 电机手动状态M6401 原点回归启动条件输出脉冲[T0 H4 K1500 K9001 K1] 原点回归专用指令T0 Plc>》》QD75H4 QD75模块的首地址分配位置40K1500 定位指令(私服参数)K9001 机械原点回归K1 设定值SET Y50 执行电机的输出,需要进行职位处理2.原点回归(进行中到完成)程序示例:原点完成0.5SEC闪烁指示灯Y50 原点回归动作进行中(私服电机的定位启动输出)X50 启动完成信号(私服参数)X4C 电机BUSY(忙轴)电机动作中处于忙轴中X4C接通M6501 原点回归动作完成输出(采用维持处理,一直接通)断开条件:M6701 电机发生SERVO ERRORX48 接通(私服内部参数,报警输出)YA42 私服电机的M/C电源断开[ RST Y50] 当电机完成原点回归后,直接对电机进行复位M1251 原点回归动作进行状态指示灯当原点回归正在进行中时以间隔0.5S的时间闪烁原点回归完成后一直接通3.全部原点回归程序示例:M1290 原点回归的启动开关M1001 原点回归时必须在手动状态下进行M100 原点回归的输出(动作需要进行维持处理)原点回归的断开条件:M101 全部原点回归执行完成M1012 复位按键启动M105 紧急停止开关启动原点回归完成状态指示所有电机原点完成输出4.JOG SPEED的更改和专用指令写法:高速,中速,低速的选择按键伺服JOG 速度写入专用参数代码随时可以改变M1055 M1053 M1051 是速度选择的几个按键开关,可以通过TOUCH 直接进行设定选择SM400一直处于接通状态,表示JOG 的速度选择可以通过开关的任意时间进行设定写入从而改变。
D120 是速度值存储的字地址DMOV 传送指令,D 32数据传送指令(速度的值是任意设定的)[ DTO H4 K1518 D120 K1 ] JOG 速度专用指令写入方法6.SERVO ERROR的复位专用指令和写法复位专用指令轴出错信号复位开关7.SERVO 电机运行的当前数据读取专用指令和写法电机当前数据读取专用指令读取5.SERVO ERROR的读取专用指令和写法专用指令代码轴一轴二轴三轴四故障数据读取比较8.SERVO 电机内部I/O信息数据读取专用指令和写法伺服电机I/O信息读取专用指令实时读取9.SERVO 定位输出专用指令和写法(经典)10.伺服电机加速时间和减速时间的程序设定方法:轴一的加速时间写入轴一的减速时间写入通过M81的接通和断开,来选择电机在正向运行时的加减速,如果只通过对伺服参数的直接设定,那么电机的正向运行和反向运行时的加减速一样。
实例PLC触摸屏控制伺服电机程序设计摘要:以三菱公司的FX3U-48MT-ES-A作为控制元件,GT1155-QFBD-C作为操作元件,直接控制三菱伺服电机的具体程序设计。
伺服电机又称执行电机,它是控制电机的一种。
它是一种用电脉冲信号进行控制的,并将脉冲信号转变成相应的角位移或直线位移和角速度的执行元件。
根据控制对象的不同,由伺服电机组成的伺服系统一般有三种基本控制方式,即位置控制、速度控制、力矩控制。
本系统我们采用位置控制。
PLC在自动化控制领域中,应用十分广泛。
尤其是近几年PLC在处理速度,指令及容量、单轴控制方面得到飞速的发展,使得PLC在控制伺服电机方面也变得简单易行。
一、控制系统中元件的选型1、PLC的选型因为伺服电机的位移量与输入脉冲个数成正比,伺服电机的转速与脉冲频率成正比,所以我们需要对电机的脉冲个数和脉冲频率进行精确控制。
且由于伺服电机具有无累计误差、跟踪性能好的优点,伺服电机的控制主要采用开环数字控制系统,通常在使用时要搭配伺服驱动器进行控制,而伺服电机驱动器采用了大规模集成电路,具有高抗干扰性及快速的响应性。
在使用伺服驱动器时,往往需要较高频率的脉冲,所以就要求所使用的PLC能产生高频率脉冲。
三菱公司的FX3U晶体管输出的PLC可以进行6点同时100 kHz高速计数及3轴独立100 kHz的定位功能,并且可以通过基本指令0.065 μs、PCMIX值实现了以4.5倍的高速度,完全满足了我们控制伺服电机的要求,所以我们选用FX3U-48MT-ES-A型PLC。
2、伺服电机的选型在选择伺服电机和驱动器时,只需要知道电机驱动负载的转距要求及安装方式即可,我们选择额定转距为2.4 N·m,额定转速为3 000 r/min,每转为131 072 p/rev分辨率的三菱公司HF-KE73W1-S100伺服电机,与之配套使用的驱动器我们选用MR-E-70A-KH003伺服驱动器。